Скачать Типовой проект 501-3 Альбом III. Строительная часть - блочный типДата актуализации: 01.01.2021
|
| Обозначение: | Типовой проект 501-3 |
| Обозначение англ: | 501-3 |
| Статус: | действует |
| Название рус.: | Альбом III. Строительная часть - блочный тип |
| Дата добавления в базу: | 01.09.2013 |
| Дата актуализации: | 01.01.2021 |
| Дата введения: | 05.10.1965 |
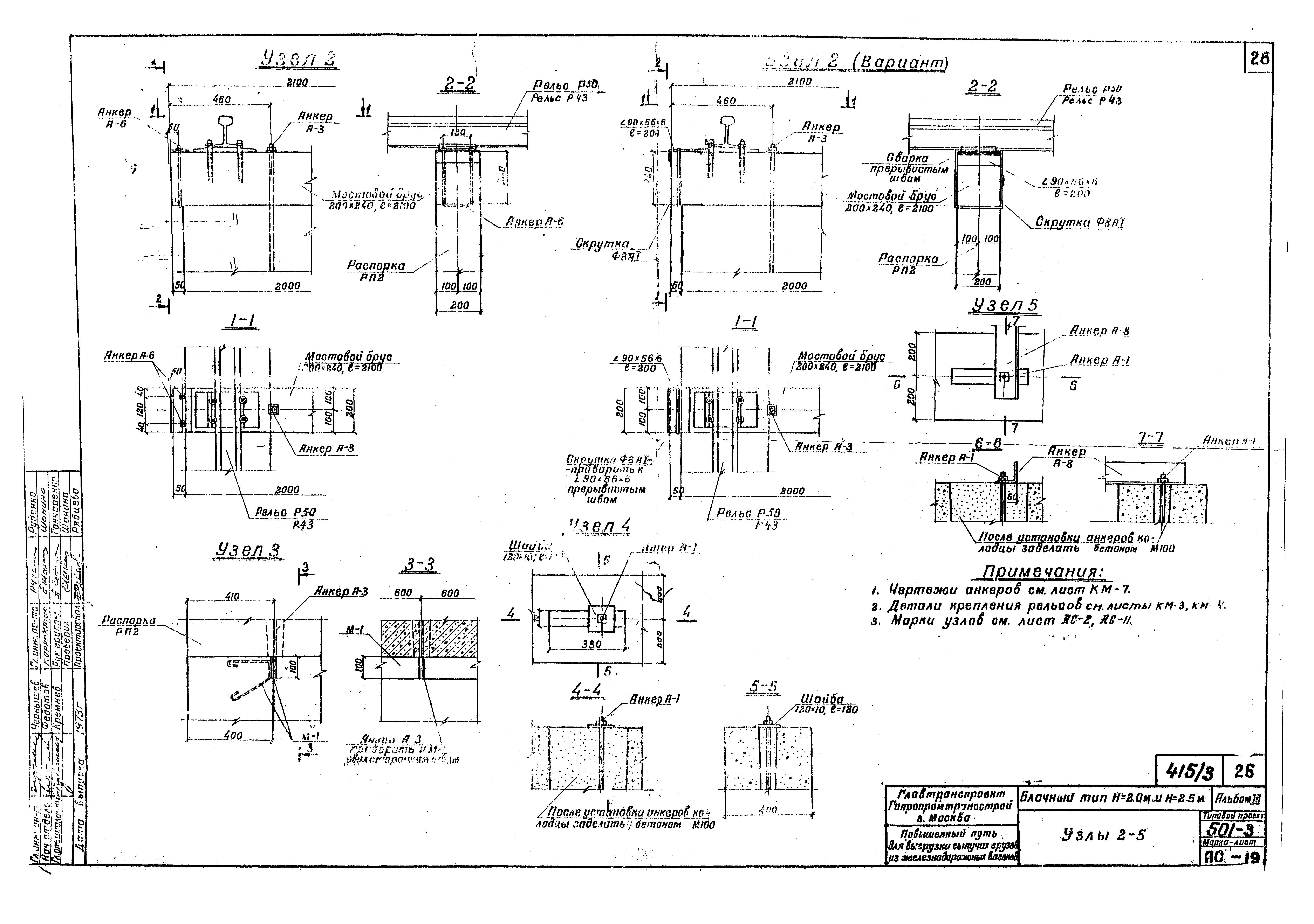
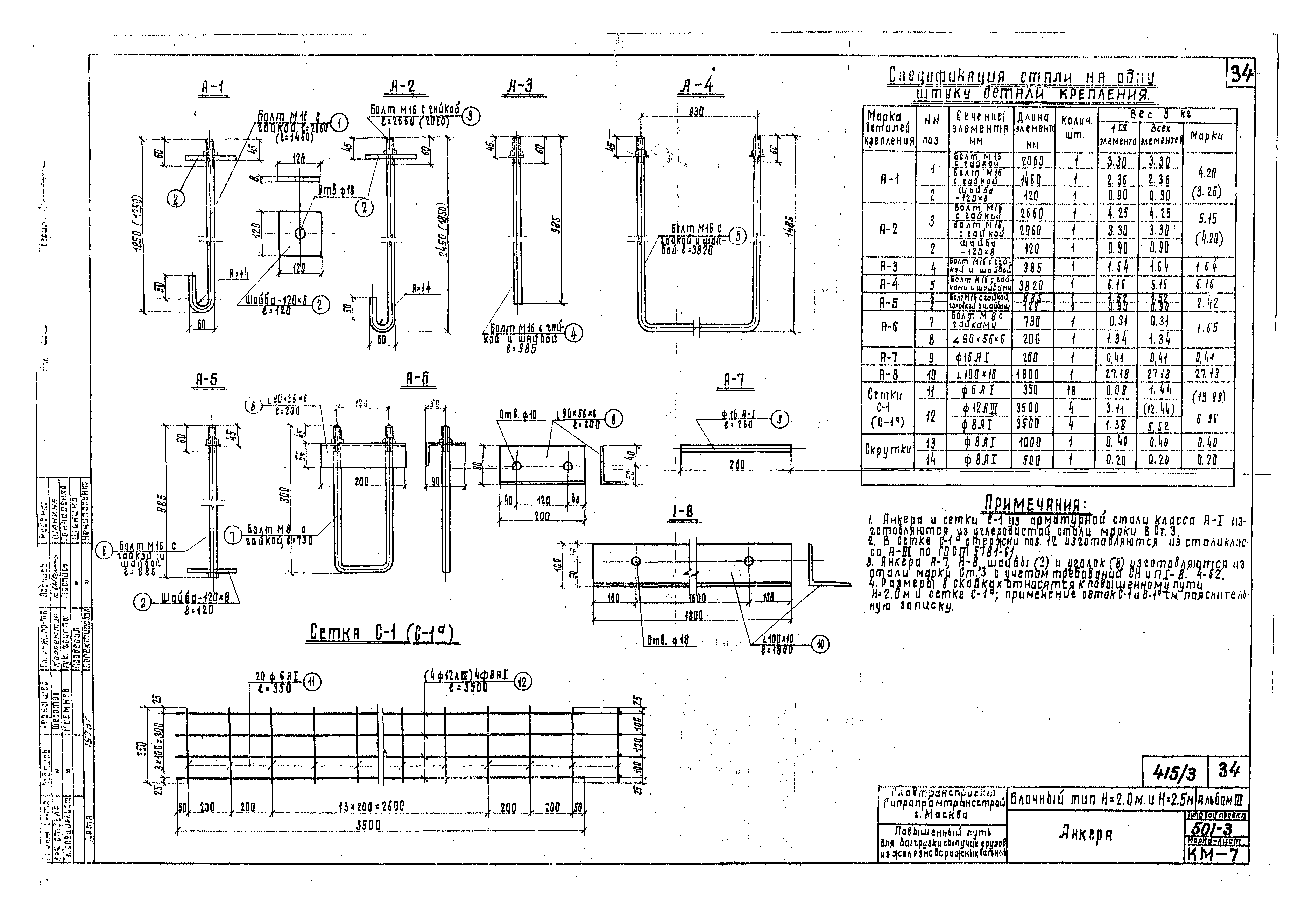
| Оглавление: | Заглавный лист. Состав проекта Пояснительная записка h = 2,0 м. Фасад, планы h = 2,0 м. Разрезы 1-1, 2-2, 3-3 h = 2,0 м. Монтажная схема секции 1. Фасад, планы и разрезы h = 2,0 м. Монтажная схема секции 1. Планы стеновых и фундаментных блоков h = 2,0 м. Монтажная схема средней секции. Фасад, планы и разрезы h = 2,0 м. Монтажная схема средней секции. Планы стеновых и фундаментных блоков h = 2,0 м. Монтажная схема секции 2. Фасад, планы и разрез h = 2,0 м. Монтажная схема секции 2. Планы стеновых и фундаментных блоков h = 2,0 м. Узел 1 h = 2,0 м. Металлическая лестница (узел 6) h = 2,5 м. Фасад, планы h = 2,5 м. Разрезы 1-1, 2-2, 3-3 h = 2,5 м. Монтажная схема секции 1. Фасад, планы и разрезы h = 2,5 м. Монтажная схема секции 1. Планы стеновых и фундаментных блоков h = 2,5 м. Монтажная схема средней секции. Фасад, планы и разрезы h = 2,5 м. Монтажная схема средней секции. Планы стеновых и фундаментных блоков h = 2,5 м. Монтажная схема секции 2. Фасад, планы и разрез h = 2,5 м. Монтажная схема секции 2. Планы стеновых и фундаментных блоков h = 2,5 м. Узел 1 h = 2,5 м. Металлическая лестница (узел 6) Узлы 2 -5 Детали крепления рельсов Р50 Детали крепления рельсов Р43 Буферный упор под автосцепку для рельс Р50 Буферный упор под автосцепку для рельс Р43 Стеновые блоки ФС4кз, ФС4к, ФС4-8кз, ФС4-8к Фундаментный блок Ф10 и распорка РП2 Сборный железобетонный шпальный ящик Анкера Расчет повышенного пути |
| Разработан: | Гипропромтрансстрой |
| Утверждён: | 05.10.1965 Гипропромтрансстрой (44) |


































