Скачать Типовой проект Серия 125 Часть 10. Раздел 10.4-82. Изделия заводского изготовления. Прочие изделияДата актуализации: 01.01.2021
|
| Обозначение: | Типовой проект Серия 125 |
| Обозначение англ: | Серия 125 |
| Статус: | действует |
| Название рус.: | Часть 10. Раздел 10.4-82. Изделия заводского изготовления. Прочие изделия |
| Дата добавления в базу: | 01.09.2013 |
| Дата актуализации: | 01.01.2021 |
| Дата введения: | 13.03.1992 |
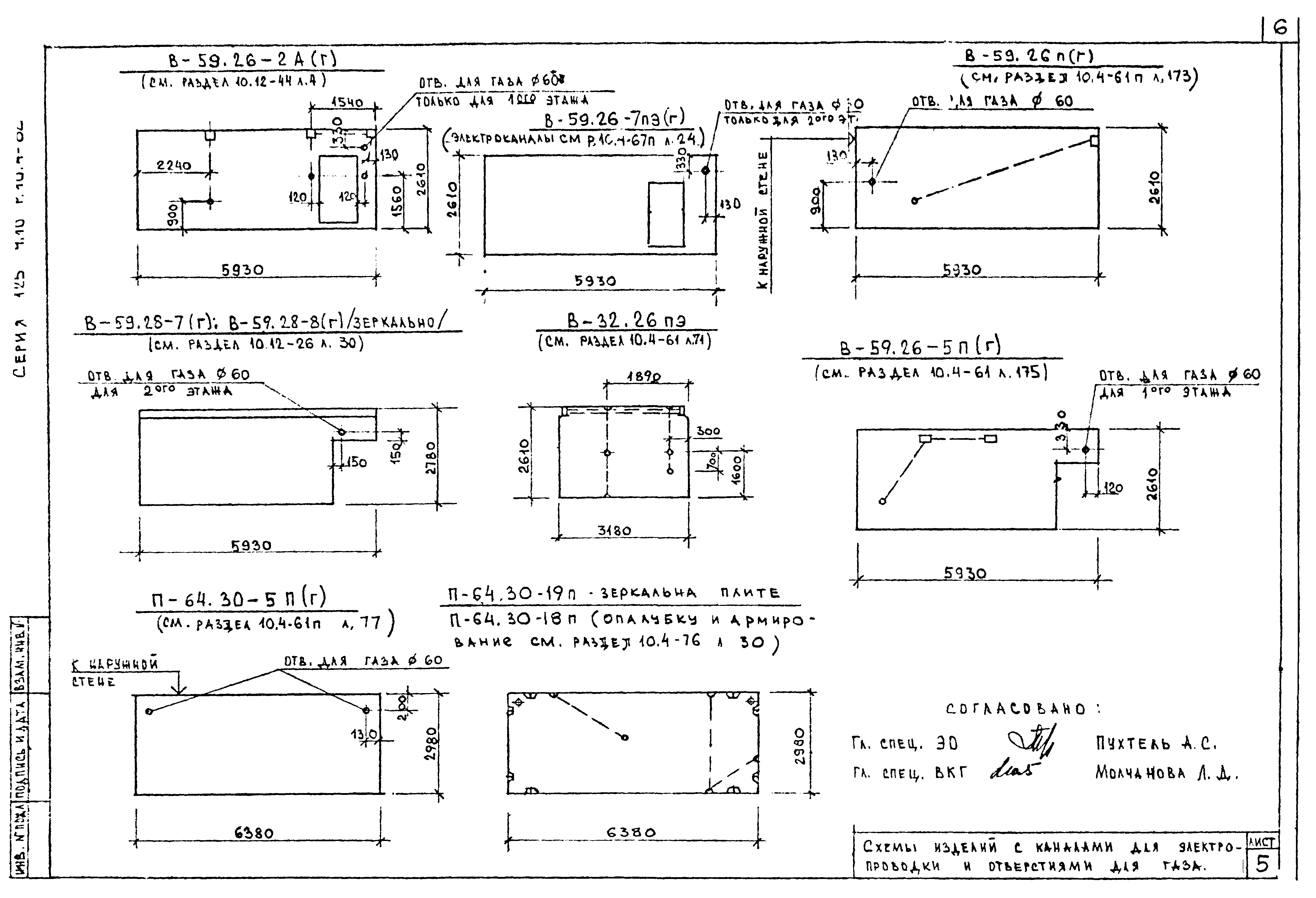
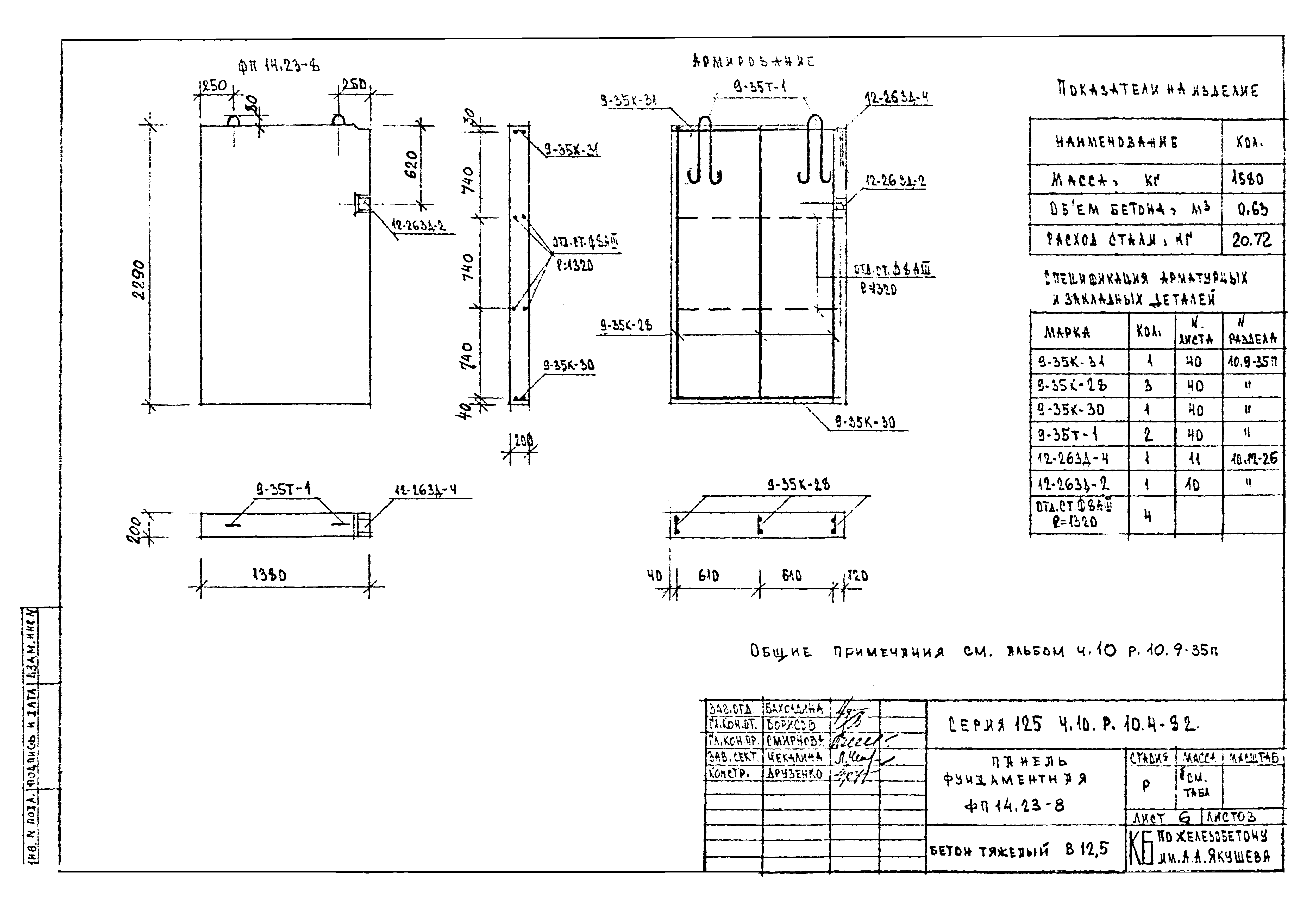
| Оглавление: | Содержание Наружные стеновые панели Фундаментные панели Схемы изделий с каналами для электропроводки и отверстиями для газа Панель фундаментная Плита покрытия Панели стен лоджий Ограждение приставной лоджии Фризовые панели Каркасы Сетки Внутренняя стеновая панель Ведомость расхода стали |
| Разработан: | КБ по железобетону Госстроя РСФСР |
| Утверждён: | 19.12.1978 Госстрой РСФСР (Russian Federation Gosstroy 8-23) |


























