Скачать Типовой проект 402-22-71.12.88 Альбом V. Нестандартизированное оборудованиеДата актуализации: 01.01.2021
|
| Обозначение: | Типовой проект 402-22-71.12.88 |
| Обозначение англ: | 402-22-71.12.88 |
| Статус: | не определен законодательством |
| Название рус.: | Альбом V. Нестандартизированное оборудование |
| Дата добавления в базу: | 01.09.2013 |
| Дата актуализации: | 01.01.2021 |
| Дата введения: | 01.03.1988 |
| Дата окончания срока действия: | 30.06.2003 |
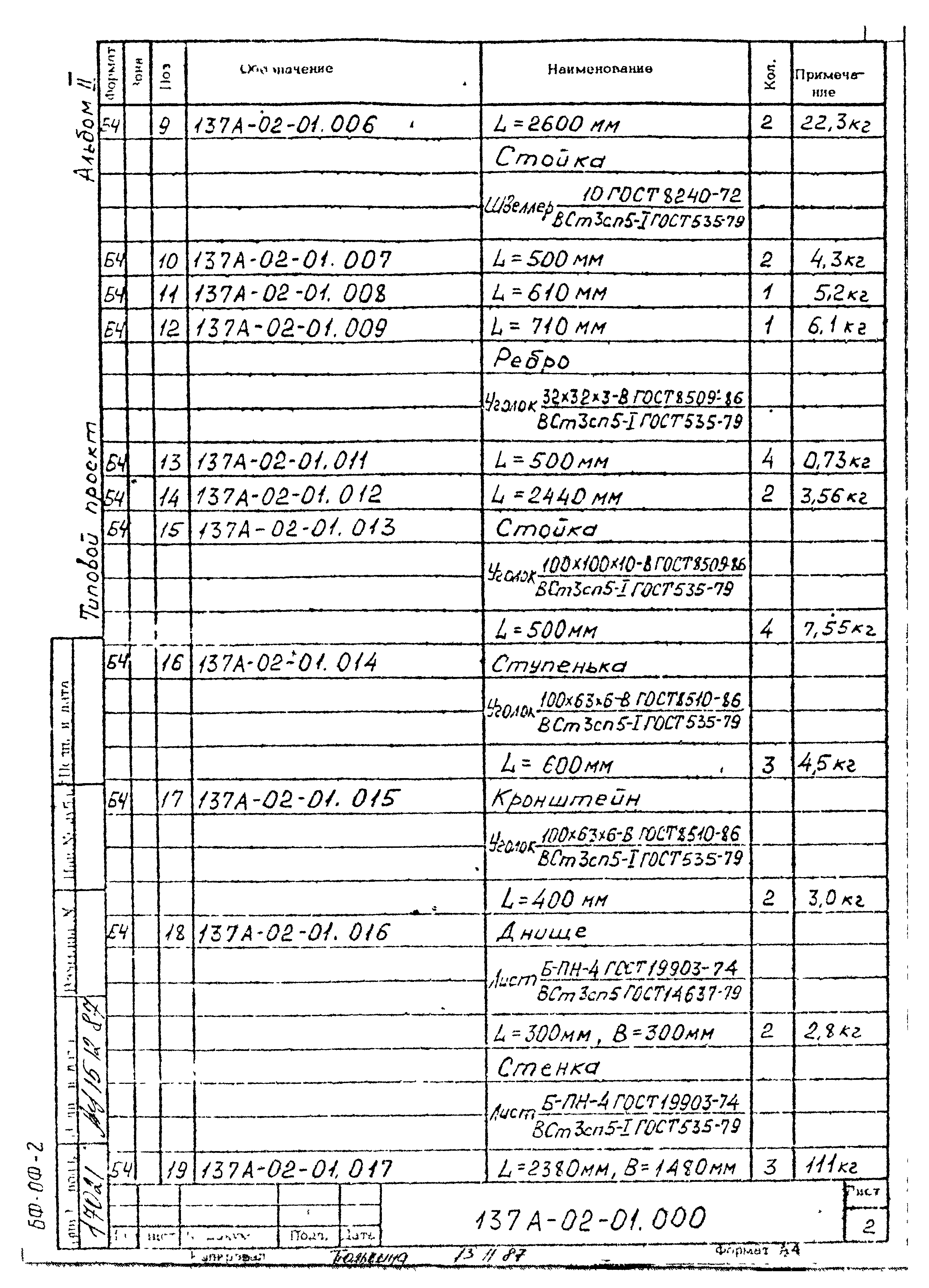
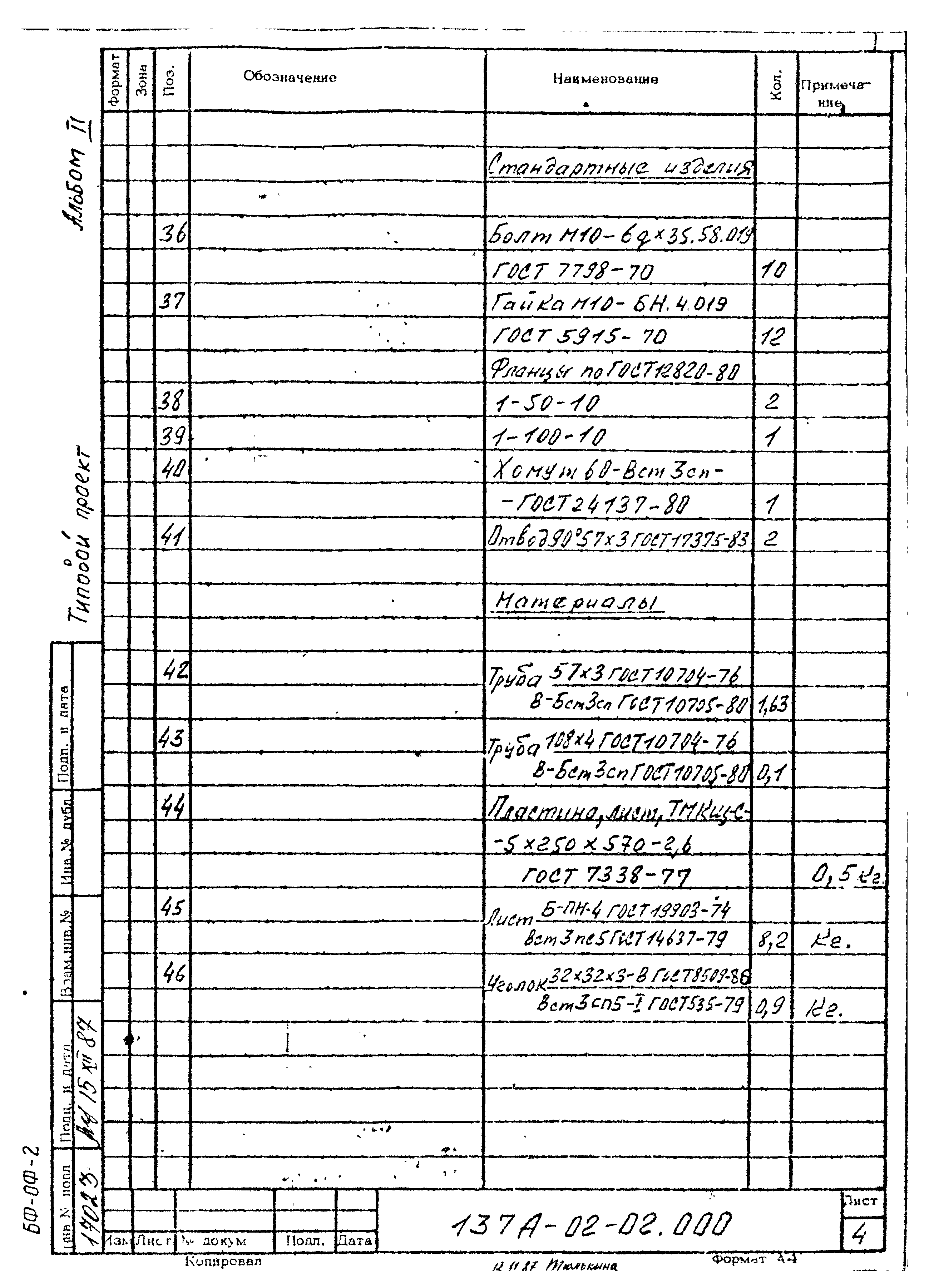
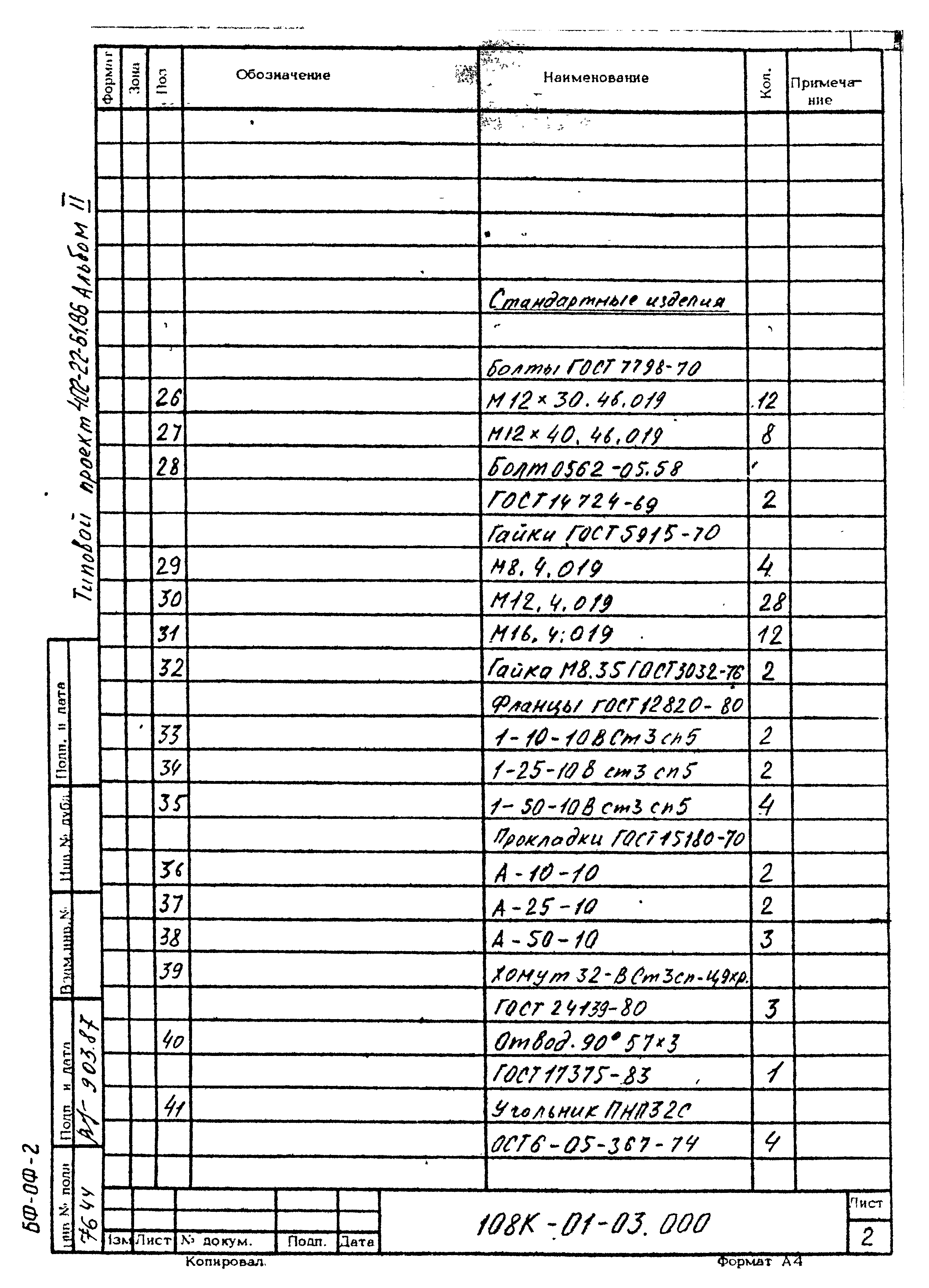
| Оглавление: | 137А-02-01.000 Бак контактный 137А-02-01.000СБ Бак контактный. Сборочный чертеж 108К-02-01.001 Связь 108К-02-01.002 Связь 108К-02-01.003 Кронштейн 108К-02-01.004 Стойка 108К-02-01.005 Ребро 108К-02-01.006 Днище 108К-02-01.007 Ниппель 108К-02-01.008 Ниппель 108К-02-01.009 Ниппель 108К-02-01.011 Тройник 108К-02-01.012 Фланец 108К-02-01.013 Фланец 108К-02-01.014 Полухомут 137А-02-02.000 Бак-накопитель 137А-02-02.000СБ Бак-накопитель. Сборочный чертеж 108К-02-02.011 Кронштейн 108К-02-02.001 Связь 108К-02-02.002 Связь 108К-02-02.003 Связь 108К-02-02.004 Связь 108К-02-02.005 Ребро 108К-02-02.017 Днище 108К-02-02.018 Днище 108К-01-01.000 Бак-гаситель напора 108К-01-01.000СБ Бак-гаситель напора. Сборочный чертеж 108К-01-01.010 Крышка 108К-01-01.010СБ Крышка. Сборочный чертеж 108К-01-01.008 Связь 108К-01-01.009 Днище 108К-01-01.013 Крышка 108К-01-02.000 Бак растворный 108К-01-02.000СБ Бак растворный. Сборочный чертеж 108К-01-02.001 Днище 108К-01-02.002 Фланец 108К-01-02.003 Ручка 108К-01-02.004 Опора 108К-01-02.005 Ребро 108К-01-02.006 Патрубок 108К-01-02.007 Фланец 108К-01-02.008 Шпилька 108К-01-02.009 Труба 108К-01-03.000 Бак затворный 108К-01-03.000СБ Бак затворный. Сборочный чертеж 108К-01-03.001 Крышка 108К-01-03.002 Стакан 108К-01-03.003 Днище 108К-01-03.004 Кронштейн 108К-01-03.005 Петля 108К-01-03.006 Кронштейн 108К-01-03.007 Ухо 108К-01-03.008 Фланец 108К-02-03.000 Бак-дозатор 108К-02-03.000СБ Бак-дозатор. Сборочный чертеж 108К-02-03.001 Днище |
| Разработан: | НИПИ КБС Миннефтегазстроя |
| Утверждён: | 09.02.1988 Миннефтегазстрой СССР (45) |
| Заменяет собой: |
|














































































