Скачать Типовые проектные решения 407-03-332.83 Альбом II. Шкафы линий 6 - 10 кВДата актуализации: 01.01.2021
|
| Обозначение: | Типовые проектные решения 407-03-332.83 |
| Обозначение англ: | 407-03-332.83 |
| Статус: | не действует |
| Название рус.: | Альбом II. Шкафы линий 6 - 10 кВ |
| Дата добавления в базу: | 01.10.2014 |
| Дата актуализации: | 01.01.2021 |
| Дата окончания срока действия: | 01.02.1987 |
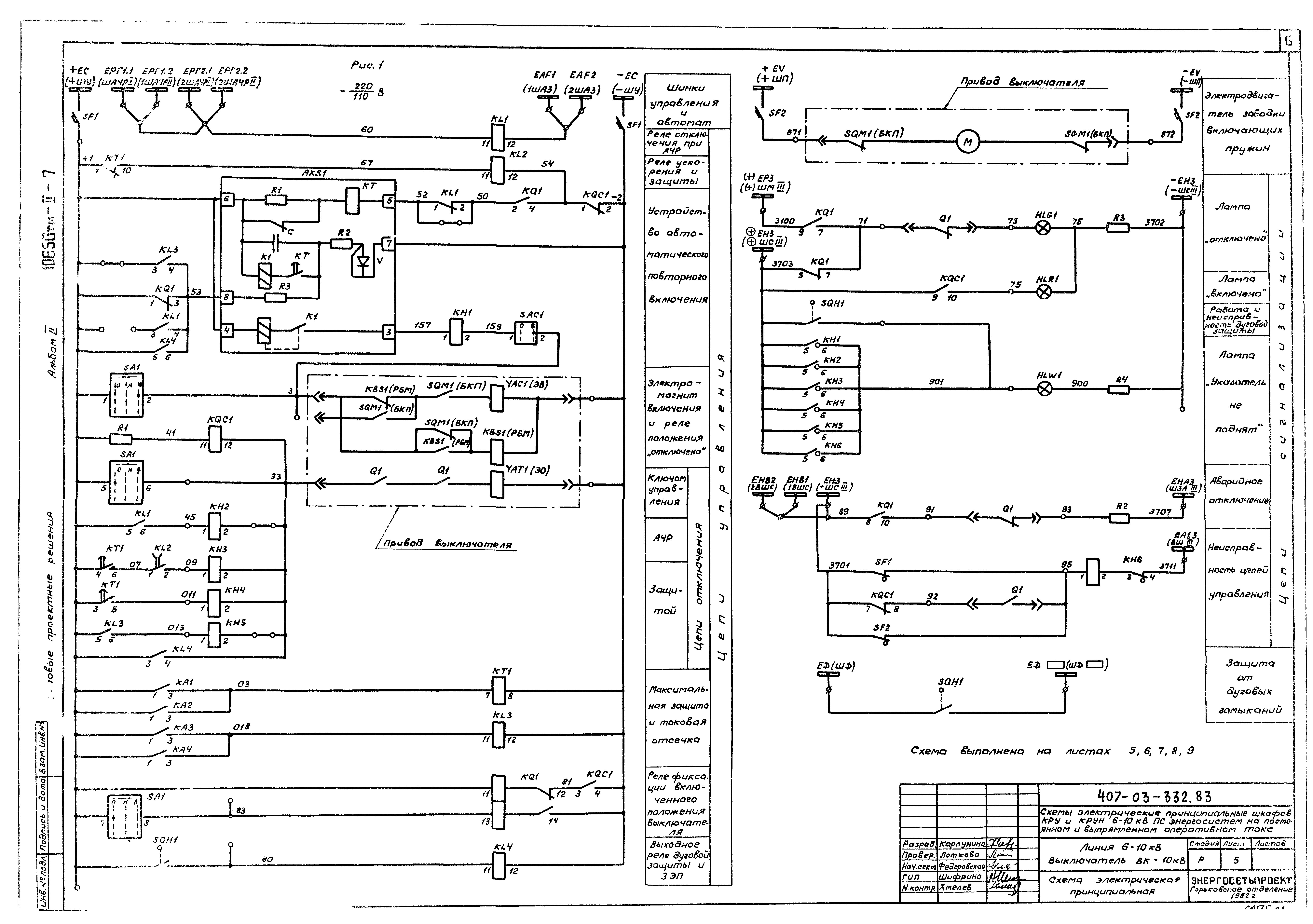
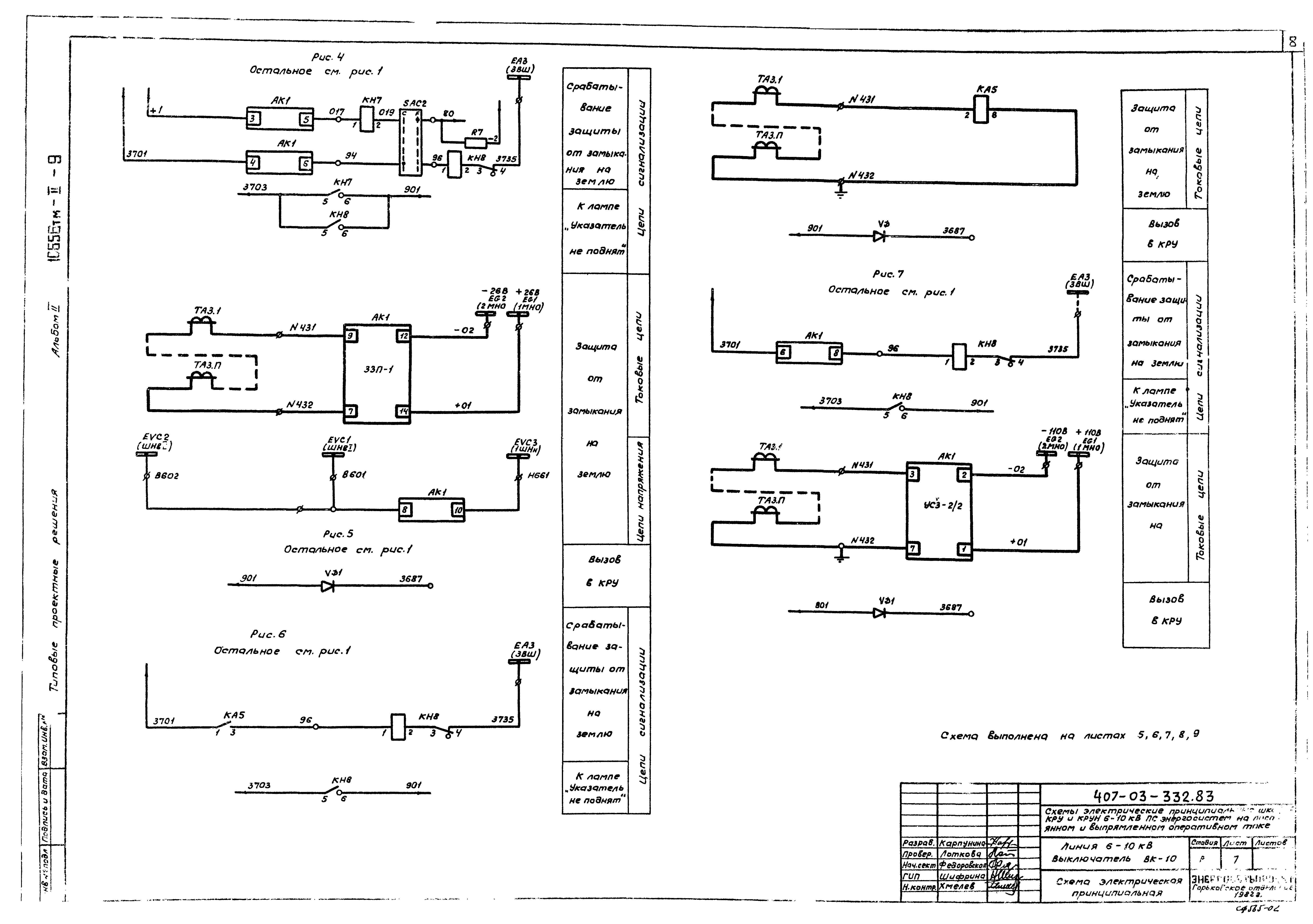
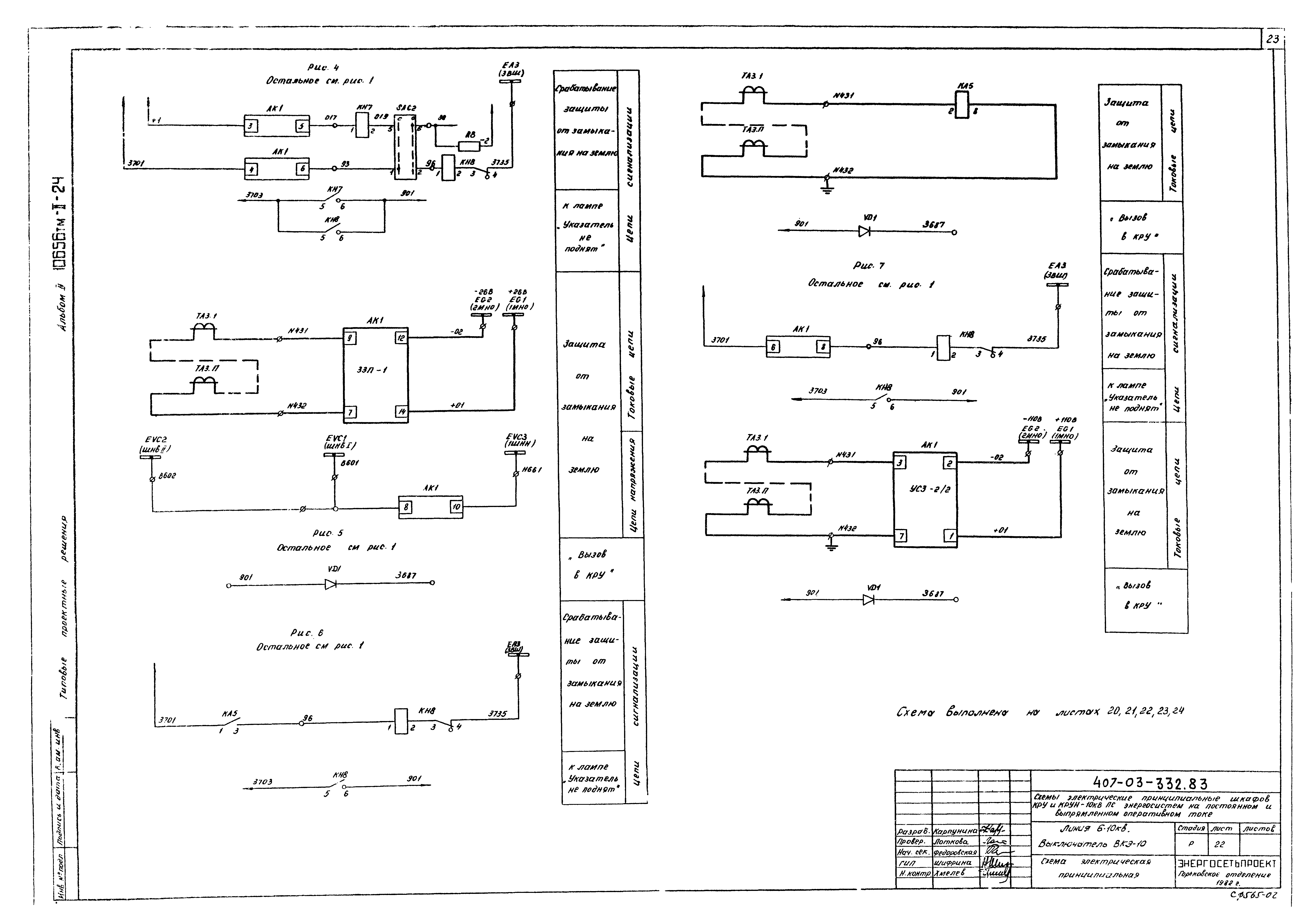
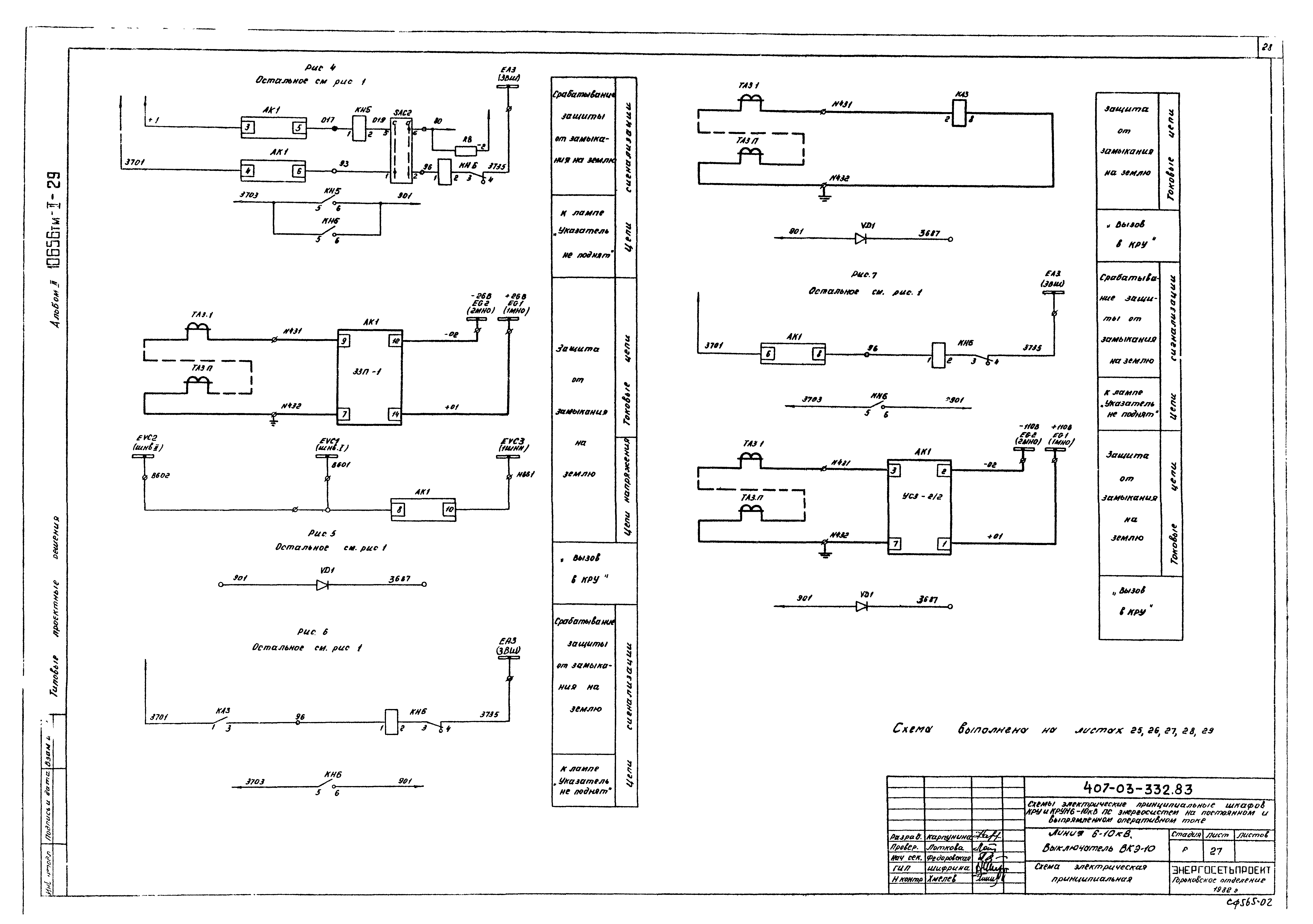
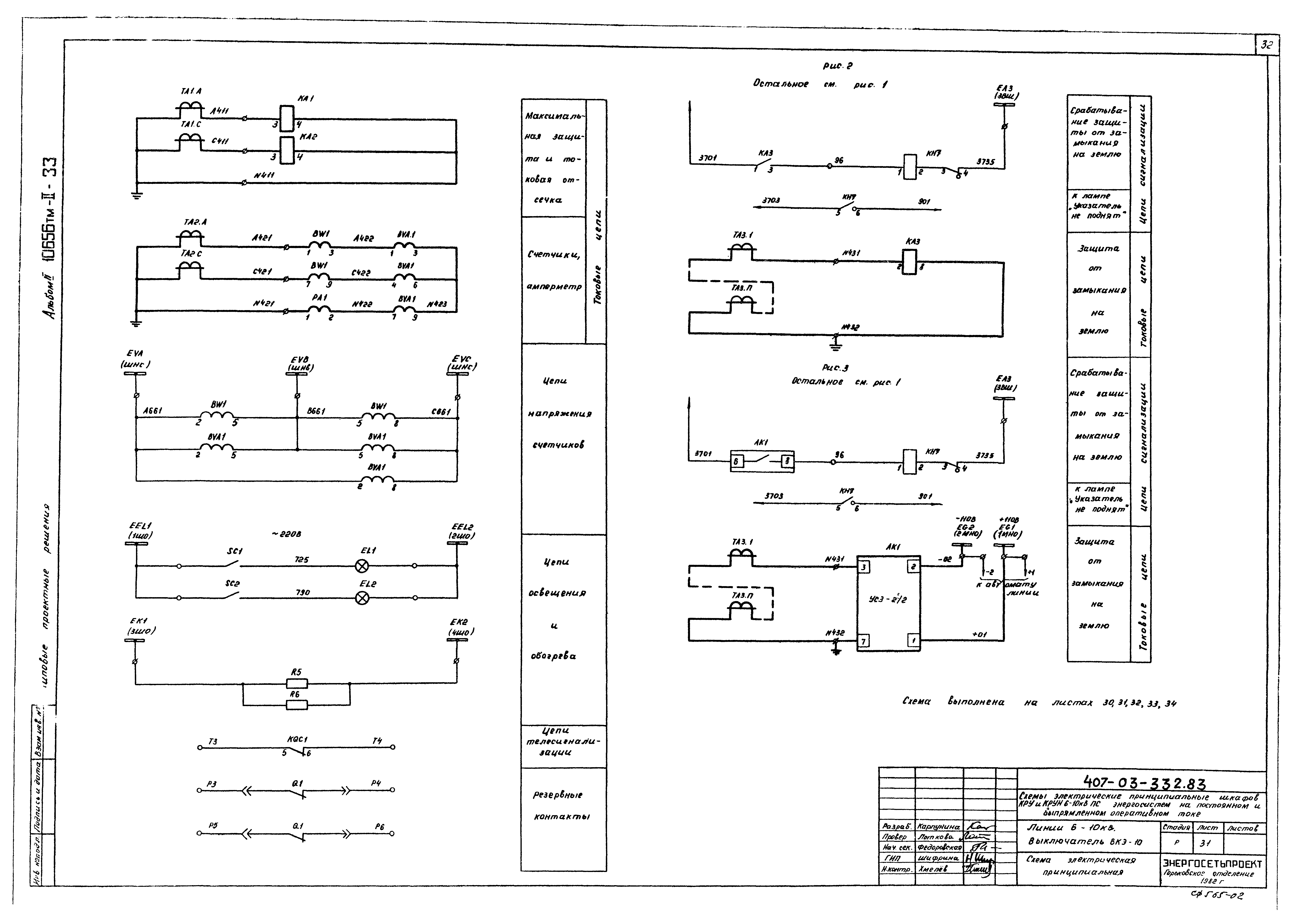
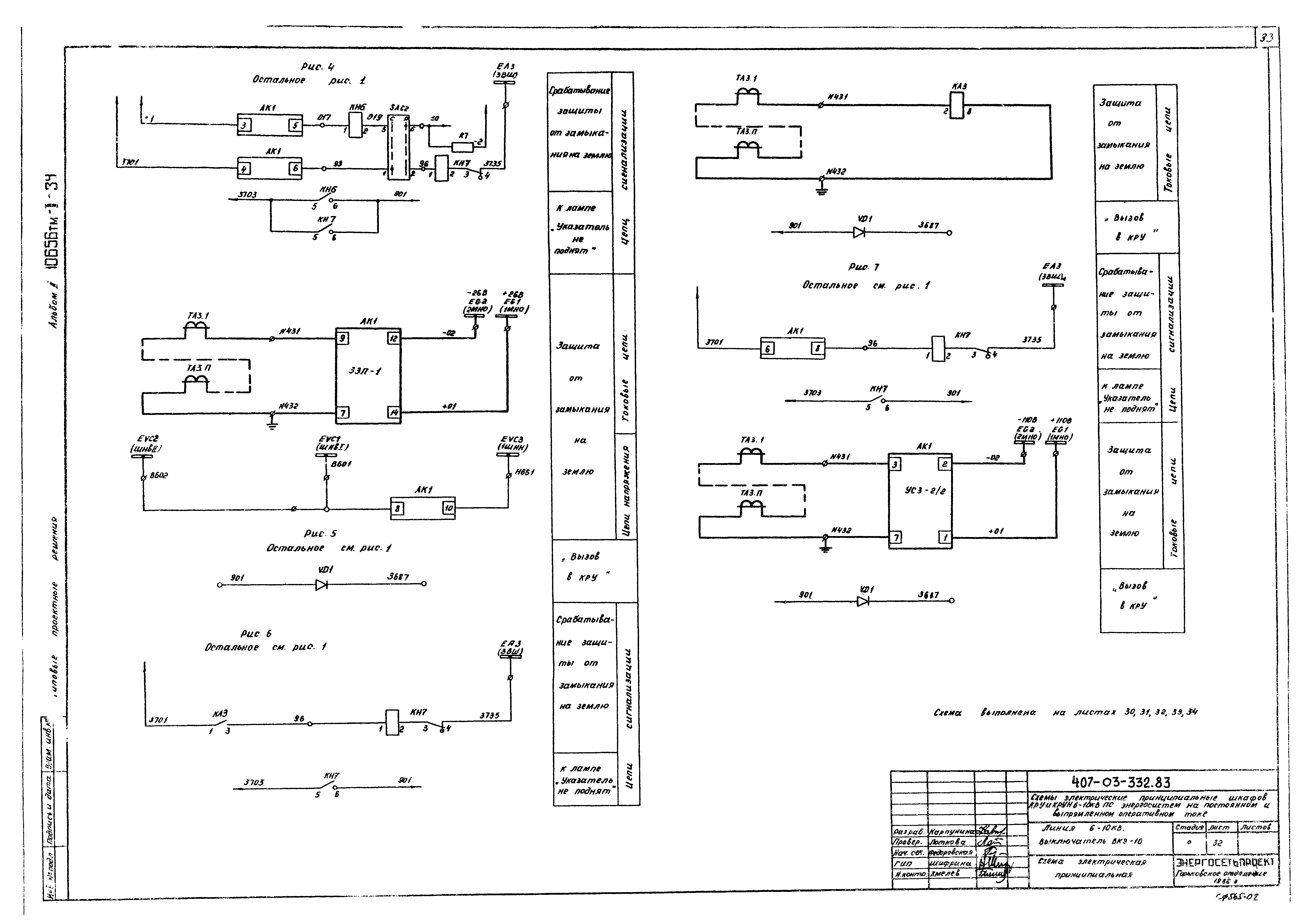
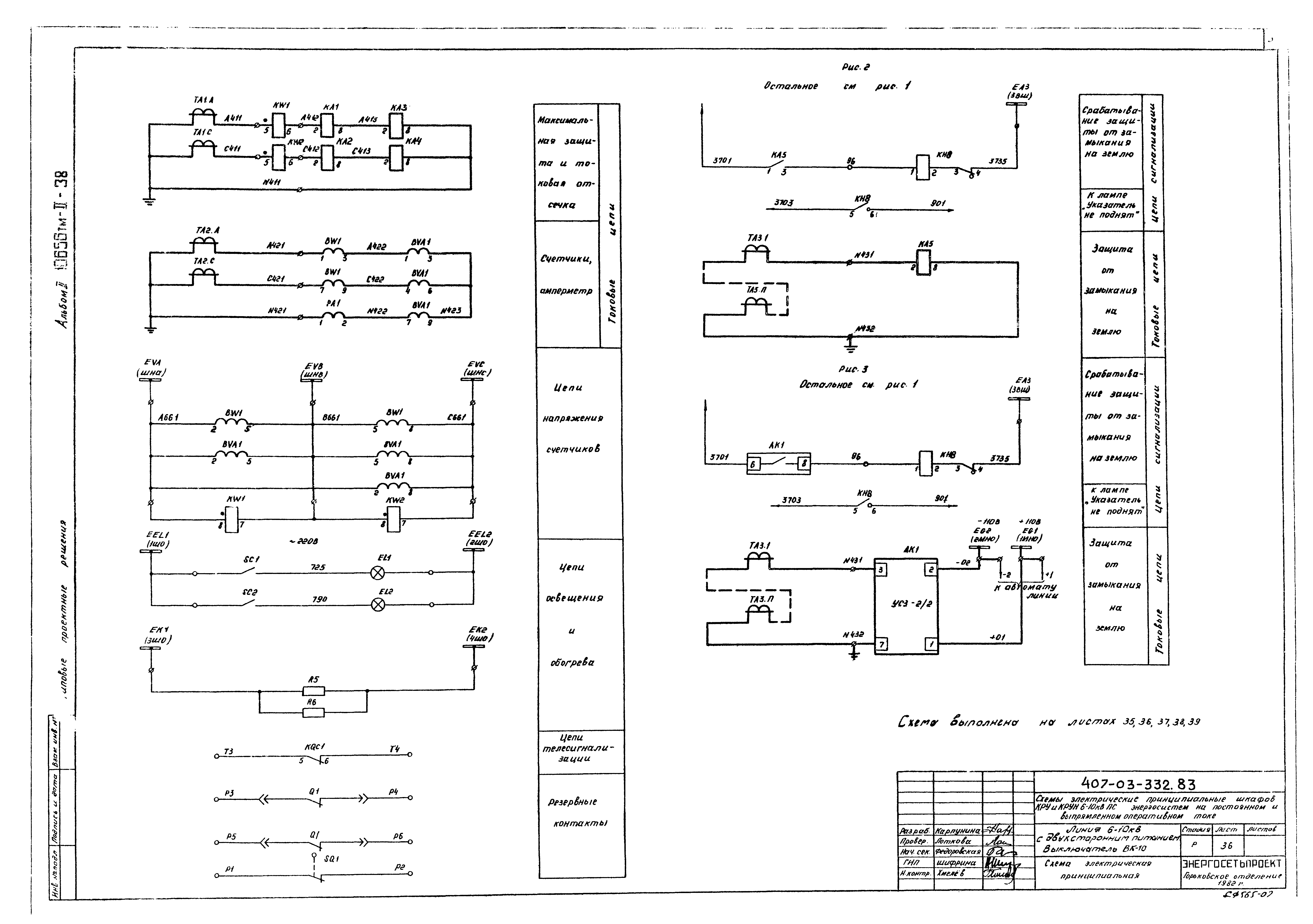
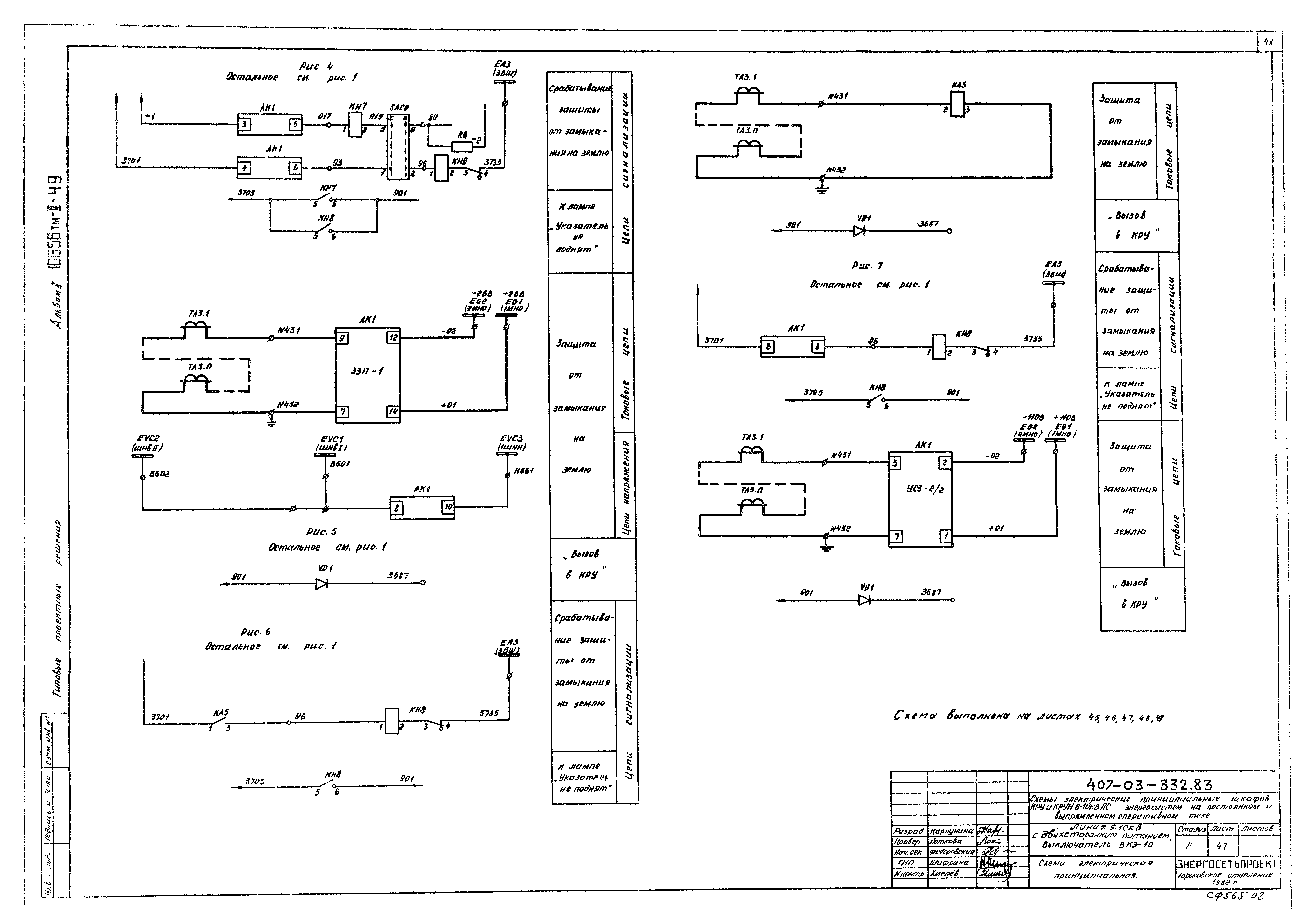
| Оглавление: | Содержание и пояснительная записка Выбор чертежей Линия 6 - 10 кВ. Выключатель ВК-10. Схема электрическая принципиальная Линия 6 - 10 кВ. Выключатель ВКЭ-10. Схема электрическая принципиальная Линия 6 - 10 кВ с двухсторонним питанием. Выключатель ВК-10. Схема электрическая принципиальная Линия 6 - 10 кВ с двухсторонним питанием. Выключатель ВКЭ-10. Схема электрическая принципиальная |
| Разработан: | Горьковское отделение института Энергосетьпроект Минэнерго СССР |
| Утверждён: | 08.10.1982 Минэнерго СССР (USSR Minenergo 33) |























































