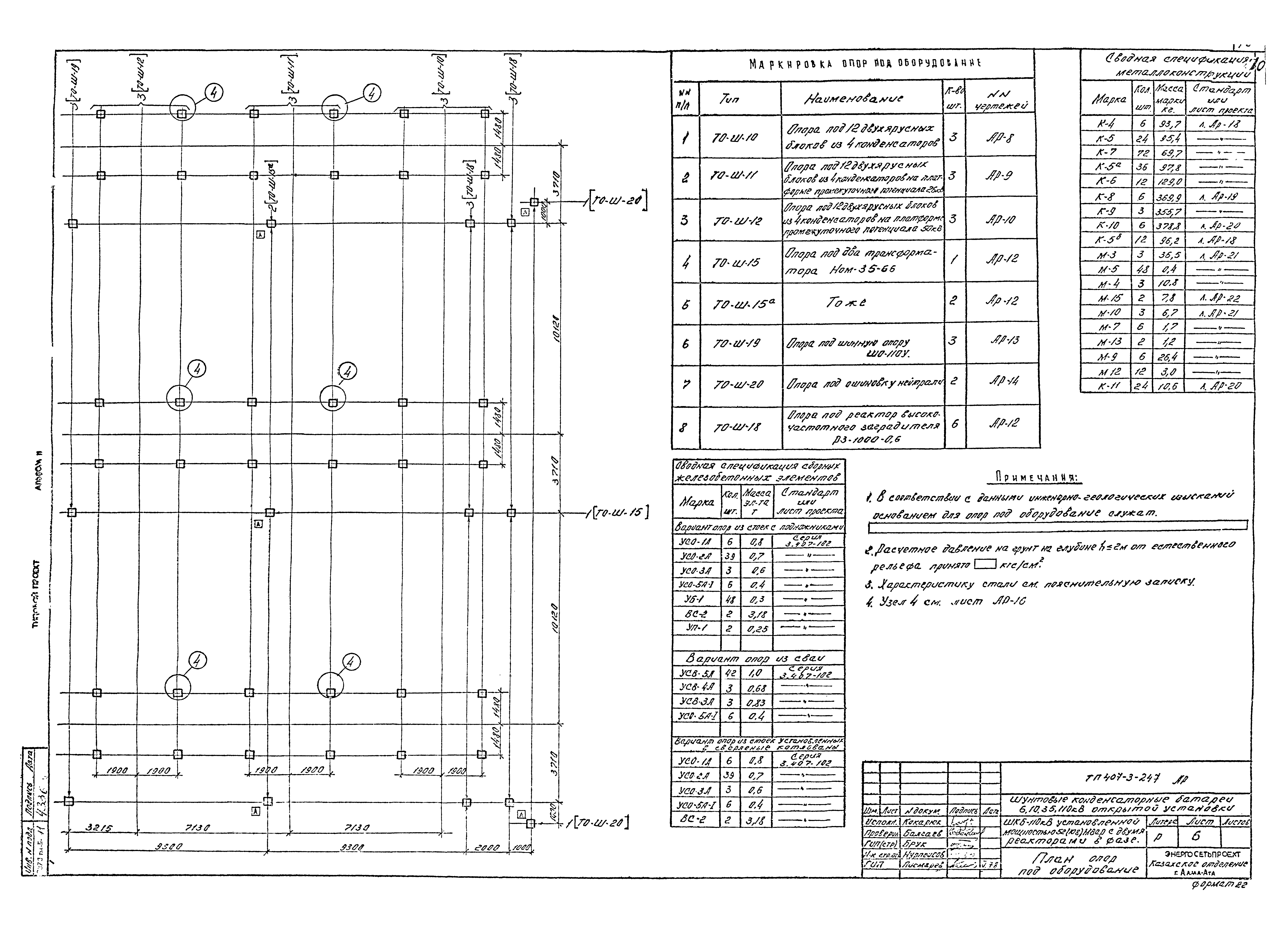
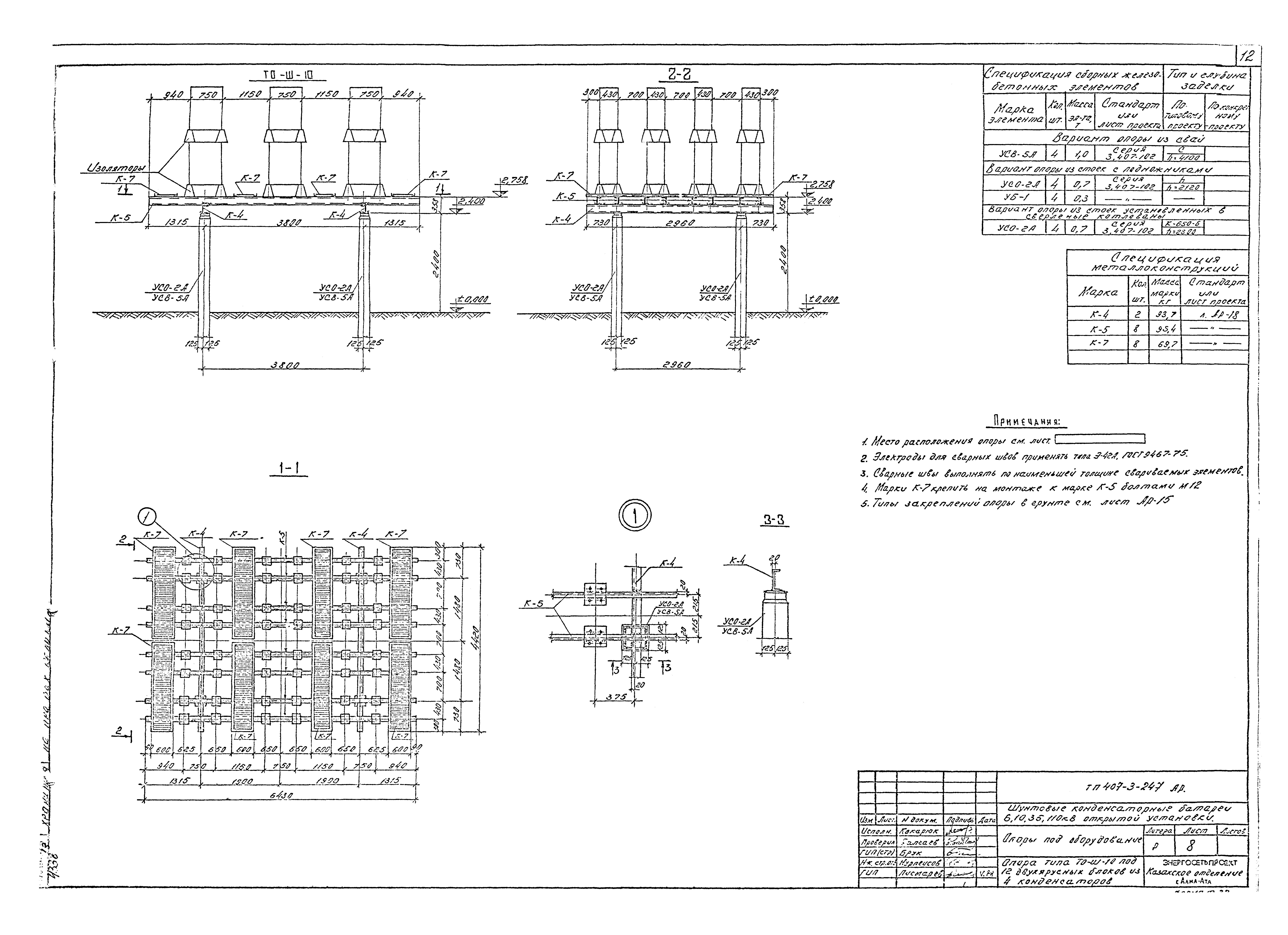
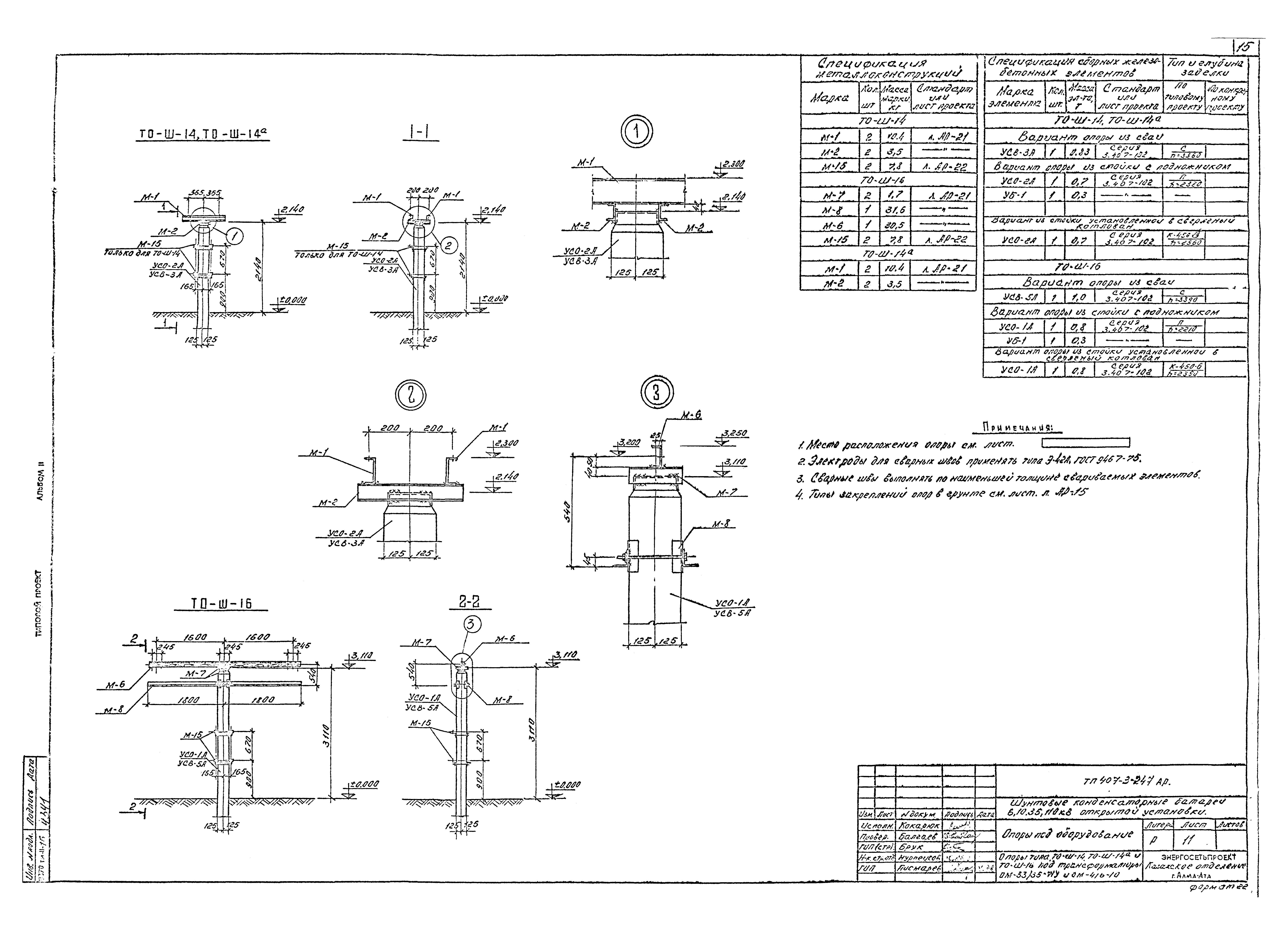
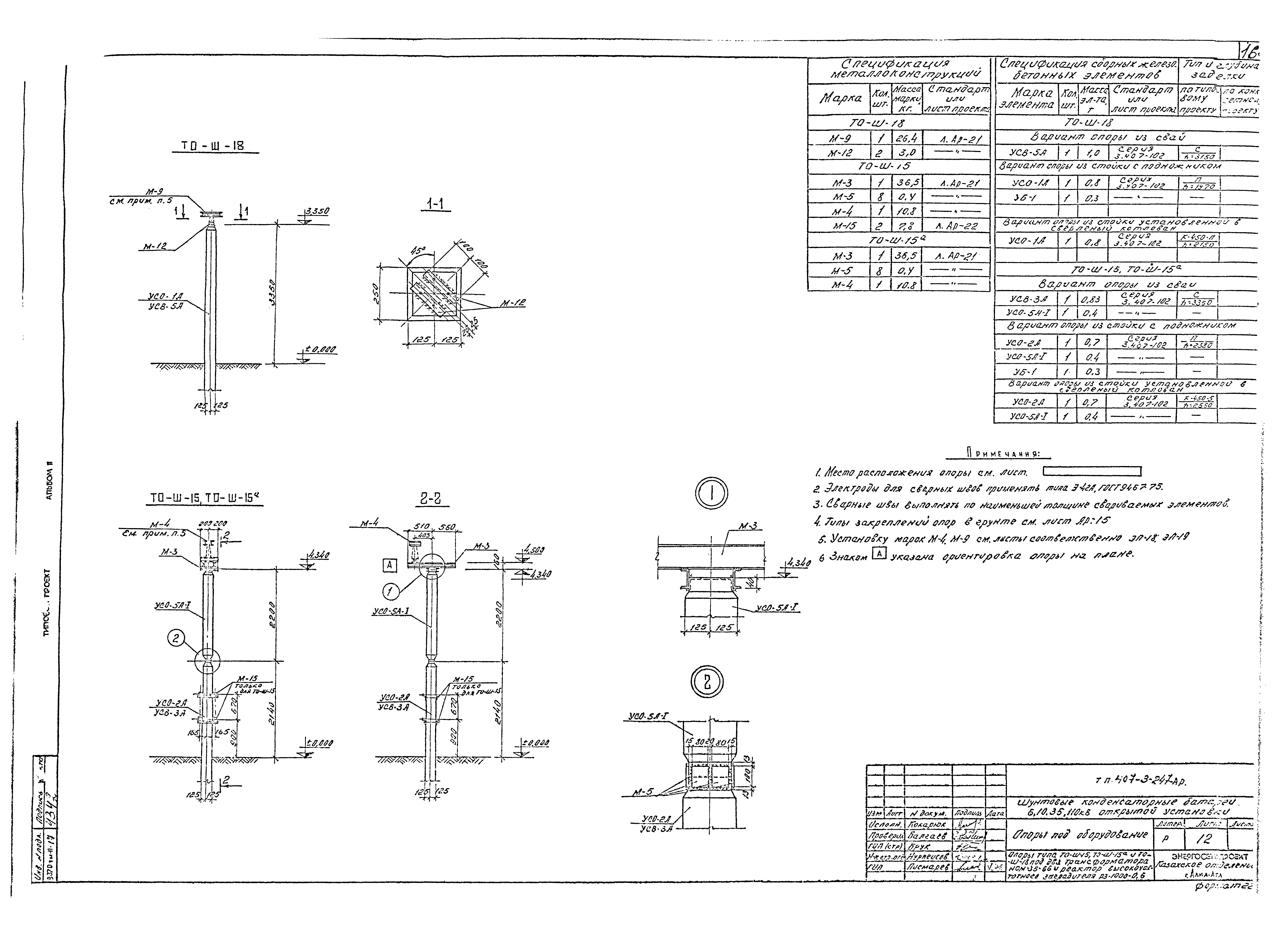
Скачать Типовой проект 407-3-247 Альбом II. Строительная частьДата актуализации: 01.01.2021
|
| Обозначение: | Типовой проект 407-3-247 |
| Обозначение англ: | 407-3-247 |
| Статус: | отменен |
| Название рус.: | Альбом II. Строительная часть |
| Дата добавления в базу: | 01.01.2019 |
| Дата актуализации: | 01.01.2021 |
| Дата введения: | 01.04.1979 |
| Дата окончания срока действия: | 01.02.1992 |
| Разработан: | Казахское отделение института Энергосетьпроект |
| Утверждён: | 28.09.1978 Министерство энергетики и электрификации СССР (USSR Ministry of Energy and Electrical Power 63) |
| Заменяет собой: |
|

























