Скачать Типовой проект 407-3-421м.87 Альбом II. Архитектурно-строительные и электротехнические решенияДата актуализации: 01.01.2021
|
| Обозначение: | Типовой проект 407-3-421м.87 |
| Обозначение англ: | 407-3-421м.87 |
| Статус: | не определен законодательством |
| Название рус.: | Альбом II. Архитектурно-строительные и электротехнические решения |
| Дата добавления в базу: | 01.10.2014 |
| Дата актуализации: | 01.01.2021 |
| Дата введения: | 15.12.1986 |
| Дата окончания срока действия: | 30.06.2003 |
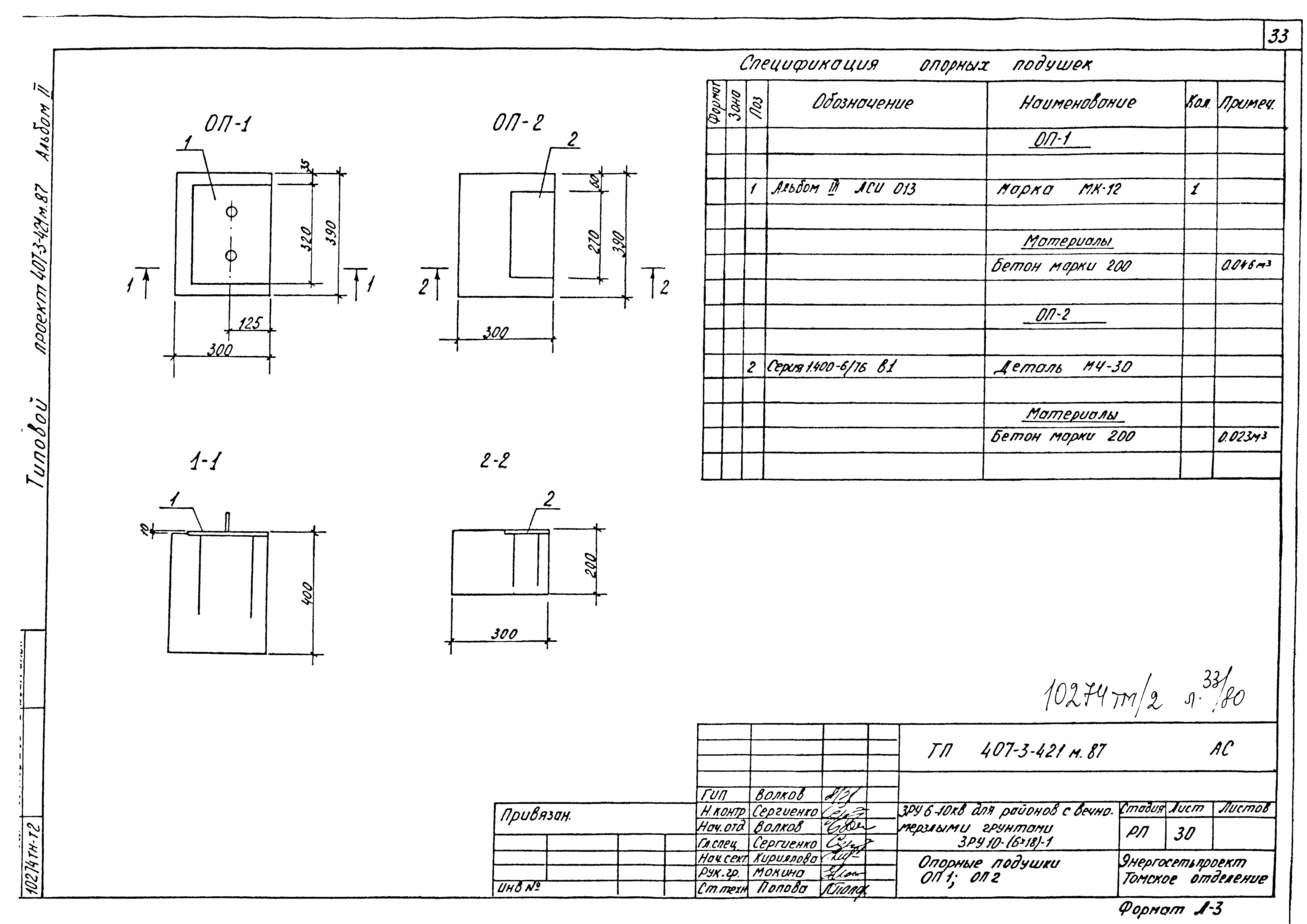
| Оглавление: | Чертежи основного комплекта марки АС Общие данные План на отм. 0.000 (для шкафов КМ-1, КМ-1Ф) План на отм. 0.000 (для шкафов К-104, К-105) Разрезы 1-1, 2-2 (для шкафов КМ-1, КМ-1Ф) Разрезы 1-1, 2-2 (для шкафов К-104, К-105) Фасады 1 - 4; 4 - 1; Б - А (для шкафов КМ-1, КМ-1Ф) Фасады 1 - 4; 4 - 1; Б - А (для шкафов К-104, К-105) Схема расположения свай Опалубка ростверка РКм1 Армирование ростверка РКм1 Ростверк РКм1. Сечения 1-1…5-5. Узел 1 Ростверк РКм1. Сечения 6-6…9-9 Схема расположения плит цокольного перекрытия (для шкафов КМ-1, КМ-1Ф на ток до 3150 А) Схема расположения плит цокольного перекрытия (для шкафов КМ-1, КМ-1Ф на ток до 2000 А) Схема расположения плит цокольного перекрытия (для шкафов К-104, К-105) Схема расположения плит покрытия План полов. Схема расположения опорных подушек План кровли. Схема расположения парапетных плит Схема расположения металлических марок на отм. - 1.940 Схема расположения металлических марок и асбестоцементных труб (для шкафов КМ-1, КМ-1Ф на ток до 3150 А) Разрез 1-1 (для шкафов КМ-1, КМ-1Ф на ток до 3150 А) Схема расположения металлических марок и асбестоцементных труб (для шкафов КМ-1, КМ-1Ф на ток до 2000 А) Разрез 1-1 (для шкафов КМ-1, КМ-1Ф на ток до 2000 А) Схема расположения металлических марок и асбестоцементных труб (для шкафов К-104, К-105) Разрез 1-1 (для шкафов К-104, К-105) Опорные подушки ОП1, ОП2 Фрагмент фасада 1 Фрагмент фасада 2 Узлы 1, 2 Узлы 3…6 Узлы 7, 8 Чертежи основного комплекта марки КМ Общие данные Схема расположения балок покрытия. Разрез 1-1 Схема расположения лестницы №1. Вид 1-1. Разрез 2-2 Схема расположения лестницы №2. Вид 1-1. Разрез 2-2 Узлы 1, 2 Чертежи основного комплекта марки ОВ Присоединение к проходным изоляторам и крепление к стене шкафов шинных вводов КМ-1 и КМ-1Ф Общие данные План на отм. 0.000. Разрез 1-1 Установка 2-х, 3-х электрических печей типа ПЭТ-4. Спецификация Спецификация оборудования Чертежи основного комплекта марки ЭП Общие данные Расстановка шкафов КРУ серии К-105 и К-104 на ток до 3150 А Перечень оборудования для ЗРУ со шкафами КРУ серии К-105, К-104 Расстановка шкафов КРУ серии КМ-1 и КМ-1Ф на ток до 2000 А Перечень оборудования для ЗРУ со шкафами серии КМ-1 и КМ-1Ф Расстановка шкафов КРУ серии КМ-1 и КМ-1Ф на ток до 3150 А Схема освещения ЗРУ Освещение. План Электрическое отопление и вентиляция Пример раскладки силовых кабелей в продуваемом подполье. План, разрезы Пример раскладки силовых кабелей в продуваемом подполье. Узлы Узлы прокладки контрольных кабелей в ЗРУ со шкафами серии К-104, КМ-1 и КМ-1Ф Установка шкафов КРУ серии К-104 Установка шкафов КРУ серии КМ-1 и КМ-1Ф Доска проходная с изоляторами ИП-10/1600-1250УХЛ1; ИП-20/2000; 3150-1250УХЛ1 в ЗРУ со шкафами КРУ серии КМ-1 и КМ-1Ф Доска проходная с изоляторами ИП-10/1600-1250УХЛ1; ИП-20/2000; 3150-1250УХЛ1. Детали |
| Разработан: | Томское отделение Энергосетьпроекта |
| Утверждён: | 15.12.1986 Минэнерго СССР (USSR Minenergo 56) |
















































































