Скачать Типовой проект 407-3-400м.86 Альбом II. Архитектурно-строительные решенияДата актуализации: 01.01.2021
|
| Обозначение: | Типовой проект 407-3-400м.86 |
| Обозначение англ: | 407-3-400м.86 |
| Статус: | не определен законодательством |
| Название рус.: | Альбом II. Архитектурно-строительные решения |
| Дата добавления в базу: | 01.10.2014 |
| Дата актуализации: | 01.01.2021 |
| Дата введения: | 21.05.1984 |
| Дата окончания срока действия: | 30.06.2003 |
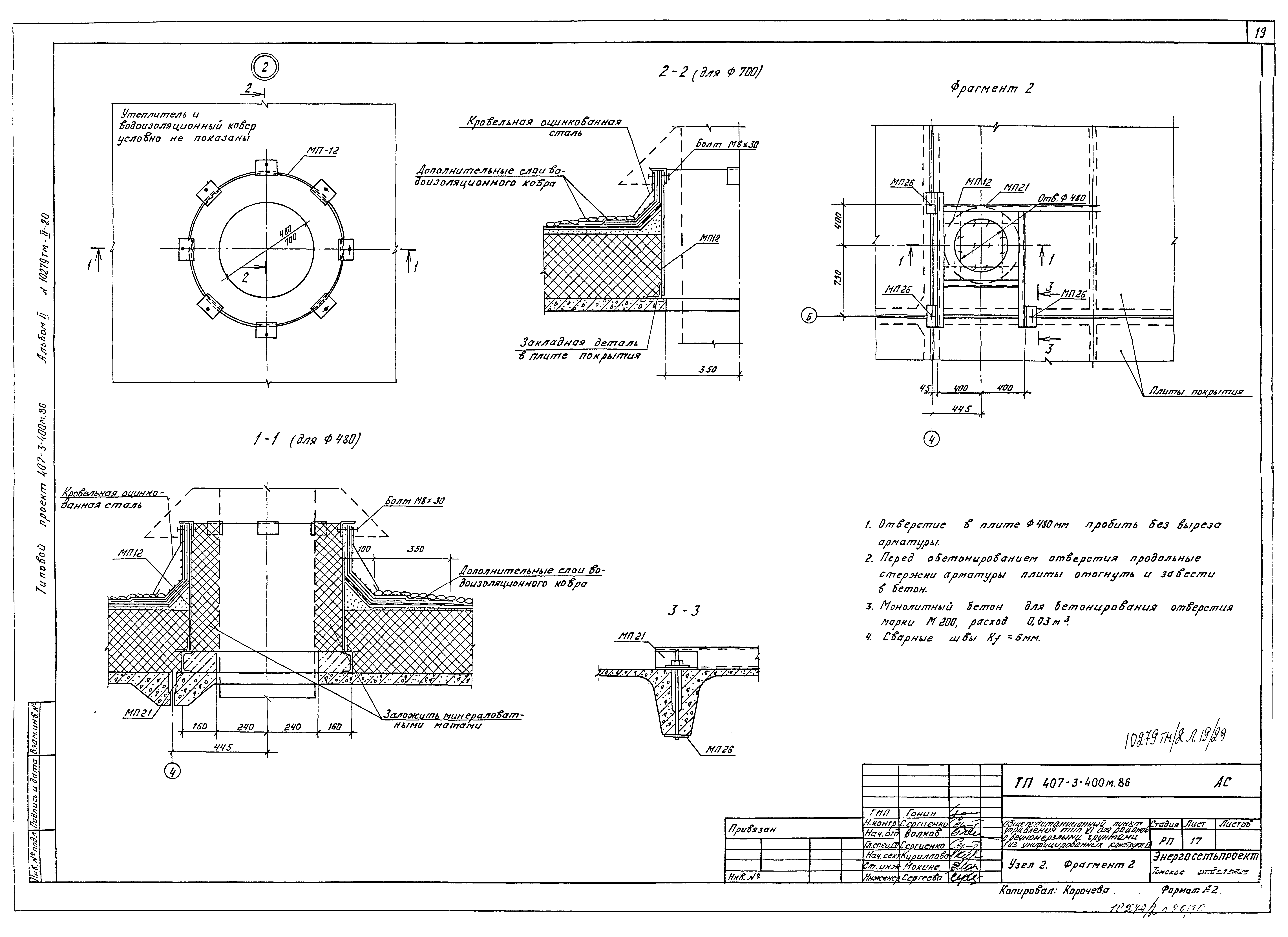
| Оглавление: | Содержание альбома Чертежи основного комплекта марки АС Общие данные План на отм. 0.000. Разрез 1-1 Разрез 2-2 Фасады 1 - 8; 8 - 1; А - В; В - А Схема расположения свай Опалубочный план перекрытия ПРм-1 ПРм-1. Раскладка каркасов и отдельных стержней. Разрезы 1-1…3-3 ПРм-1. Раскладка сеток. Разрез 4-4. Армирование стакана Спецификация перекрытия ПРм-1 Схемы расположения колонн, балок покрытия, плит покрытия. Разрез 1-1 Схемы расположения стеновых панелей и насадок фахверка Схема расположения металлических марок и асбестоцементных досок План полов. План кровли. Схема расположения парапетных плит Вентиляционная камера. Фрагмент 1. Разрезы 1-1, 2-2. Узел 1 Узел 2. Фрагмент 2 Фрагменты 3…6 Узлы 3…14 Узлы 15…22 Сборно-монолитное цокольное перекрытие Схема расположения плит цокольного перекрытия Опалубочный план ростверка РКм-1 РКм-1. Раскладка каркасов. Разрезы 1-1…5-5. Армирование стакана РКм-1. Раскладка сеток и отдельных стержней Чертежи основного комплекта марки КМ Общие данные Схемы расположения лестниц №1 и №2. Разрез 1-1. Виды 2-2, 3-3 |
| Разработан: | Томское отделение Энергосетьпроекта |
| Утверждён: | 21.05.1984 Минэнерго СССР (USSR Minenergo 19) |




























