Скачать Типовой проект 407-3-447с.87 Альбом I. Пояснительная записка. Электротехнические решения. Спецификация оборудования. Архитектурные решения. Строительные изделия. Конструкции металлическиеДата актуализации: 01.01.2021
|
| Обозначение: | Типовой проект 407-3-447с.87 |
| Обозначение англ: | 407-3-447с.87 |
| Статус: | не определен законодательством |
| Название рус.: | Альбом I. Пояснительная записка. Электротехнические решения. Спецификация оборудования. Архитектурные решения. Строительные изделия. Конструкции металлические |
| Дата добавления в базу: | 01.10.2014 |
| Дата актуализации: | 01.01.2021 |
| Дата введения: | 01.02.1988 |
| Дата окончания срока действия: | 30.06.2003 |
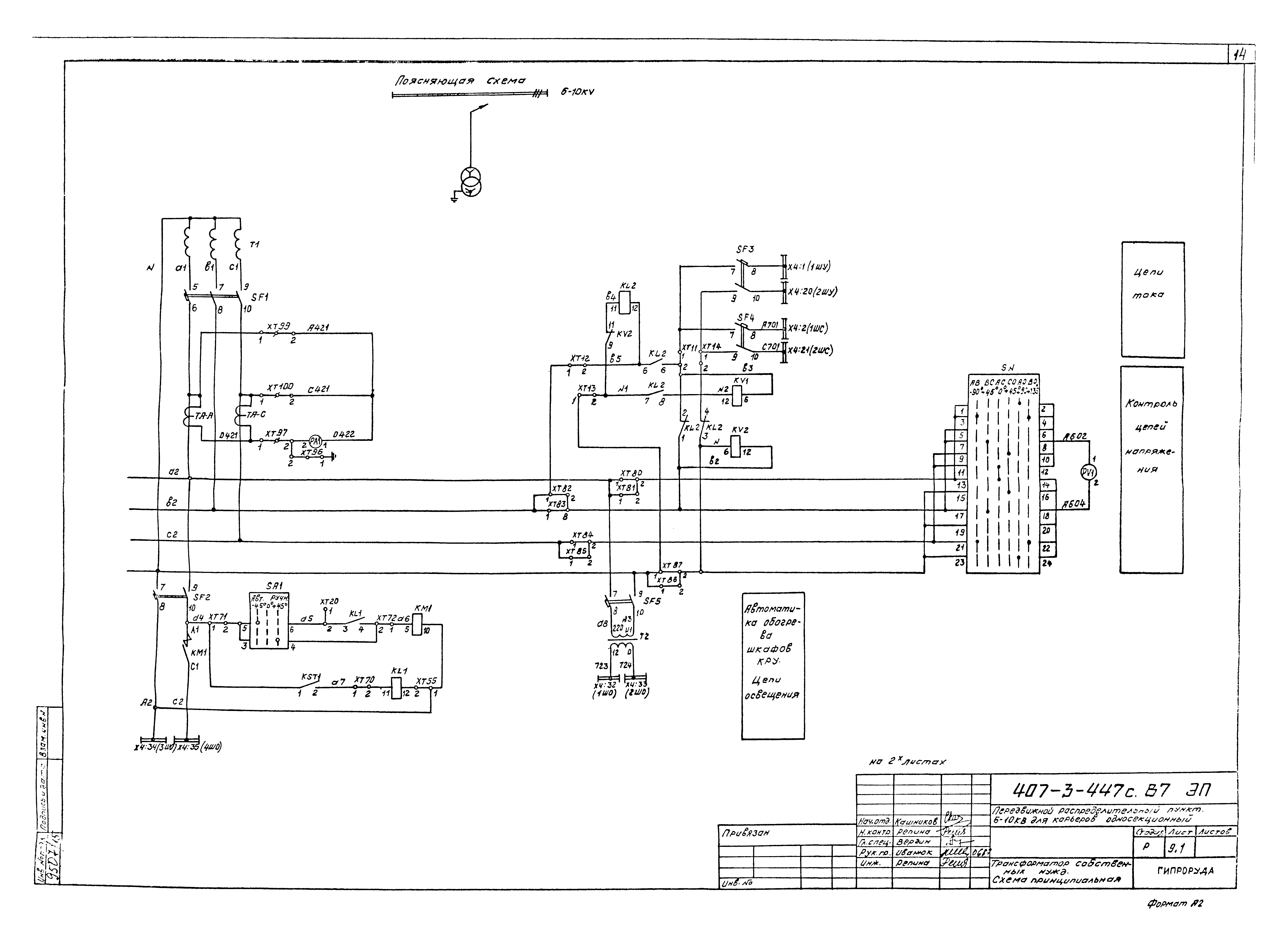
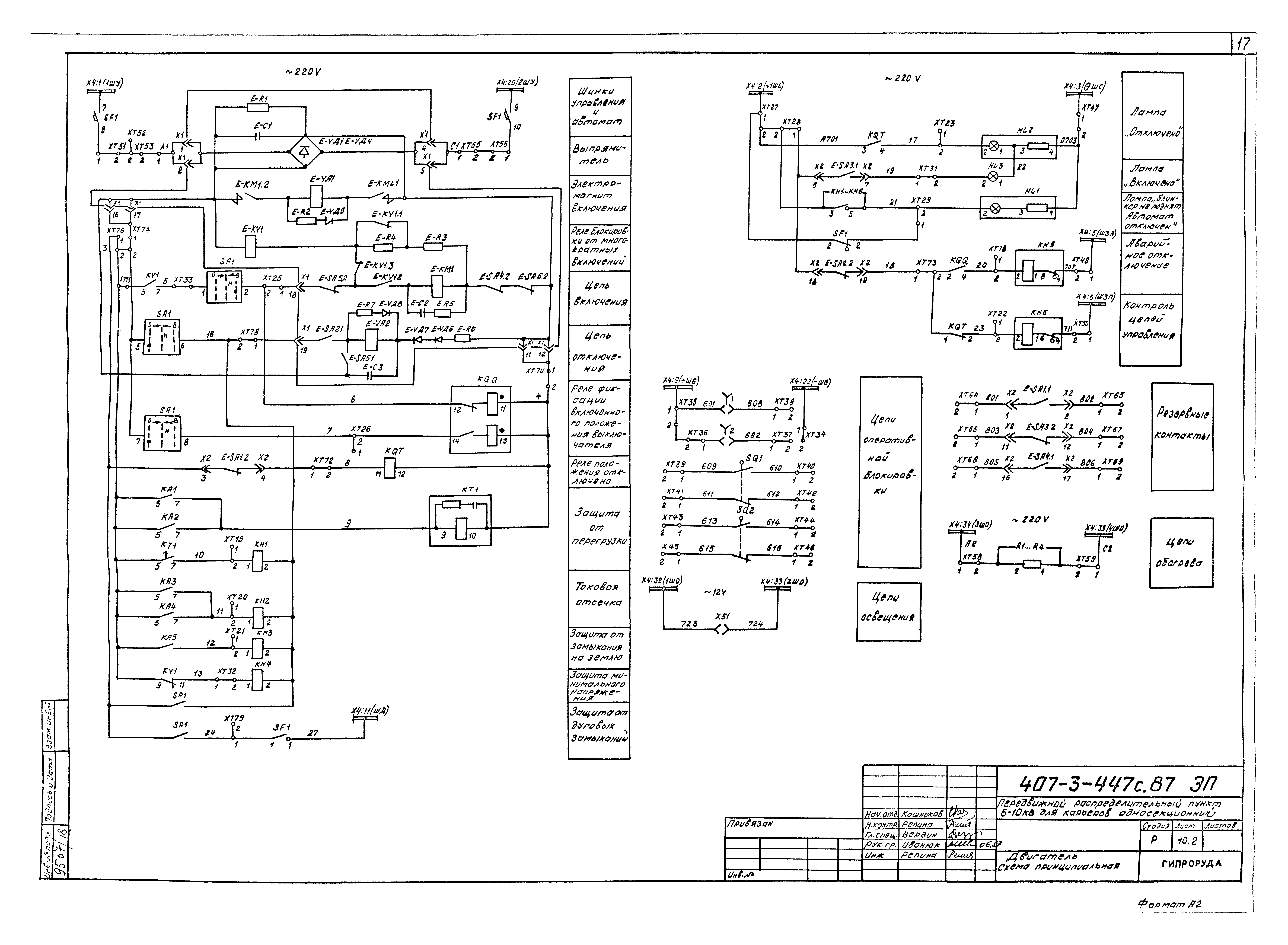
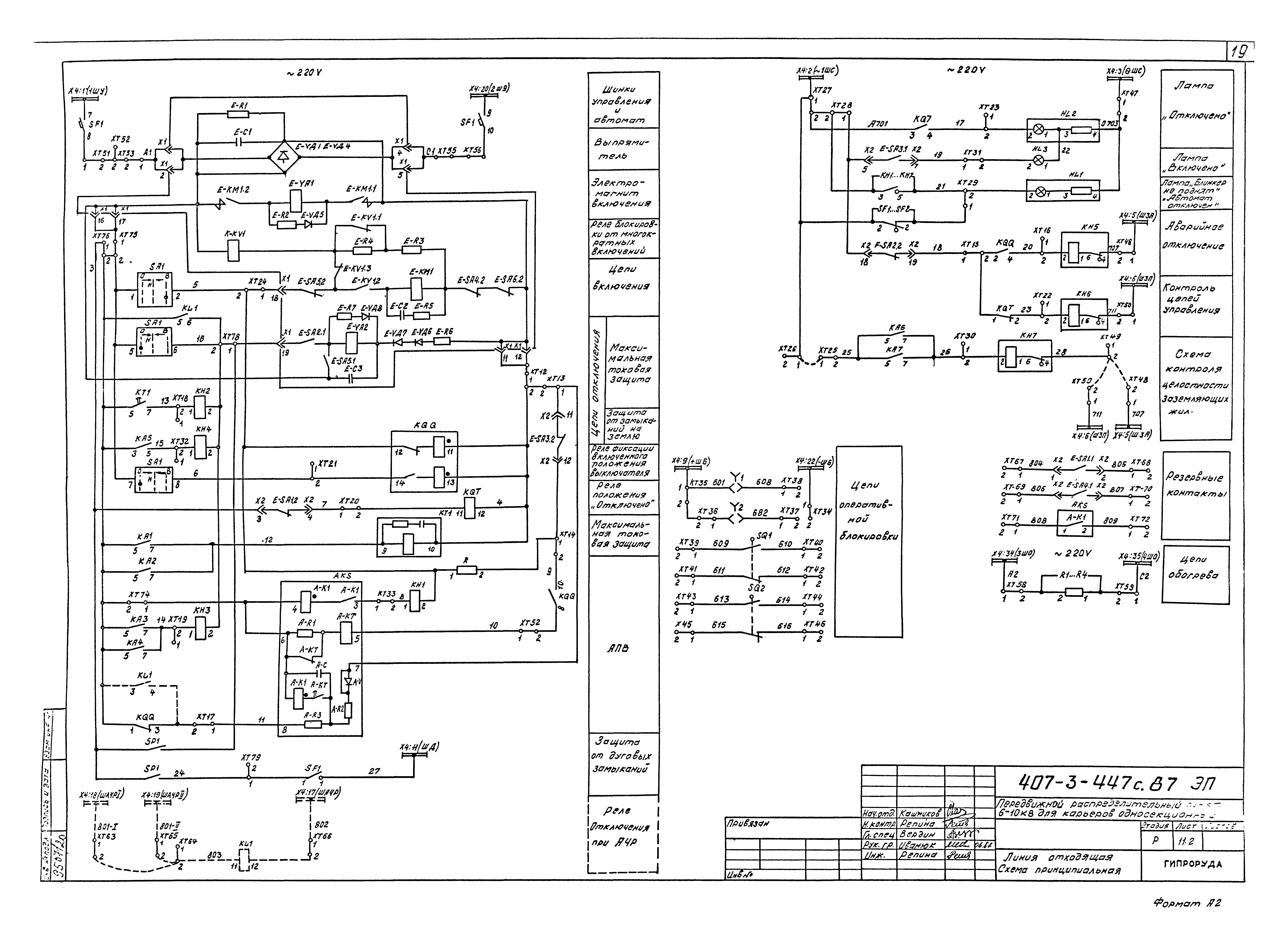
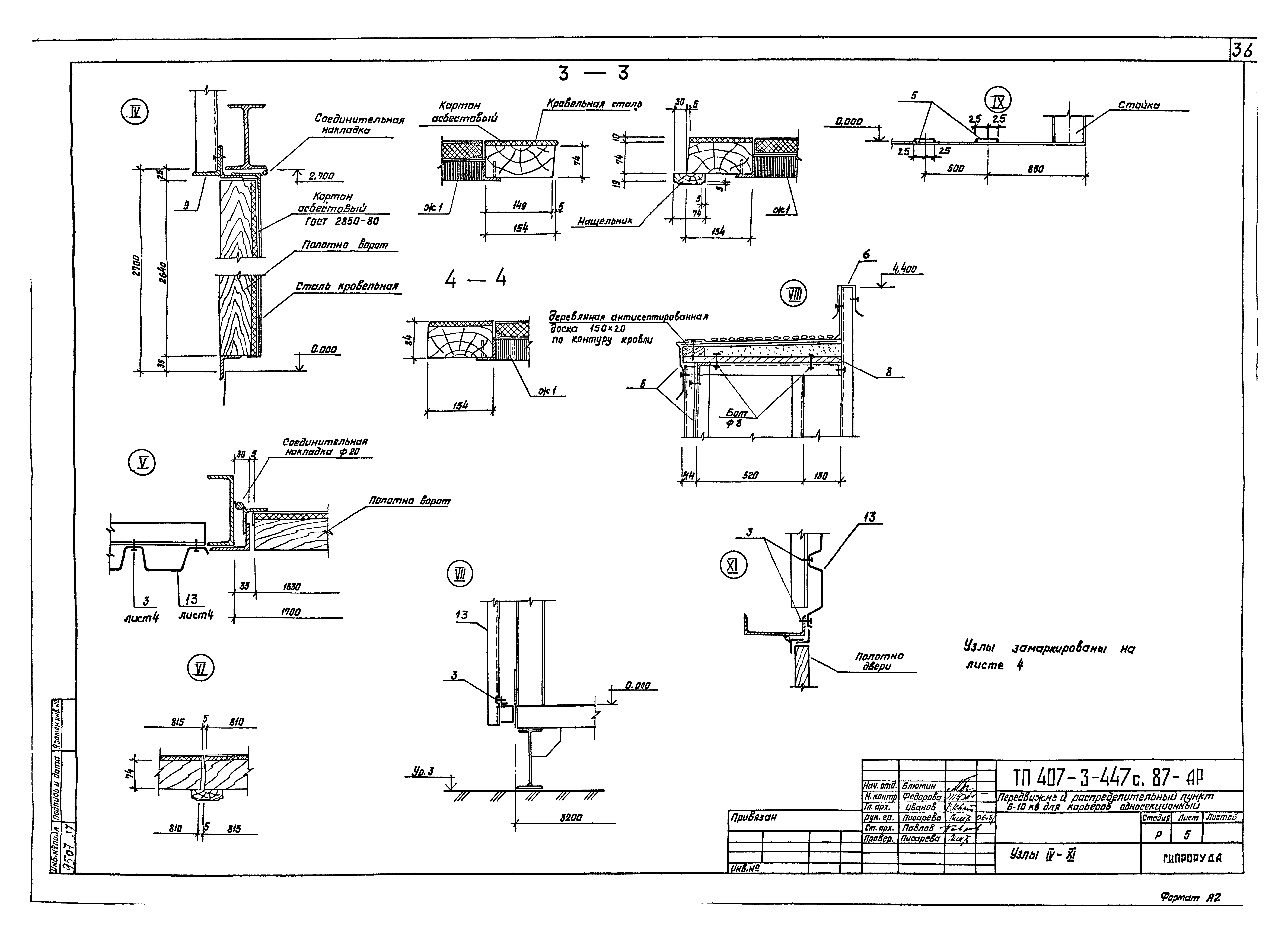
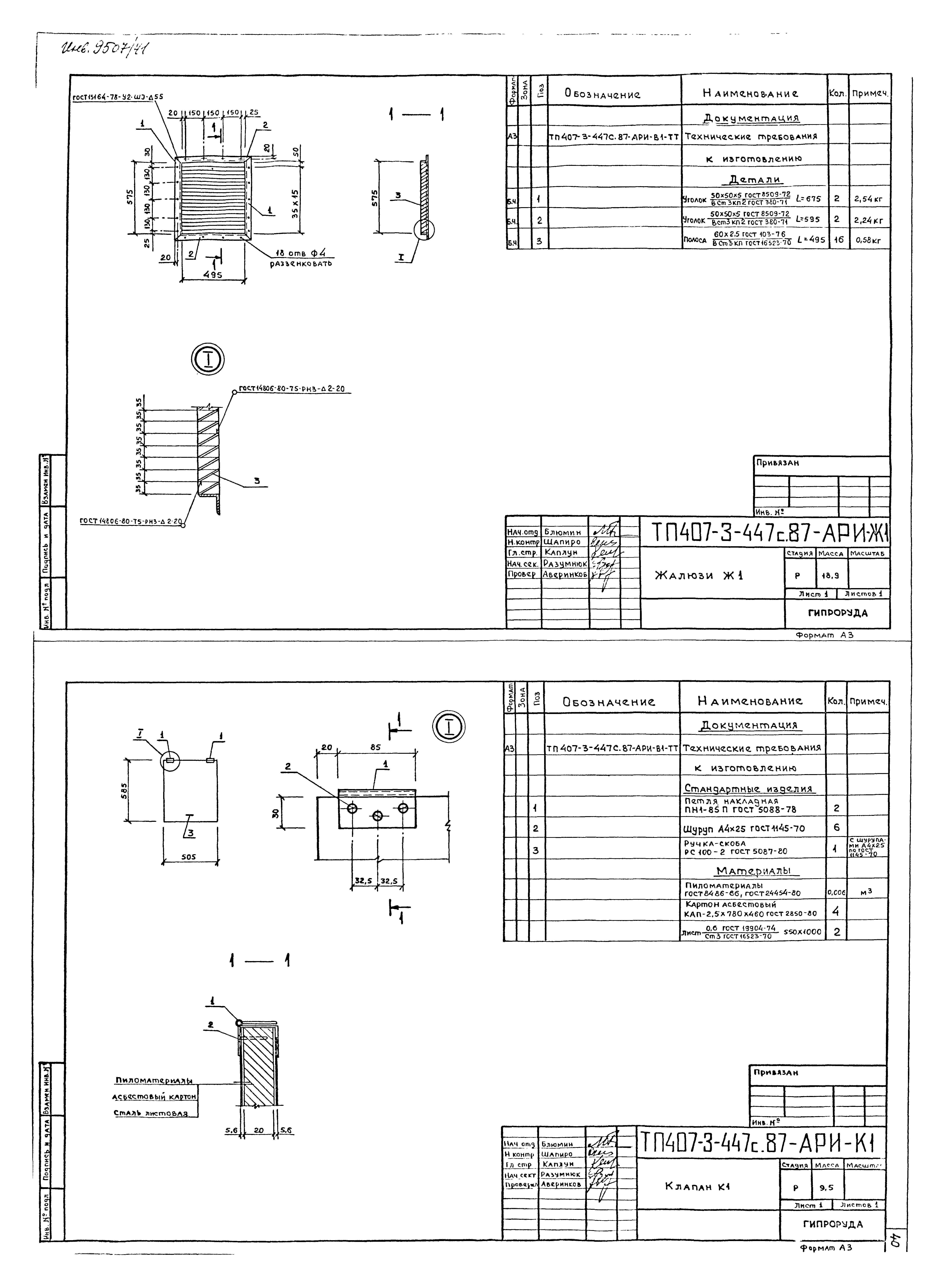
| Оглавление: | Пояснительная записка Электротехнические решения Общие данные Схема принципиальная электрических соединений План расположения оборудования Устройство заземляющее План прокладки сети электрического освещения Выбор максимальных токовых защит Ввод 6 - 10 кВ. Схема принципиальная Трансформатор напряжения 6 - 10 кВ. Схема принципиальная Трансформатор собственных нужд. Схема принципиальная Двигатель. Схема принципиальная Линия отходящая. Схема принципиальная Блокировка оперативная. Схема принципиальная Шкафы №5, 6. Схема подключений Шкафы №1 - 4, 7. Схема подключений Шкаф №8. Схема подключений План разводки кабелей. Журнал кабельный Лист опросный на поставку шкафов комплектных распределительных устройств типа КРУВ-10 Доска проходная с изоляторами ИП-10/У1. Установка опорных изоляторов ИО-У1 Ведомость изделий МЭЗ Ведомость оборудования и материалов для изделий МЭЗ Спецификация оборудования Архитектурные решения. Строительные изделия Общие данные План, разрезы Фасады, план кровли Узлы I - III Узлы IV…XI Содержание листов изделий Технические требования к изготовлению Ворота В1 Рама ворот РВ1 Полотно ворот ПВ1 Петля подгибная ПП1 Ось ОВ1 Полоса ПП1 Жалюзи Ж1 Клапан К1 Щеколда фалевая ЩФ1 Ось ОЩ1 Защелка ЗЩ1 Планка ПЩ1 Планка ПЩ2 Планка ПЩ3 Уголок защитный У1 Пробой ПР1 Шпингалет нижний ЩН1 Фиксатор Ф1 Направляющая Н1 Защелка пружинная ЗП1 Направляющая Н3 Направляющая Н4 Направляющая Н2 Стопор СТ1 Конструкции металлические Общие данные Схемы конструкций каркаса Узлы 1…6 |
| Разработан: | Гипроруда Минчермета СССР |
| Утверждён: | 20.07.1987 Минчермет СССР (USSR Minchermet 707) |
















































