Скачать Типовой проект 407-3-596.90 Альбом 1. Пояснительная записка и указания по применениюДата актуализации: 01.01.2021
|
| Обозначение: | Типовой проект 407-3-596.90 |
| Обозначение англ: | 407-3-596.90 |
| Статус: | не определен законодательством |
| Название рус.: | Альбом 1. Пояснительная записка и указания по применению |
| Дата добавления в базу: | 01.09.2013 |
| Дата актуализации: | 01.01.2021 |
| Дата введения: | 01.02.1991 |
| Дата окончания срока действия: | 30.06.2003 |
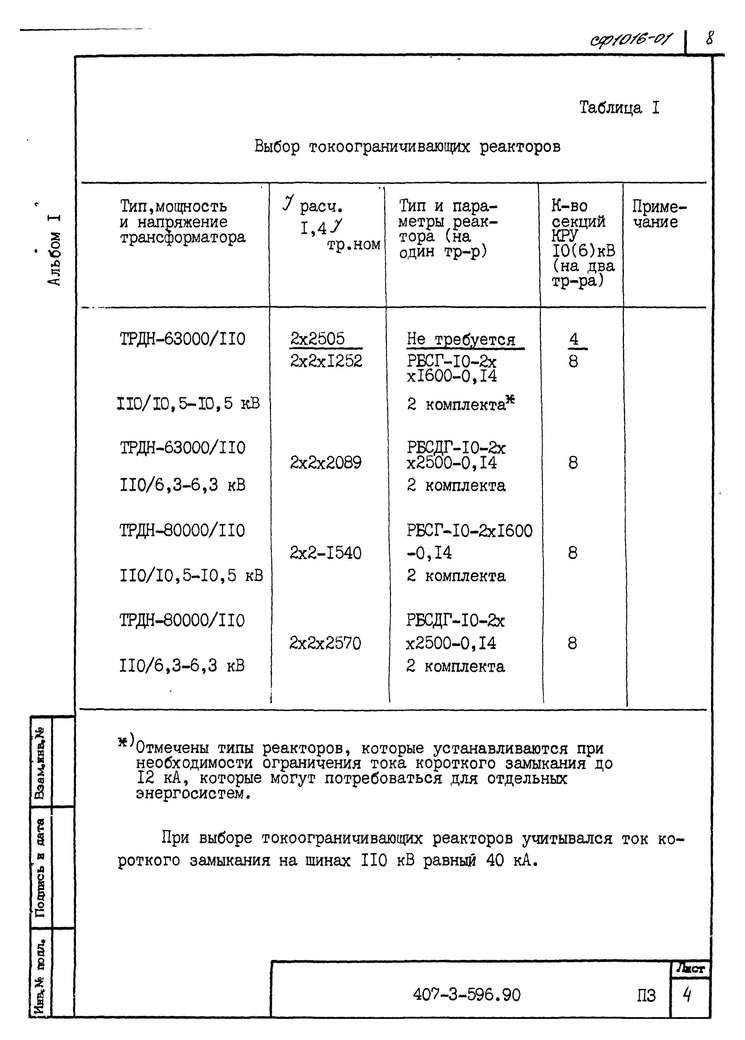
| Оглавление: | Аннотация 1. Исходные данные 2. Технологическая часть 3. Архитектурно-строительные решения 4. Основные положения по организации строительства 5. Санитарно-техническая часть 6. Технико-экономические показатели 7. Указания по применению Приложения |
| Разработан: | Севзапэнергосетьпроект |
| Утверждён: | 01.02.1991 Минэнерго СССР (USSR Minenergo 1) |
| Издан: | Севзапэнергосетьпроект (1991 г. ) |


























































