Скачать Типовой проект 407-3-596.90 Альбом 3. Электротехнические решения. Установка оборудования и деталиДата актуализации: 01.01.2021
|
| Обозначение: | Типовой проект 407-3-596.90 |
| Обозначение англ: | 407-3-596.90 |
| Статус: | не определен законодательством |
| Название рус.: | Альбом 3. Электротехнические решения. Установка оборудования и детали |
| Дата добавления в базу: | 01.09.2013 |
| Дата актуализации: | 01.01.2021 |
| Дата введения: | 01.02.1991 |
| Дата окончания срока действия: | 30.06.2003 |
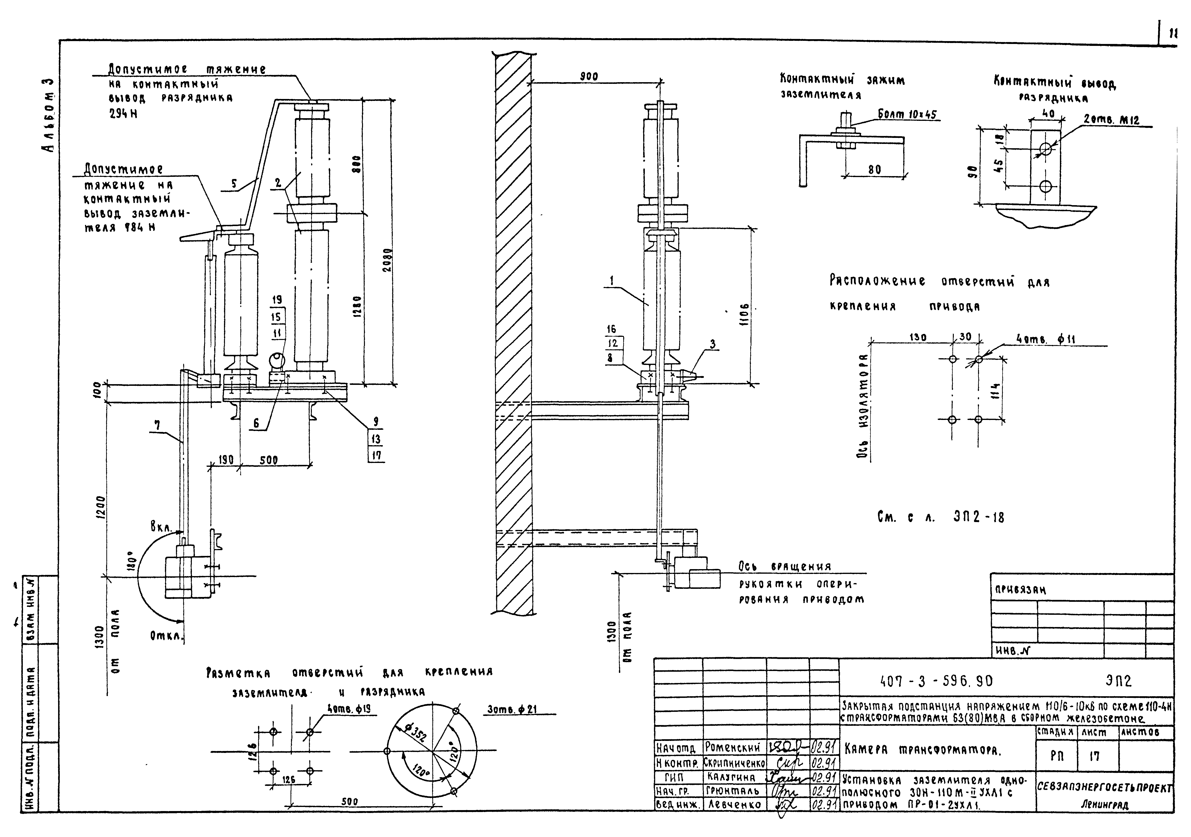
| Оглавление: | Общие данные Установка выключателя ВМТ-110Б-25/1250УХЛ1, ВМТ-110Б-40/2000УХЛ1 на опоре ТО-5 Установка трехполюсного разъединителя типа РДЗ-110/1000-2000УХЛ1 с приводом ПР-У1 на опоре ТО-1 Установка трансформаторов тока типа ТФЗМ-110Б-IVУ1 на опоре ТО-6 Установка трансформаторов напряжения типа НКФ-110-83У1 на опоре ТО-2 Установка разрядников вентильного типа РВС-110м с регистратором срабатывания типа РР-1У1 на опоре ТО-4 Установка шинной опоры ШО-110-УХЛ1 на опоре ТО-7 Установка ВЧ заградителя и конденсатора связи с фильтром присоединения и шкафом отбора напряжения на опоре ТО-3 Спецификация оборудования и материалов к листу ЭП2-8 Гирлянда изоляторов ПС70-Д натяжная одноцепная для одного провода сечением 300 кв. мм Гирлянда изоляторов ПС70-Д поддерживающая одноцепная для одного провода сечением 300 кв. мм Маслонаполненный ввод типа ГМЛБ-90-110/1000 Установка концевых муфт 110 кВ на подстанции. План. Узлы Установка концевых муфт 110 кВ на подстанции. Разрезы Установка концевых муфт 110 кВ на подстанции. Узлы. Разрезы Спецификация оборудования и материалов к листам ЭП2-1…15 Установка заземлителя однополюсного ЗОН-110М-IIУХЛ1 с приводом ПР-01-2УХЛ1 Спецификация оборудования и материалов к листу ЭП2-17 Установка датчиков РОС-301 в приямке насосной Спецификация оборудования и материалов к листу ЭП2-19 Металлоконструкции марок МКЭ17…21 Спецификация оборудования и материалов к листу ЭП2-21 |
| Разработан: | Севзапэнергосетьпроект |
| Утверждён: | 01.02.1991 Минэнерго СССР (USSR Minenergo 1) |
| Издан: | Севзапэнергосетьпроект (1991 г. ) |























