Скачать Типовой проект 407-3-596.90 Альбом 4. Часть 2. Управление и автоматизацияДата актуализации: 01.01.2021
|
| Обозначение: | Типовой проект 407-3-596.90 |
| Обозначение англ: | 407-3-596.90 |
| Статус: | не определен законодательством |
| Название рус.: | Альбом 4. Часть 2. Управление и автоматизация |
| Дата добавления в базу: | 01.09.2013 |
| Дата актуализации: | 01.01.2021 |
| Дата введения: | 01.02.1991 |
| Дата окончания срока действия: | 30.06.2003 |
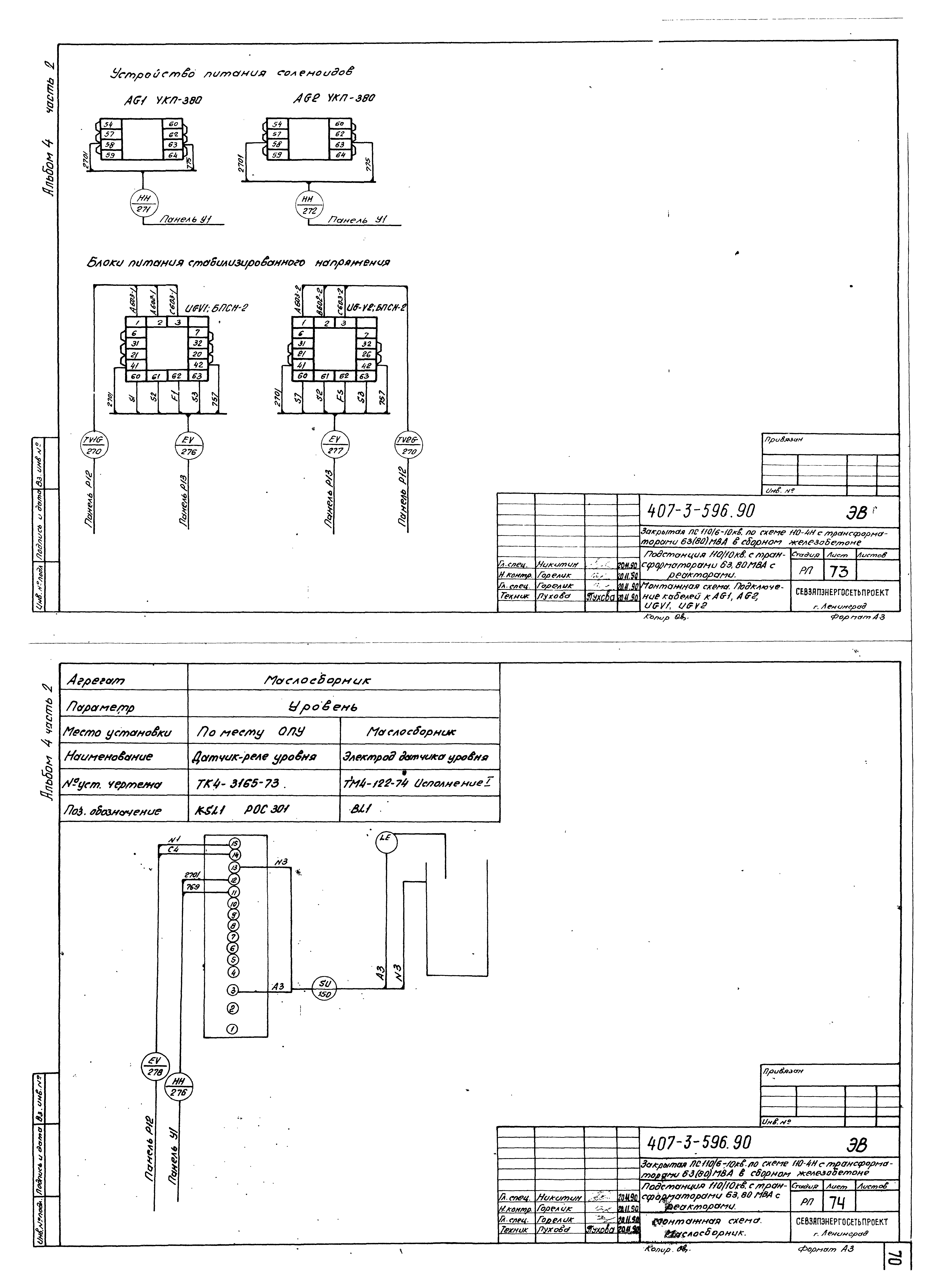
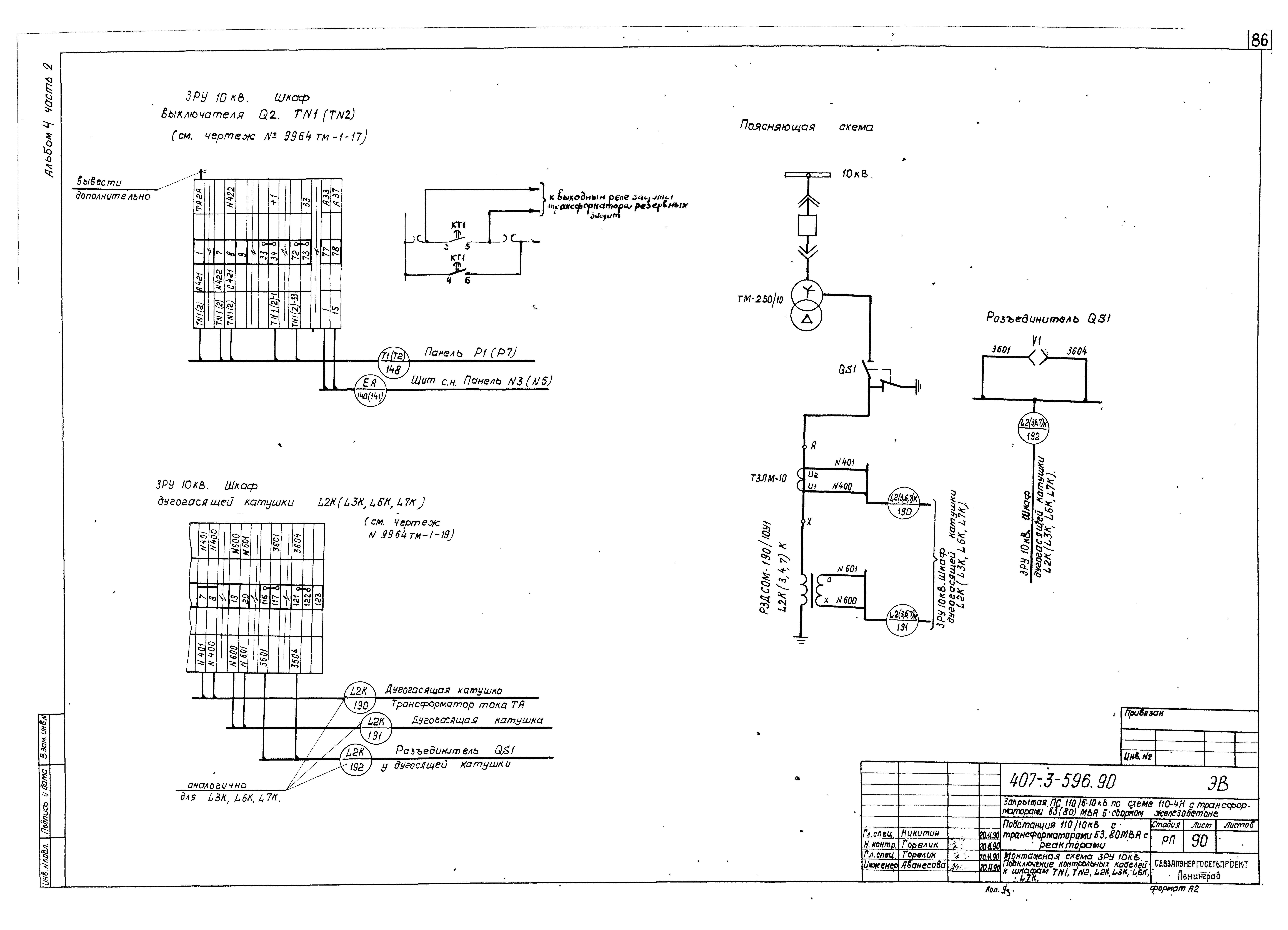
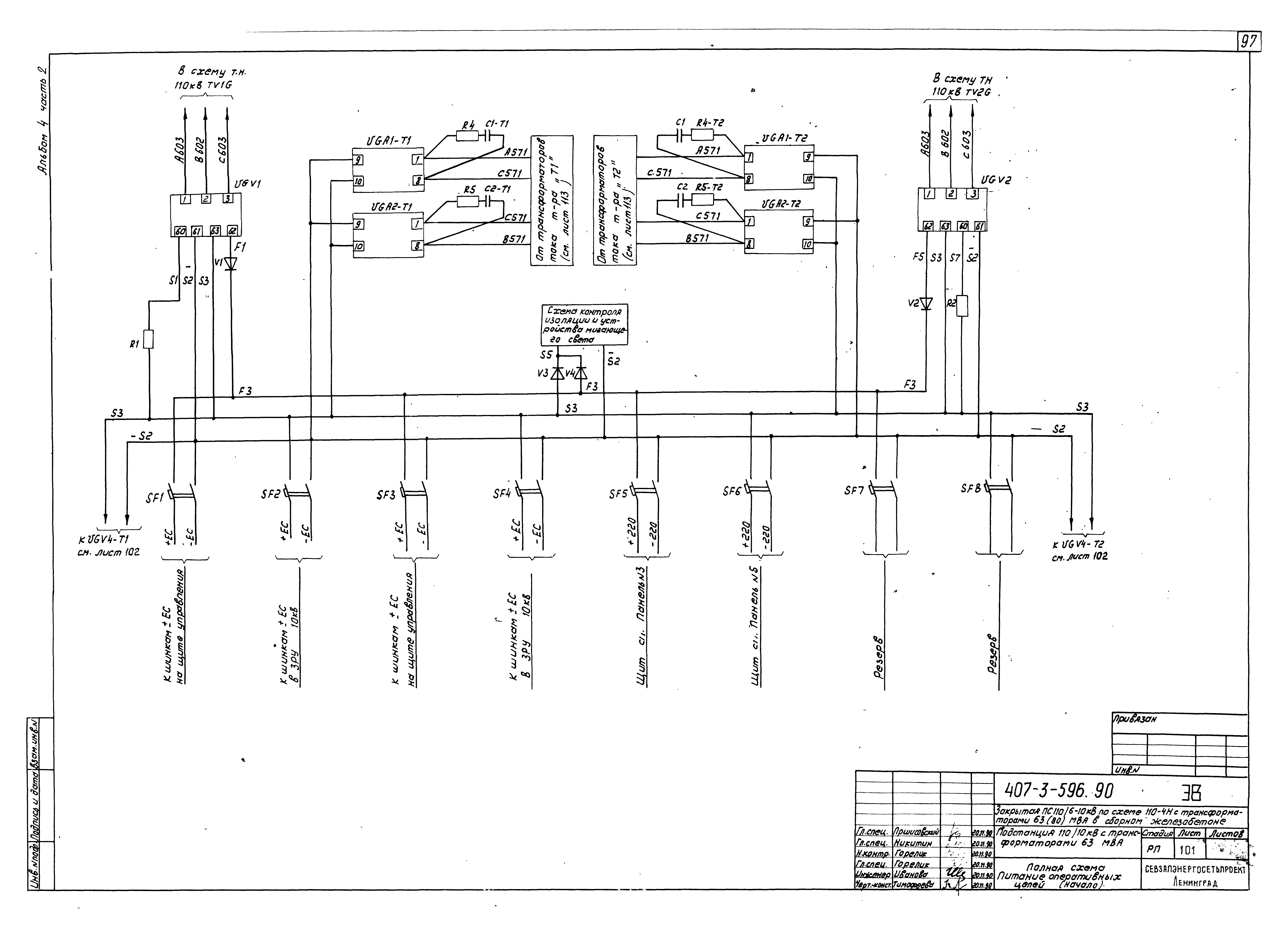
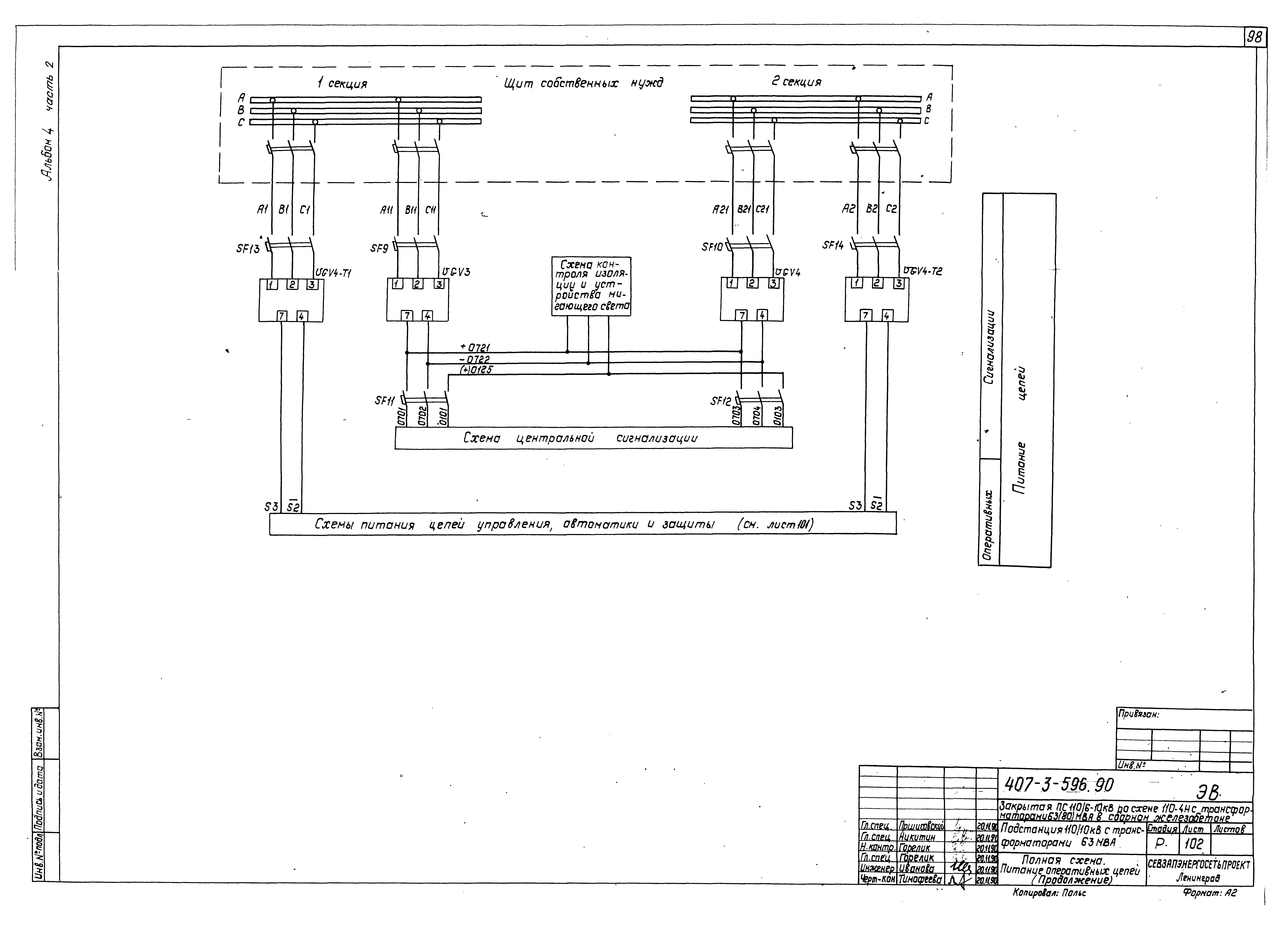
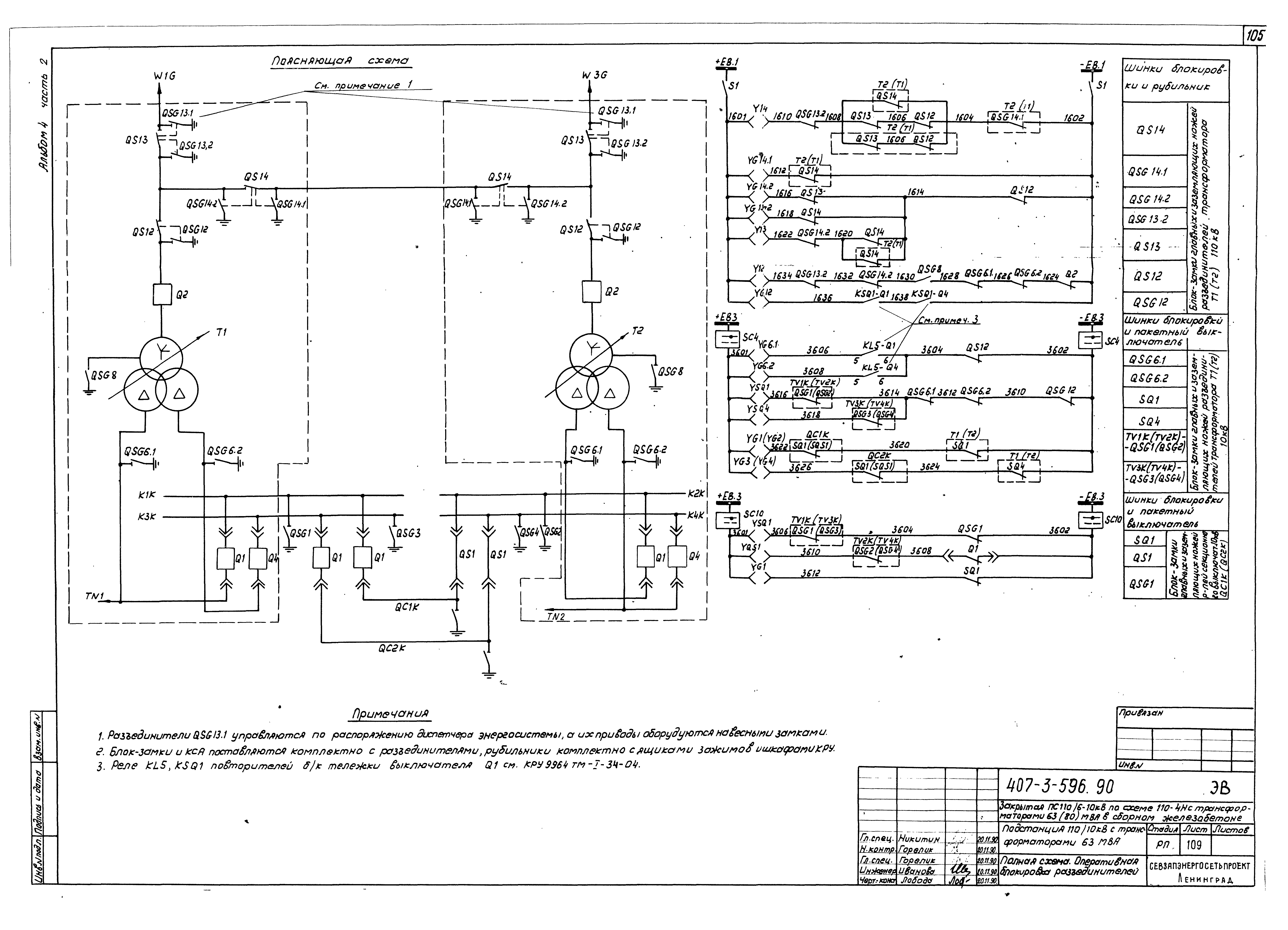
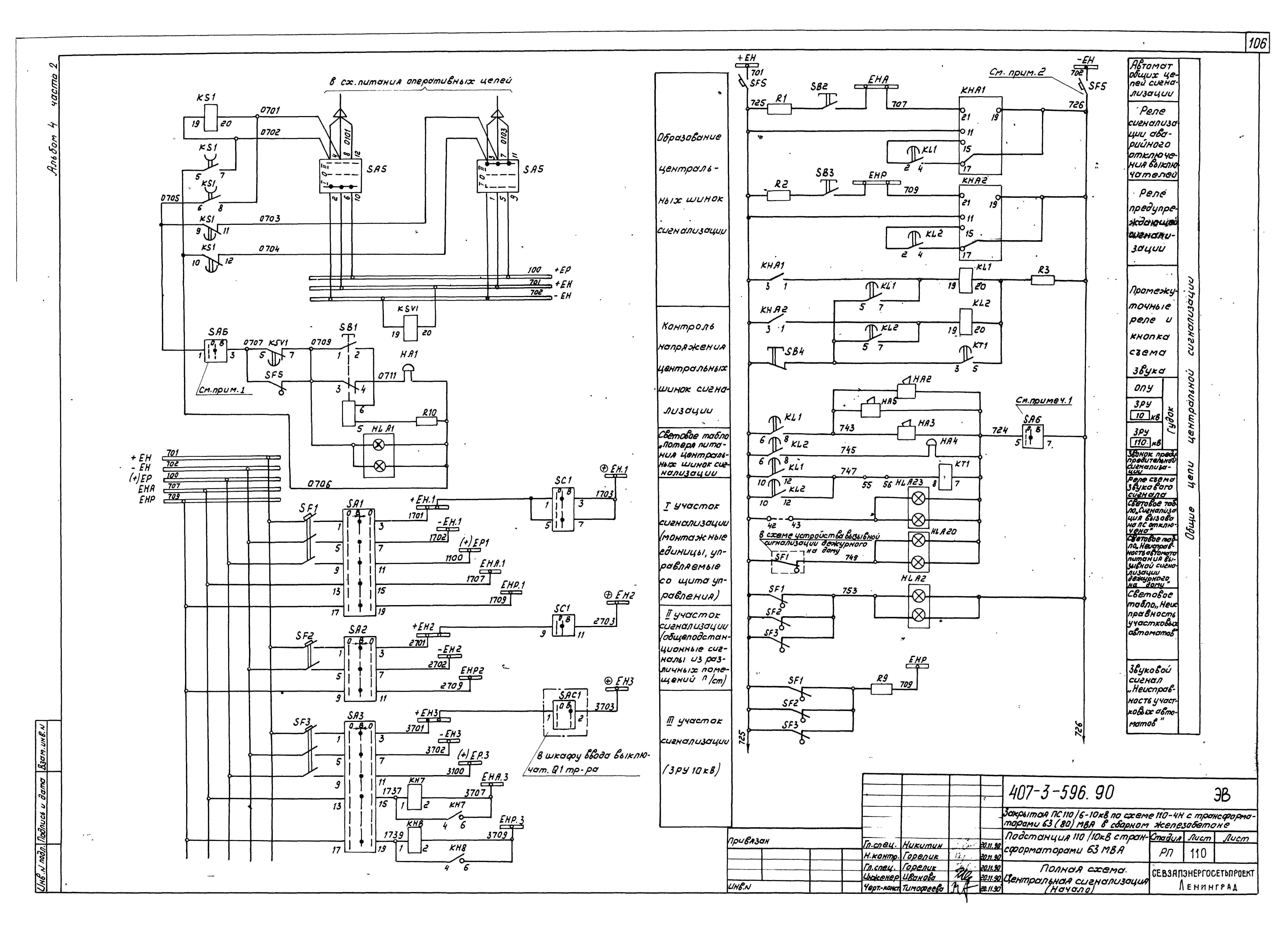
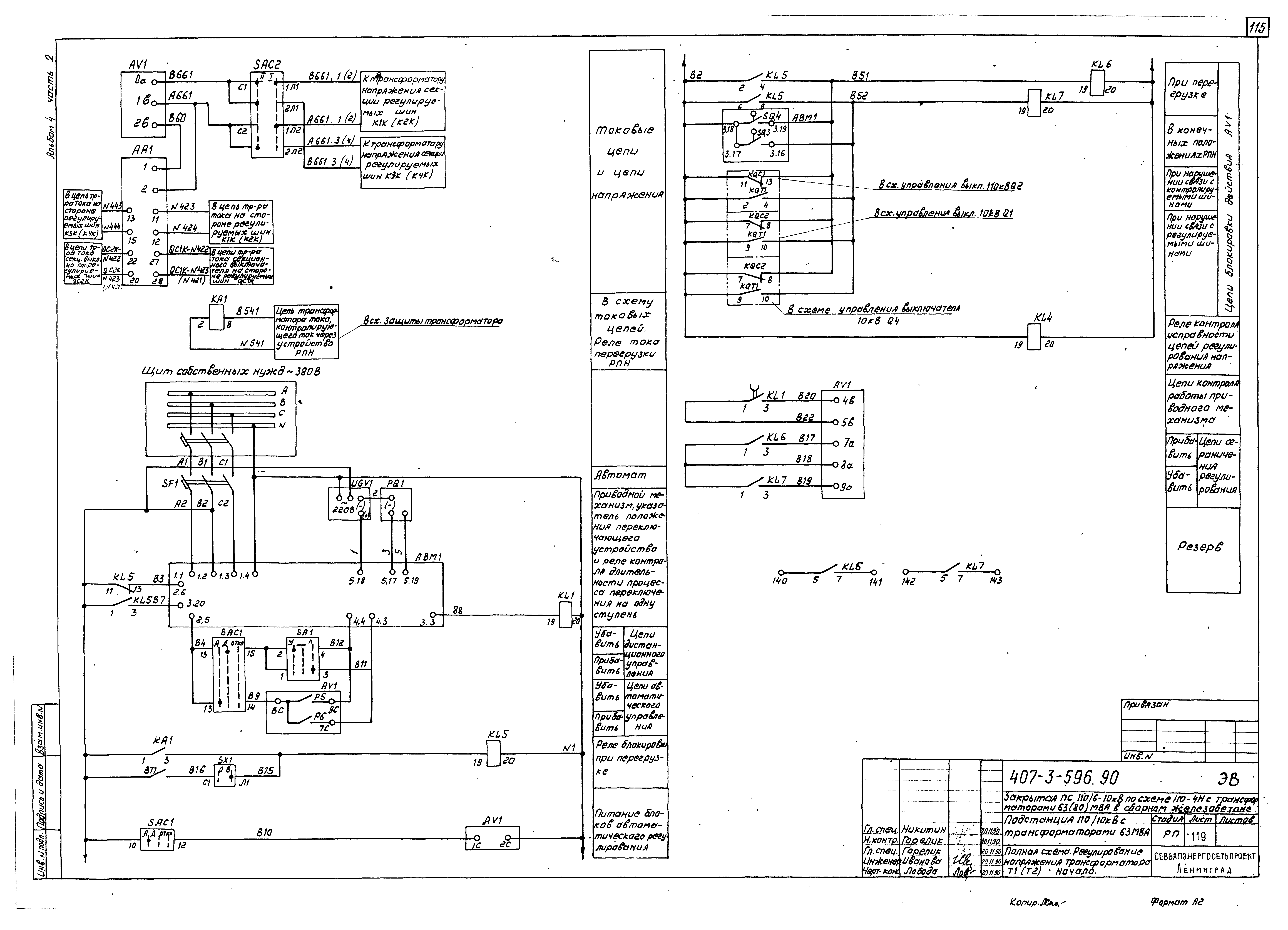
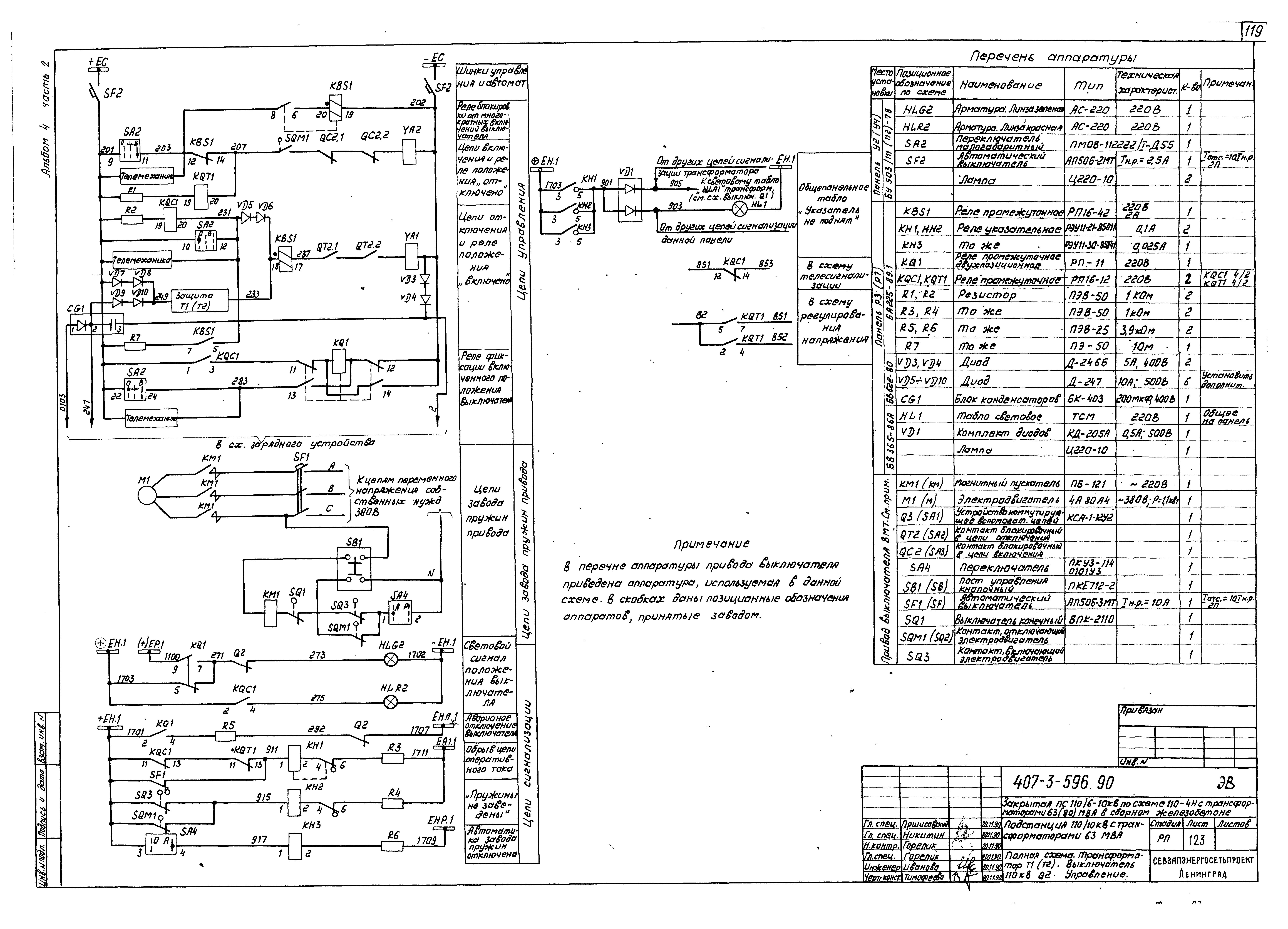
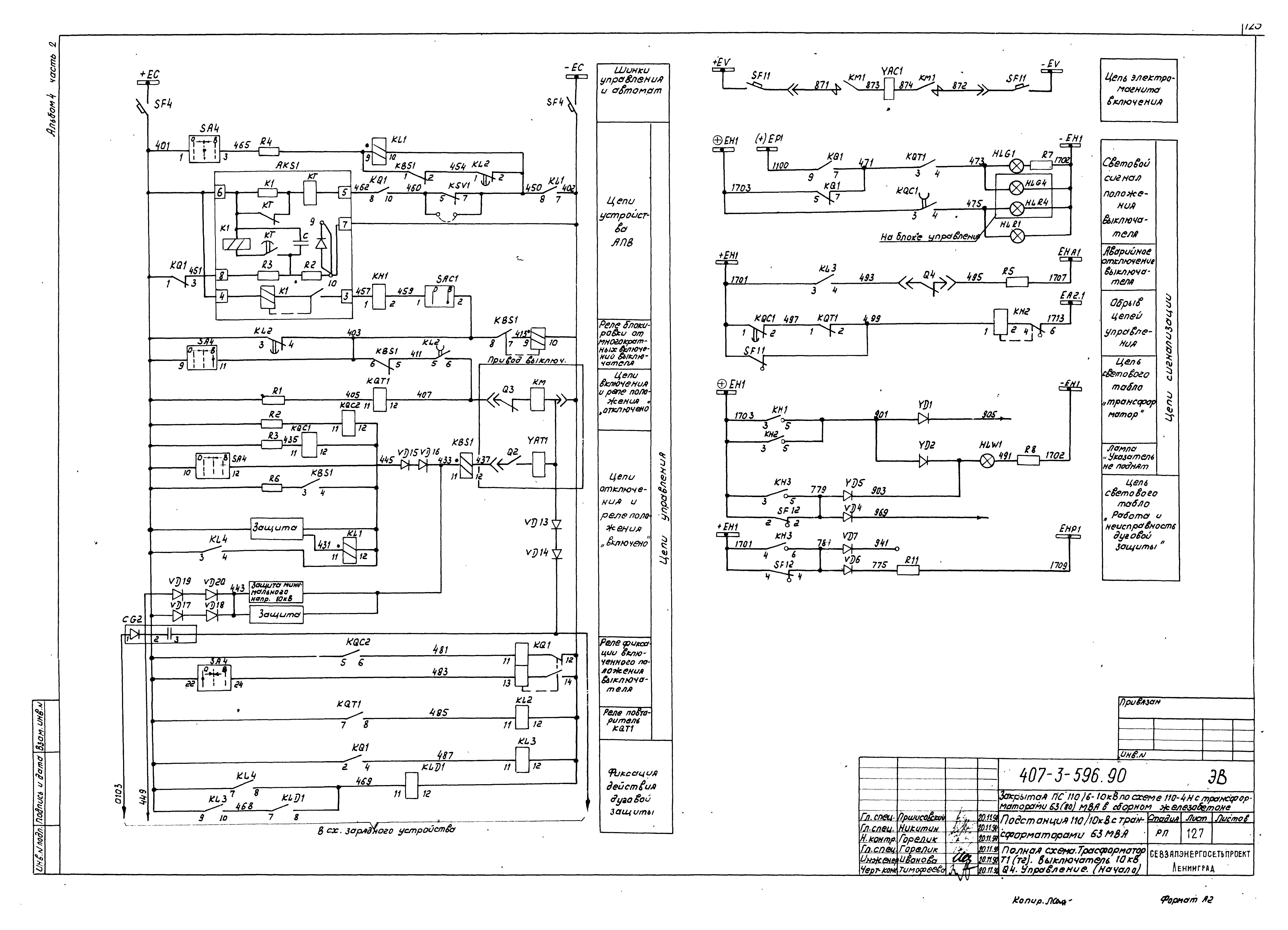
| Оглавление: | Подстанция 110/10 кВ с трансформаторами 63, 80 МВА с реакторами Монтажная схема. Подключение кабелей KAG1, AG2, UGV1, UGV2 Монтажная схема. Маслосборник Монтажная схема. ЗРУ10 кВ. Подключение контрольных кабелей к шкафу Q1,1Т1 Монтажная схема. ЗРУ10 кВ. Подключение контрольных кабелей к шкафу Q1,2Т1 Монтажная схема. ЗРУ10 кВ. Подключение контрольных кабелей к шкафу Q4,1Т1 Монтажная схема. ЗРУ10 кВ. Подключение контрольных кабелей к шкафу Q4,2Т1 Монтажная схема. ЗРУ10 кВ. Подключение контрольных кабелей к шкафам QS1-QC1K, QS1-QC2K, QS1-QC3K, QS1-QC4K, TV1K (TV2K) Монтажная схема. ЗРУ10 кВ. Подключение контрольных кабелей к шкафам TV3(4)K, TV5(6)K, TV7(8)K Монтажная схема. ЗРУ10 кВ. Подключение контрольных кабелей к шкафу QC1K Монтажная схема. ЗРУ10 кВ. Подключение контрольных кабелей к шкафу QC2K Монтажная схема. ЗРУ10 кВ. Подключение контрольных кабелей к шкафу QC3K Монтажная схема. ЗРУ10 кВ. Подключение контрольных кабелей к шкафу QC4K Монтажная схема. ЗРУ10 кВ. Подключение контрольных кабелей к шкафам А4Р. Схема кабельных связей сигнальных шинок Монтажная схема. ЗРУ10 кВ. Подключение контрольных кабелей к шкафам TN1, TN2, L2K, L3K, L6K, L7K Щит собственных нужд. Полная схема. Ввод трансформатора собственных нужд TN1 (TN2) Щит собственных нужд. Полная схема. Секционная связь двух трансформаторов собственных нужд Щит собственных нужд. Полная схема. Линии с автоматическими выключателями с дистанционным приводом Щит собственных нужд. Ряды зажимов. Панель N1 (N7) типа ПСН-1113-78 Щит собственных нужд. Ряды зажимов. Панель N3 (N5) типа ПСН-1102-78 Щит собственных нужд. Ряды зажимов. Панель N4 типа ПСН-1105-78 Подстанция 110/10 кВ с трансформаторами 63 МВА без реакторов Схема расположения НКУ Электрическая схема соединений сигнально-оперативных шинок Чертеж общего вида щита с мнемонической схемой Общий вид НКУ Полная схема. Питание оперативных цепей Полная схема. Распределение оперативного переменного тока Полная схема. Заряд конденсаторов трансформатора Т1 (Т2) Полная схема. Контроль изоляции цепей выпрямленного тока и устройство мигающего света Полная схема. Схема питания электромагнитов включения Организация питания цепей оперативной блокировки разъединителей Полная схема. Оперативная блокировка разъединителей Полная схема. Центральная сигнализация Полная схема. Трансформатор Т1 (Т2). Токовые цепи Полная схема. Защита от внутренних повреждений Т1 (Т2) Полная схема. Трансформатор Т1 (Т2). Резервные защиты Полная схема. Трансформатор Т1 (Т2). Защита минимального напряжения секции шин 110 кВ К1 (2, 3, 4) Полная схема. Регулирование напряжения трансформатора Т1 (Т2) Полная схема. Трансформатор Т1 (Т2). Охлаждение Полная схема. Трансформатор Т1 (Т2). Измерительные приборы Полная схема. Трансформатор Т1 (Т2). Выключатель 110 кВ Q2. Управление Полная схема. Трансформатор напряжения 110 кВ TV1G (TV2G) Полная схема. Трансформатор Т1 (Т2). Выключатель 10 кВ Q1. Управление Полная схема. Трансформатор Т1 (Т2). Выключатель 10 кВ Q4. Управление Полная схема. Секционный выключатель 10 кВ QC1K (QC2K). Защита и автоматика Полная схема. Трансформатор напряжения секции шин 10 кВ К1 (2 - 4). Схема в пределах панели управления Полная схема. Маслосборник Ряды зажимов. Панель У1 Ряды зажимов. Панель У2 (У4) Ряды зажимов. Панель У3 Ряды зажимов. Панель Р1 (Р5) Ряды зажимов. Панель Р2 (Р6) Ряды зажимов. Панель Р3 (Р7) Ряды зажимов. Панель Р4 Ряды зажимов. Панель Р8 |
| Разработан: | Севзапэнергосетьпроект |
| Утверждён: | 01.02.1991 Минэнерго СССР (USSR Minenergo 1) |
| Издан: | Севзапэнергосетьпроект (1991 г. ) |








































































