Скачать Типовой проект 902-1-167.2.90 Альбом 5.2. Подземная часть. Конструкции железобетонные. Конструкции металлические. ИзделияДата актуализации: 01.01.2021
|
| Обозначение: | Типовой проект 902-1-167.2.90 |
| Обозначение англ: | 902-1-167.2.90 |
| Статус: | не определен законодательством |
| Название рус.: | Альбом 5.2. Подземная часть. Конструкции железобетонные. Конструкции металлические. Изделия |
| Дата добавления в базу: | 01.09.2013 |
| Дата актуализации: | 01.01.2021 |
| Дата введения: | 15.05.1990 |
| Дата окончания срока действия: | 30.06.2003 |
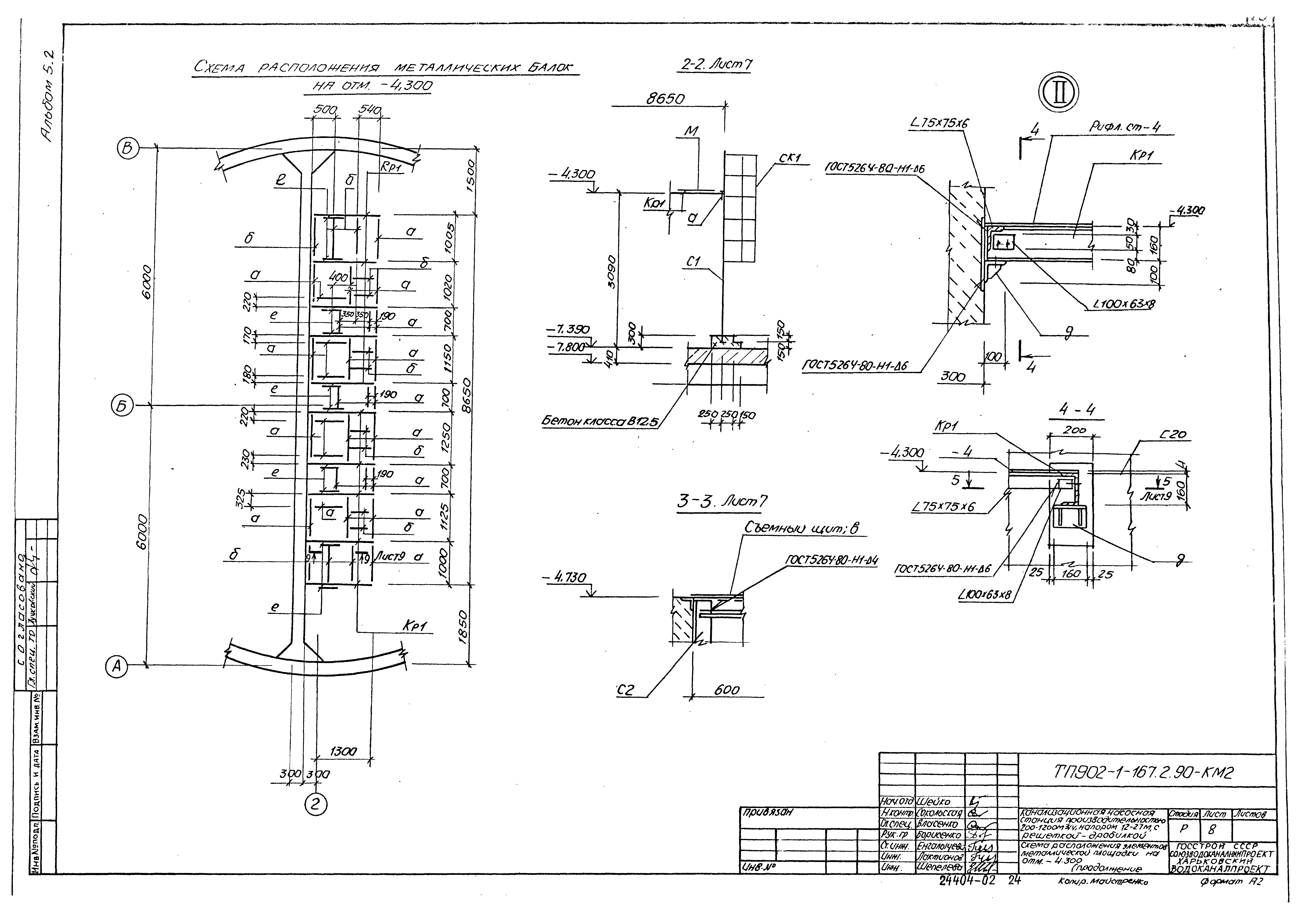
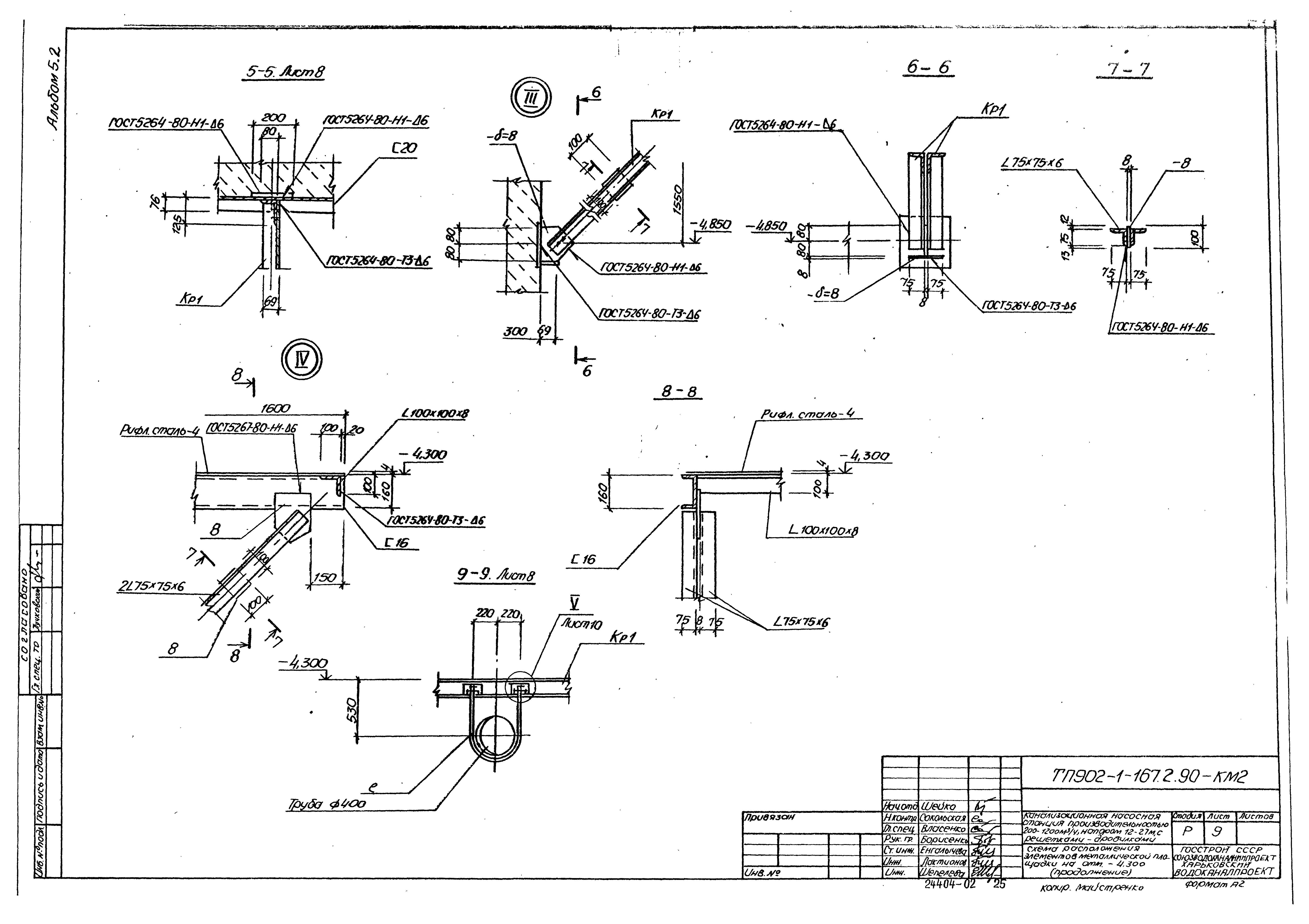
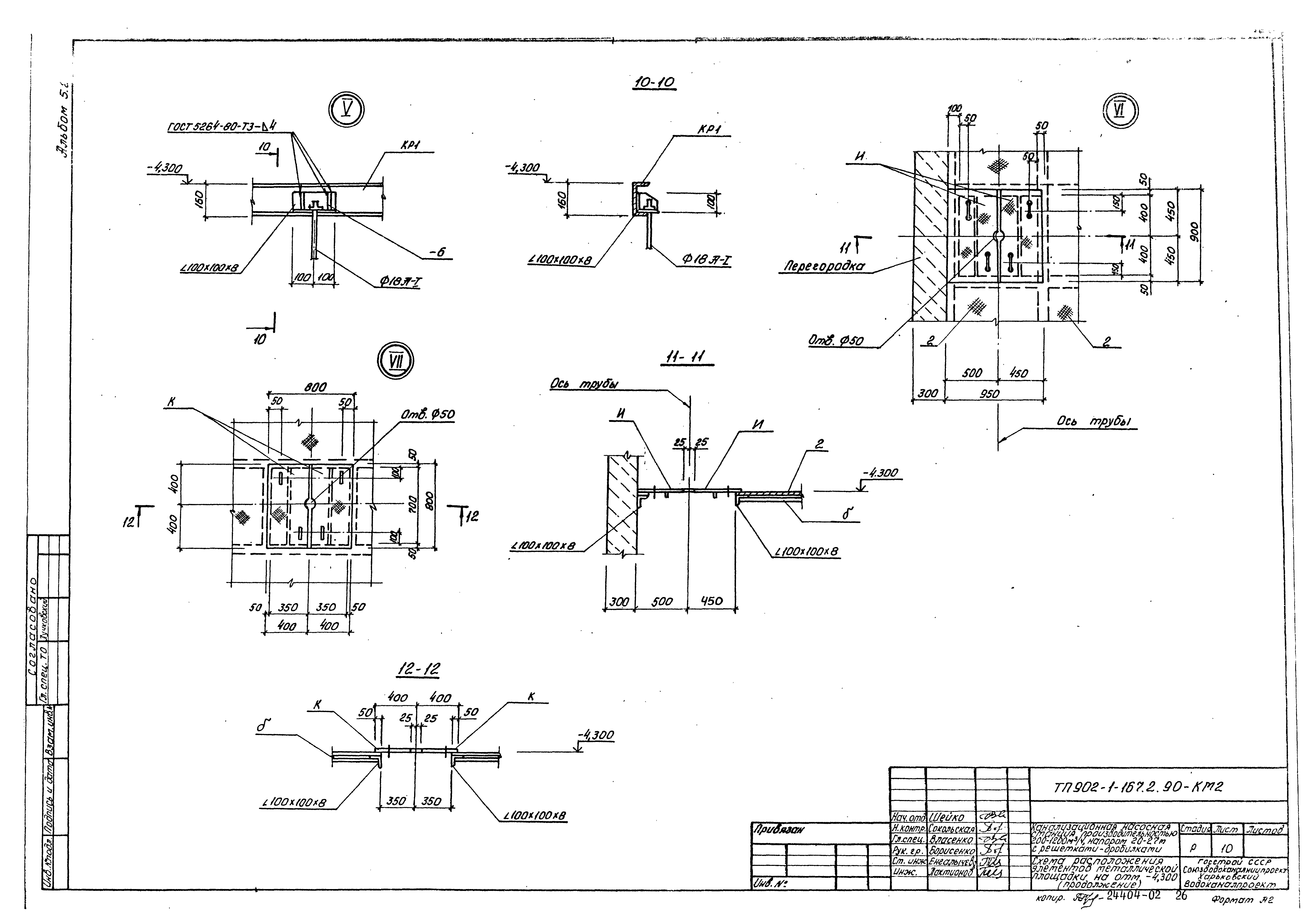
| Оглавление: | Основной комплект чертежей марки КЖ2 Общие данные План на отм. - 7.390; - 4.700. Разрез 1-1 Схема расположения конструкций подземной части Развертка стены Стм1 Стена Стм2 Стена Стм1. Схема армирования Стена Стм2. Схема армирования Стены Стм1, Стм2. Спецификация Плита днища ПДм1. Схема армирования Схема расположения опорных блоков и форшахты ФШм1 Основной комплект чертежей марки КМ2 Общие данные Схема расположения элементов металлических лестниц и площадок на отм. - 3.000; - 4.200 Схема расположения элементов металлической площадки на отм. - 4.300 (Пм2) Схема расположения элементов съемной площадки на отм. - 2.988 Изделия Каркас плоский Кр1 Технические требования Блок опорный БО1 Ведомость расхода стали РС1 Сетка С1, С2 Каркас плоский Кр2, Кр3 Изделие закладное МН1 Изделие соединительное МС1 |
| Разработан: | Харьковский Водоканалпроект |
| Утверждён: | 15.05.1990 СоюзводоканалНИИпроект (SoyuzvodokanalNIIproject 9) |
| Издан: | ЦИТП Госстроя СССР (CITP, Gosstroy (USSR) 1990 г. ) |































