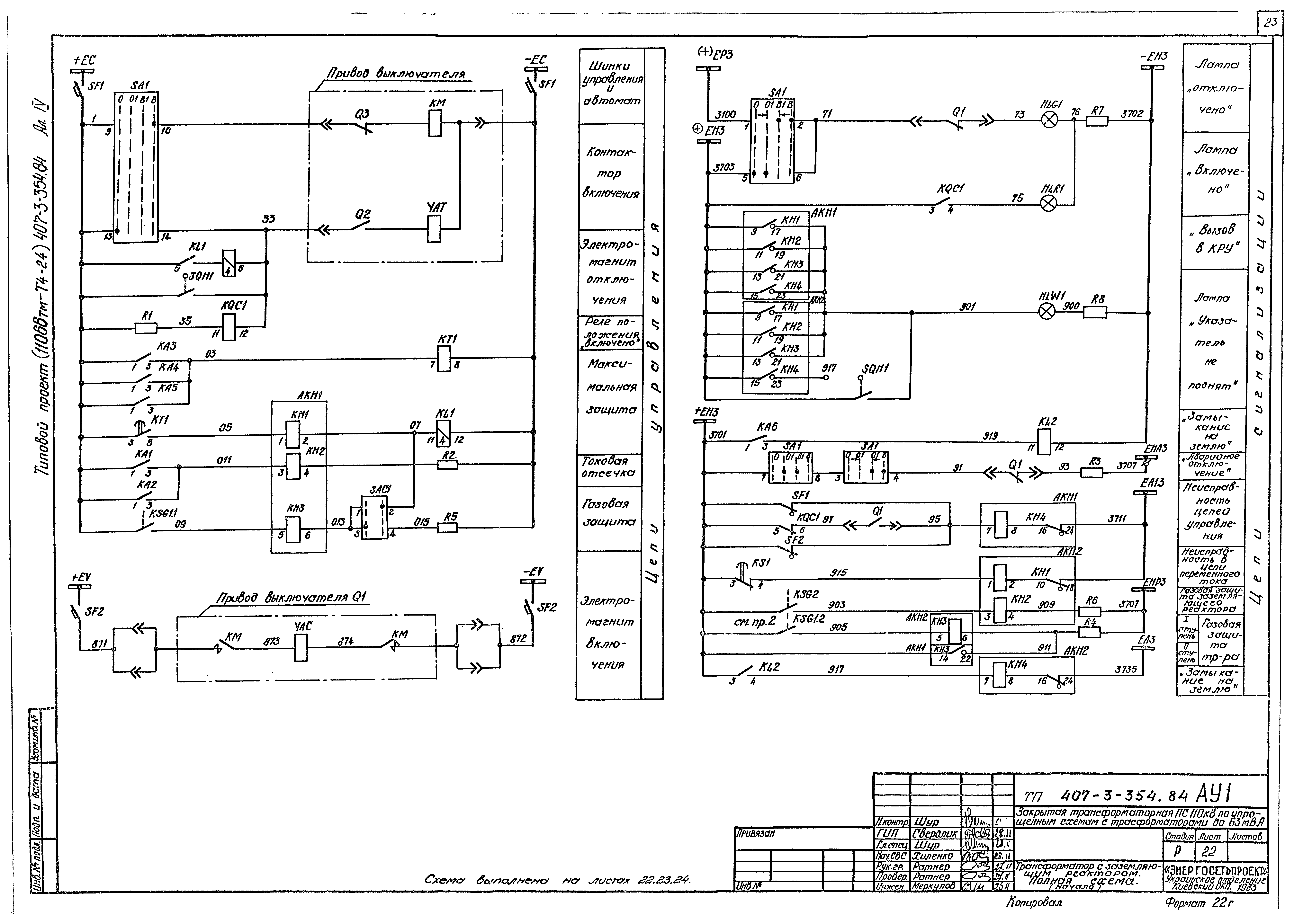
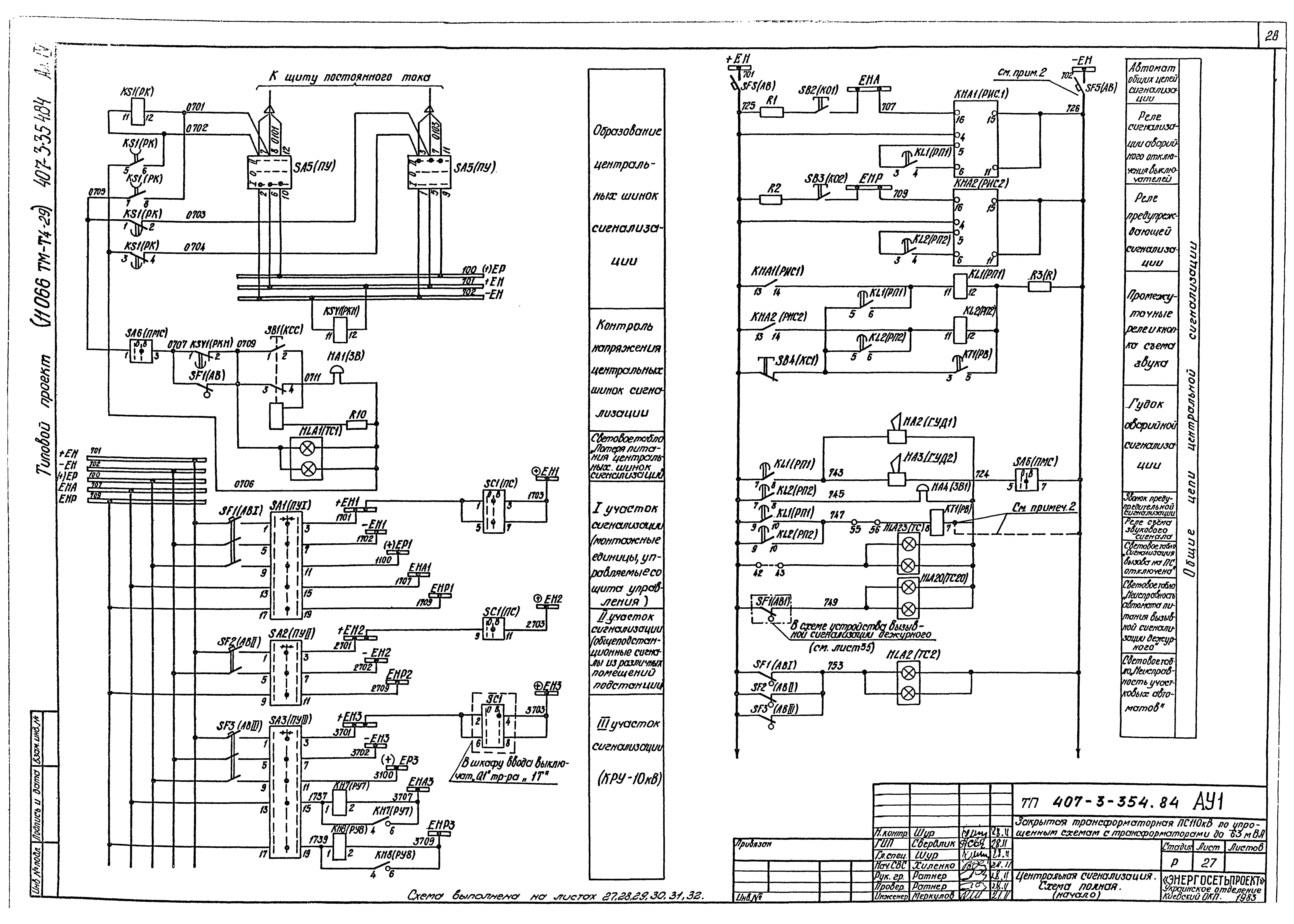
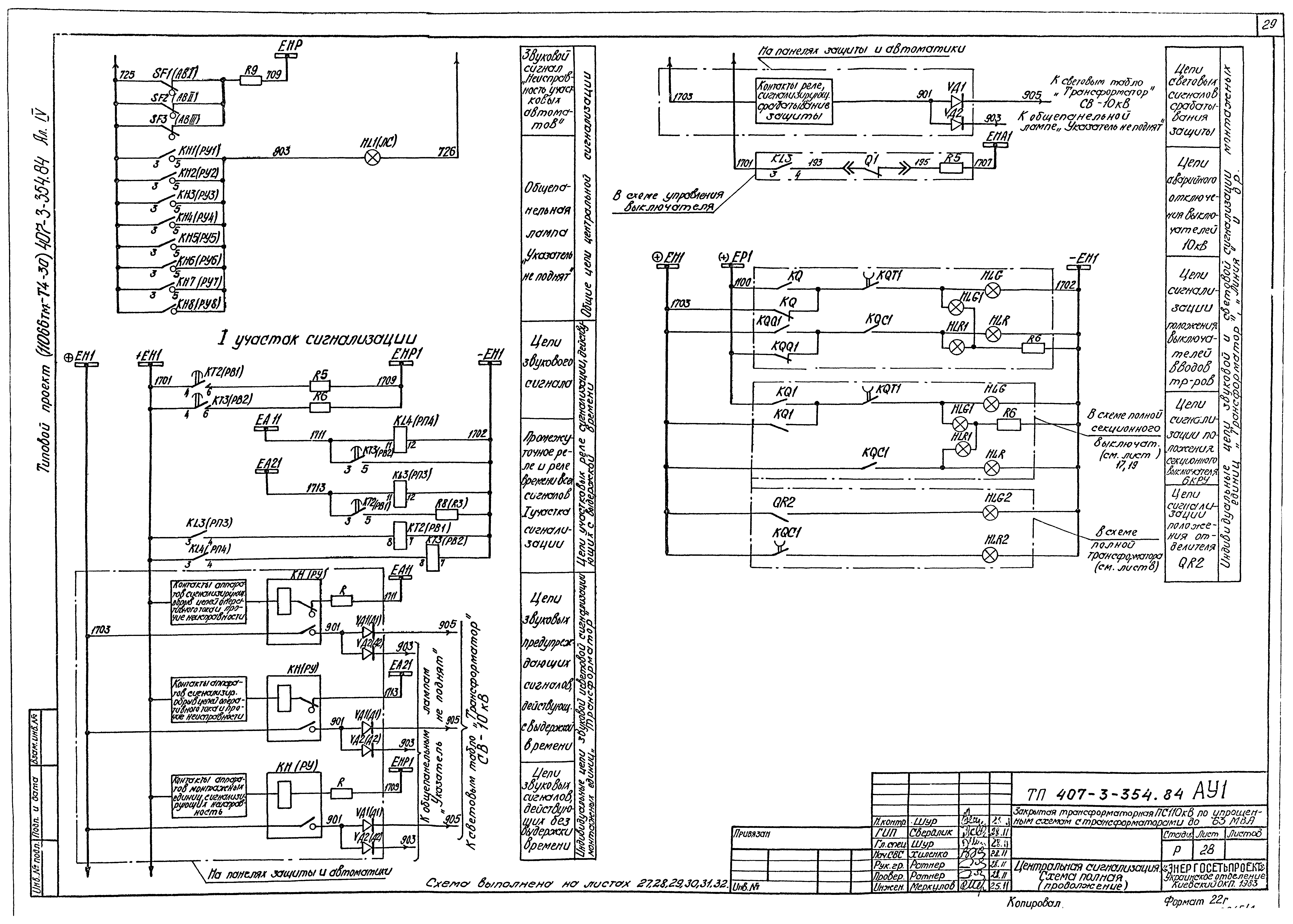
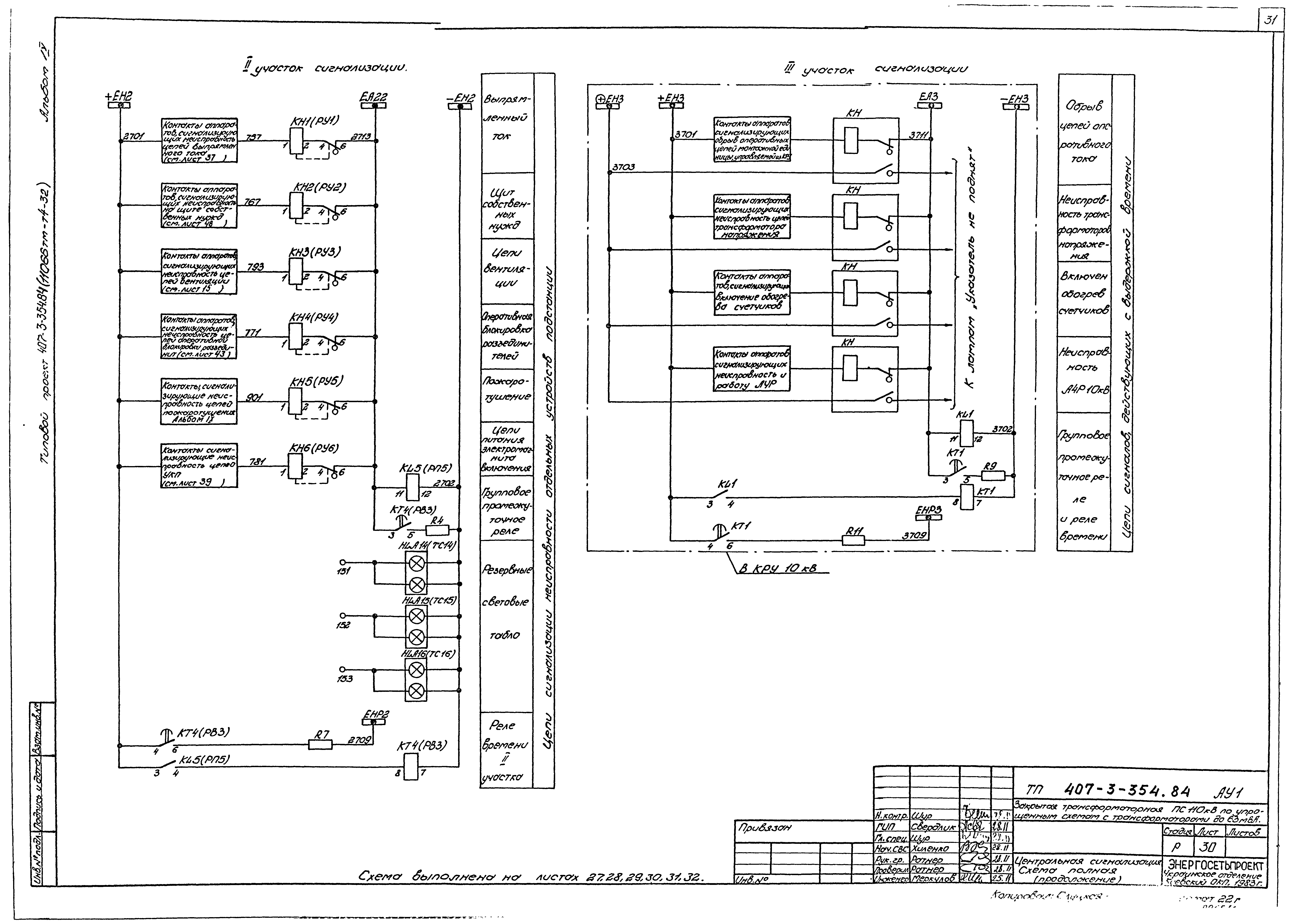
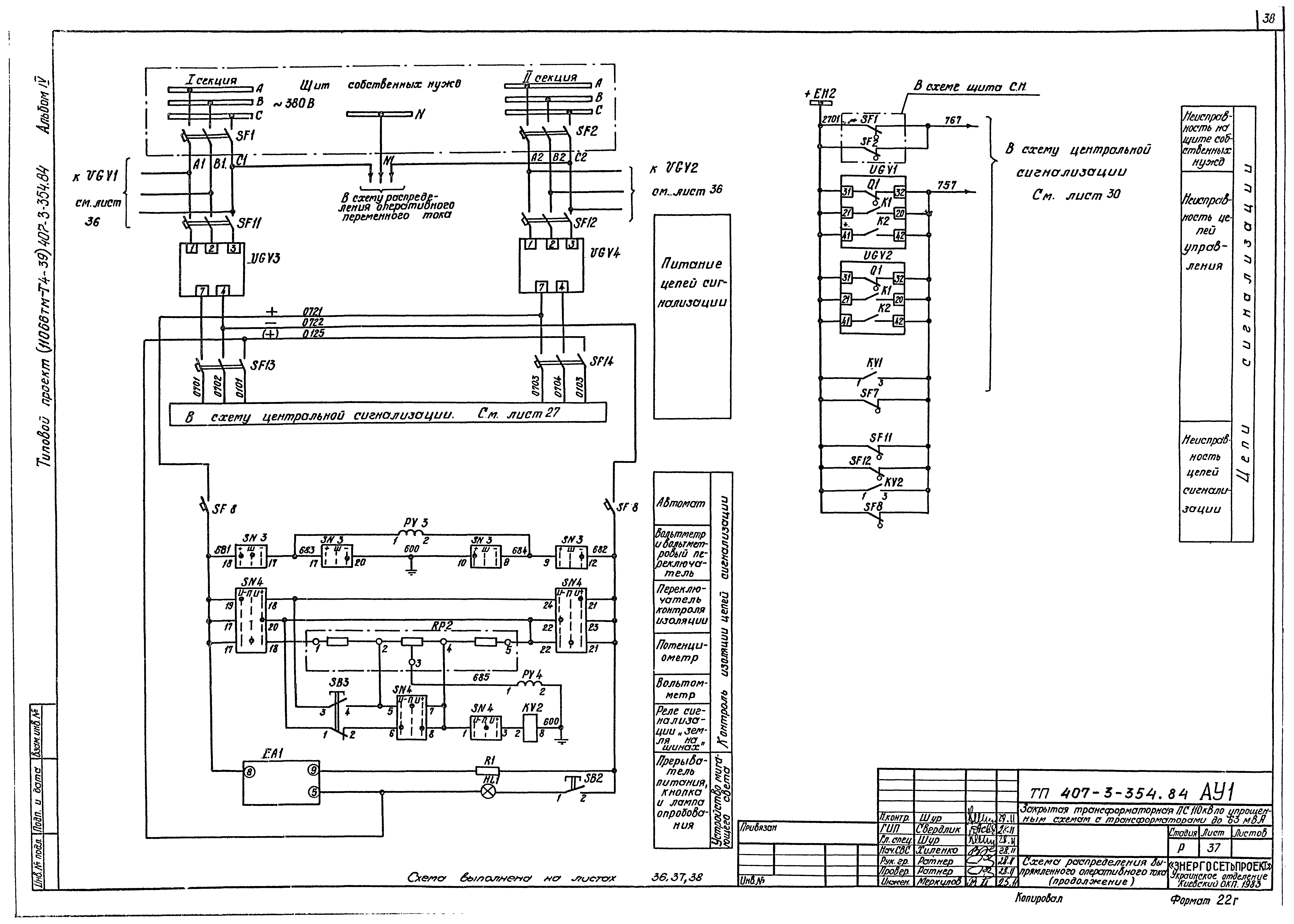
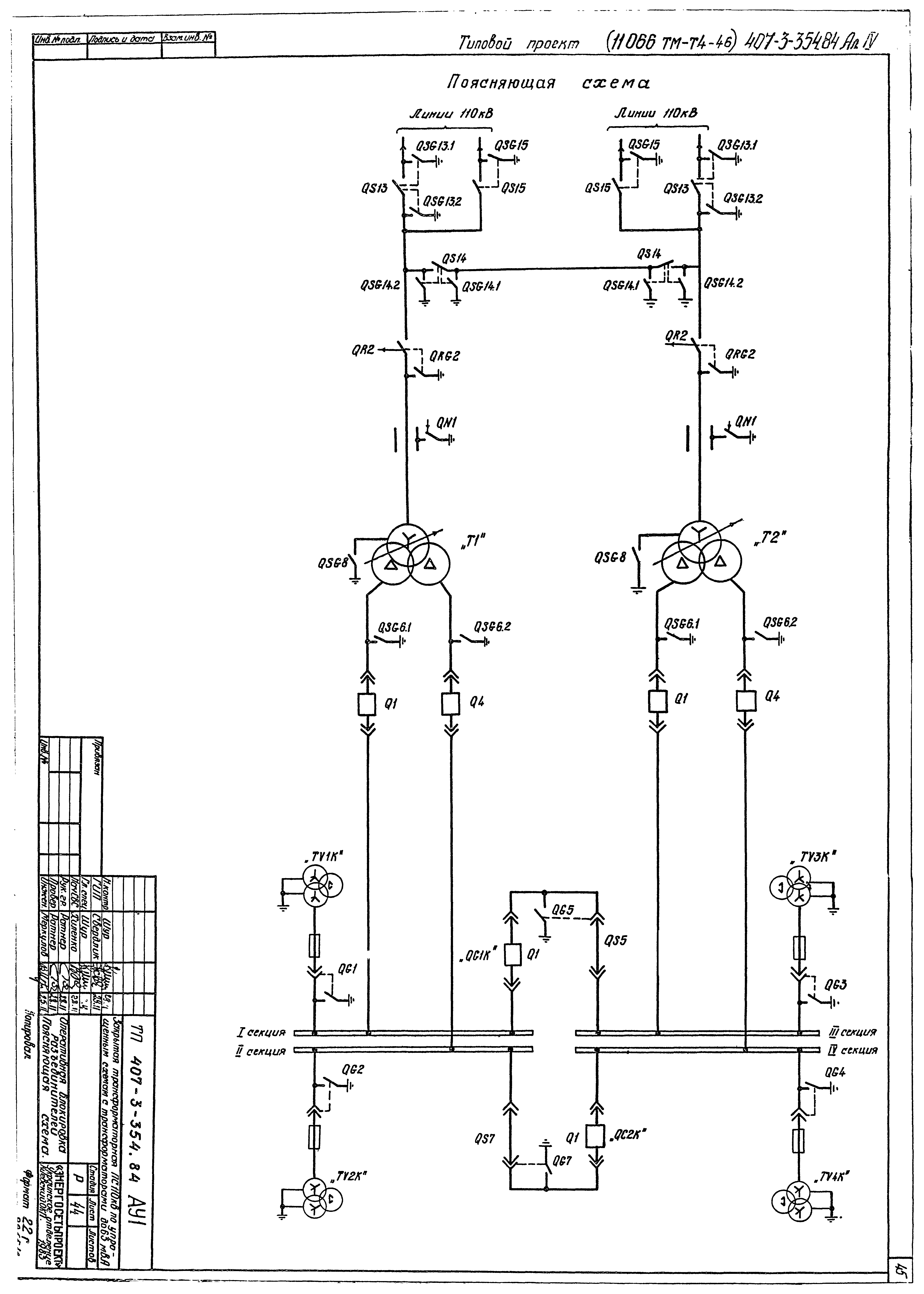
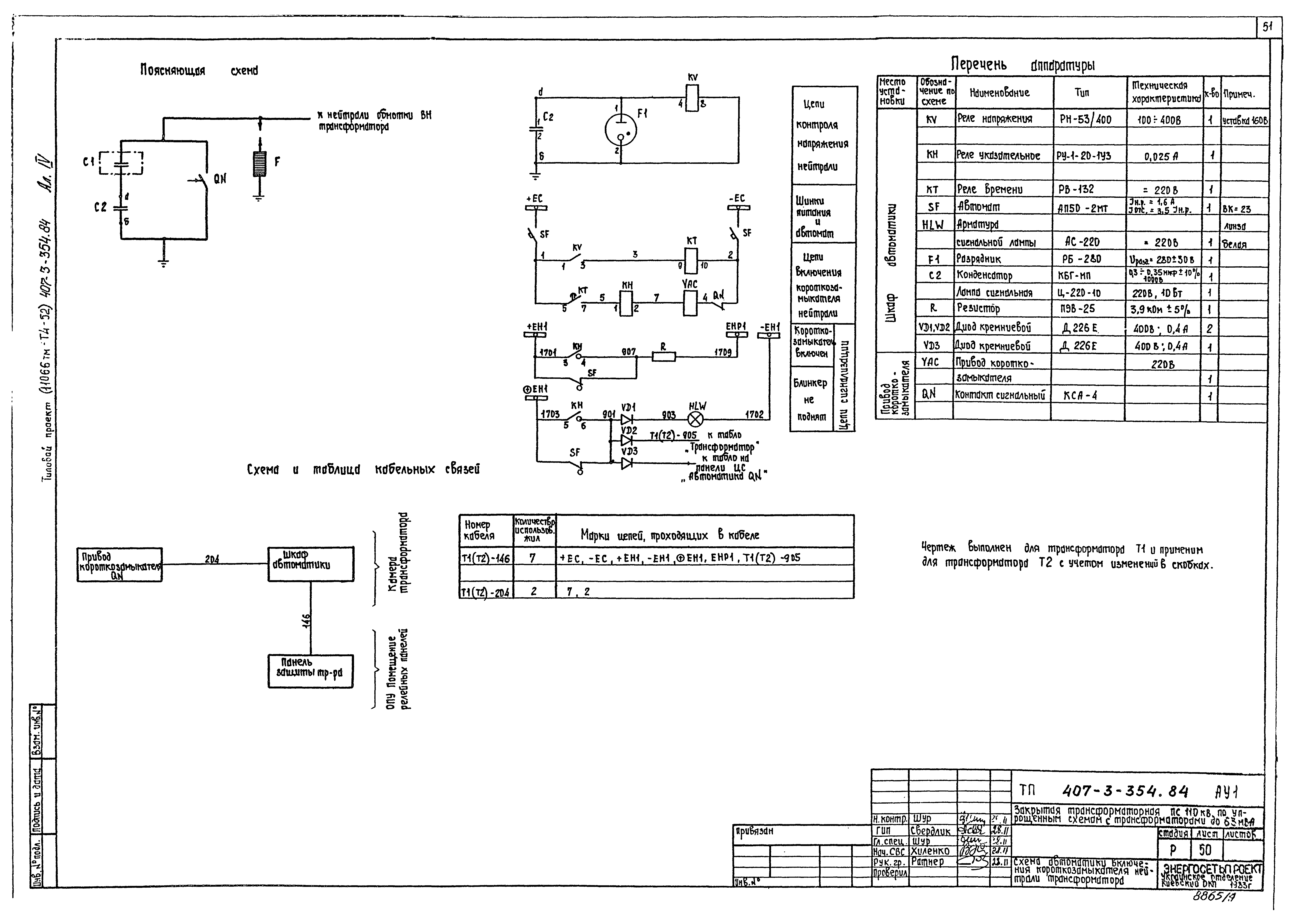
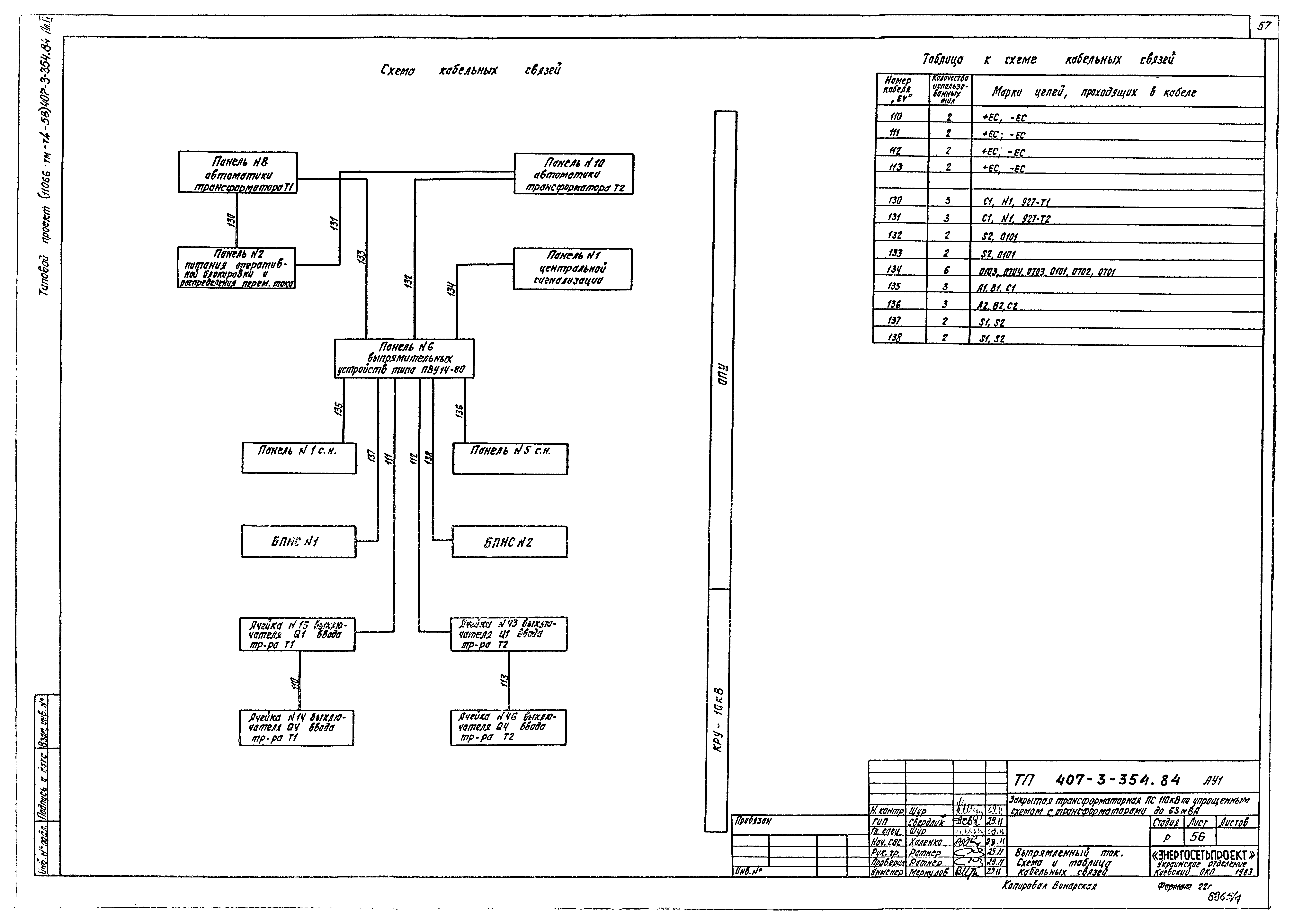
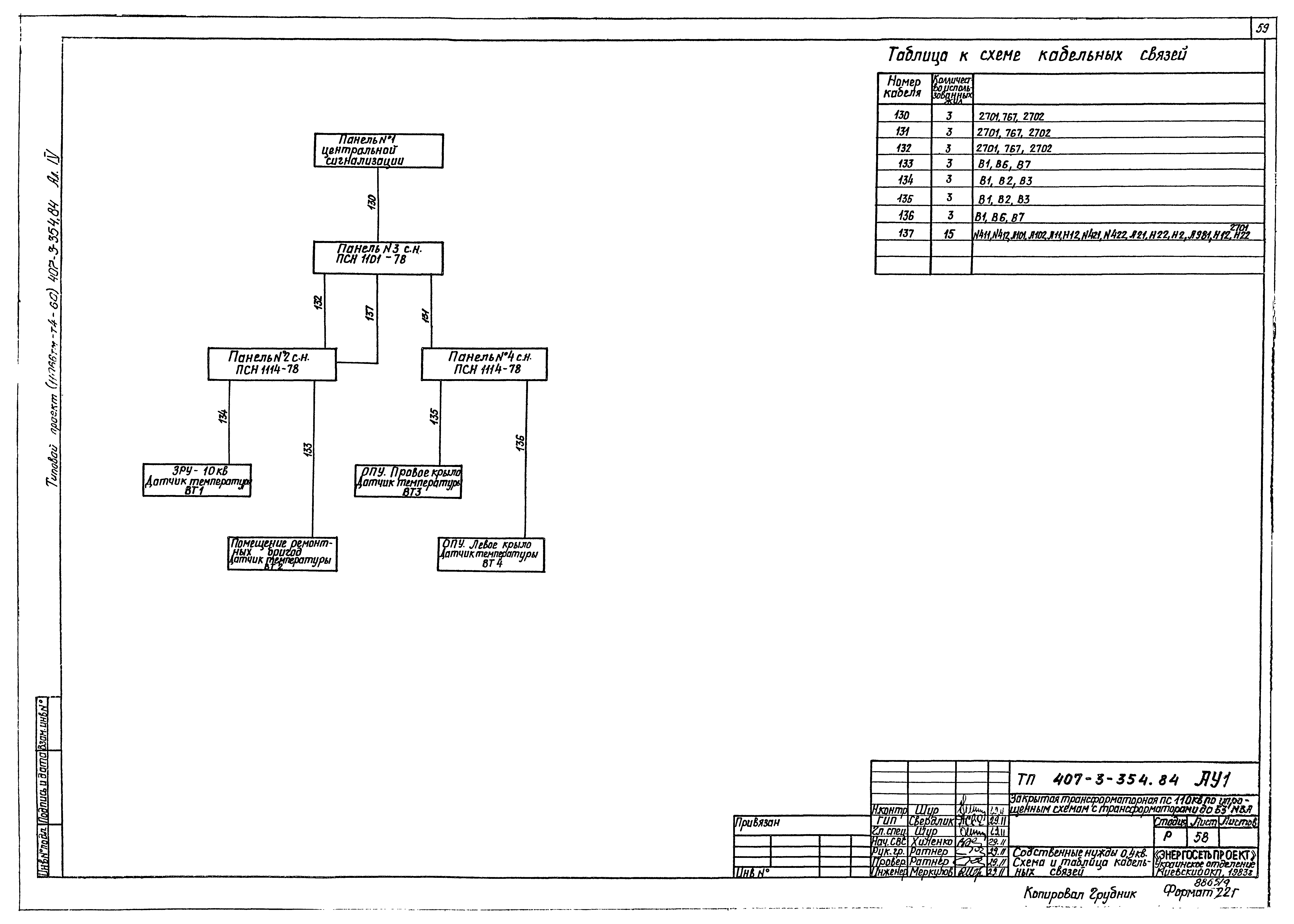
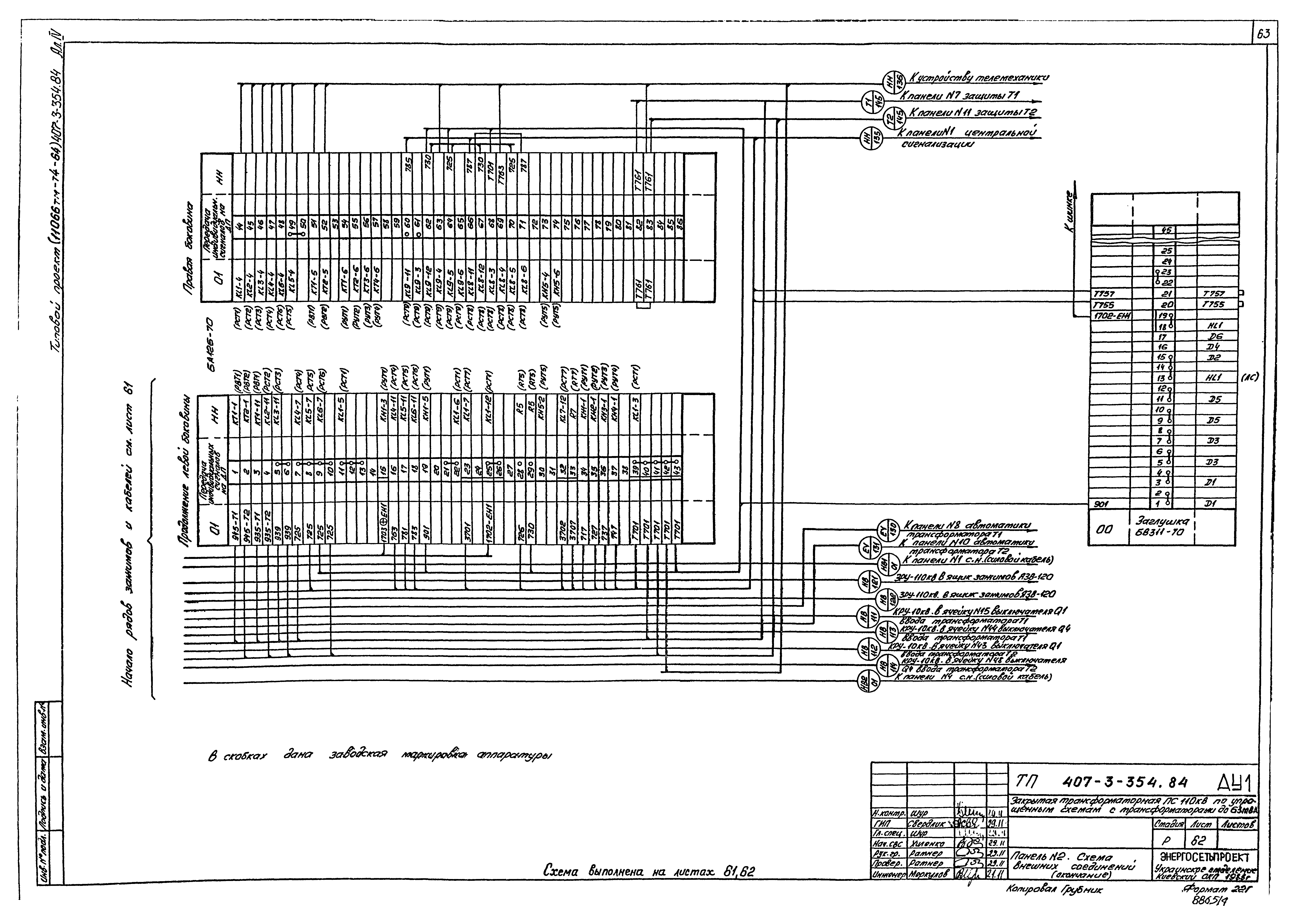
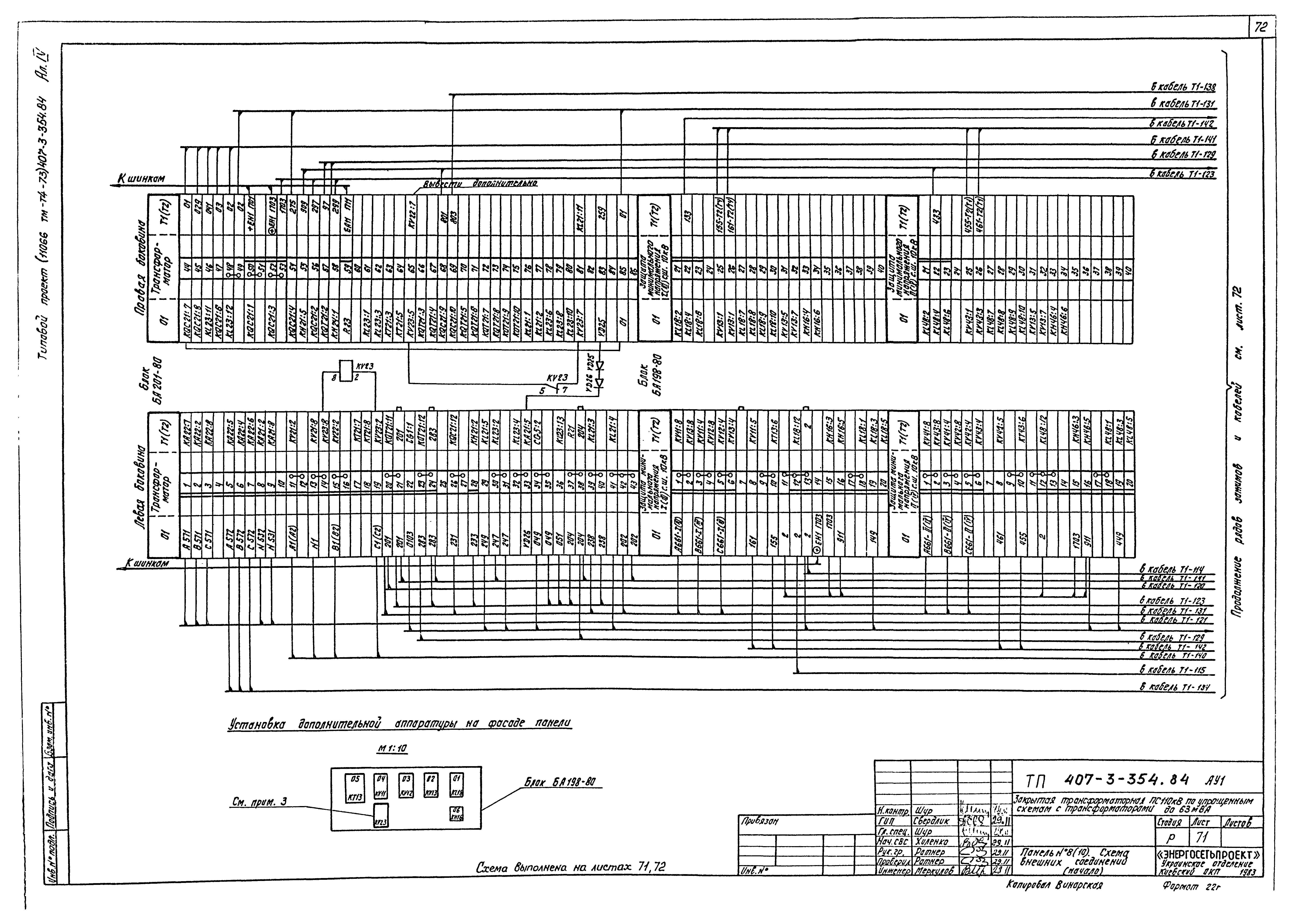
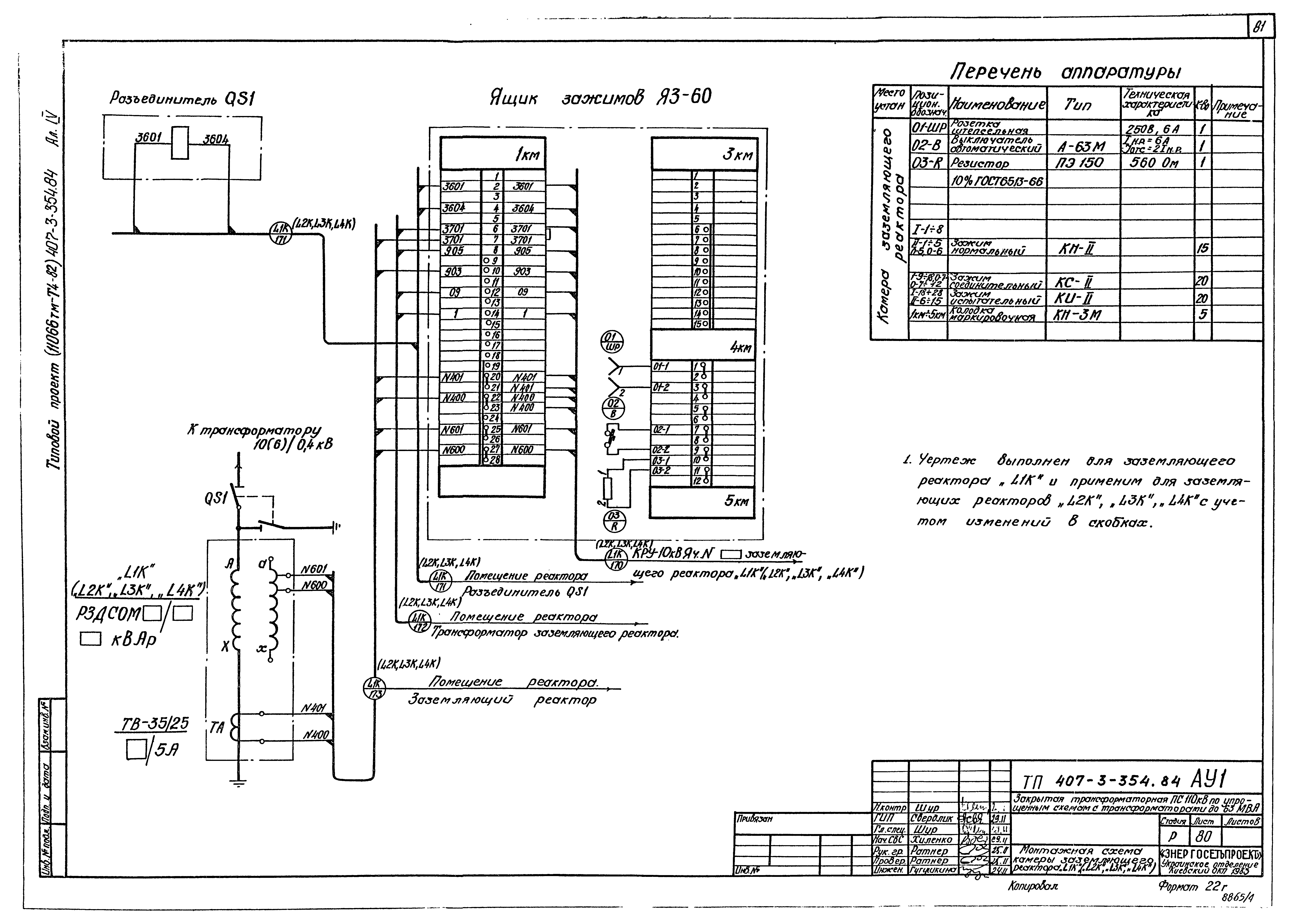
Скачать Типовой проект 407-3-354.84 Альбом IV. Управление и автоматизацияДата актуализации: 01.01.2021
|
| Обозначение: | Типовой проект 407-3-354.84 |
| Обозначение англ: | 407-3-354.84 |
| Статус: | не действует |
| Название рус.: | Альбом IV. Управление и автоматизация |
| Дата добавления в базу: | 05.05.2017 |
| Дата актуализации: | 01.01.2021 |
| Дата введения: | 07.02.1984 |
| Дата окончания срока действия: | 01.01.1988 |
| Разработан: | Украинское отделение института Энергосетьпроект Киевский отдел комплексного проектирования |
| Утверждён: | 07.02.1984 Минэнерго СССР (USSR Minenergo 8) |
| Заменяет собой: |
|





















































































