Скачать Типовой проект 902-1-167.1.90 Альбом 6. Силовое электрооборудование. Технологический контроль (из ТП 902-1-164.90)Дата актуализации: 01.01.2021
|
| Обозначение: | Типовой проект 902-1-167.1.90 |
| Обозначение англ: | 902-1-167.1.90 |
| Статус: | не определен законодательством |
| Название рус.: | Альбом 6. Силовое электрооборудование. Технологический контроль (из ТП 902-1-164.90) |
| Дата добавления в базу: | 01.09.2013 |
| Дата актуализации: | 01.01.2021 |
| Дата введения: | 15.05.1990 |
| Дата окончания срока действия: | 30.06.2003 |
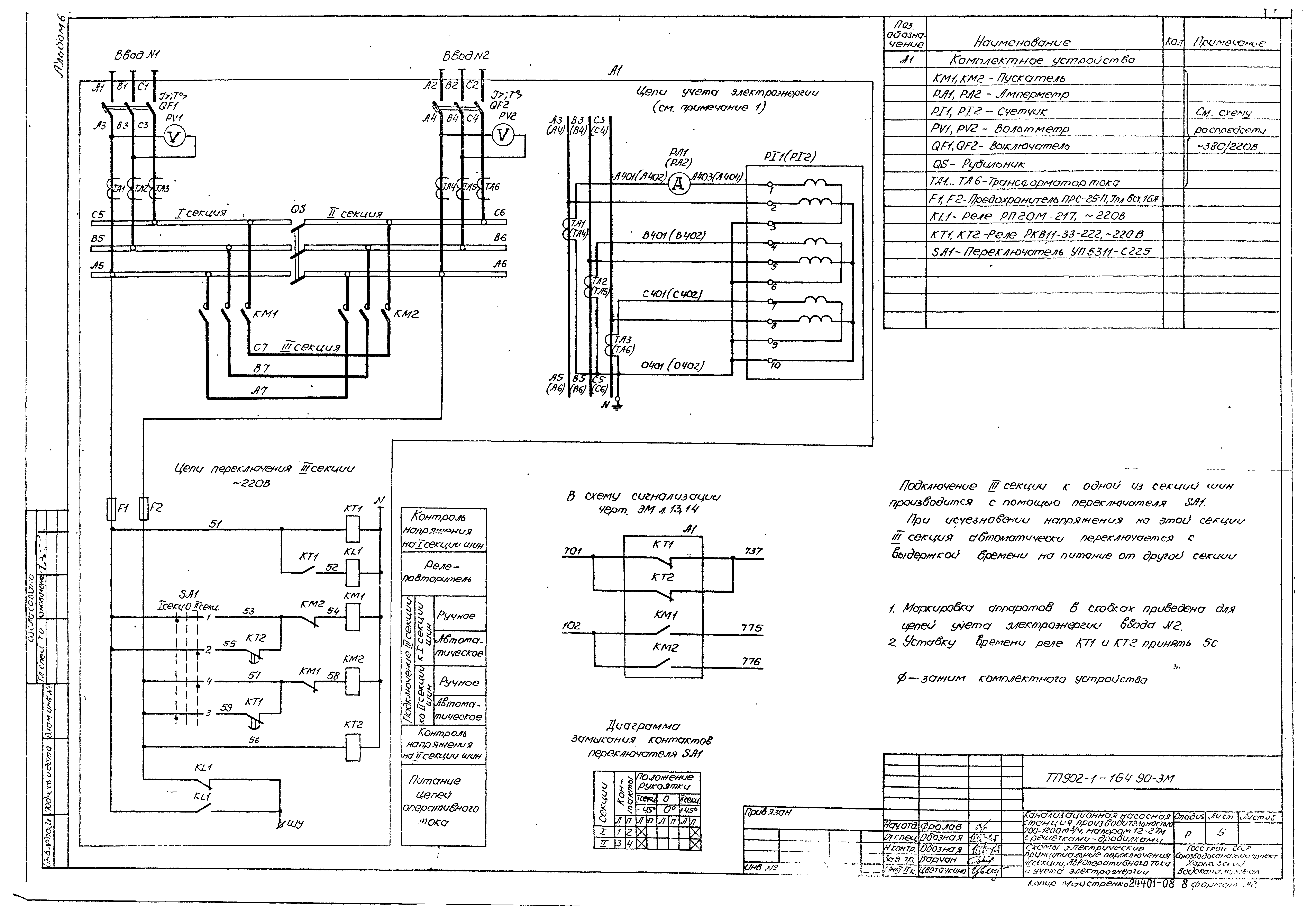
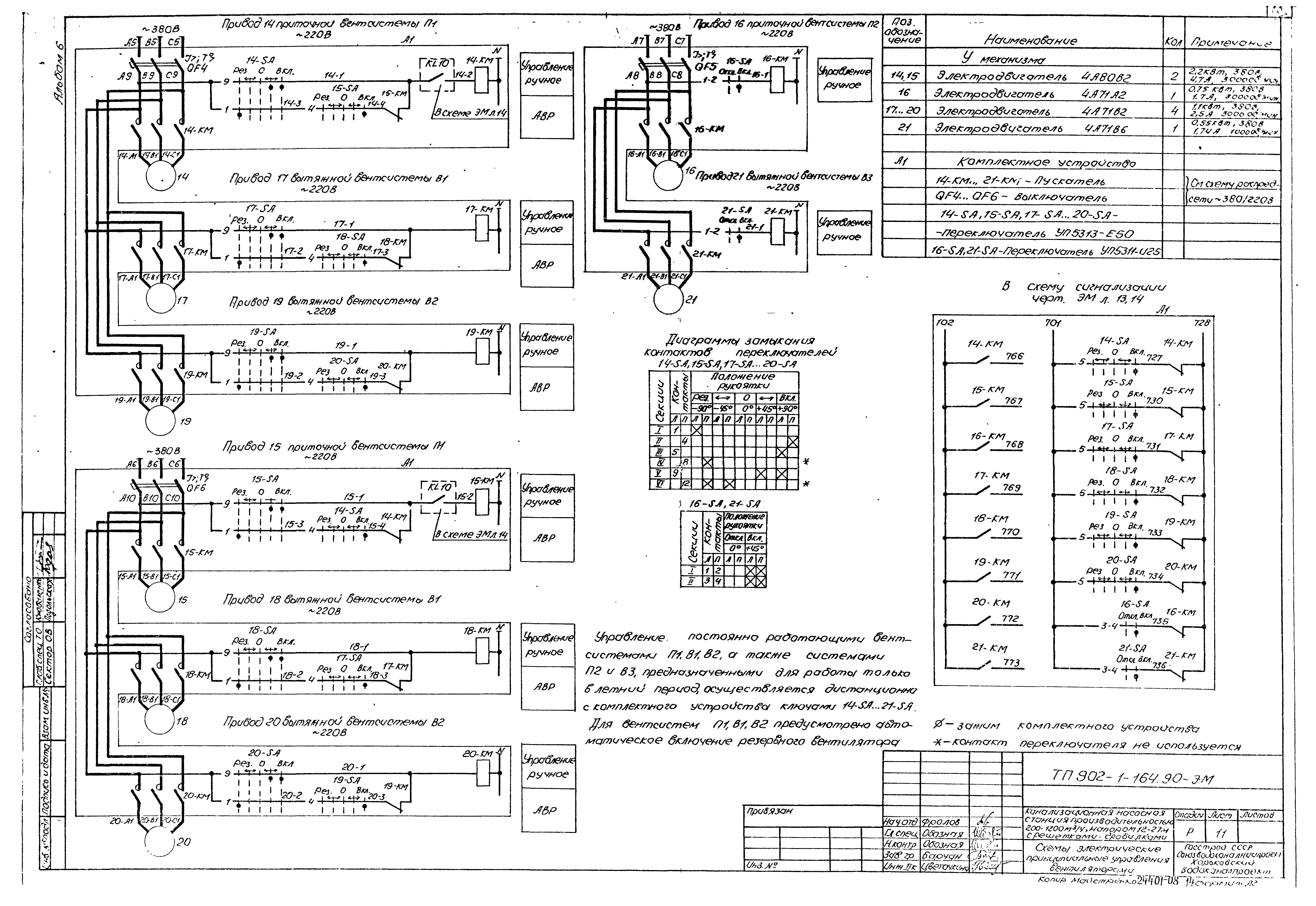
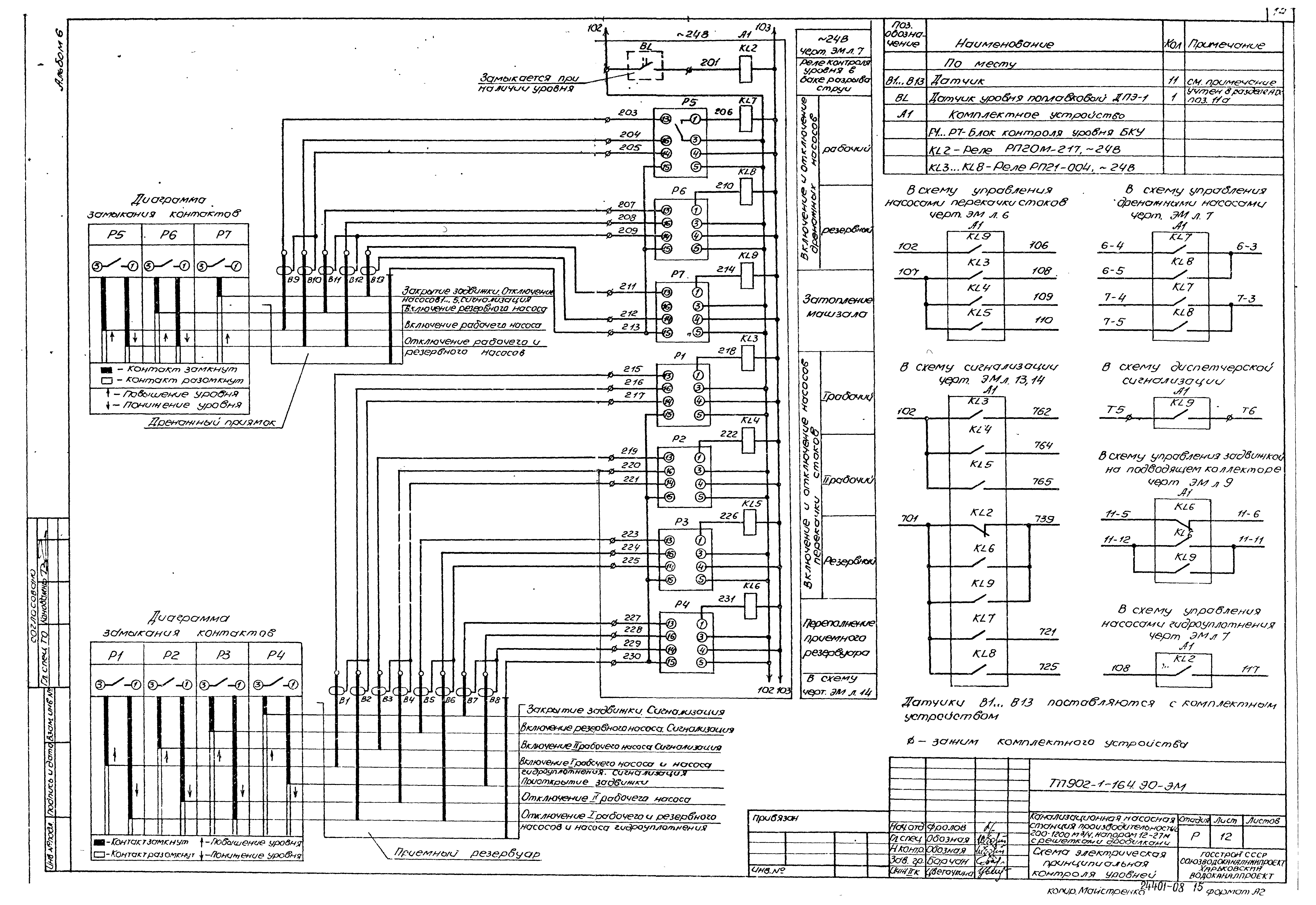
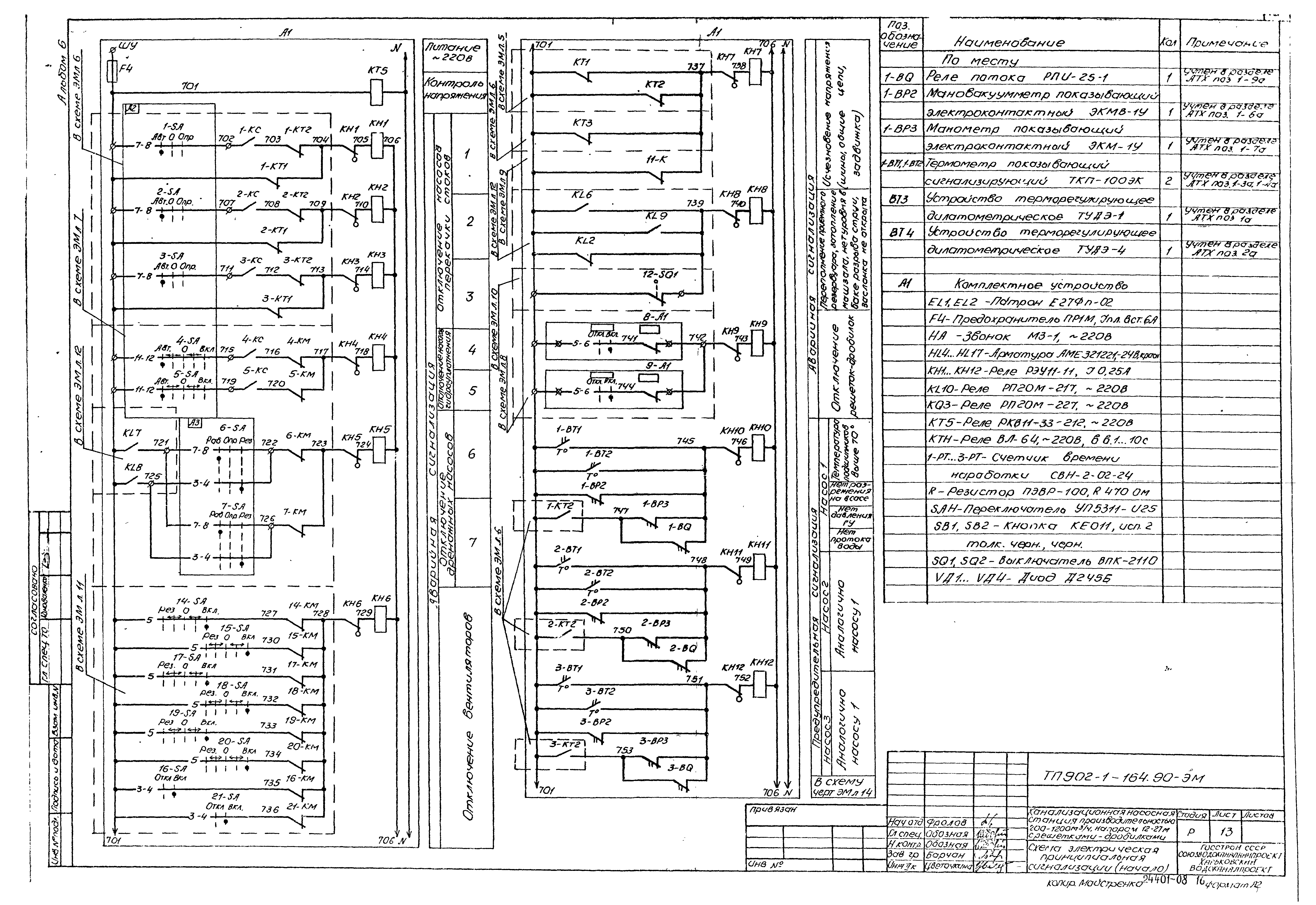
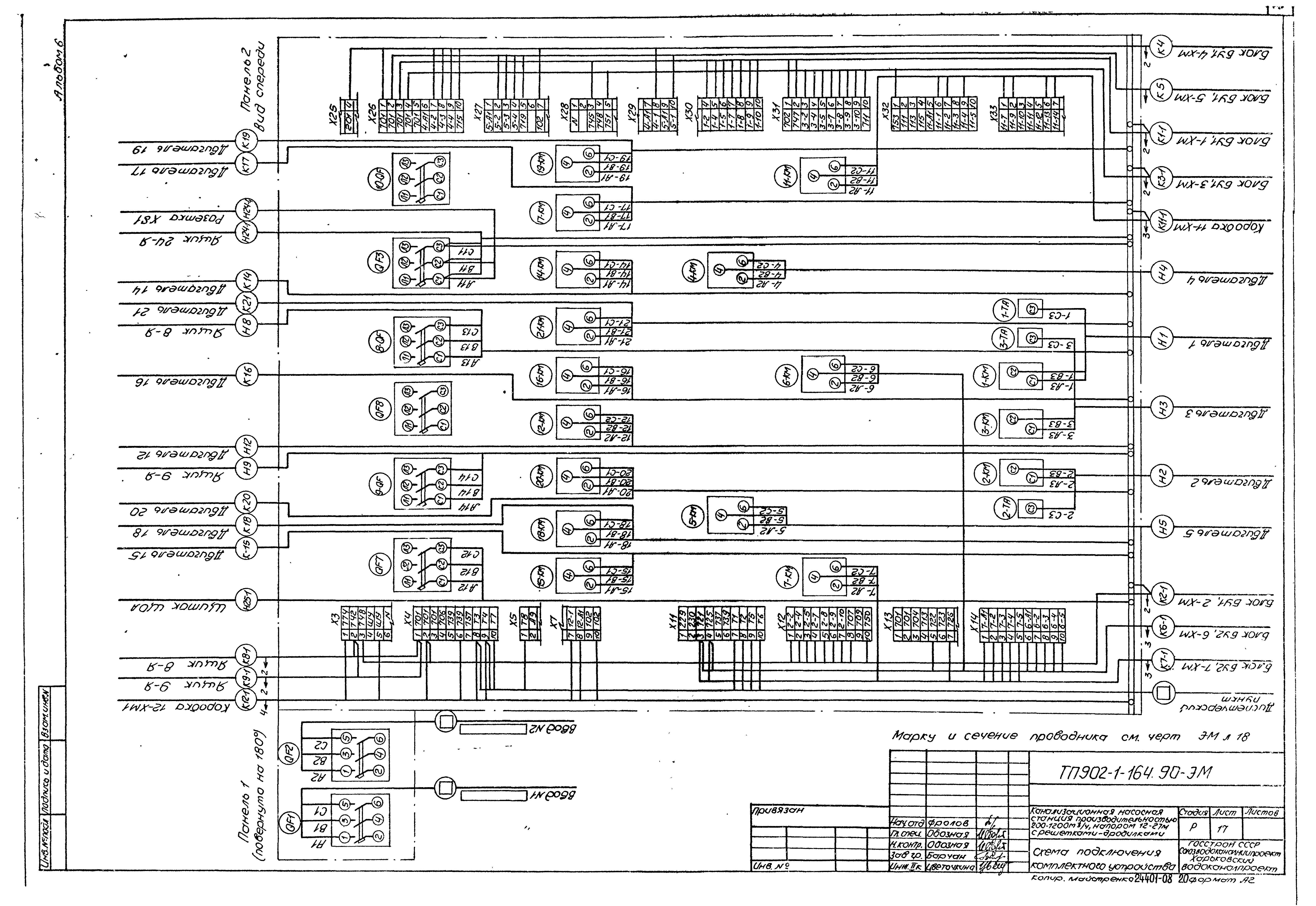
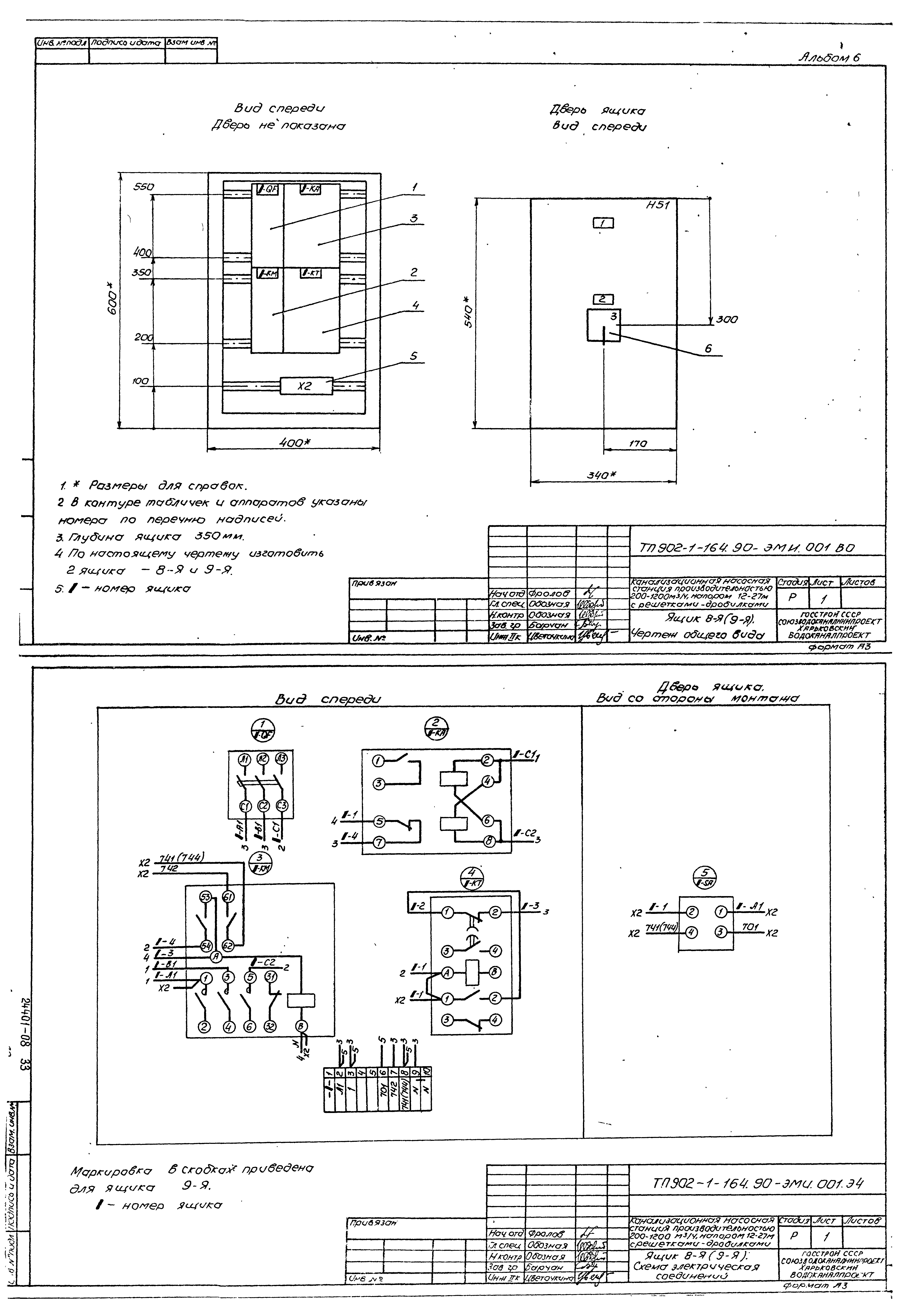
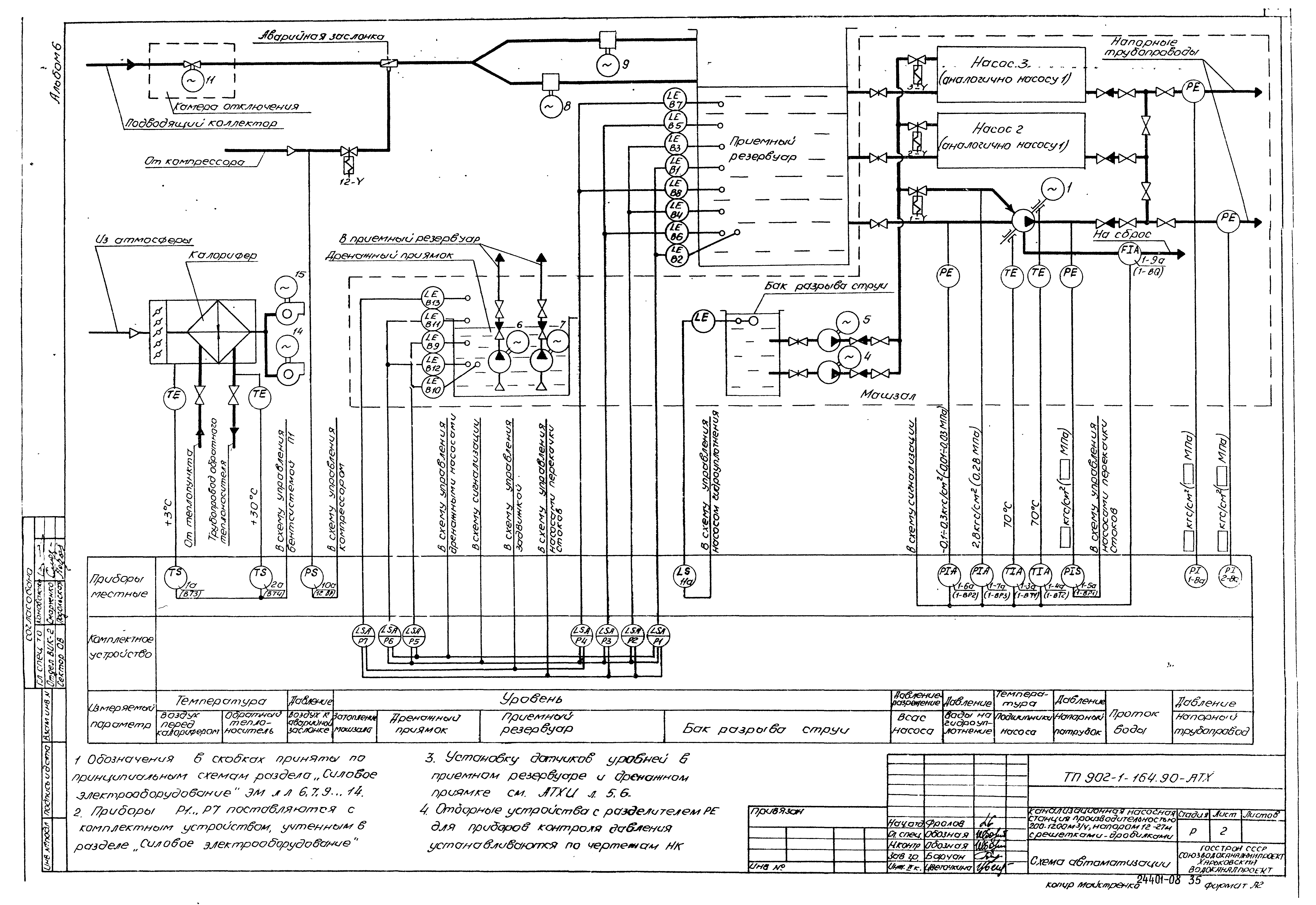
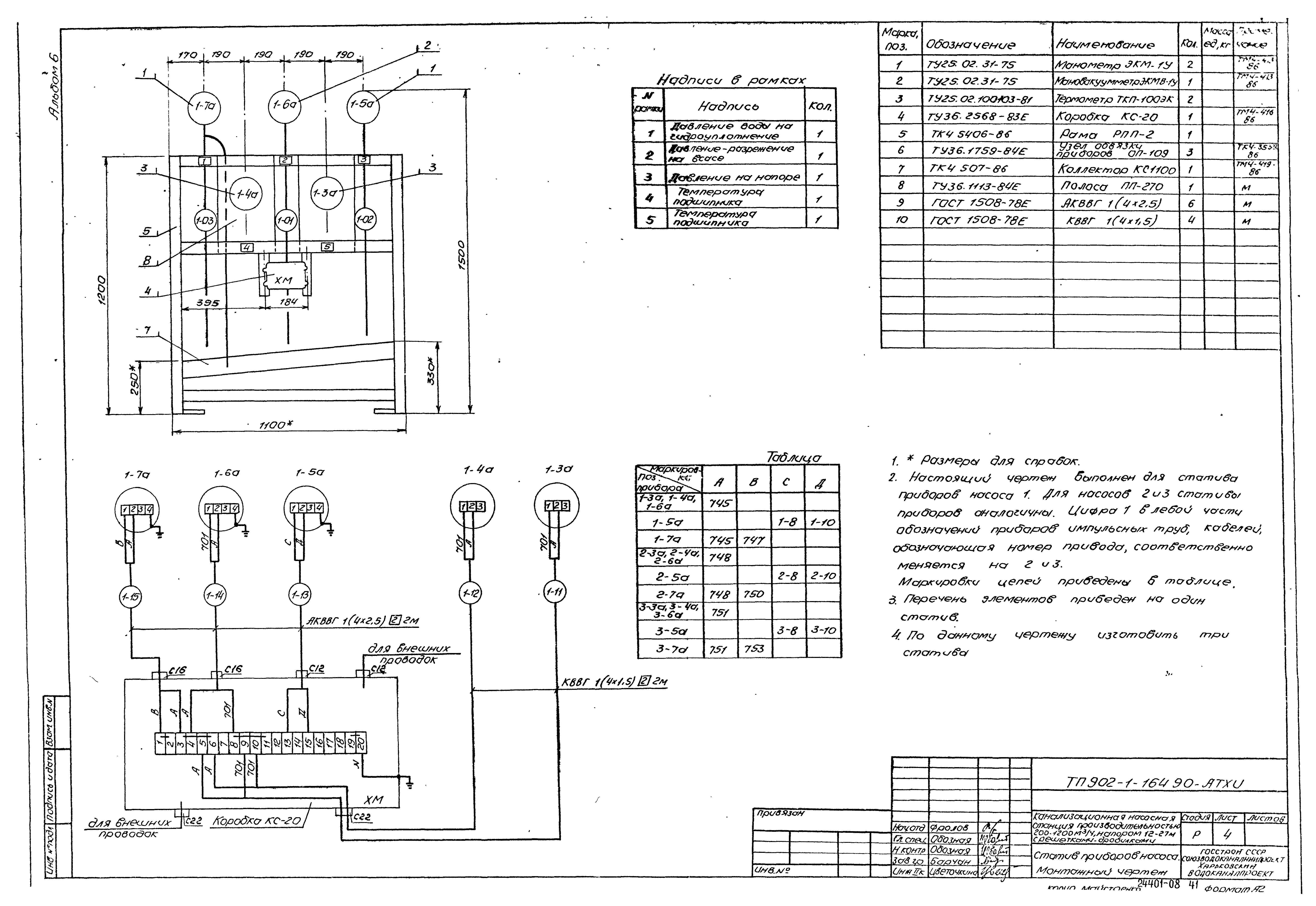
| Оглавление: | Содержание альбома Основной комплект марки ЭМ Общие данные Схема электрическая принципиальная однолинейная распределительной сети 380/220 В Схемы электрические принципиальные переключения III секции АВР оперативного тока и учета электроэнергии Схема электрическая принципиальная управления насосами перекачки стоков Схемы электрические принципиальные управления насосами гидроуплотнения и дренажными Схема электрическая принципиальная управления решетками-дробилками Схема электрическая принципиальная управления задвижкой на подводящем коллекторе Схема электрическая принципиальная управления компрессором Схемы электрические принципиальные управления вентиляторами Схема электрическая принципиальная контроля уровней Схема электрическая принципиальная сигнализации Схема подключения электрооборудования Схема подключения комплектного устройства Кабельнотрубный журнал План расположения электрооборудования. Прокладка кабелей. Зануление Электроосвещение Строительное задание. Чертеж для справок Задание МЭЗ марки ЭМИ Ведомость чертежей задания МЭЗ Ведомость электромонтажных конструкций, подлежащих изготовлению в МЭЗ Ведомость изделий и материалов для изготовления электромонтажных конструкций в МЭЗ Блок управления БУ1. Общий вид Блок управления БУ1. Схема соединений Блок управления БУ2. Общий вид. Схема соединений Блок электроконструкций Б3 Пучки кабелей Задание заводу-изготовителю ЭМИ.001 Перечень комплектных устройств Ящик 8-Я (9-Я). Чертеж общего вида Ящик 8-Я (9-Я). Таблица технических данных аппаратов Ящик 8-Я (9-Я). Перечень надписей Ящик 8-Я (9-Я). Схема электрическая соединений Основной комплект марки АТХ Общие данные Схема автоматизации Схема соединений внешних проводок. План расположения Задание МЗУ марки АТХИ Ведомость чертежей задания МЗУ Ведомость узлов и конструкций, подлежащих изготовлению на МЗУ Ведомость оборудования и материалов для изготовления изделий МЗУ Статив прибора насоса. Монтажный чертеж Статив датчиков для дренажного приямка. Монтажный чертеж Статив датчиков для приемного резервуара. Монтажный чертеж Кронштейн для установки устройства ТУДЭ-1. Монтажный чертеж Стойка статива датчиков. Монтажный чертеж |
| Разработан: | Харьковский Водоканалпроект |
| Утверждён: | 15.05.1990 СоюзводоканалНИИпроект (SoyuzvodokanalNIIproject 9) |











































