Скачать Серия 3.407-105 Выпуск 2. Монтажные схемы, узлы, железобетонные и стальные конструкцииДата актуализации: 01.01.2021
|
| Обозначение: | Серия 3.407-105 |
| Обозначение англ: | Series 3.407-105 |
| Статус: | заменен |
| Название рус.: | Выпуск 2. Монтажные схемы, узлы, железобетонные и стальные конструкции |
| Дата добавления в базу: | 01.09.2013 |
| Дата актуализации: | 01.01.2021 |
| Дата введения: | 01.09.1975 |
| Дата окончания срока действия: | 01.06.1988 |
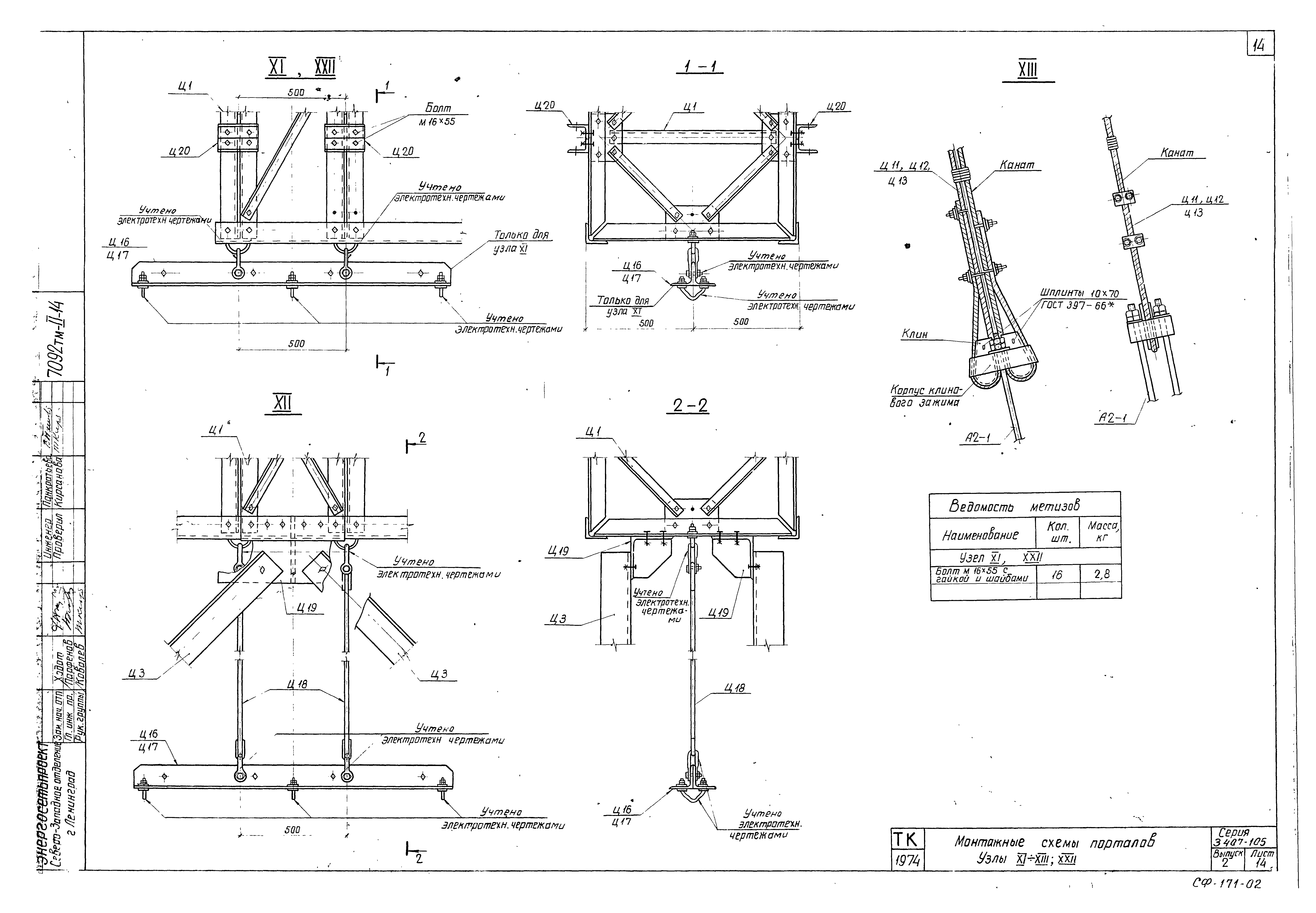
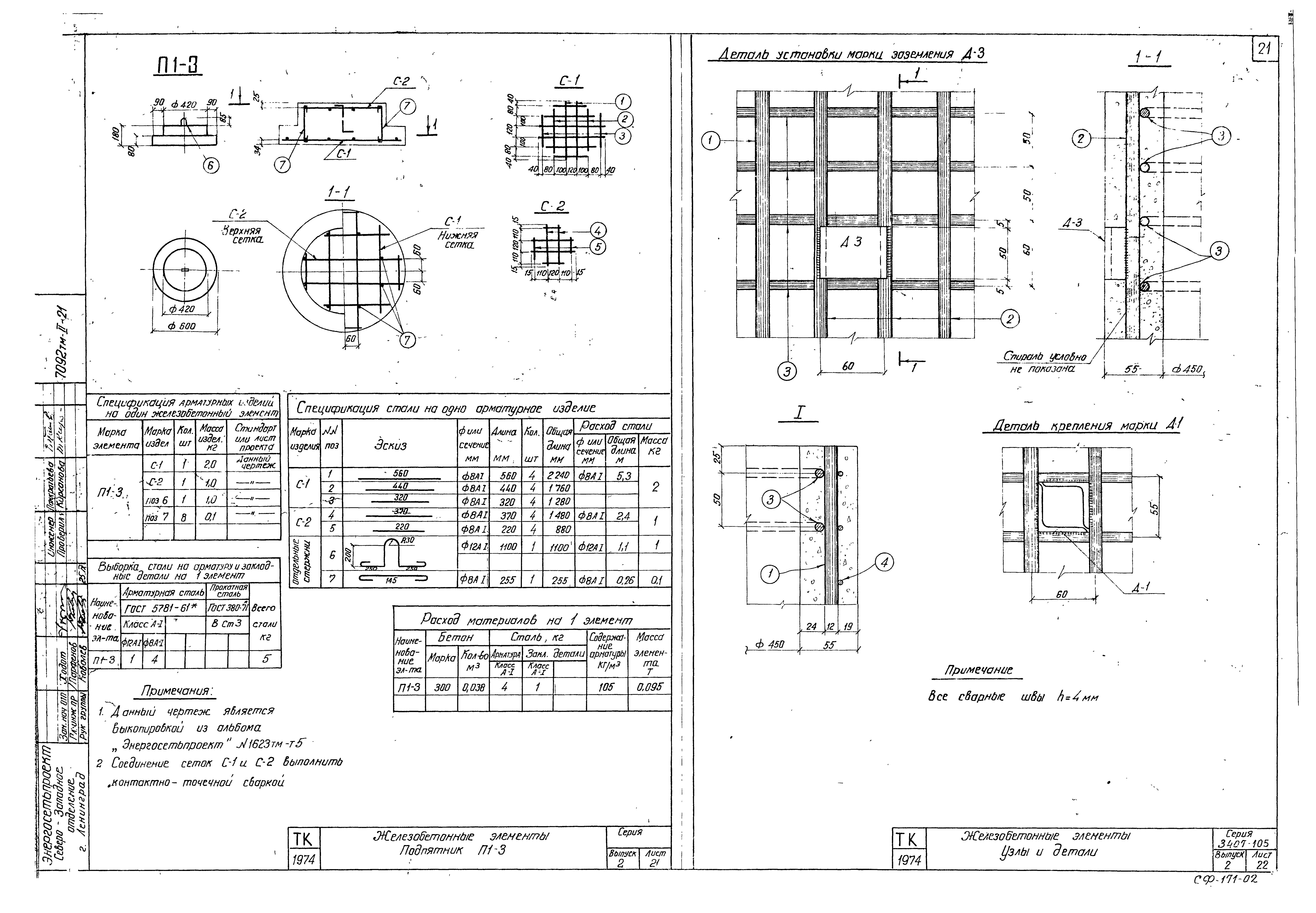
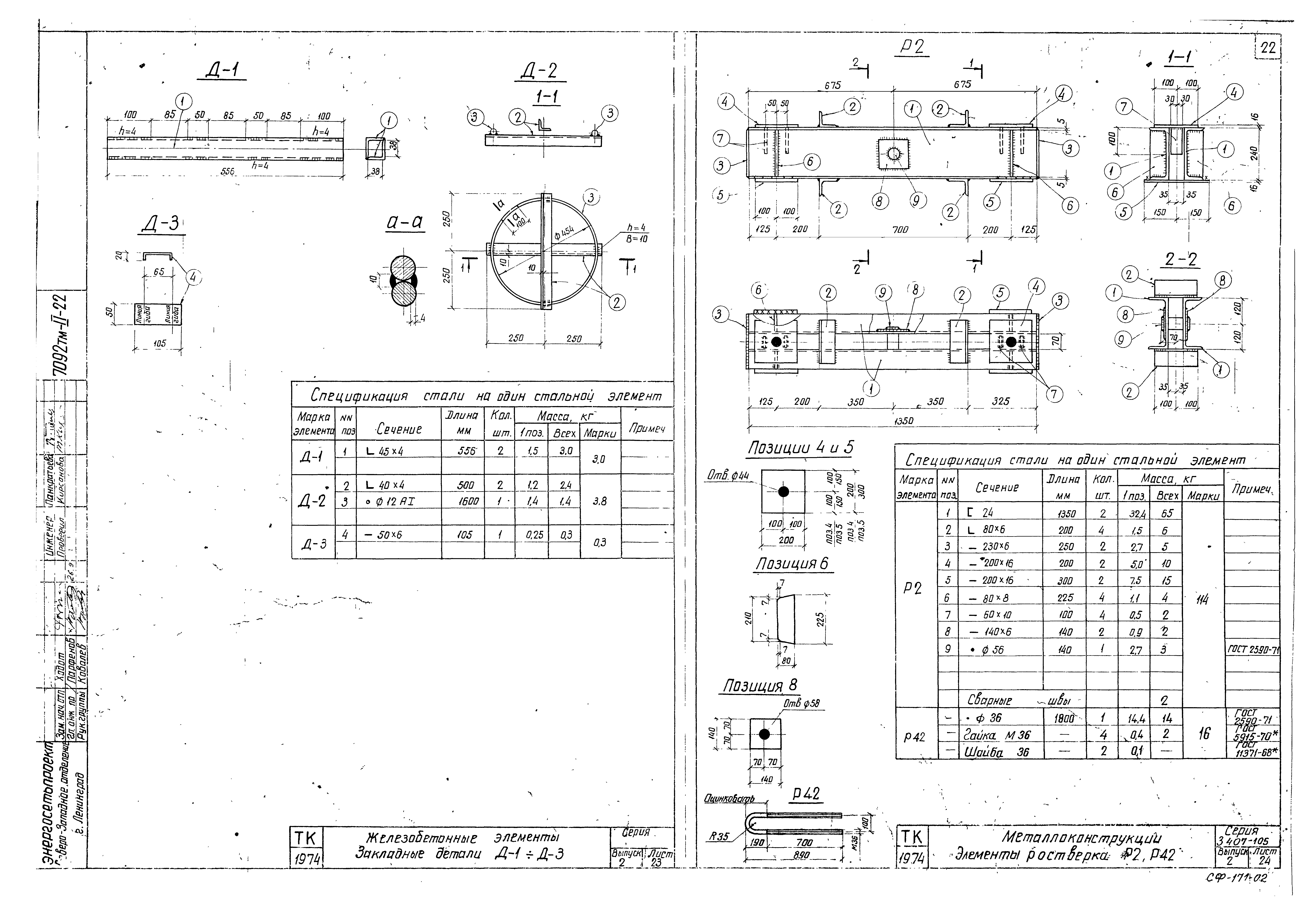
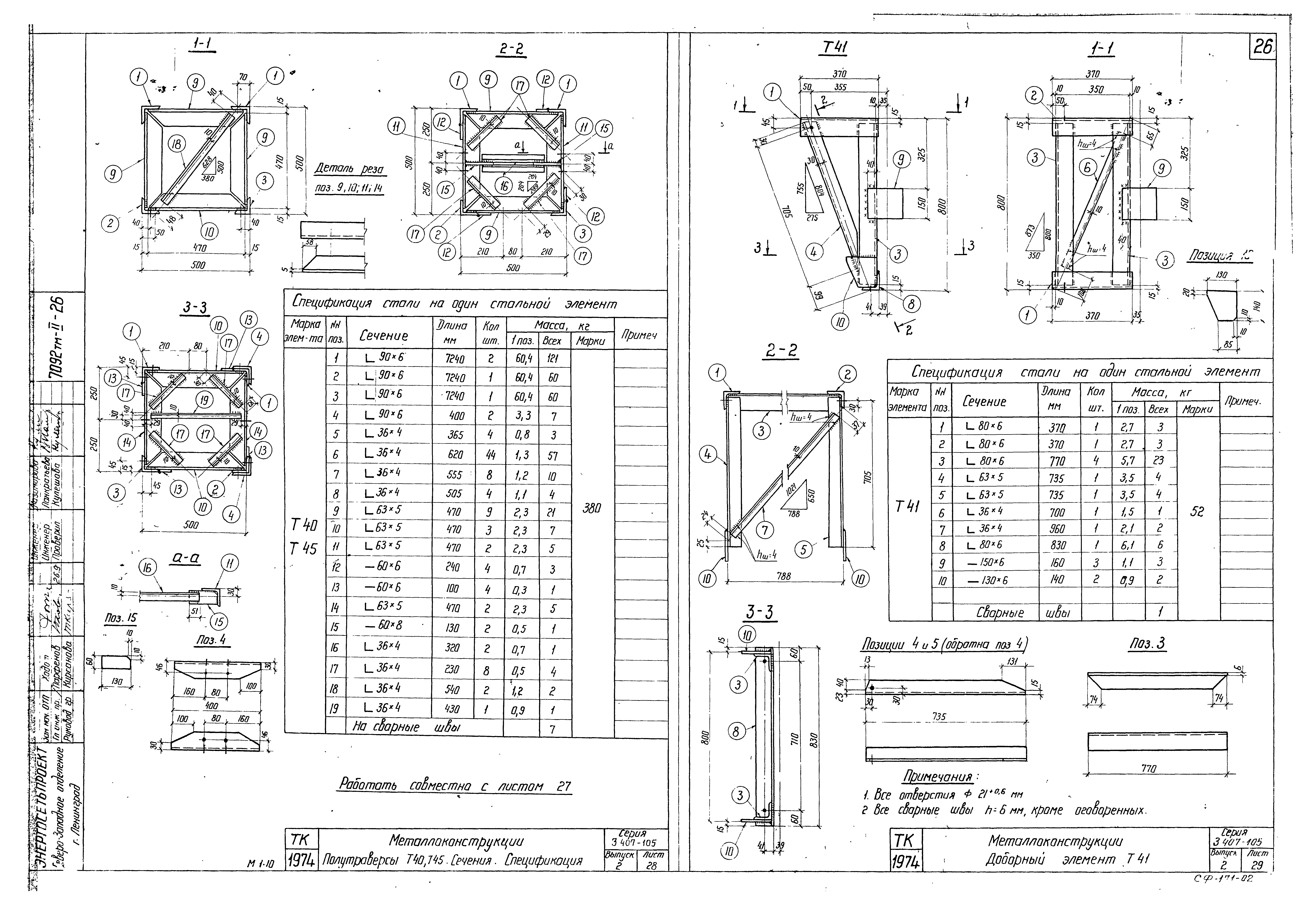
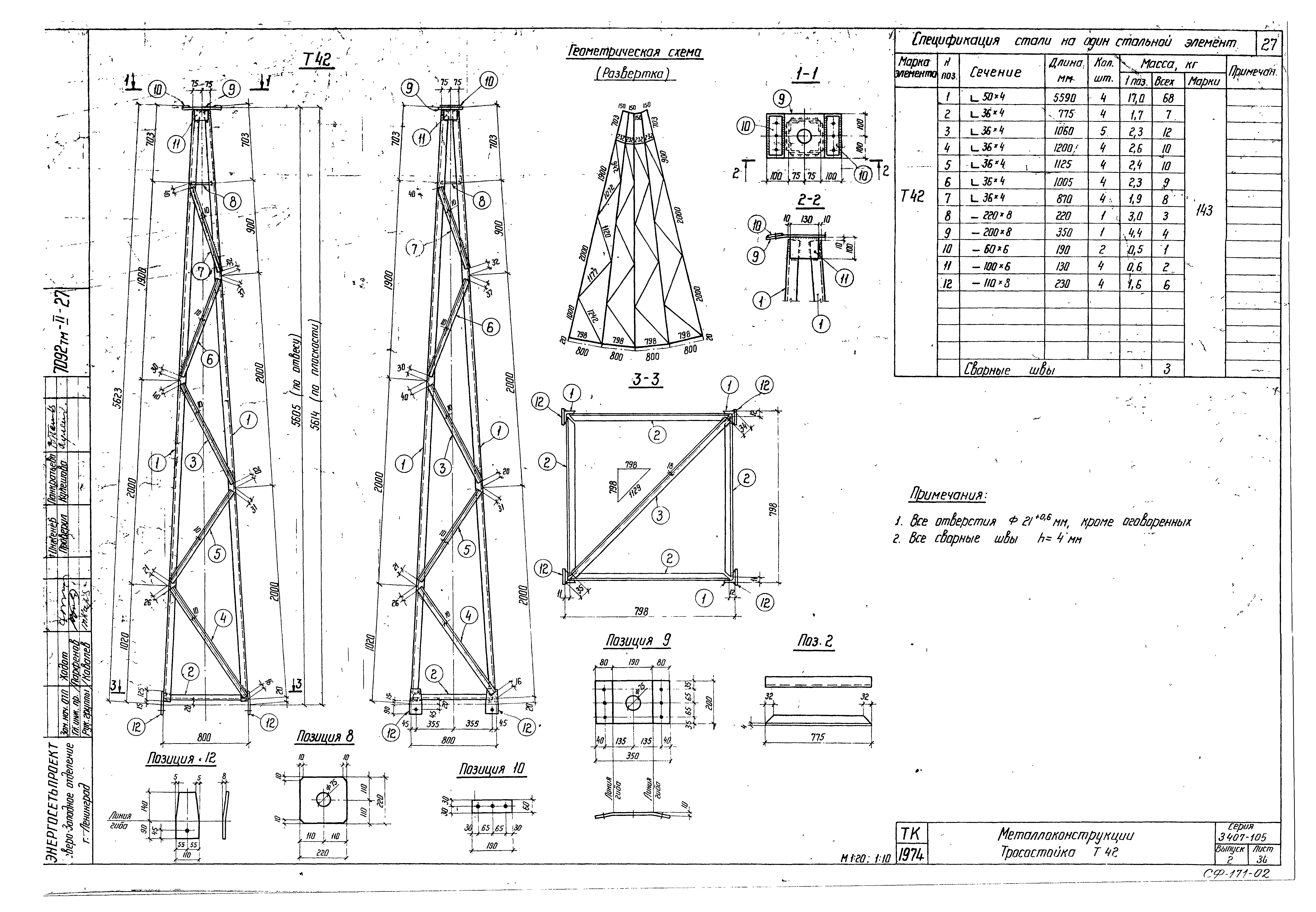
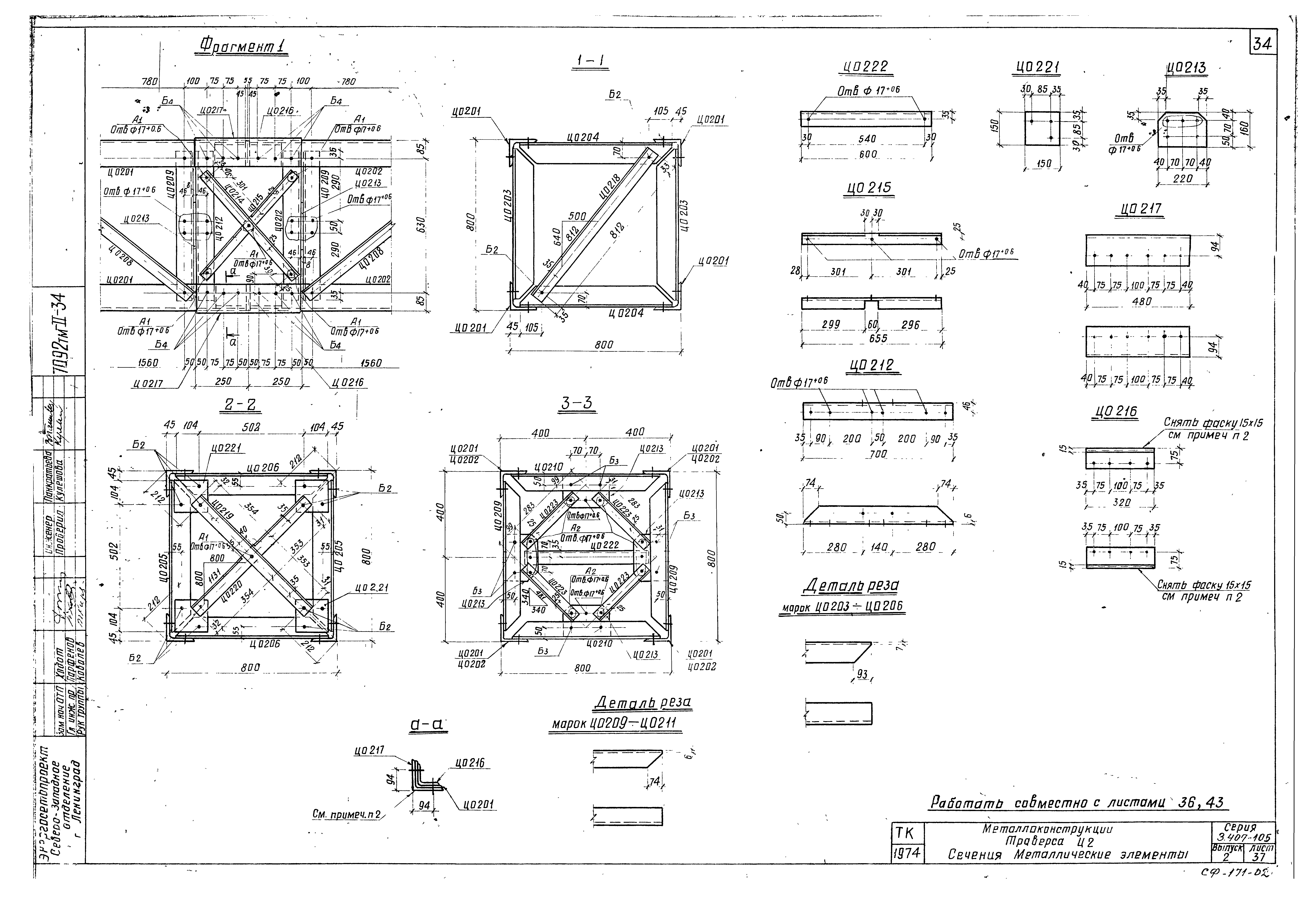
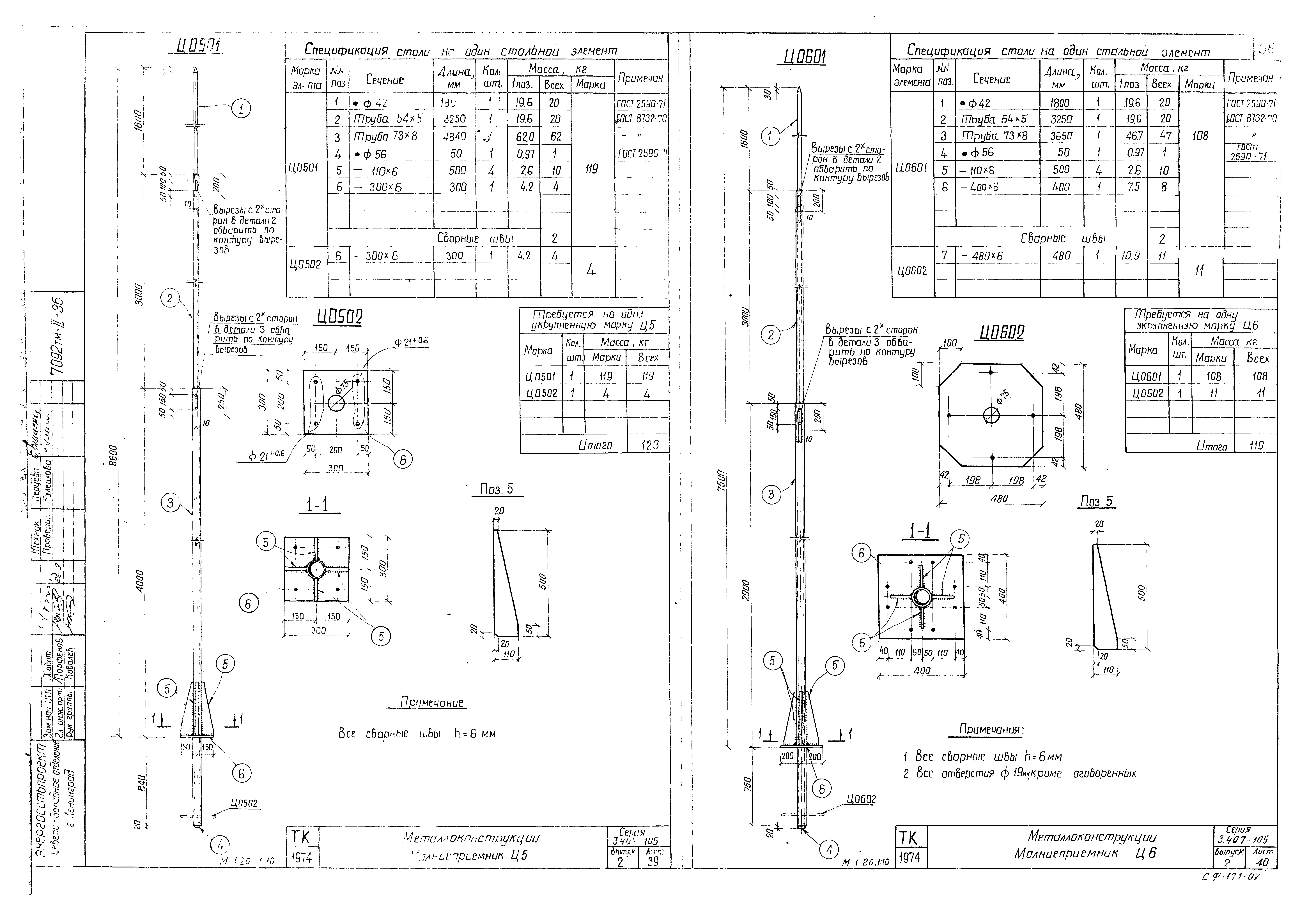
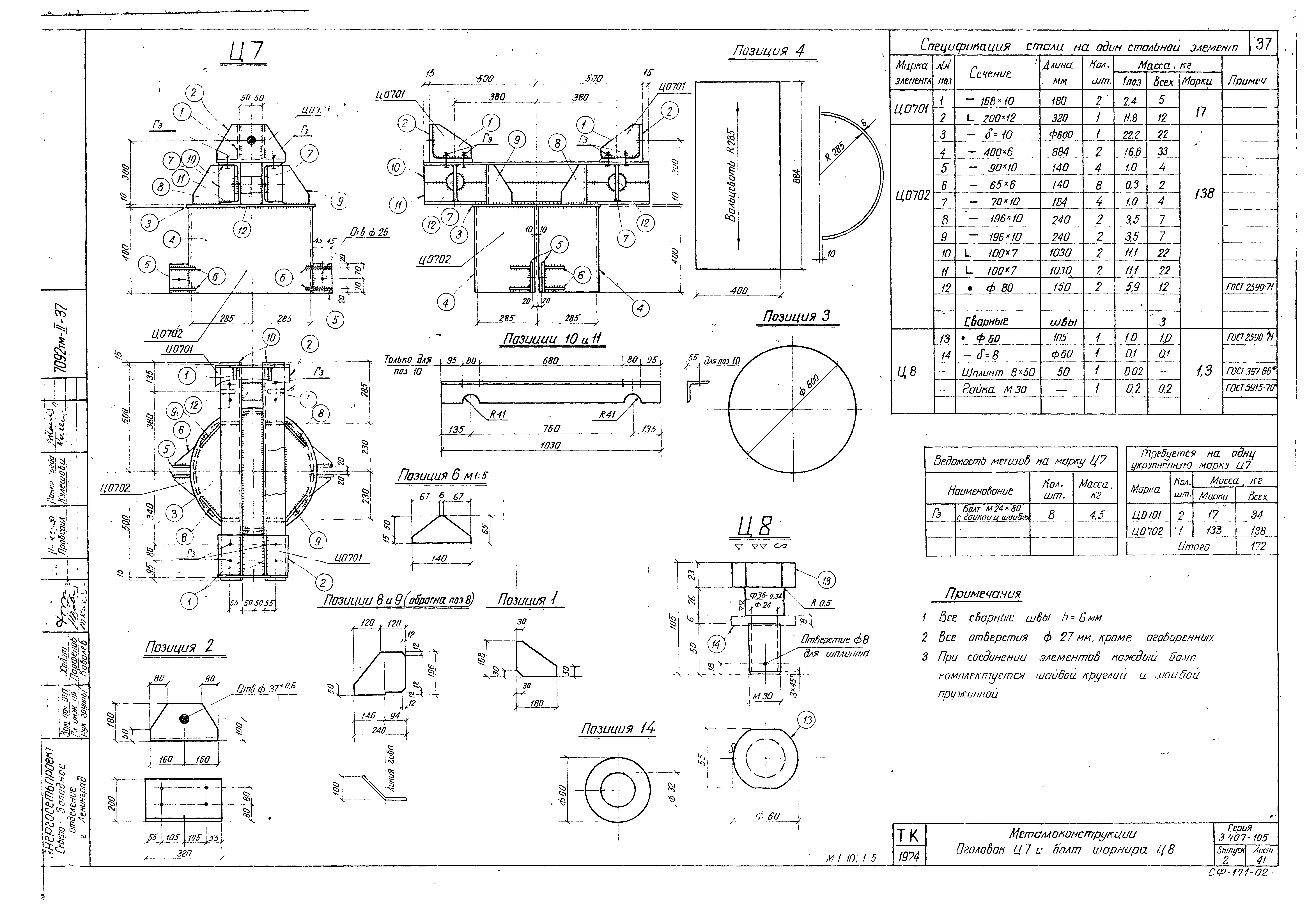
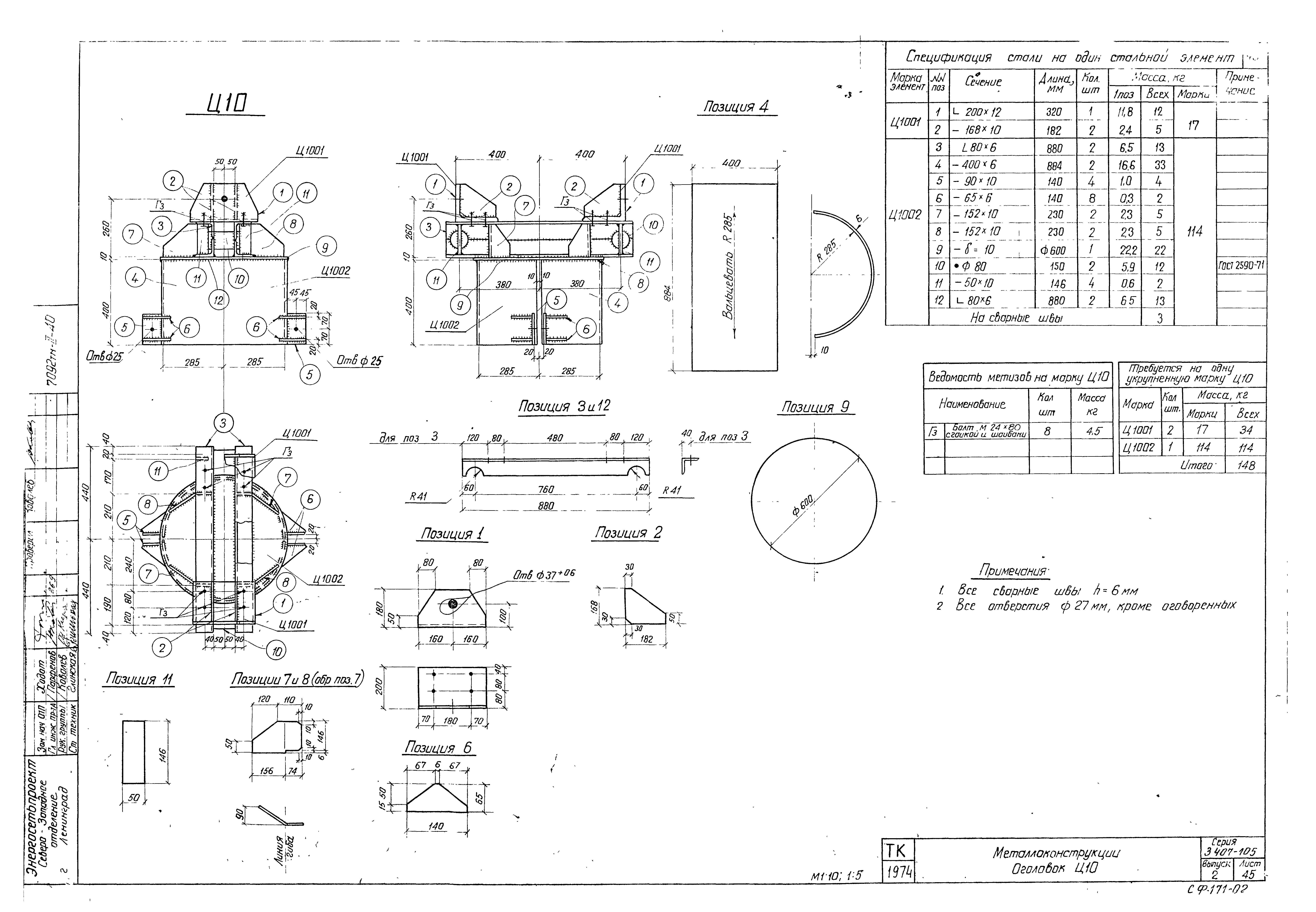
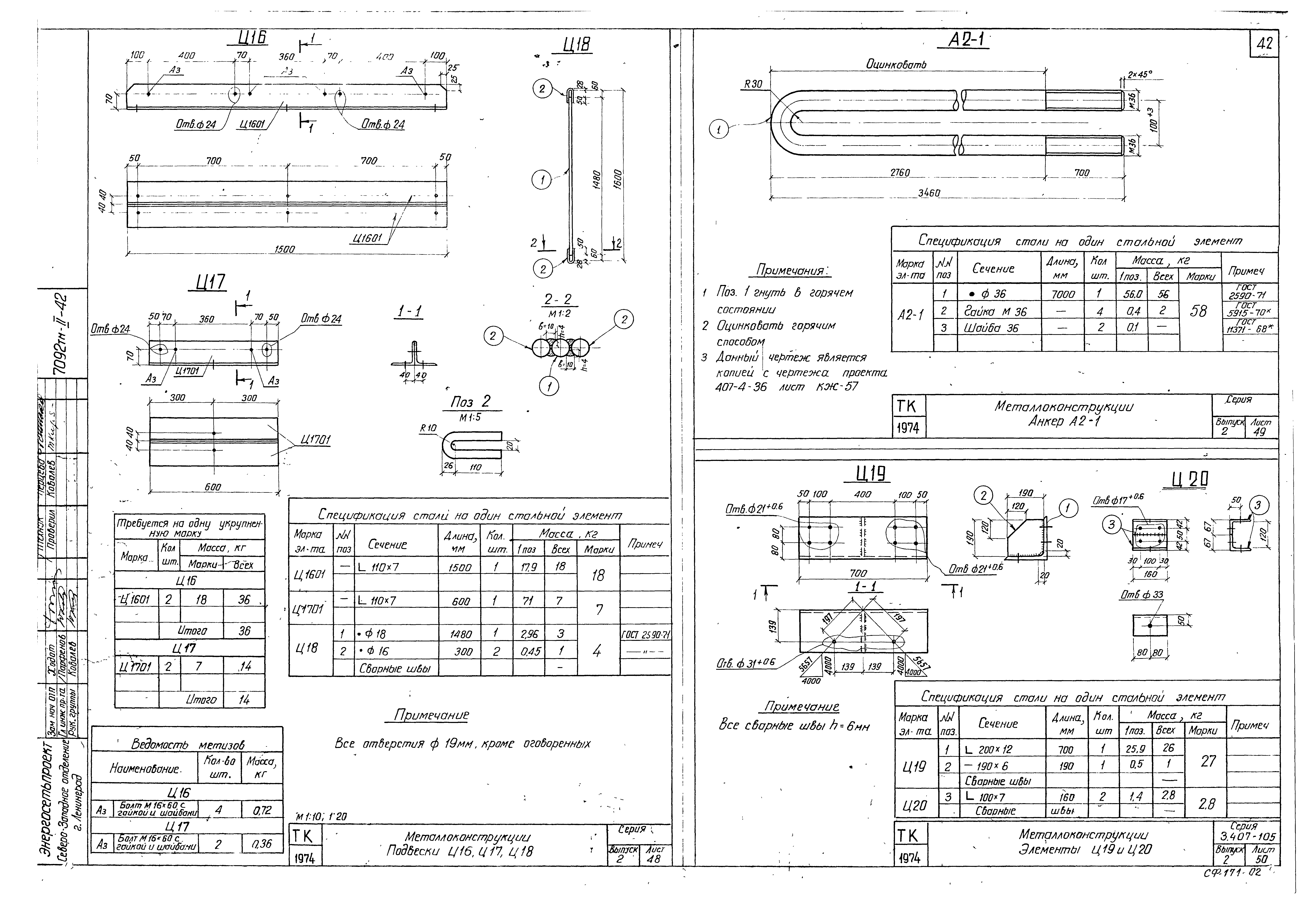
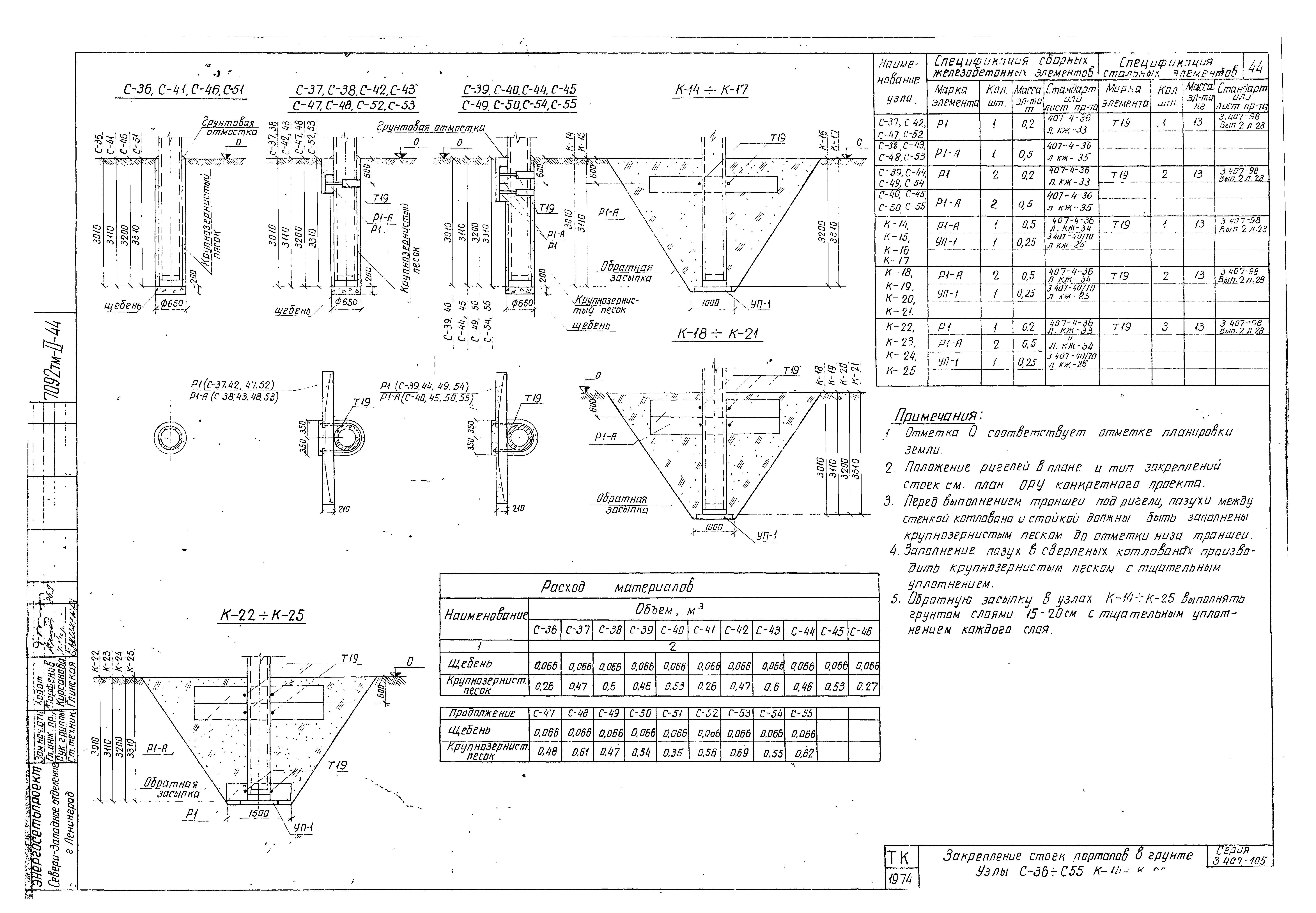
| Оглавление: | Титульный лист Перечень листов. Выборка металла ОРУ 220 кВ. Монтажная схема ячейкового портала типа ПЖ-220Я ОРУ 220 кВ. Монтажная схема шинного портала типа ПЖ-220Ш1 ОРУ 220 кВ. Монтажная схема шинного портала типа ПЖВ-220Ш1 ОРУ 330 кВ. Монтажные схемы ячейковых порталов типов ПЖ-330Я1 - ПЖ330Я5 ОРУ 330 кВ. Монтажная схема дополнительных металлических элементов на ячейковых порталах ОРУ 330 кВ. Монтажные схемы ячейковых порталов. Спецификация стальных элементов. Ведомость метизов ОРУ 330 кВ. Монтажные схемы шинных порталов типов ПЖ-330Ш1, ПЖ-330Ш2 ОРУ 330 кВ. Монтажные схемы шинных порталов типов ПЖ-330Ш3, ПЖ-330Ш4 Монтажные схемы порталов. Узлы I - III Монтажные схемы порталов. Узлы IV, V Монтажные схемы порталов. Узлы VI - VIII Монтажные схемы порталов. Узлы IX, X Монтажные схемы порталов. Узлы XI - XIII, XXII Монтажные схемы порталов. Узлы XIV - XVIII Монтажные схемы порталов. Узлы XIX - XXI Железобетонные элементы. Стойка СЦП-1 Железобетонные элементы. Стойка СЦП-2 Железобетонные элементы. Стойка СЦП-3 Железобетонные элементы. Стойка СЦП-4 Железобетонные элементы. Подпятник П1-3 Железобетонные элементы. Узлы и детали Железобетонные элементы. Закладные детали Д-1 - Д-3 Металлоконструкции. Элементы ростверка Р2, Р42 Металлоконструкции. Полутраверсы Т38, Т39. Основные виды Металлоконструкции. Полутраверсы Т38, Т39. Сечения. Спецификация Металлоконструкции. Полутраверсы Т40, Т45. Основные виды Металлоконструкции. Полутраверсы Т40, Т45. Сечения. Спецификация Металлоконструкции. Доборный элемент Т41 Металлоконструкции. Тросостойка Т42 Металлоконструкции. Оголовки Т43, Т44 Металлоконструкции. Траверса Ц1. Основные виды Металлоконструкции. Траверса Ц1. Сечения 1-1 - 3-3. Фрагменты 1 и 2 Металлоконструкции. Траверса Ц1. Металлические элементы Металлоконструкции. Траверса Ц1. Геометрическая схема. Спецификации Металлоконструкции. Траверса Ц2. Основные виды Металлоконструкции. Траверса Ц2. Сечения. Металлические элементы Металлоконструкции. Подкос Ц3 и хомут Ц4 Металлоконструкции. Молниеприемник Ц5 Металлоконструкции. Молниеприемник Ц6 Металлоконструкции. Оголовок Ц7 и болт шарнира Ц8 Металлоконструкции. Тросостойка Ц9 Металлоконструкции. Траверса Ц2. Спецификации Металлоконструкции. Тросостойка Ц9. Спецификации Металлоконструкции. Оголовок Ц10 Металлоконструкции. Оттяжки Ц11, Ц12, Ц13 Металлоконструкции. Элементы шарнира Ц14, Ц15 Металлоконструкции. Подвески Ц16, Ц17, Ц18 Металлоконструкции. Анкер А2-1 Металлоконструкции. Элементы Ц19 и Ц20 Металлоконструкции. Корпус клинового зажима, клин и коуш Закрепление стоек порталов в грунте. Узлы С-36 - С-55; К-14 - К-25 Закрепление стоек порталов в грунте. Узлы С-56 - С-115 Расчетный лист портала 220 кВ Расчетный лист портала 330 кВ |
| Разработан: | Северо-западное отделение института Энергосетьпроект |
| Утверждён: | 04.11.1974 Минэнерго СССР (USSR Minenergo 225) |
| Чем заменён: |














































