Скачать Типовой проект 402-12-65.86 Альбом I. Пояснительная записка. Чертежи (технологические, архитектурно-строительные, теплоснабжение и вентиляция, водопровод и канализация, электроосвещение, силовое электрооборудование, КИП и автоматика)Дата актуализации: 01.01.2021
|
| Обозначение: | Типовой проект 402-12-65.86 |
| Обозначение англ: | 402-12-65.86 |
| Статус: | не определен законодательством |
| Название рус.: | Альбом I. Пояснительная записка. Чертежи (технологические, архитектурно-строительные, теплоснабжение и вентиляция, водопровод и канализация, электроосвещение, силовое электрооборудование, КИП и автоматика) |
| Дата добавления в базу: | 01.09.2013 |
| Дата актуализации: | 01.01.2021 |
| Дата введения: | 01.04.1985 |
| Дата окончания срока действия: | 30.06.2003 |
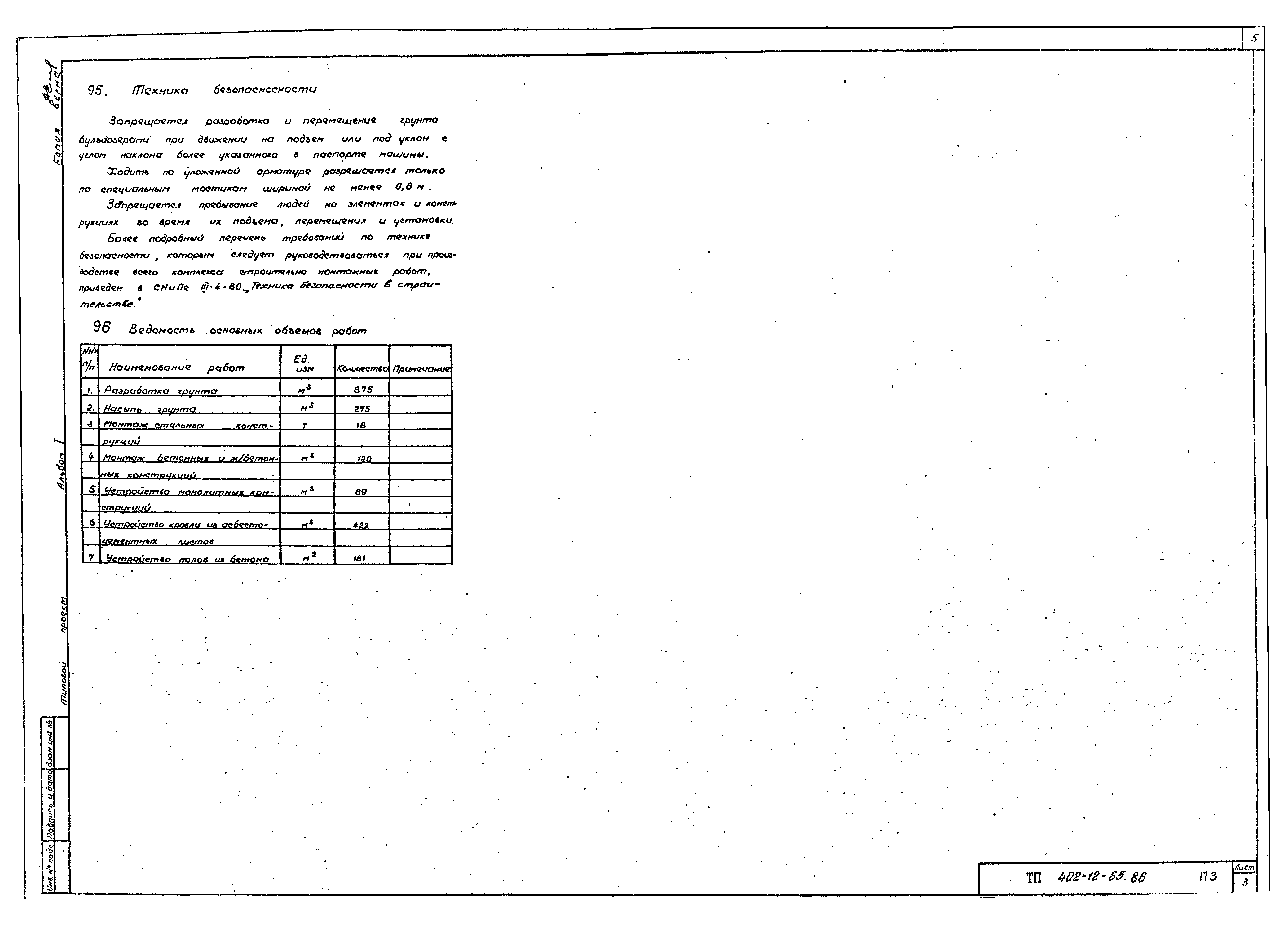
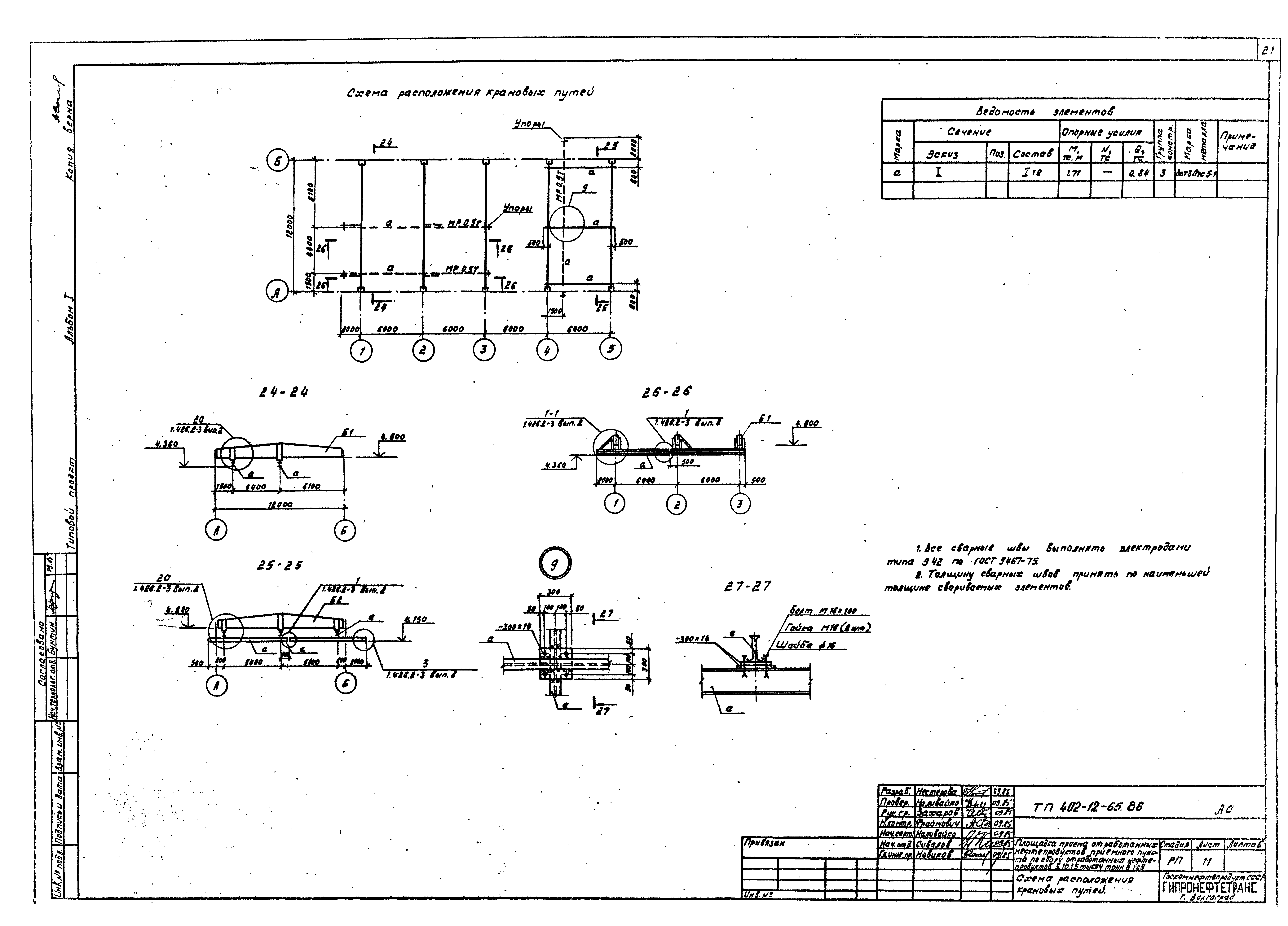
| Оглавление: | Титульный лист Содержание альбома Пояснительная записка Технологическая часть Общие данные План размещения технологического оборудования. Разрезы План-схема размещения оборудования и трубопроводов насосной налива отработанных нефтепродуктов План размещения оборудования для слива в резервуары приема отработанных нефтепродуктов Установка стенда для слива бочек. План. Разрезы Архитектурно-строительная часть Общие данные План на отм. 0.900. Разрезы Схема расположения фундаментов под оборудование насосной на отм. - 1.500 Планы резервуаров ПР-1, ПР-2. Схемы расположения перекрытий резервуаров ПР-1, ПР-2 Схема расположения фундаментов и элементов каналов. Сечения Узлы фундаментов 2, 3, 4. Ниши Н1, Н2 Монолитные фундаменты Фм1, Фм2. Армирование Схемы расположения колонн, балок покрытия, асбестоцементных листов покрытия. Узлы Схемы расположения крановых путей Схемы расположения ограждения площадки и насосной, металлических площадок, лестницы Балки Б1, Б2 Изделие закладное МН1. Сборочный чертеж Изделие закладное МН2. Сборочный чертеж Щит Щ1. Сборочный чертеж Ручка Изделие закладное МН6. Сборочный чертеж Стойка СК1. Сборочный чертеж Теплоснабжение и вентиляция Общие данные Вентиляция. Пароснабжение. План. Схема системы П1. Схема системы пароснабжения Водопровод и канализация Общие данные План на отм. 0.900. Схемы систем В1, К3 Электроосвещение Общие данные. Спецификация оборудования План освещения. Разрез, эскизы Силовое электрооборудование Общие данные. Спецификация оборудования План силового электрооборудования. Разрез КИП и автоматика Общие данные. Схема автоматизации насоса №5. Схема управления насосом №5 |
| Разработан: | Гипронефтетранс |
| Утверждён: | 12.09.1984 Госкомнефтепродукт СССР (24-11/24) |



































