Скачать Типовой проект 411-9-10.85 Альбом IV. Книга 1. Сметы. Склад тип IДата актуализации: 01.01.2021
|
| Обозначение: | Типовой проект 411-9-10.85 |
| Обозначение англ: | 411-9-10.85 |
| Статус: | не определен законодательством |
| Название рус.: | Альбом IV. Книга 1. Сметы. Склад тип I |
| Дата добавления в базу: | 01.10.2014 |
| Дата актуализации: | 01.01.2021 |
| Дата введения: | 24.09.1984 |
| Дата окончания срока действия: | 30.06.2003 |
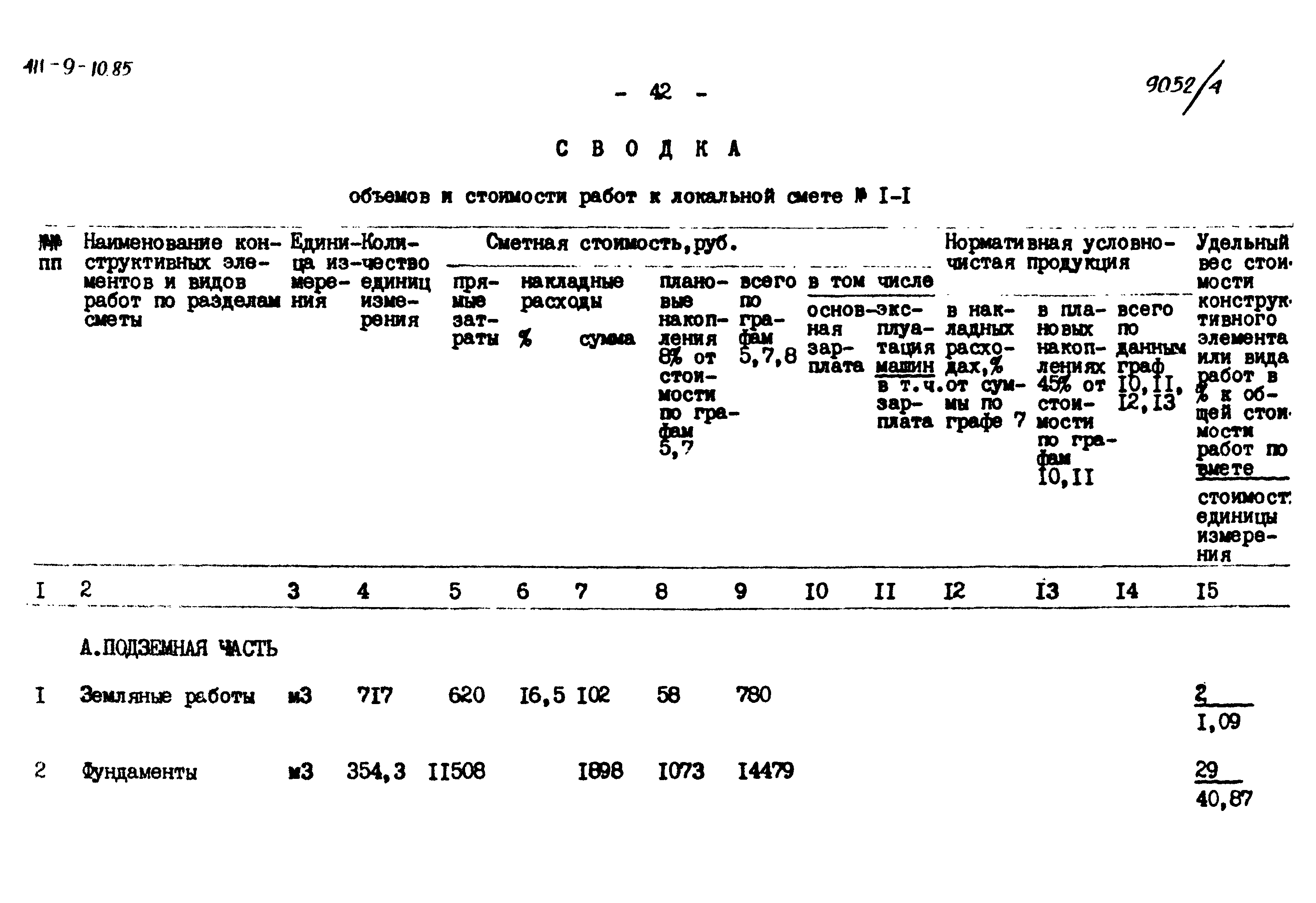
| Оглавление: | Пояснительная записка Объектная смета Сметы по основному варианту Локальная смета № 1-1. Общестроительные работы Локальная смета № 1-2. Хозяйственно-питьевой и противопожарный водопровод Локальная смета № 1-3. Канализация Локальная смета № 1-4. Вентиляция Локальная смета № 1-5. Отопление Локальная смета № 1-6. Узел управления Локальная смета № 1-7. Электроосвещение Расчет № 2 транспортных расходов на оборудование Локальная смета № 1-8. Электросиловое оборудование Локальная смета № 1-9. Технологическое оборудование Сметы по вариантам Локальная смета № 1-1-1. Общестроительные работы (вариант для Т = минус 20 градусов Цельсия) Локальная смета № 1-1-2. Общестроительные работы (вариант для Т = минус 40 градусов Цельсия) Локальная смета № 1-5-1. Отопление (вариант для Т = минус 20 градусов Цельсия) Локальная смета № 1-5-2. Отопление (вариант для Т = минус 40 градусов Цельсия) Локальная смета № 1-6-1. Узел управления (вариант для Т = минус 20 градусов Цельсия) Локальная смета № 1-6-2. Узел управления (вариант для Т = минус 40 градусов Цельсия) Приложение к смете № 1-1. Фундаменты из сборных блоков Ведомость потребности в производственных ресурсах |
| Разработан: | Киевский филиал Союзгипролесхоз |
| Утверждён: | 06.08.1984 Гослесхоз СССР (USSR Gosleskhoz 11) |

























































































































































