Скачать Серия 4.901-25 Выпуск 1. Монтажные чертежиДата актуализации: 01.01.2021
|
| Обозначение: | Серия 4.901-25 |
| Обозначение англ: | Series 4.901-25 |
| Статус: | отменен |
| Название рус.: | Выпуск 1. Монтажные чертежи |
| Дата добавления в базу: | 01.09.2013 |
| Дата актуализации: | 01.01.2021 |
| Дата введения: | 07.12.1984 |
| Дата окончания срока действия: | 01.03.1996 |
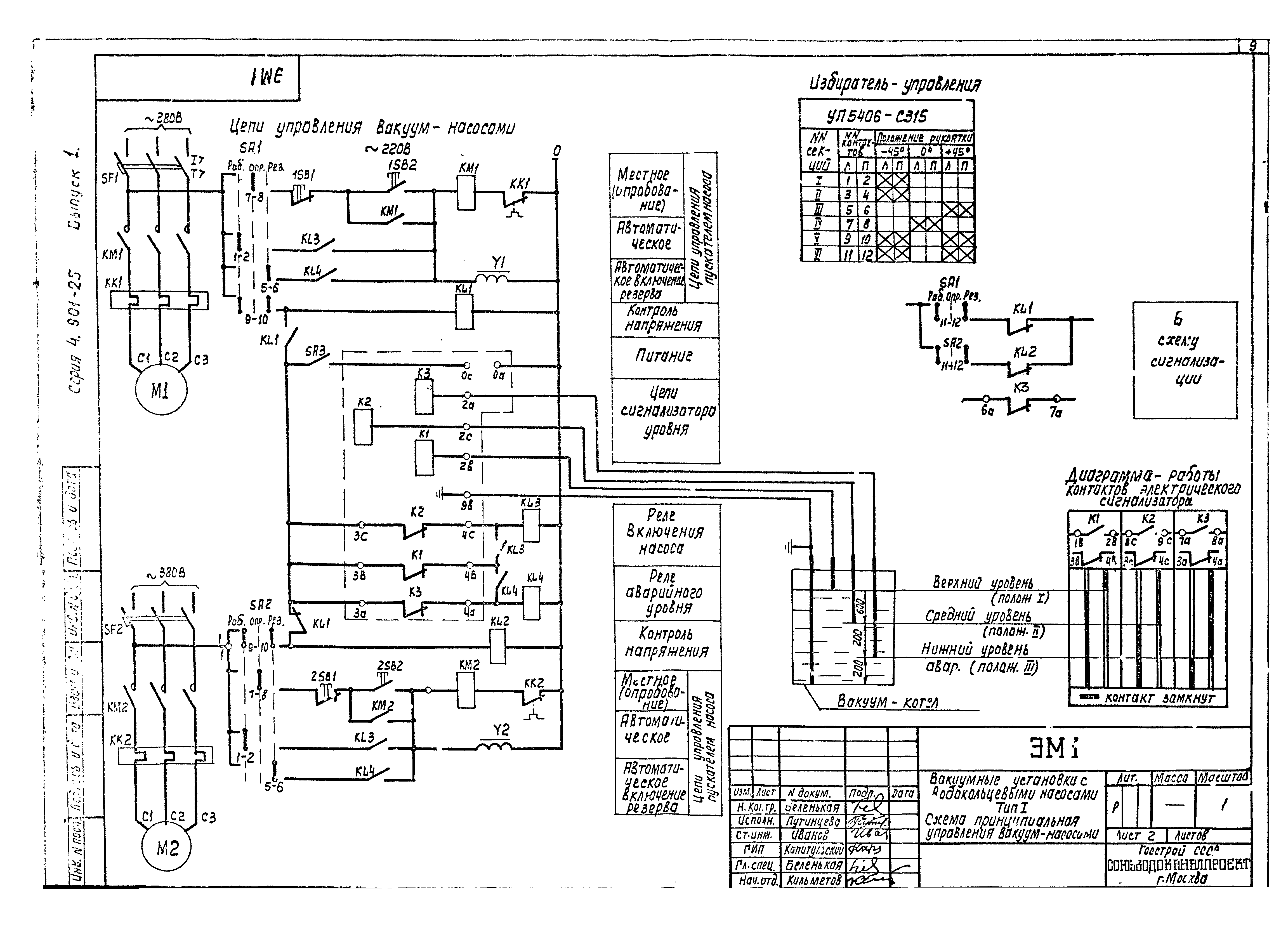
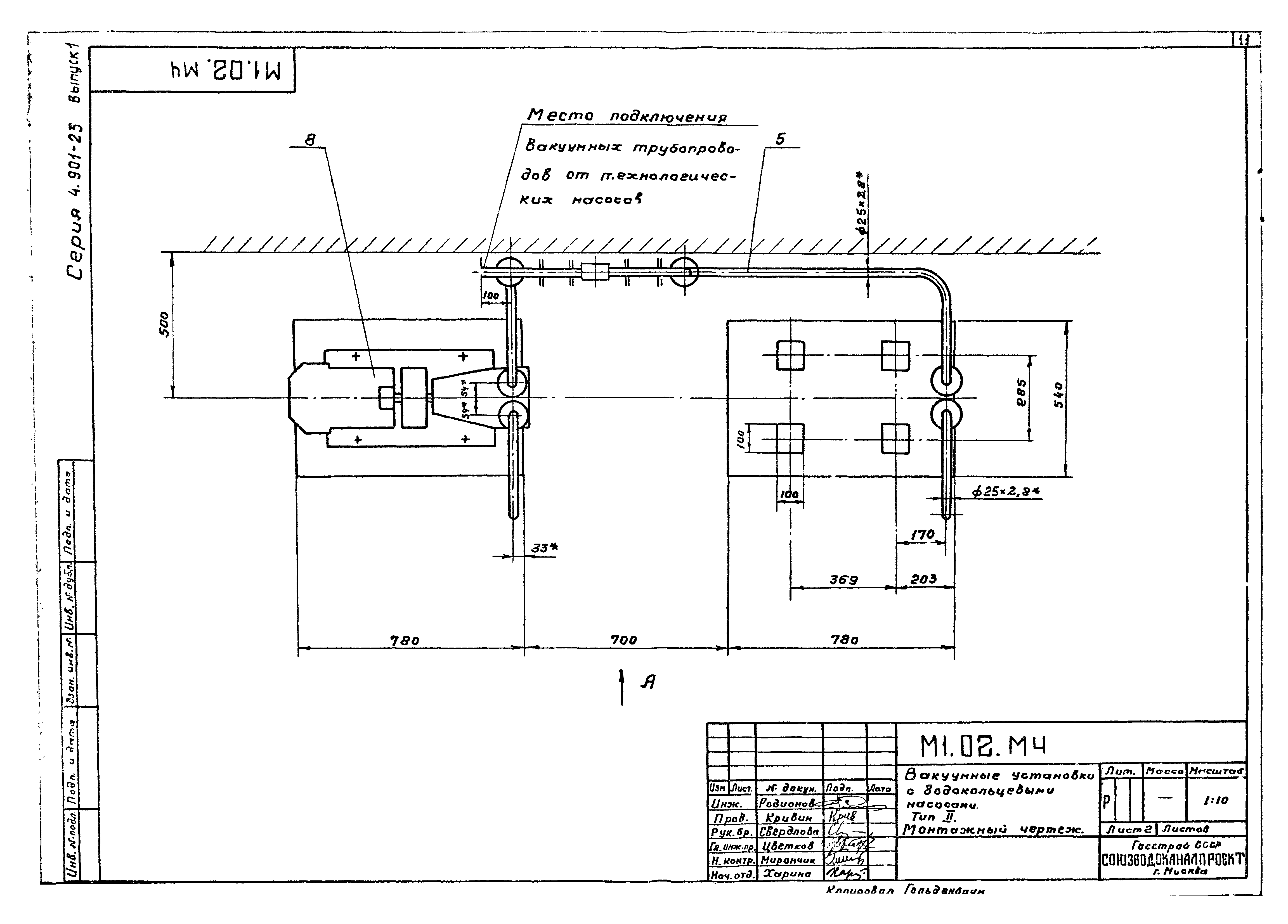
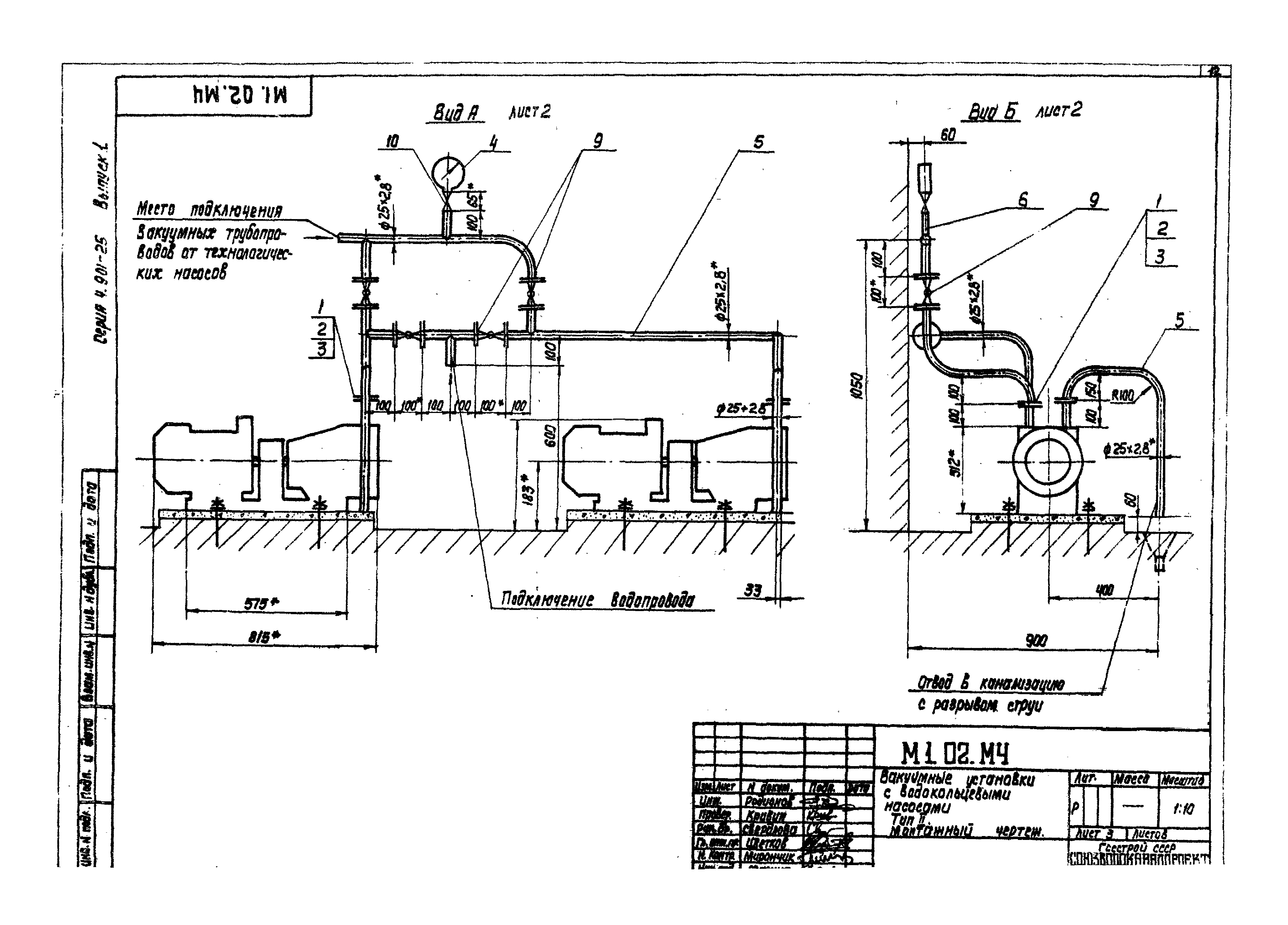
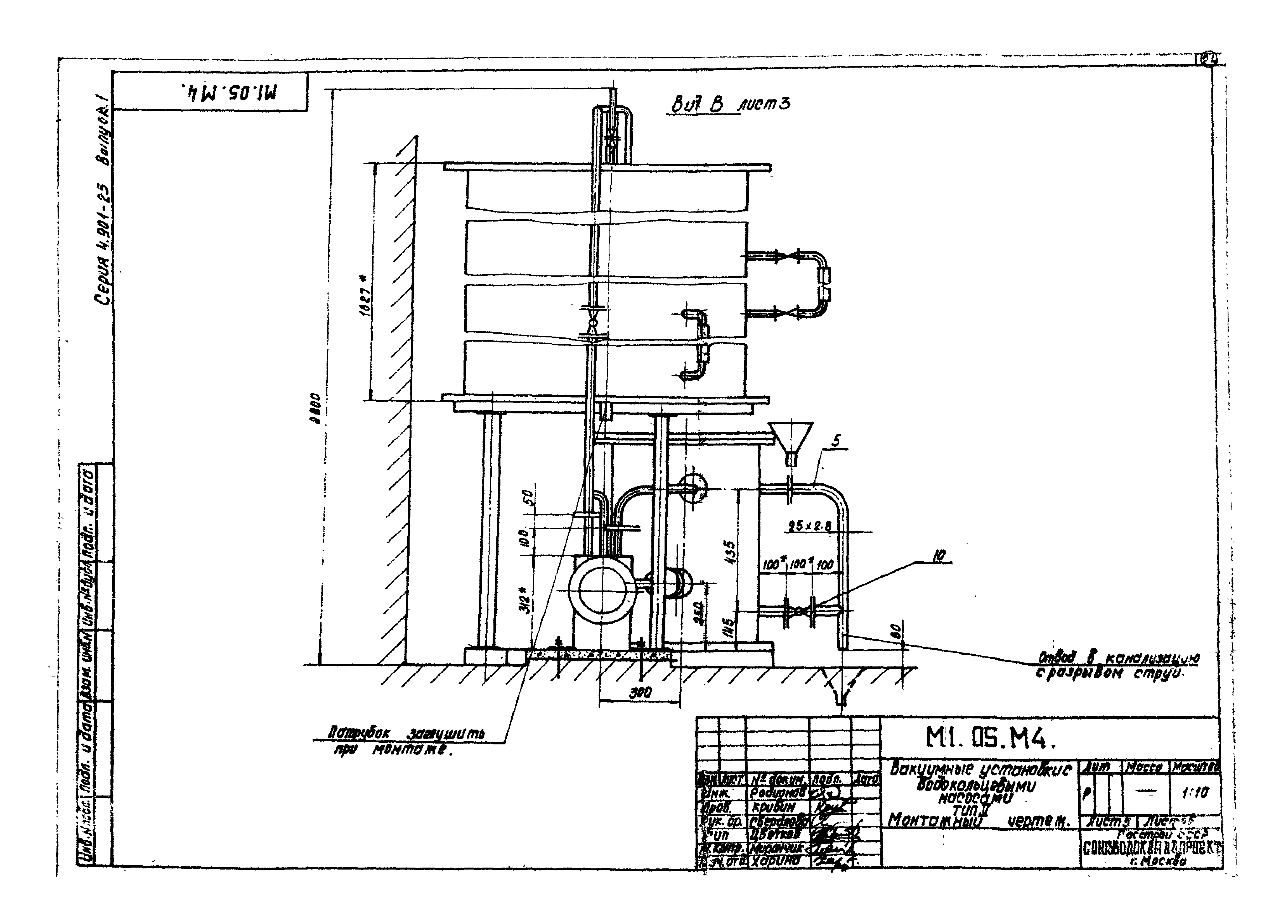
| Оглавление: | Содержание альбома Вакуумные установки с водокольцевыми насосами. Тип I. Монтажный чертеж Схема принципиальная управления вакуум-насосами Вакуумные установки с водокольцевыми насосами. Тип II. Монтажный чертеж Вакуумные установки с водокольцевыми насосами. Тип III. Монтажный чертеж Вакуумные установки с водокольцевыми насосами. Тип IV. Монтажный чертеж Вакуумные установки с водокольцевыми насосами. Тип V. Монтажный чертеж |
| Разработан: | Союзводоканалпроект |
| Утверждён: | 07.12.1984 СоюзводоканалНИИпроект (SoyuzvodokanalNIIproject 276) |
























