Скачать Типовые проектные решения 407-03-338.83 Альбом I. Пояснительная записка и указания по применению типовых проектов 407-3-339 - 407-3-342Дата актуализации: 01.01.2021
|
| Обозначение: | Типовые проектные решения 407-03-338.83 |
| Обозначение англ: | 407-03-338.83 |
| Статус: | не действует |
| Название рус.: | Альбом I. Пояснительная записка и указания по применению типовых проектов 407-3-339 - 407-3-342 |
| Дата добавления в базу: | 01.09.2013 |
| Дата актуализации: | 01.01.2021 |
| Дата окончания срока действия: | 01.01.1988 |
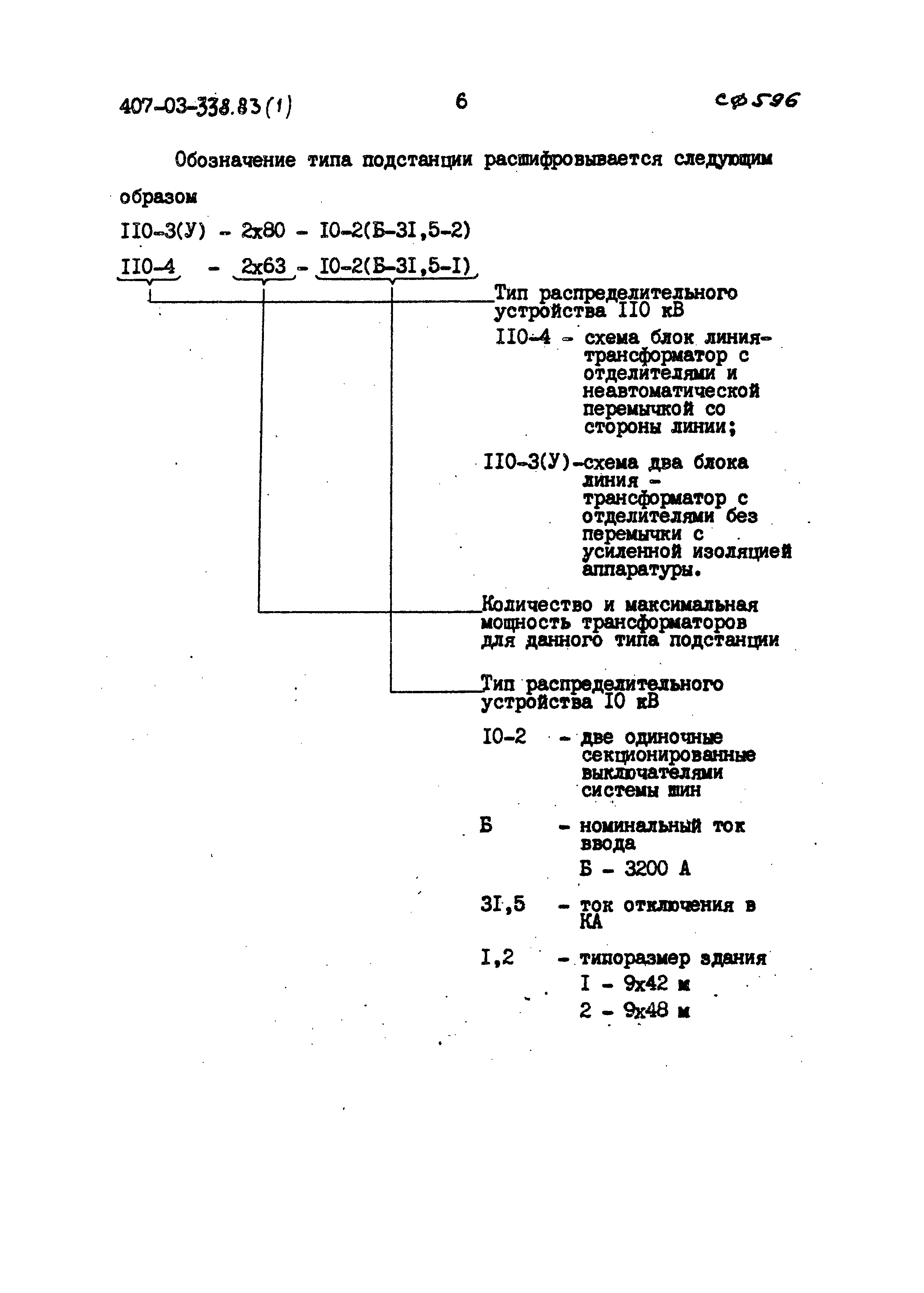
| Оглавление: | Содержание альбома 1. Общая часть 2. Краткое содержание типовых проектов 3. Электротехническая часть 4. Архитектурно-строительная и санитарно-техническая часть 5. Организация строительно-монтажных работ 6. Индустриализация электромонтажных работ 7. Механизация транспортировки и установки тяжелого и крупногабаритного электрооборудования 8. Указания по применению типовых проектов 9. Показания изменения сметной стоимости строительно-монтажных работ, затрат труда и расхода основных строительных материалов Таблицы |
| Разработан: | Электропроект Минмонтажспецстроя СССР |
| Утверждён: | 14.12.1982 Министерство монтажных и специальных строительных работ СССР (USSR Ministry of Industrial Installations and Military Construction ) |



































