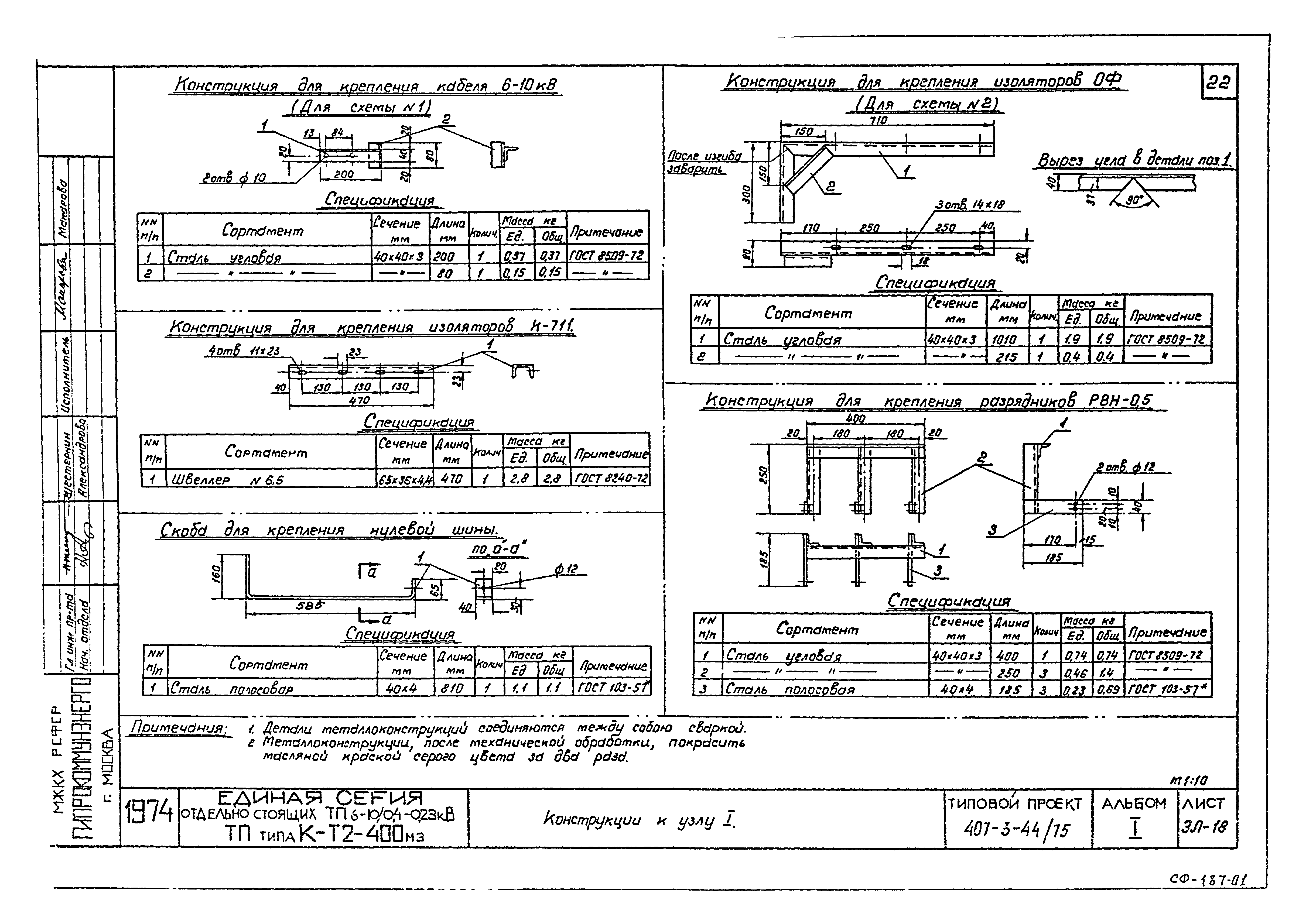
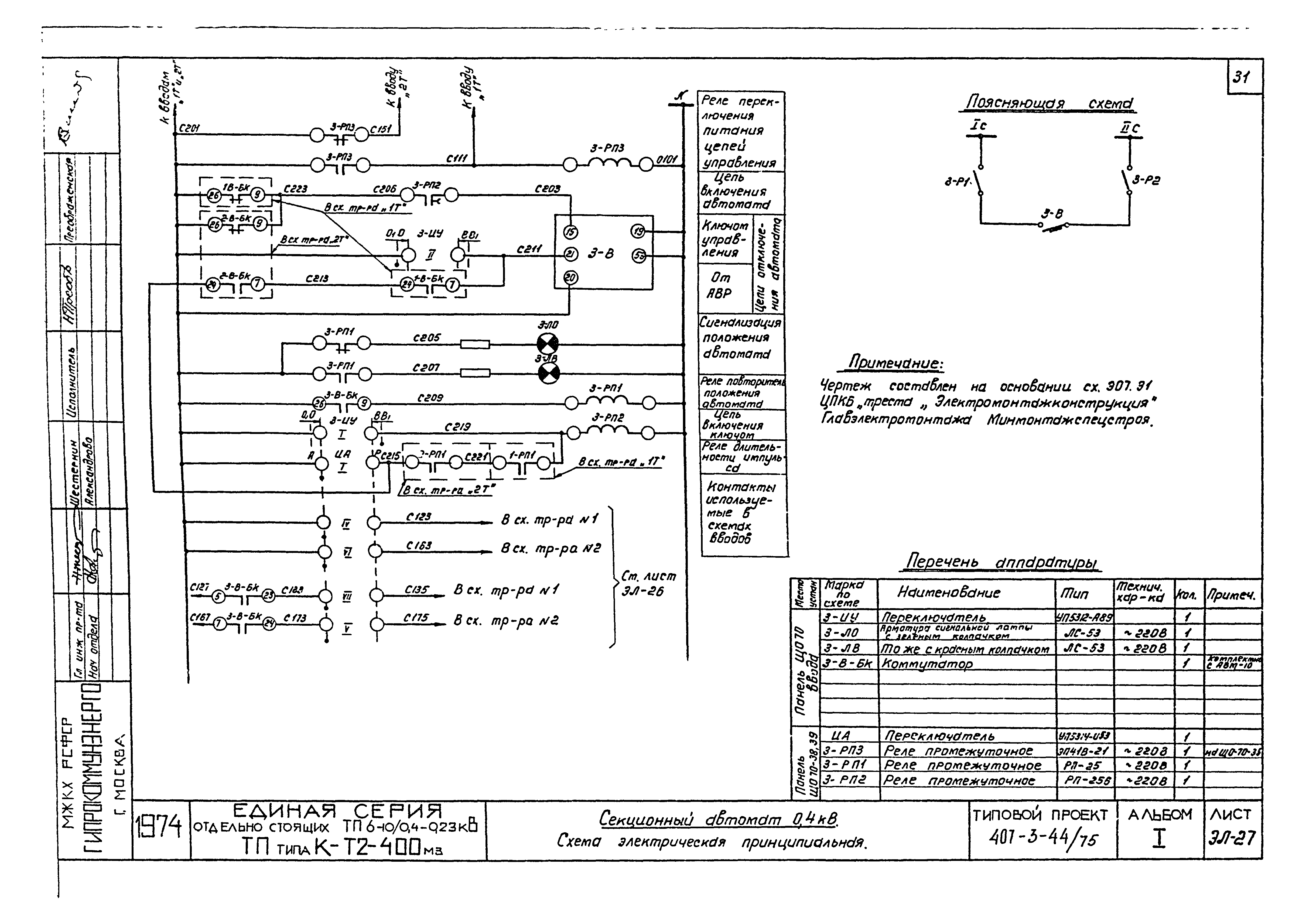
Скачать Типовой проект 407-3-44/75 Альбом I. Электротехническая и архитектурно-строительная частиДата актуализации: 01.01.2021 Типовой проект 407-3-44/75
Альбом I. Электротехническая и архитектурно-строительная части| Обозначение: | Типовой проект 407-3-44/75 | | Обозначение англ: | 407-3-44/75 | | Статус: | не действует | | Название рус.: | Альбом I. Электротехническая и архитектурно-строительная части | | Дата добавления в базу: | 01.02.2017 | | Дата актуализации: | 01.01.2021 | | Дата введения: | 16.06.1975 | | Дата окончания срока действия: | 01.01.1988 | | Разработан: | Гипрокоммунэнерго
| | Утверждён: | 02.09.1974 Минжилкомхоз РСФСР (Russian Federation Minzhilkomkhoz 22тд)
| | Заменяет собой: | |
                                                       
|