Скачать Удельные показатели трудозатрат на тепломонтажные работы при сооружении атомных электрических станций с реакторами ВВЭР-1000 и РБМК-1000Дата актуализации: 01.01.2021
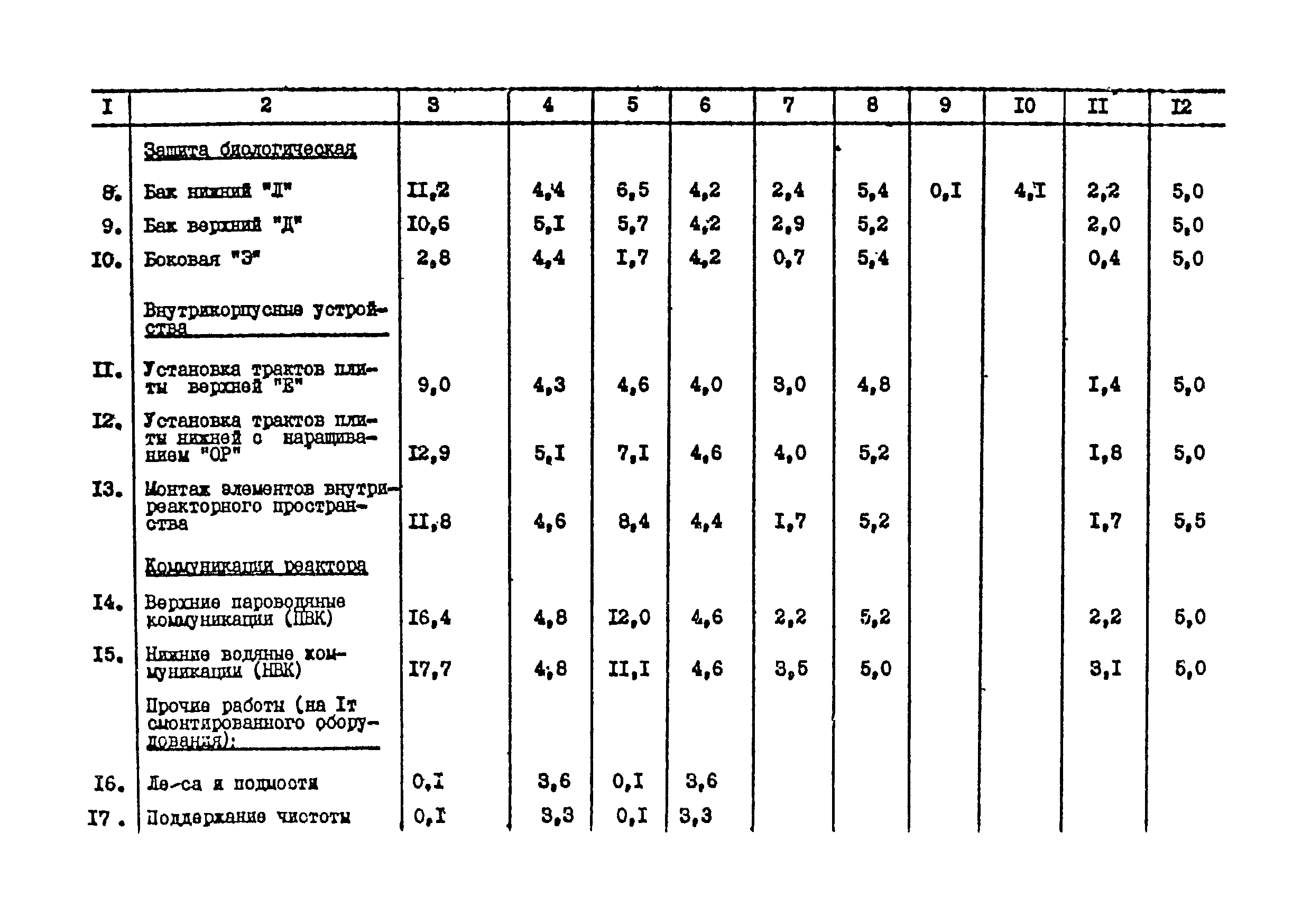
Удельные показатели трудозатрат на тепломонтажные работы при сооружении атомных электрических станций с реакторами ВВЭР-1000 и РБМК-1000| Статус: | действует | | Название рус.: | Удельные показатели трудозатрат на тепломонтажные работы при сооружении атомных электрических станций с реакторами ВВЭР-1000 и РБМК-1000 | | Дата добавления в базу: | 01.09.2013 | | Дата актуализации: | 01.01.2021 | | Область применения: | Удельные показатели трудозатрат предназначены для осуществления низового планирования (на уровне бригады, участка, производственной единицы), внедрения коллективного подряда, определения проектной и нормативной трудоемкости сооружения АЭС, планирования выработки в натуральных измерителях, планирования производительности труда, определения численного и квалификационного состава рабочих, разработки графиков производства работ и движения рабочей силы. | | Оглавление: | I Общая часть II Удельные показатели трудозатрат на тепломонтажные работы при сооружении атомных электрических станций с реакторами ВВЭР-1000 1 Монтаж реактора ВВЭР-1000 2 Монтаж оборудования реакторного отделения 3 Монтаж турбоустановки 4 Монтаж оборудования машинного и деаэраторного отделений 5 Монтаж трубопроводов главного корпуса 6 Монтаж оборудования спецкорпуса 7 Монтаж вспомогательных сооружений III Удельные показатели трудозатрат на тепломонтажные работы при сооружении атомных электрических станций с реакторами РБМК-1000 8 Монтаж реактора РБМК-1000 9 Монтаж оборудования реакторного отделения 10 Монтаж турбоустановки 11 Монтаж оборудования машинного и деаэраторного отделений 12 Монтаж трубопроводов главного корпуса 13 Монтаж оборудования спецводоочистки 14 Монтаж вспомогательных сооружений IV Удельные показатели трудозатрат на вентиляционные работы при сооружении атомных электрических станций с реакторами ВВЭР-1000 и РБМК-1000 15 Монтаж оборудования 16 Монтаж воздуховодов 17 Монтаж комплектующих изделий | | Разработан: | Энергостройтруд Минэнерго СССР
| | Издан: | Энергостройтруд (1988 г. )
|
                                               
|