Скачать Рекомендации по проектированию и применению самоанкерующихся конических болтов для крепления строительных конструкций и оборудованияДата актуализации: 01.01.2021 |
| Статус: | справочные материалы, мп, тпр |
| Название рус.: | Рекомендации по проектированию и применению самоанкерующихся конических болтов для крепления строительных конструкций и оборудования |
| Дата добавления в базу: | 01.09.2013 |
| Дата актуализации: | 01.01.2021 |
| Область применения: | Рекомендации содержат основные положения по проектированию и применению анкерных устройств (самоанкерущихся конических болтов) для крепления строительных конструкций и оборудования. Приведены указания по способам установки конических болтов, выбору необходимого оборудования, примеры расчета. Рекомендации предназначены для инженерно—технических работников строительных и проектных организаций. |
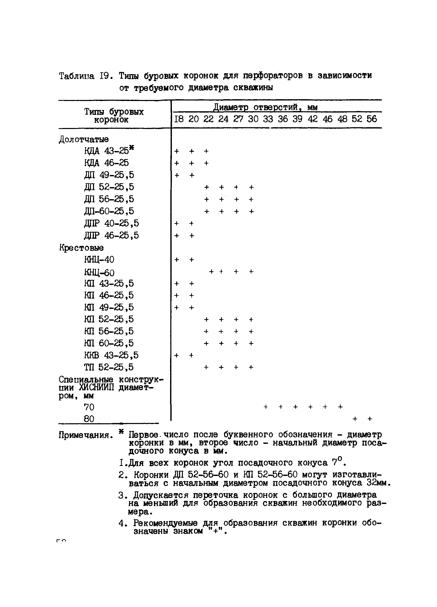
| Оглавление: | Предисловие 1. Общие положения и область применения 2. Конструкция и размеры самоанкерующихся конических болтов 3. Расчет самоанкерующихся конических болтов 4. Технология и способы установки самоанкерующихся конических болтов Приложение 1 Геометрические размеры самоанкерукщихся конических болтов с цементной зачеканкой (тип I) и диаметры скважин для них Приложение 2 Геометрические размеры самоанкерующихся конических болтов с цангами (тип II) и диаметры скважин для них Приложение 3 Конструкция и геометрические характеристики втулок для восприятия поперечных (сдвигающих) усилий Приложение 4 Примеры расчета самоанкерующихся конических болтов Приложение 5 Механизированный инструмент для образования скважин в бетоне и железобетоне Приложение 6 Экономические показатели применения самоанкерущихся конических болтов Приложение 7 Инструмент для затяжки фундаментных болтов |
| Разработан: | НИИЖБ Госстроя СССР |
| Утверждён: | 06.04.1988 НИИЖБ Госстроя СССР (NIIZhB, USSR Gosstroy ) |
| Нормативные ссылки: |
|































































