Скачать Типовой проект 409-23-54.87 Альбом 7. Автоматизация технологии производства. Автоматизация отопления и вентиляцииДата актуализации: 01.01.2021
|
| Обозначение: | Типовой проект 409-23-54.87 |
| Обозначение англ: | 409-23-54.87 |
| Статус: | не определен законодательством |
| Название рус.: | Альбом 7. Автоматизация технологии производства. Автоматизация отопления и вентиляции |
| Дата добавления в базу: | 01.10.2014 |
| Дата актуализации: | 01.01.2021 |
| Дата введения: | 22.10.1987 |
| Дата окончания срока действия: | 30.06.2003 |
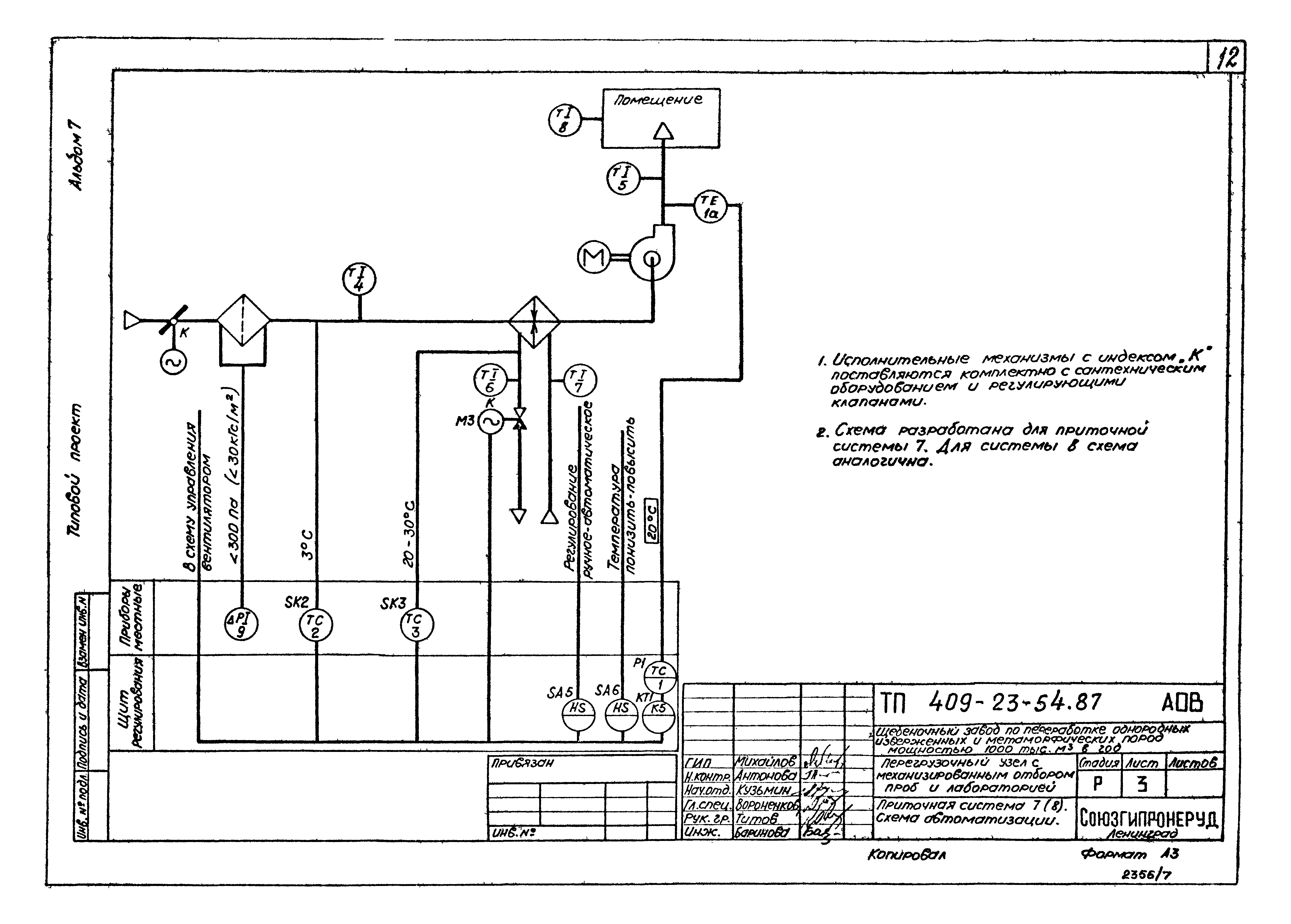
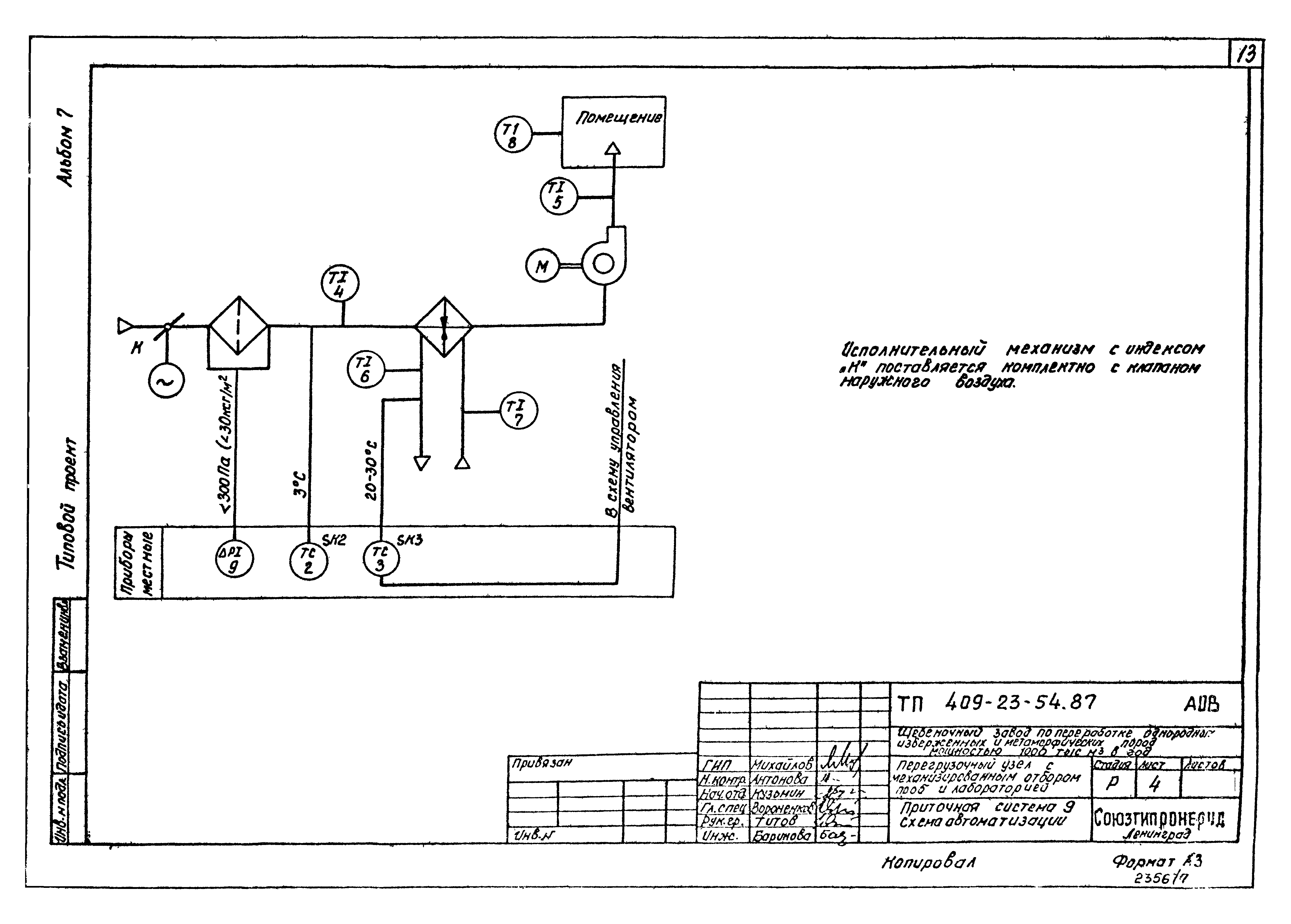
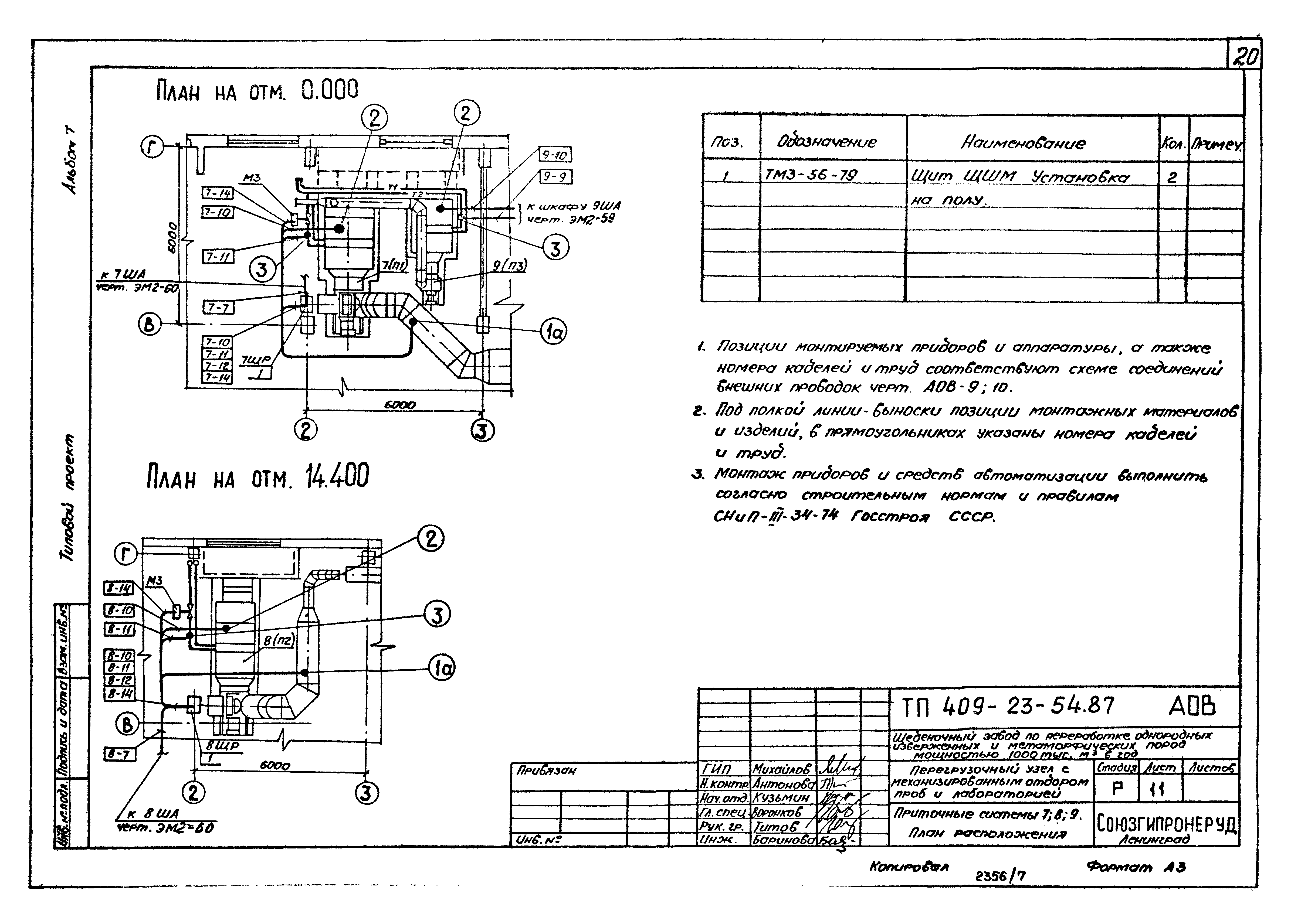
| Оглавление: | Пояснительная записка Автоматизация технологии производства Общие данные Аспирационная система А1(А2, А9, А10). Схема автоматизации Аспирационная система А1(А2, А9, А10). Схема соединений внешних проводок Аспирационная система А1, А2, А10. План расположения Аспирационная система А9. План расположения Автоматизация отопления и вентиляции Общие данные Приточная система 7(8). Схема автоматизации Приточная система 9. Схема автоматизации Приточная система 7(8). Схема принципиальная регулирования Приточная система 9. Схема принципиальная регулирования Приточная система 7(8). Схема соединений внешних проводок Приточная система 9. Схема соединений внешних проводок Приточные системы 7, 8, 9. План расположения Щит регулирования 7ЩР(8ЩР). Схема подключения Задание заводу-изготовителю Главмонтажавтоматики Ведомость документов |
| Разработан: | Союзгипронеруд |
| Утверждён: | 19.07.1987 Минстройматериалов СССР (USSR Minstroymaterialov 28-15481) |
| Заменяет собой: |
|





























