Скачать Типовой проект 416-9-33.87 Альбом II. Технологические решения. Электротехническая часть. Автоматизация санитарно-технических систем. Связь и сигнализацияДата актуализации: 01.01.2021
|
| Обозначение: | Типовой проект 416-9-33.87 |
| Обозначение англ: | 416-9-33.87 |
| Статус: | не действует |
| Название рус.: | Альбом II. Технологические решения. Электротехническая часть. Автоматизация санитарно-технических систем. Связь и сигнализация |
| Дата добавления в базу: | 01.09.2013 |
| Дата актуализации: | 01.01.2021 |
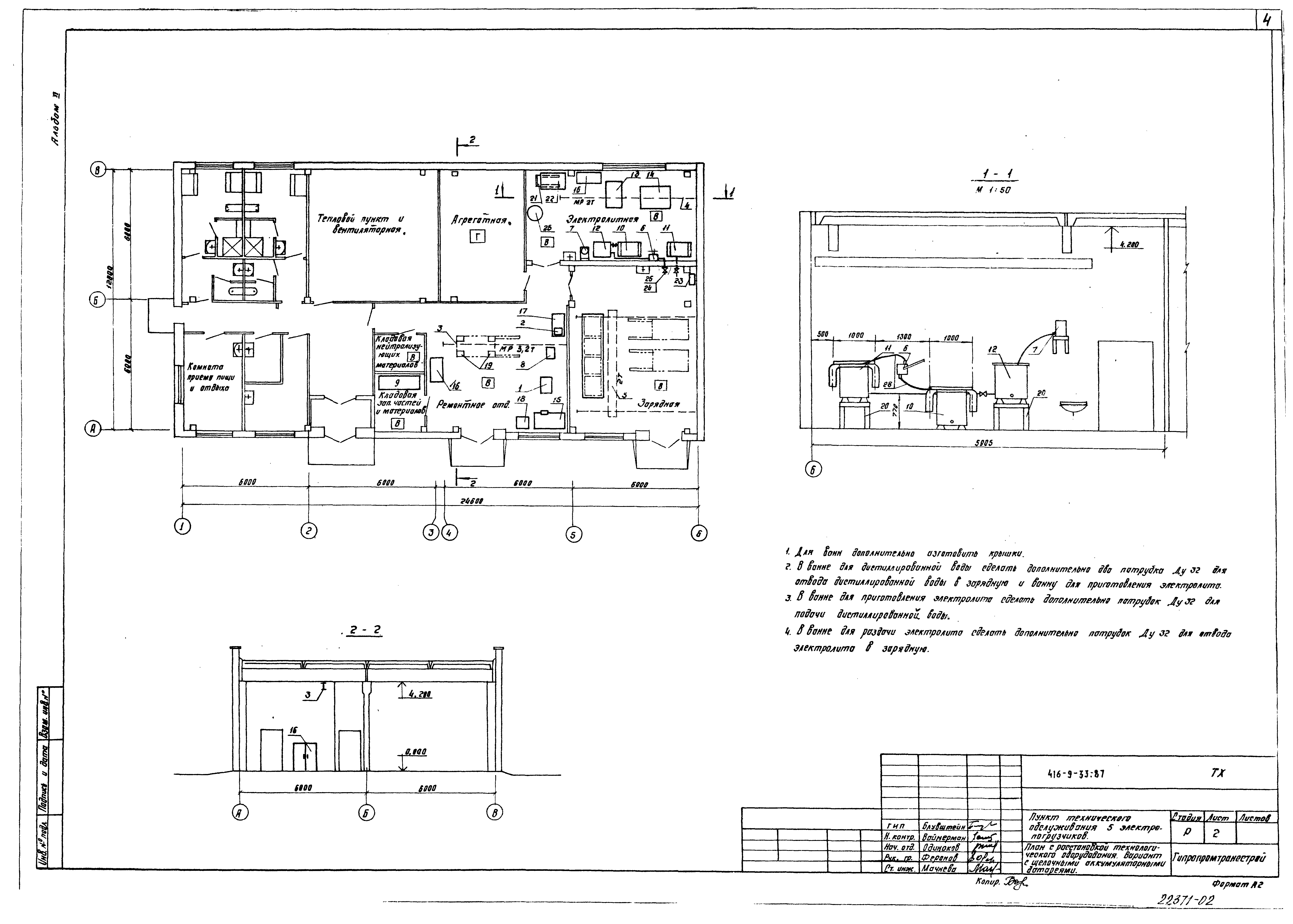
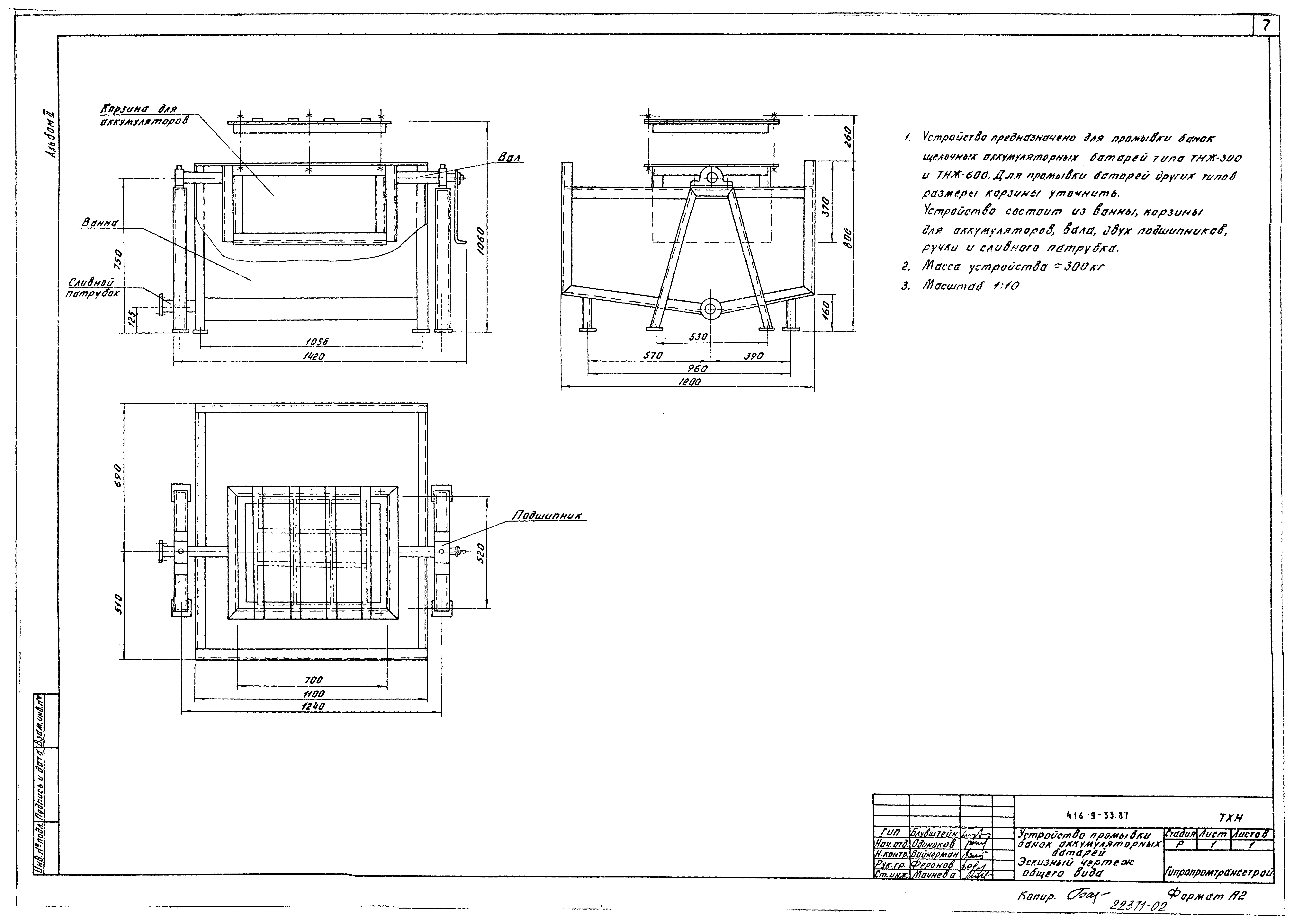
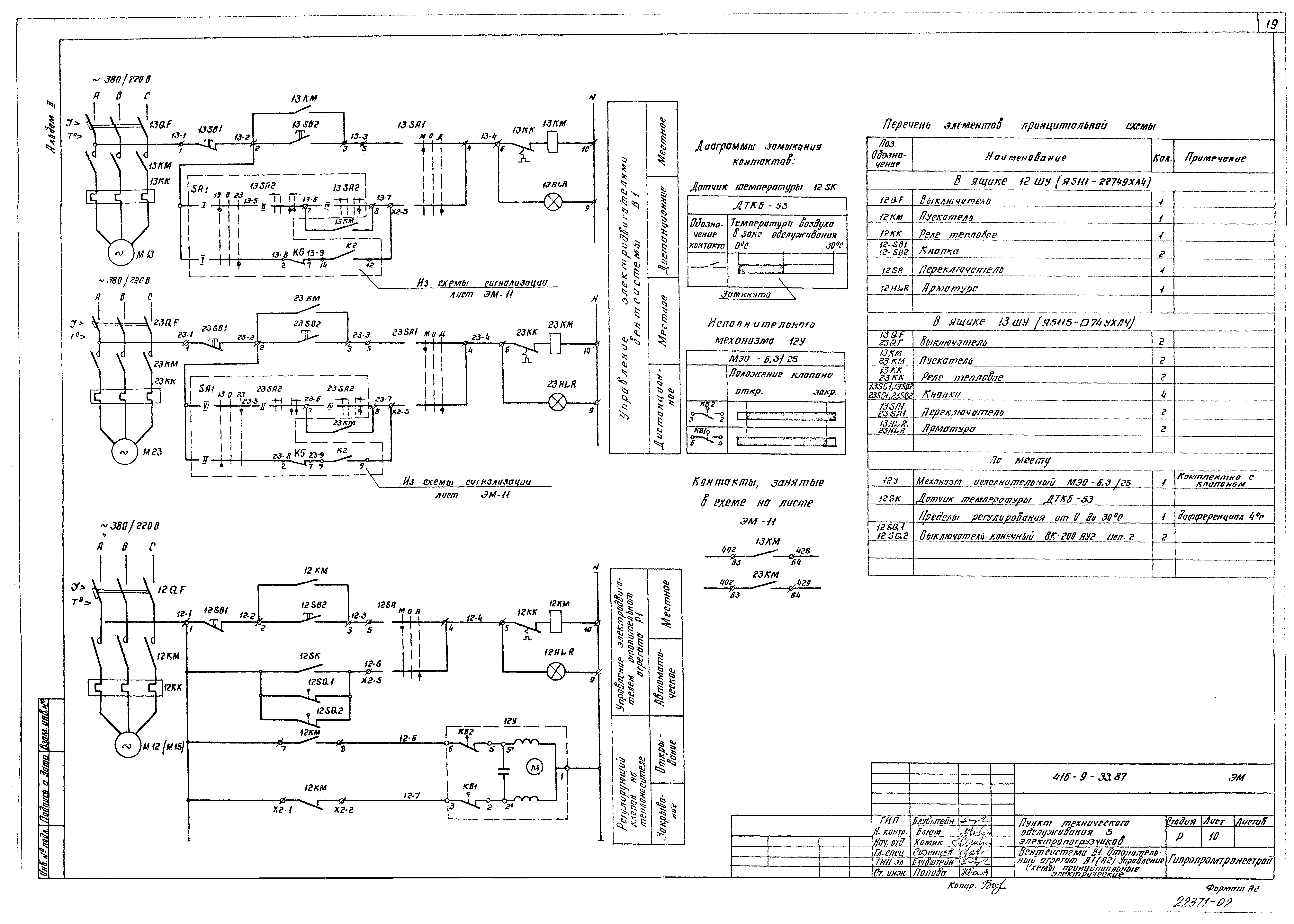
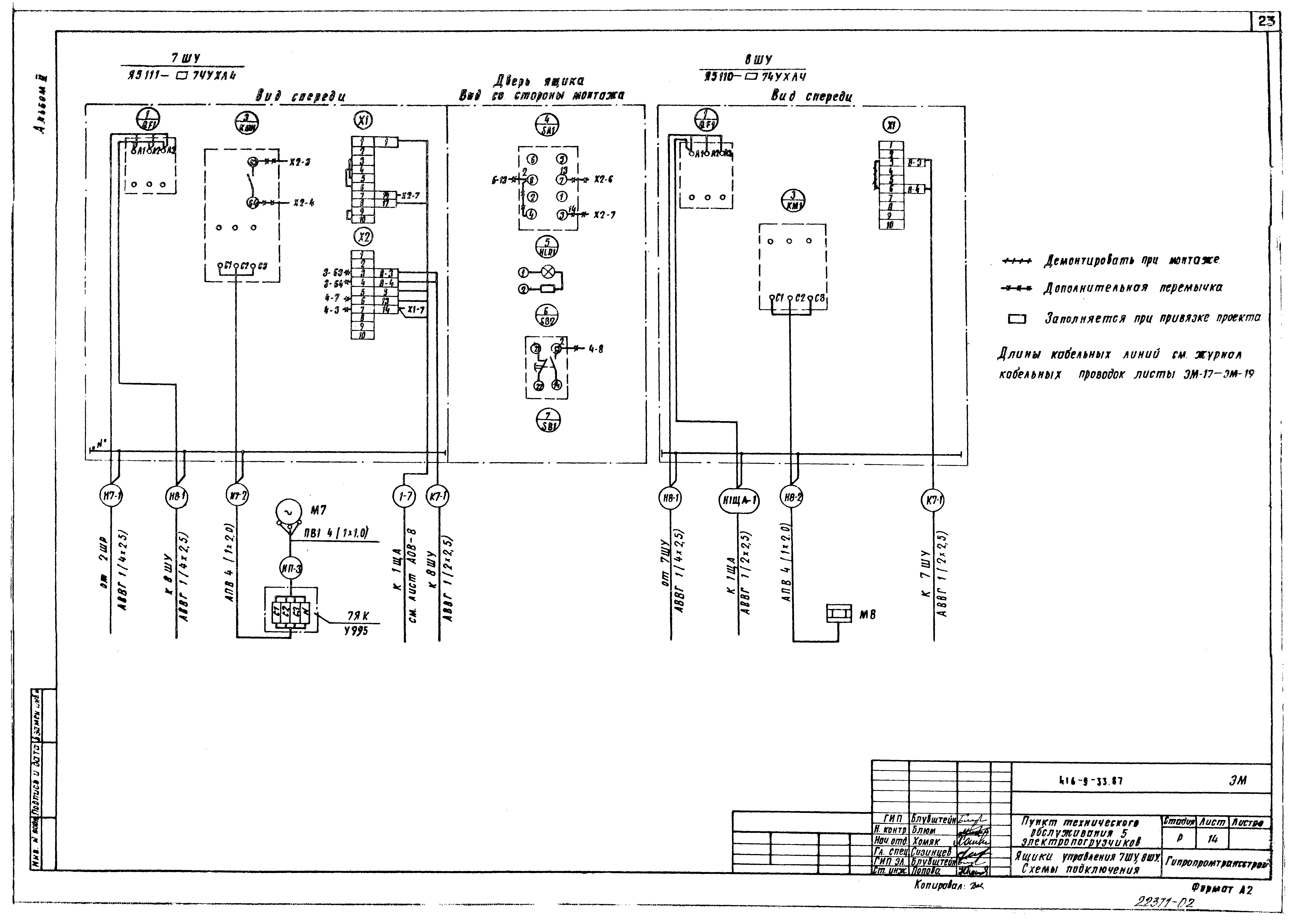
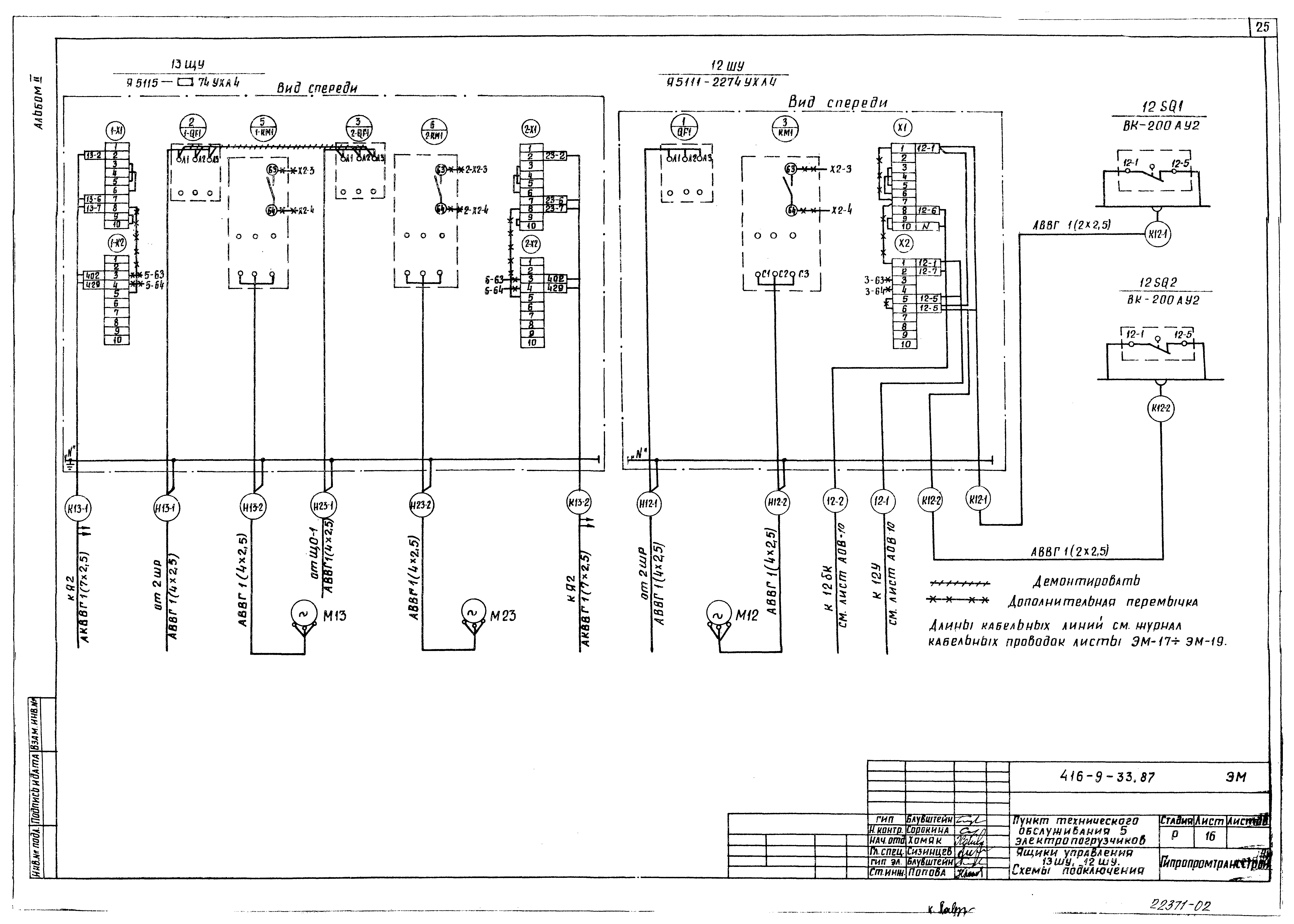
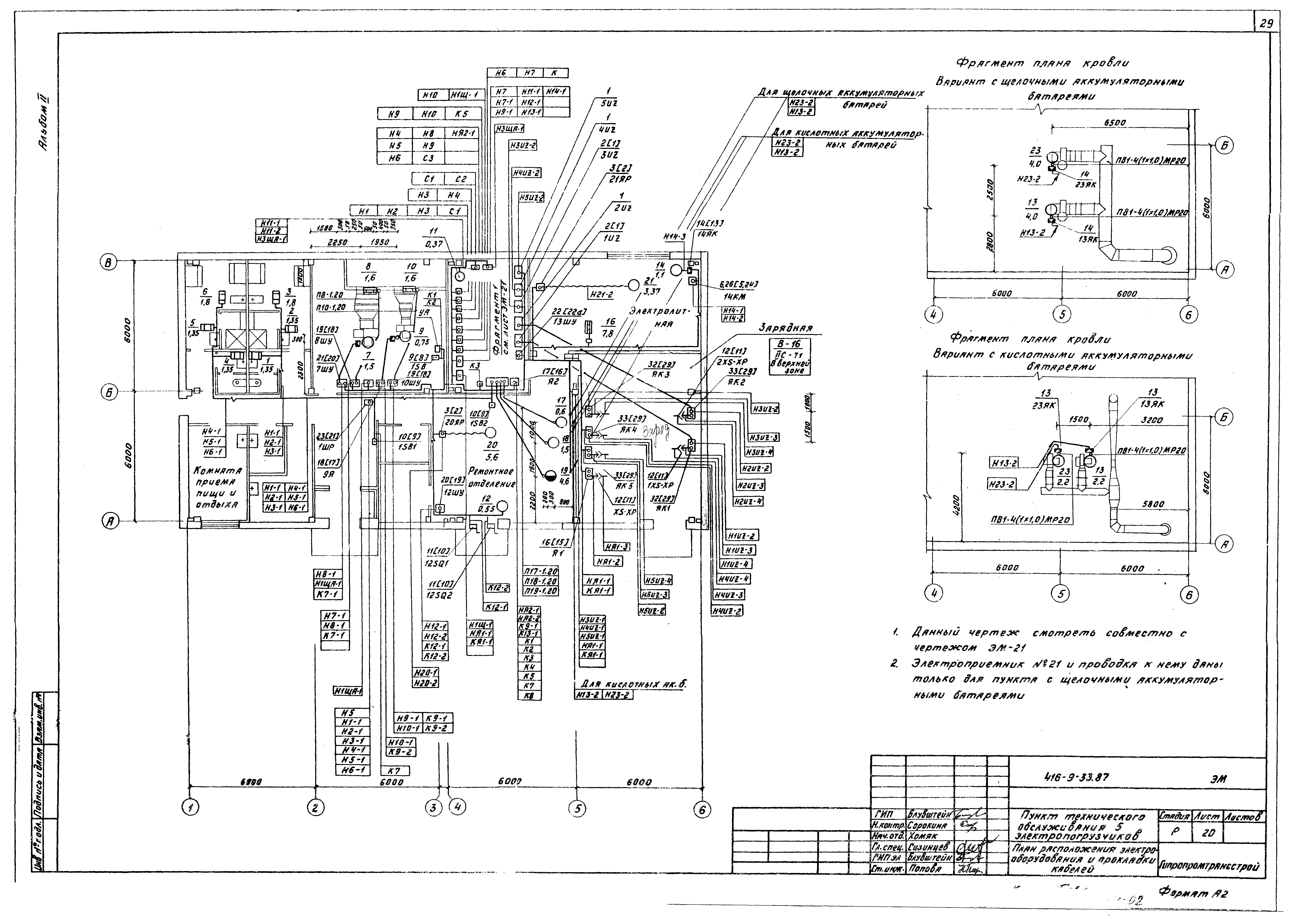
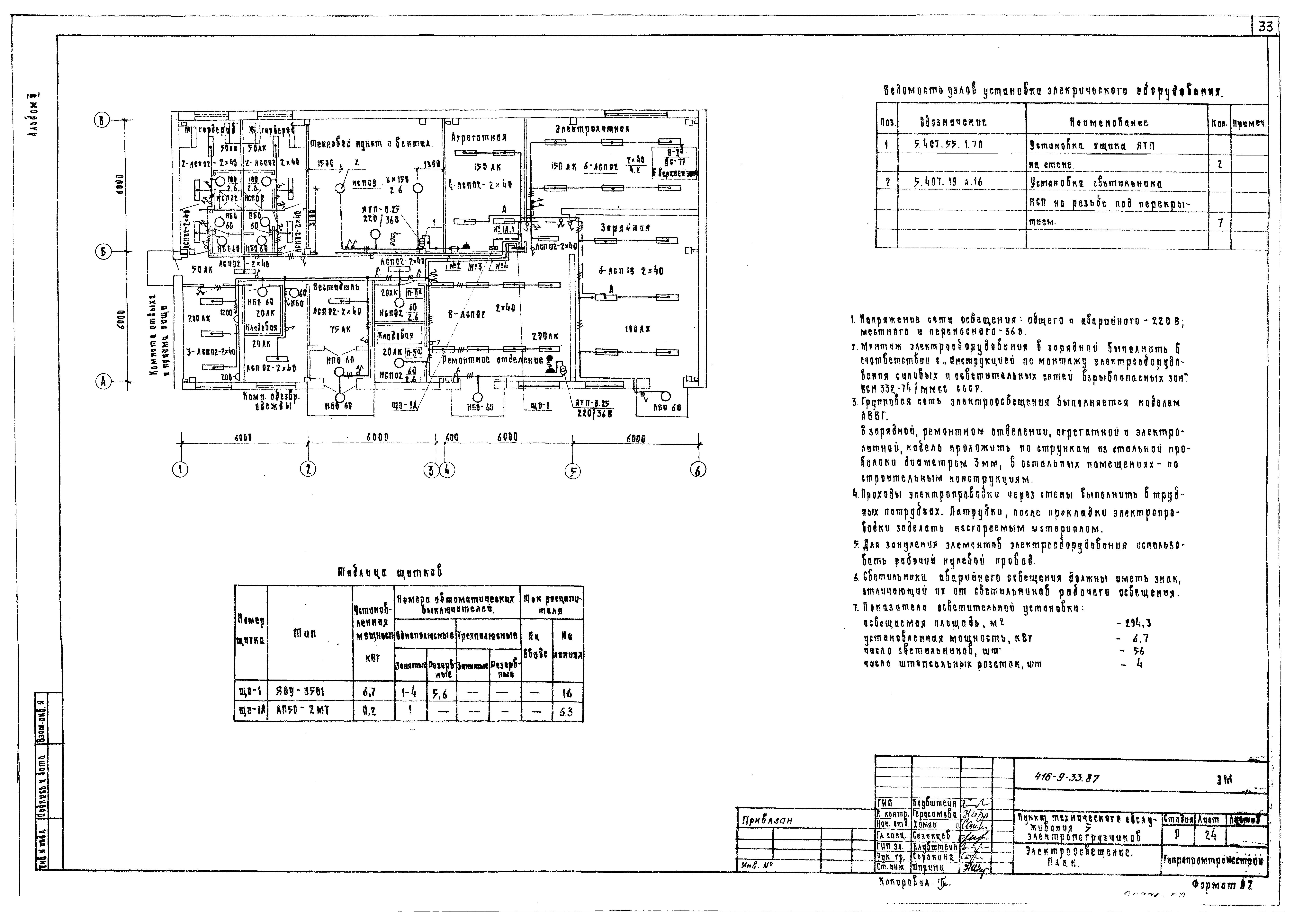
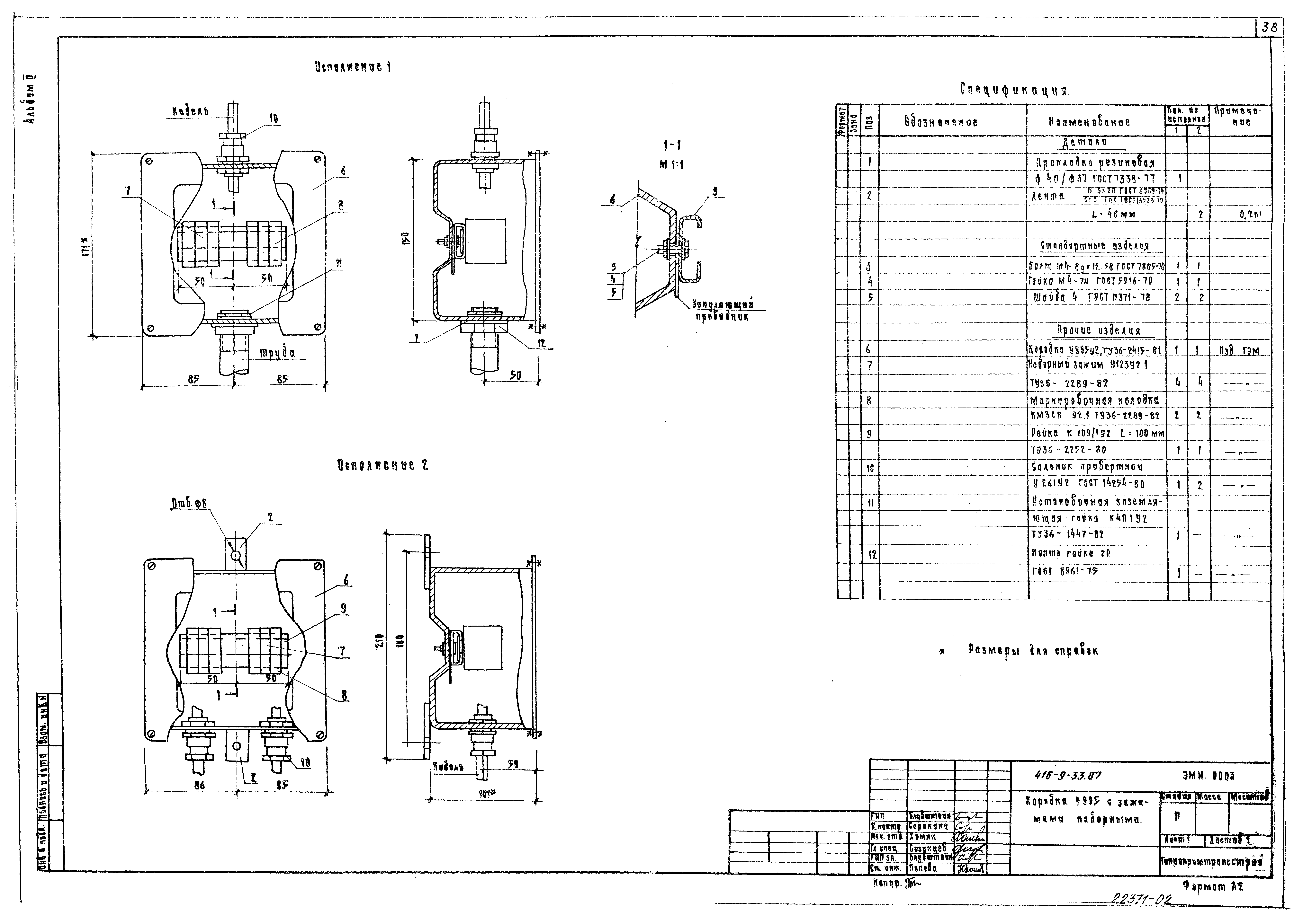
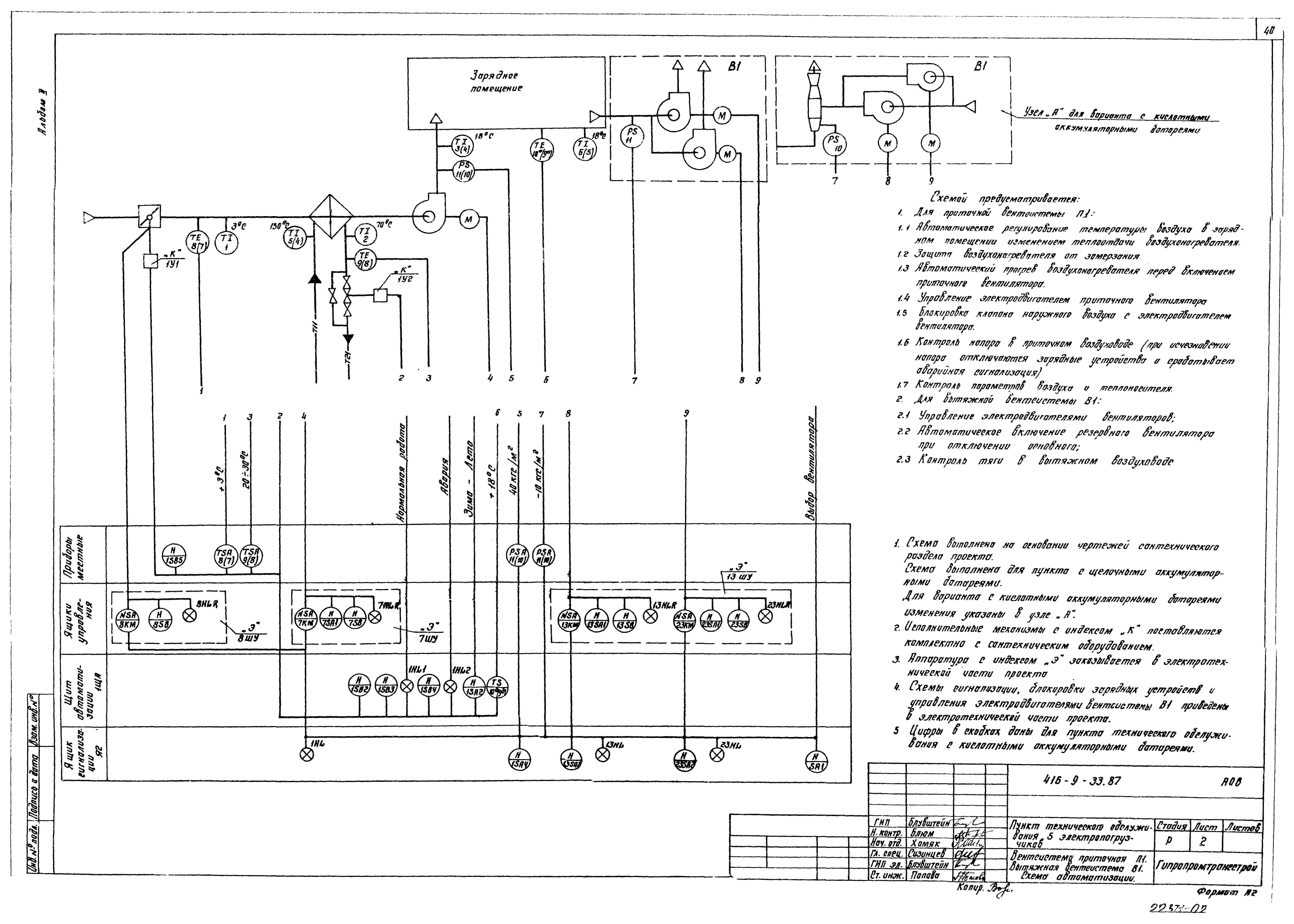
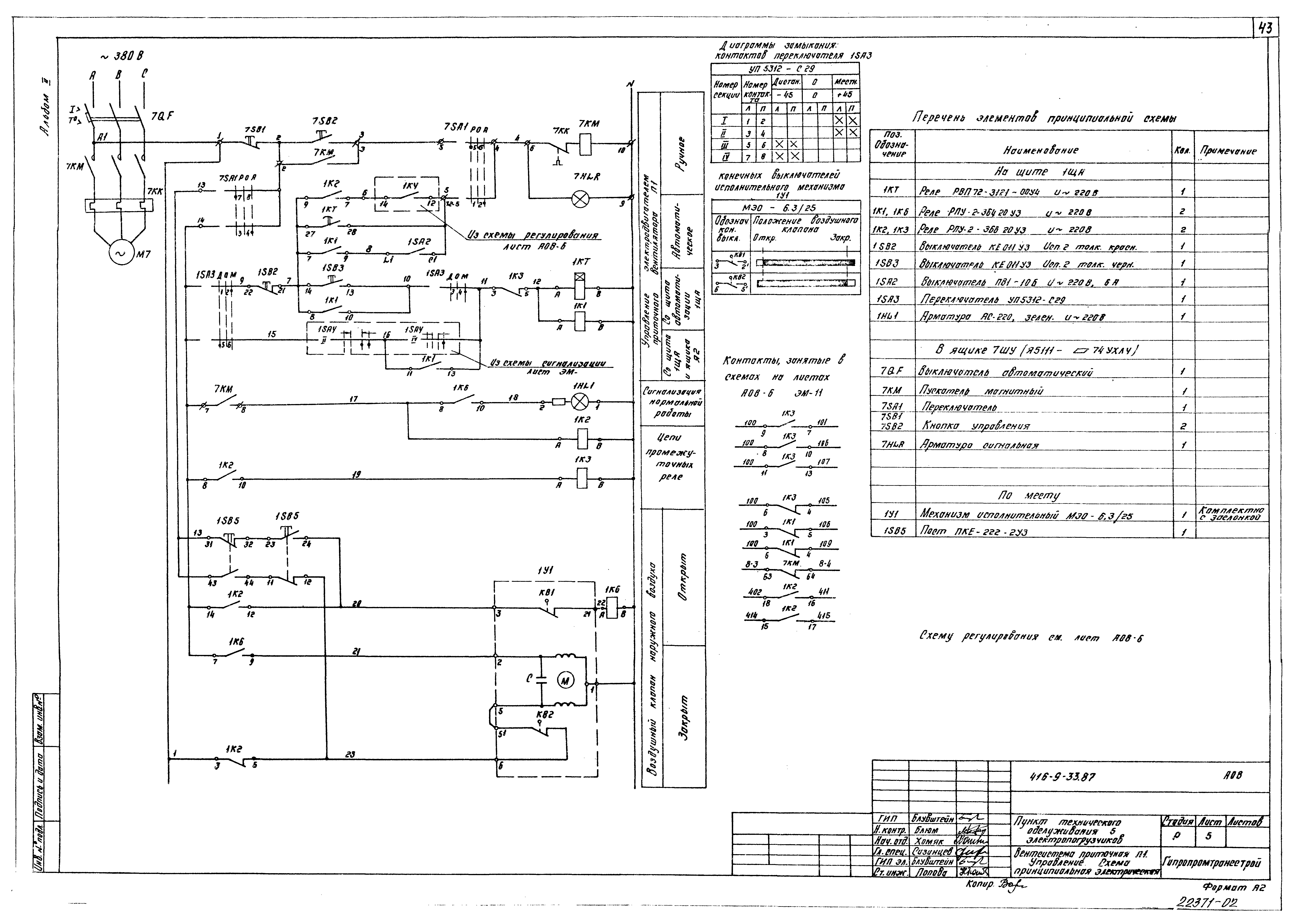
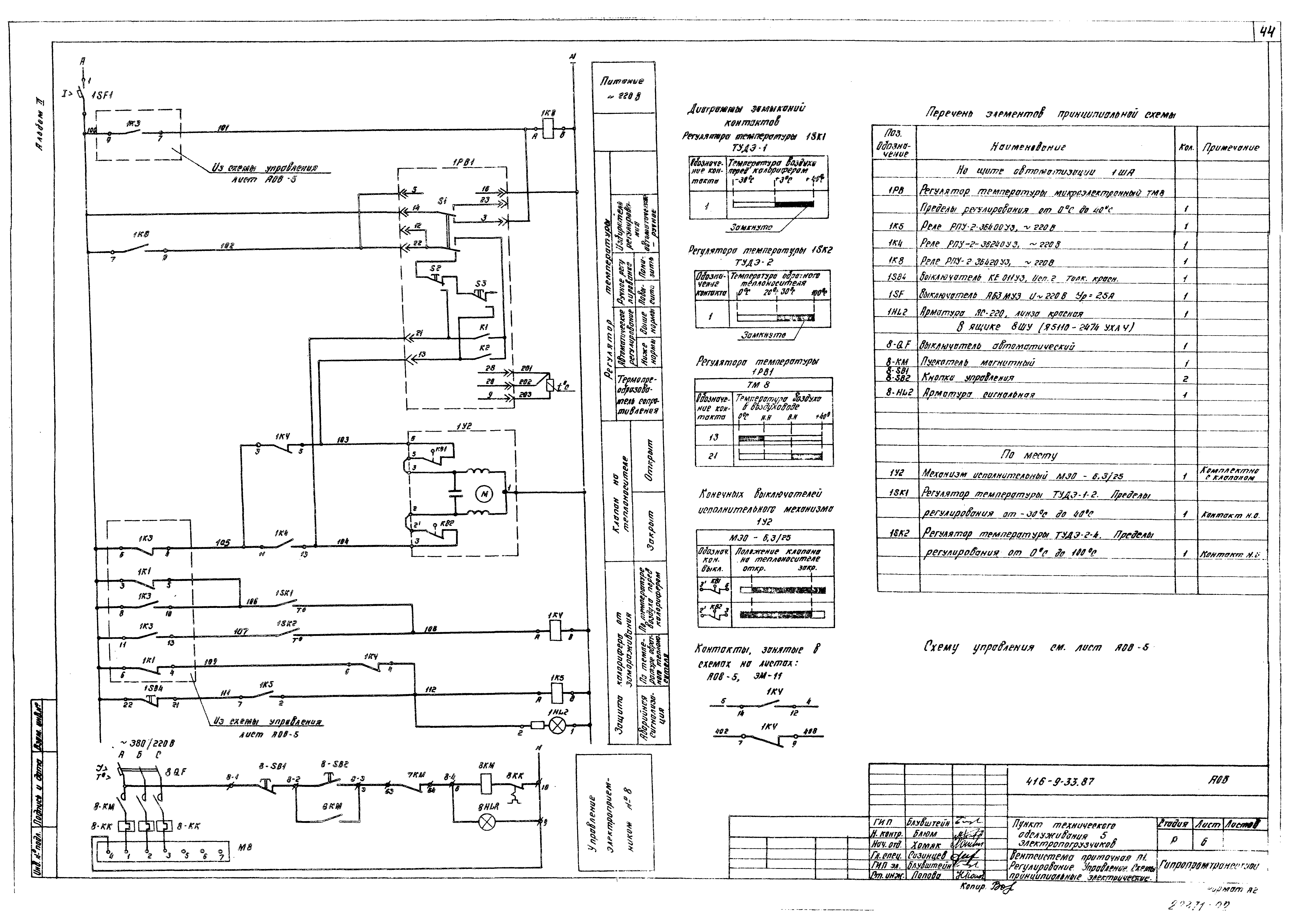
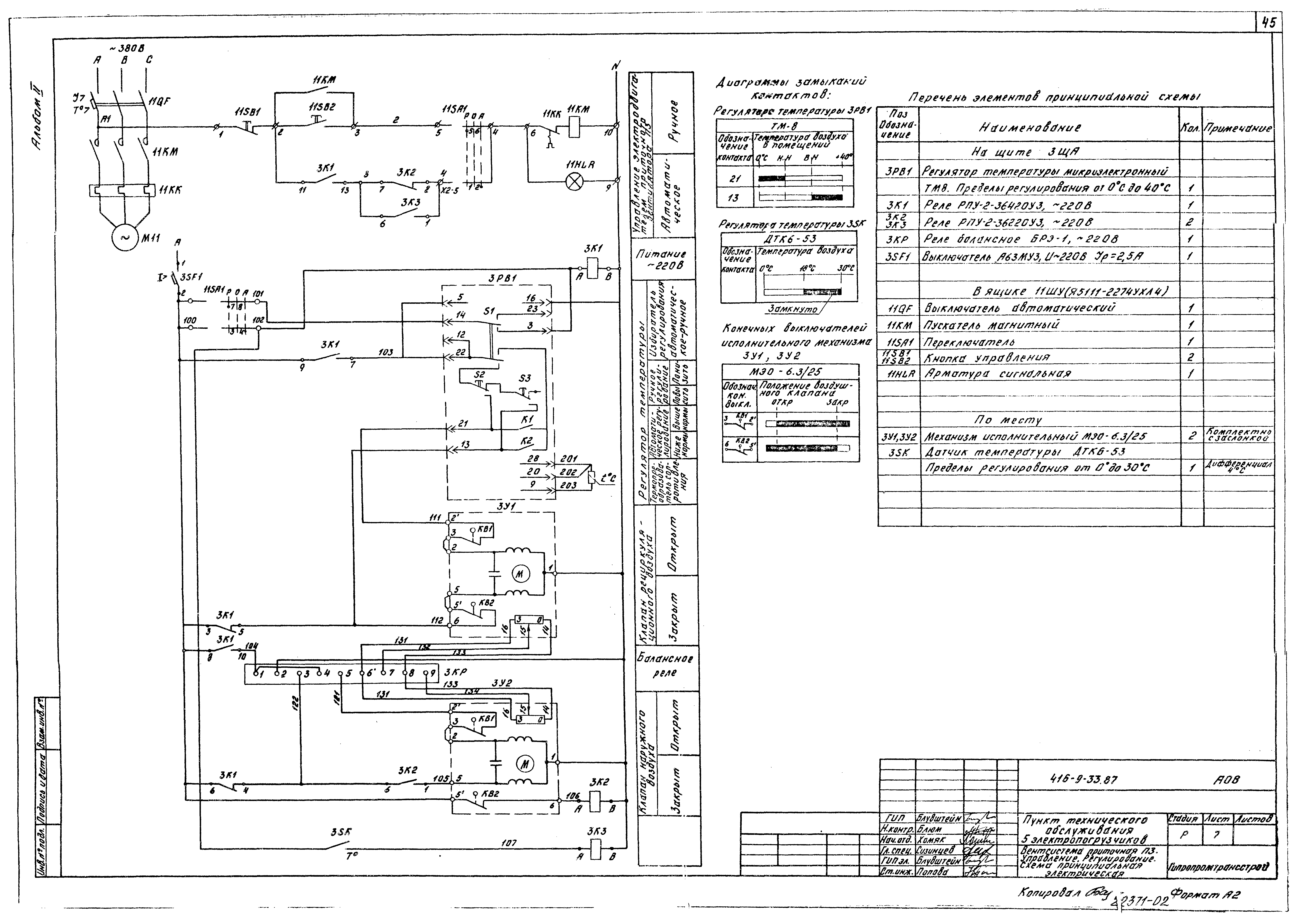
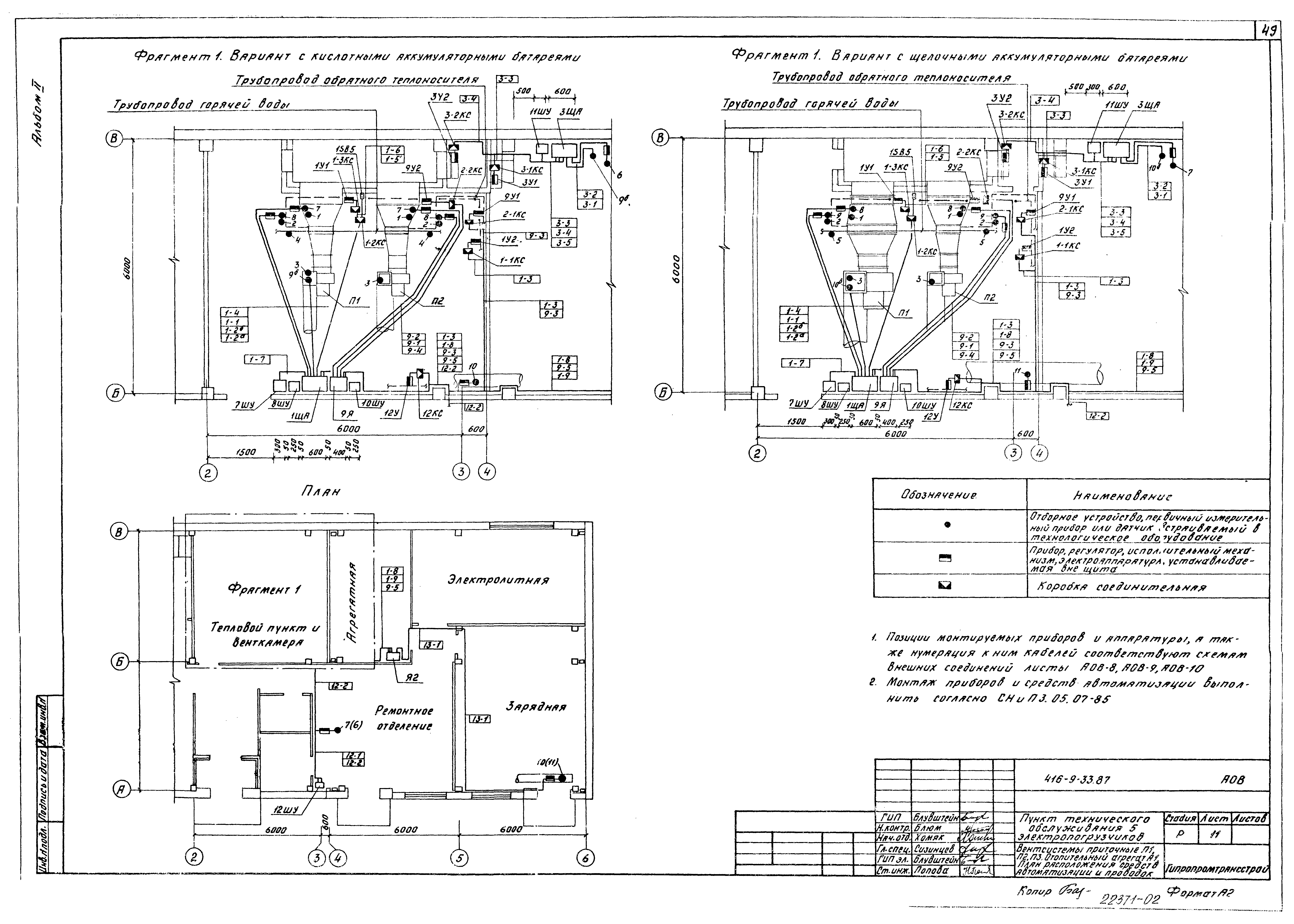
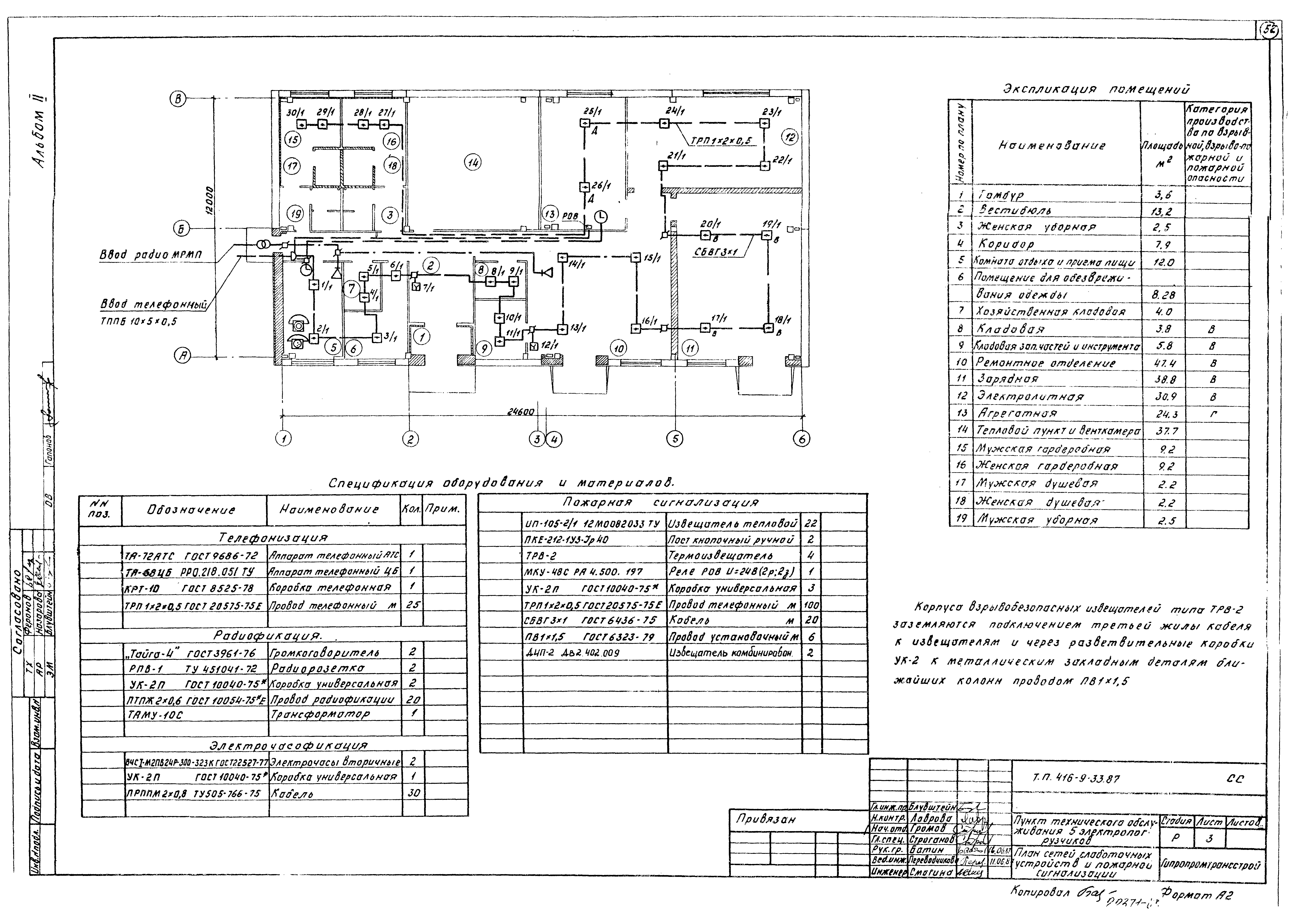
| Оглавление: | Содержание альбома Технологические решения Общие данные План с расстановкой технологического оборудования. Вариант с щелочными аккумуляторными батареями План с расстановкой технологического оборудования. Вариант с кислотными аккумуляторными батареями Схемы размещения пунктов технического обслуживания электропогрузчиков Устройство промывки банок аккумуляторных батарей. Эскизный чертеж общего вида Устройство для съема резиновых чехлов. Эскизный чертеж общего вида Подставка под ванны. Эскизный чертеж общего вида Подставка под электропогрузчик. Эскизный чертеж общего вида Электротехническая часть Общие данные Питающая и распределительная сеть 380/220 В. Схема принципиальная. Вариант с щелочными аккумуляторными батареями Питающая и распределительная сеть 380/220 В. Схема принципиальная. Вариант с кислотными аккумуляторными батареями Распределительная сеть 380/220 В. Схема принципиальная Распределительная сеть 380/220 В. Сеть постоянного тока. Схемы принципиальные. Вариант с щелочными аккумуляторными батареями Распределительная сеть 380/220 В. Сеть постоянного тока. Схемы принципиальные. Вариант с кислотными аккумуляторными батареями Разрядное устройство для щелочных аккумуляторных батарей. Схема принципиальная электрическая Разрядное устройство для кислотных аккумуляторных батарей. Схема принципиальная электрическая Вентсистема приточная П2. Управление. Схемы принципиальные электрические Вентсистема В1. Отопительный агрегат А1. Управление. Схемы принципиальные электрические Сигнализация. Блокировка. Управление вентилем УА. Схема принципиальная электрическая Щит разряда 1Щ. Ящик разряда Я1. Схемы подключения Ящик Я2. Пускатели магнитные КМ1, КМ2. Схема подключения Ящики управления 7ШУ, 8ШУ. Схемы подключения Ящики управления 9Я, 10ШУ, 11ШУ. Схемы подключения Ящики управления 13ШУ, 12ШУ. Схемы подключения Кабельный журнал План расположения электрооборудования и прокладки кабелей Фрагмент плана расположения электрооборудования и прокладки труб Спецификация к чертежу ЭМ-20. Вариант с щелочными аккумуляторными батареями Спецификация к чертежу ЭМ-20. Вариант с кислотными аккумуляторными батареями Электроосвещение Молниезащита Ведомости изделий, материалов и электромонтажных конструкций МЭЗ Ящик ЯГГ. Установка рубильников в протяжном ящике Ящик 1ШСТ. Установка счетчика и трансформаторов тока в протяжном ящике Коробка У995 с зажимами наборными Автоматизация сантехсистем Общие данные Вентсистема приточная П1. Вытяжная вентсистема В1. Схема автоматизации Вентсистема приточная П2. Схема автоматизации Вентсистема приточная П3. Отопительный агрегат А1. Схемы автоматизации Вентсистема приточная П1. Управление. Схема принципиальная электрическая Вентсистема приточная П1. Регулирование. Управление. Схемы принципиальные электрические Вентсистема приточная П3. Управление. Регулирование. Схема принципиальная электрическая Вентсистема приточная П1. Схема внешних соединений Вентсистема приточная П2. Схема внешних соединений Вентсистема приточная П3. Отопительный агрегат А1. Схема внешних соединений Вентсистемы приточные П1, П2, П3. Отопительный агрегат А1. План расположения средств автоматизации и проводок Связь и сигнализация Общие данные Схема связи План сетей слаботочных устройств и пожарной сигнализации |
| Разработан: | Гипропромтрансстрой |
| Утверждён: | 02.07.1987 Министерство путей сообщения СССР (USSR Ministry of Railroads 3619У) |
| Издан: | ЦИТП Госстроя СССР (CITP, Gosstroy (USSR) 1988 г. ) |





















































