Скачать Типовые проектные решения 901-02-126 Альбом I. Технологические решения, электрооборудование, автоматизация, технологический контрольДата актуализации: 01.01.2021
|
| Обозначение: | Типовые проектные решения 901-02-126 |
| Обозначение англ: | 901-02-126 |
| Статус: | справочные материалы, мп, тпр |
| Название рус.: | Альбом I. Технологические решения, электрооборудование, автоматизация, технологический контроль |
| Дата добавления в базу: | 01.09.2013 |
| Дата актуализации: | 01.01.2021 |
| Дата введения: | 10.03.1981 |
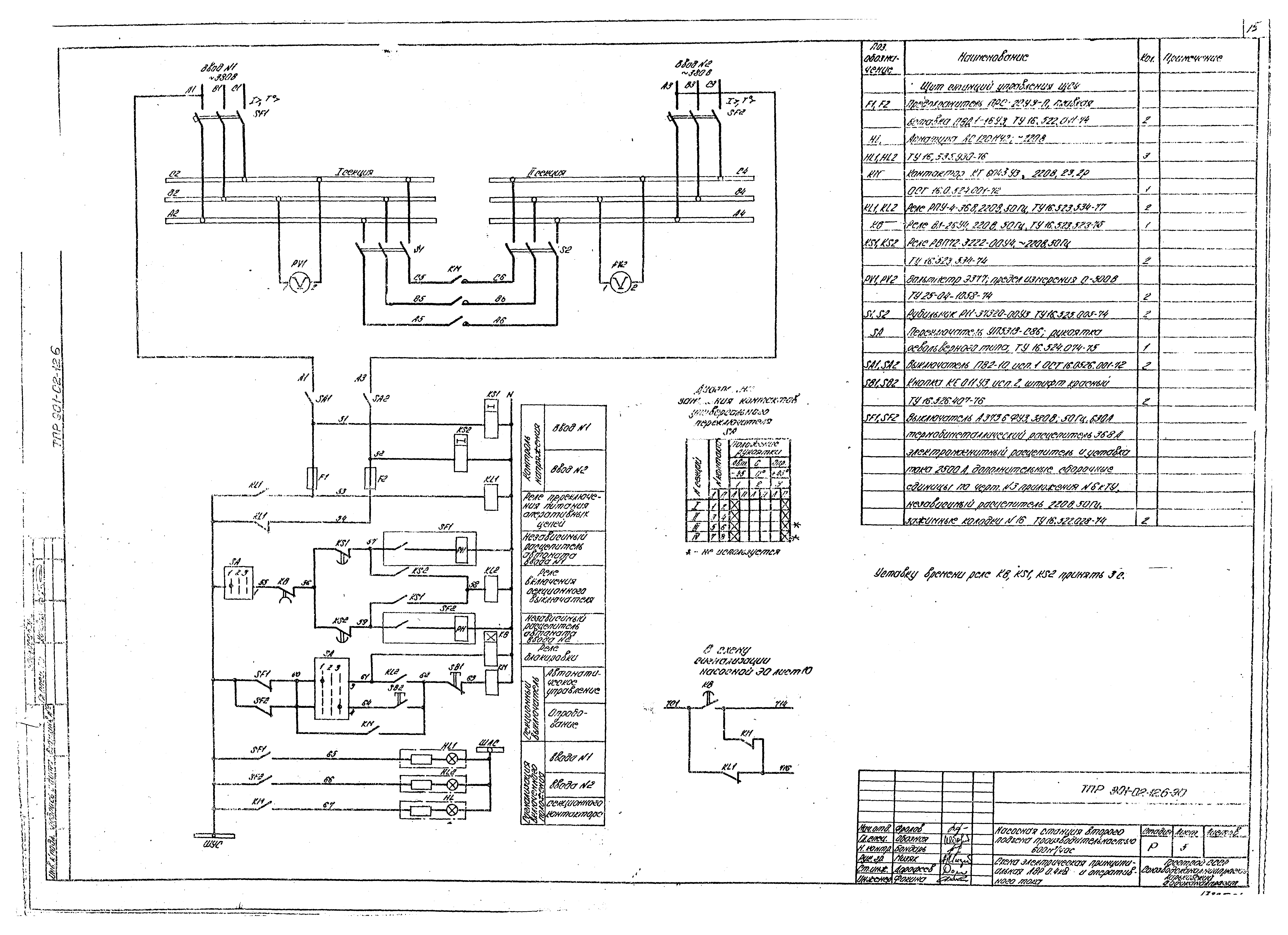
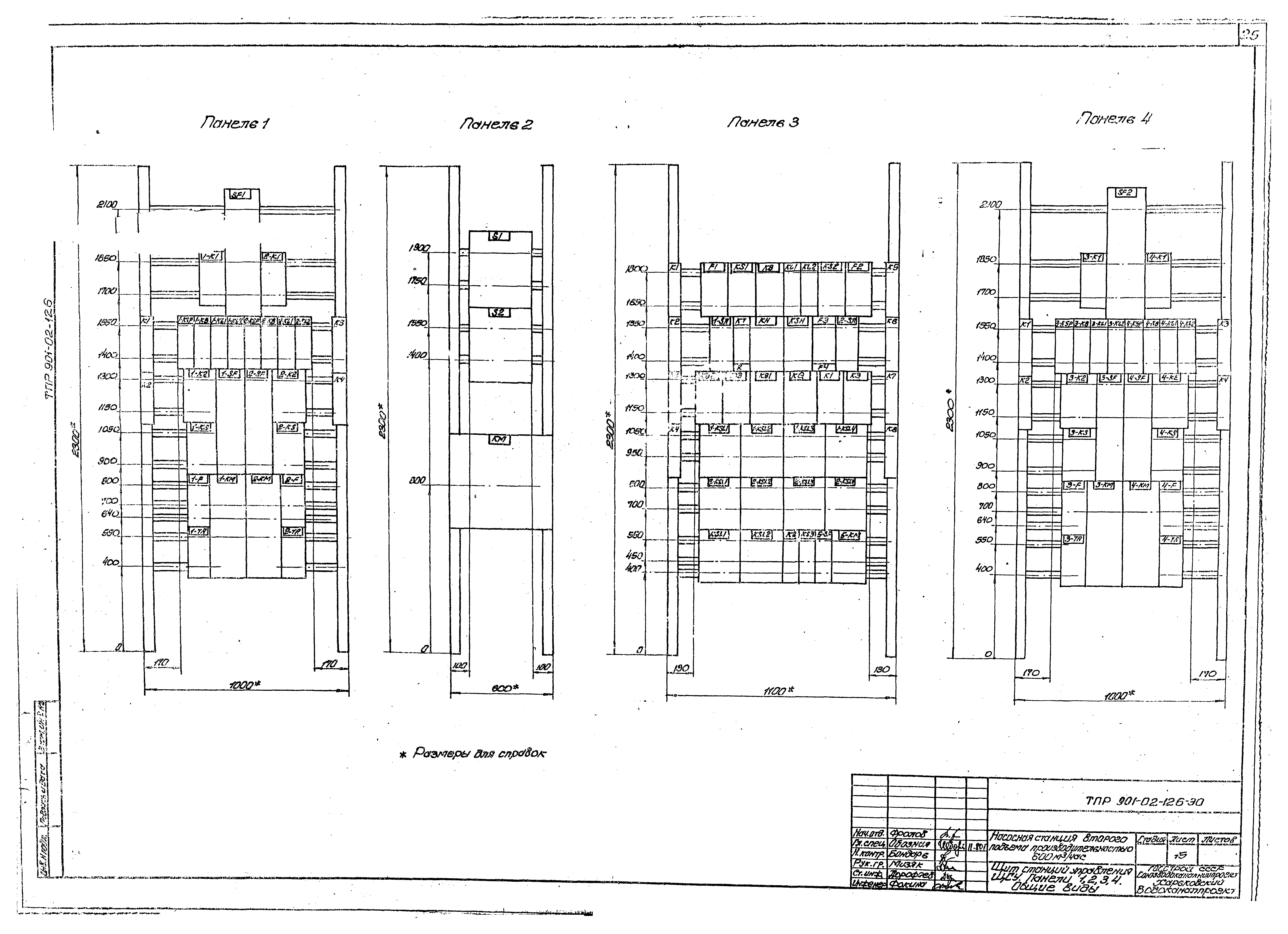
| Оглавление: | Содержание Технологические решения Общие данные Сводная спецификация План. Разрезы. Вариант I План. Разрезы. Вариант II План. Разрезы. Вариант III Установочный чертеж насоса ДЗ20-50 Установочный чертеж насоса НИС-3 Электрооборудование, автоматизация, технологический контроль Общие данные Схема электрическая принципиальная однолинейная распределительной сети 380/220 В Схема электрическая принципиальная АВР 0,4 кВ и оперативного тока Схема электрическая принципиальная управления насосами Схема электрическая принципиальная управления насосами. Перечень элементов Схема электрическая принципиальная контроля уровней Схема электрическая принципиальная сигнализации Схема подключения электрооборудования План расположения электрооборудования. Прокладка кабелей Кабельный журнал. Трубозаготовительная ведомость Щит станций управления ЩСУ. Общий вид. Таблица перечня надписей Щит станций управления ЩСУ. Панели 1, 2, 3, 4. Общие виды Схема функциональная технологического контроля Задания на разработку строительной и сантехнической частей проекта |
| Разработан: | Харьковский Водоканалпроект |
| Утверждён: | 26.08.1980 Главпромстройпроект Госстроя СССР (19/3-3550) |


























