Скачать Типовой проект 407-3-479.13.87 Альбом 3. Электрооборудование ТП-1х160, ТП-1х250, ТП-1х400, ТП-1х630, ТП-1х1000 кВАДата актуализации: 01.01.2021 Типовой проект 407-3-479.13.87
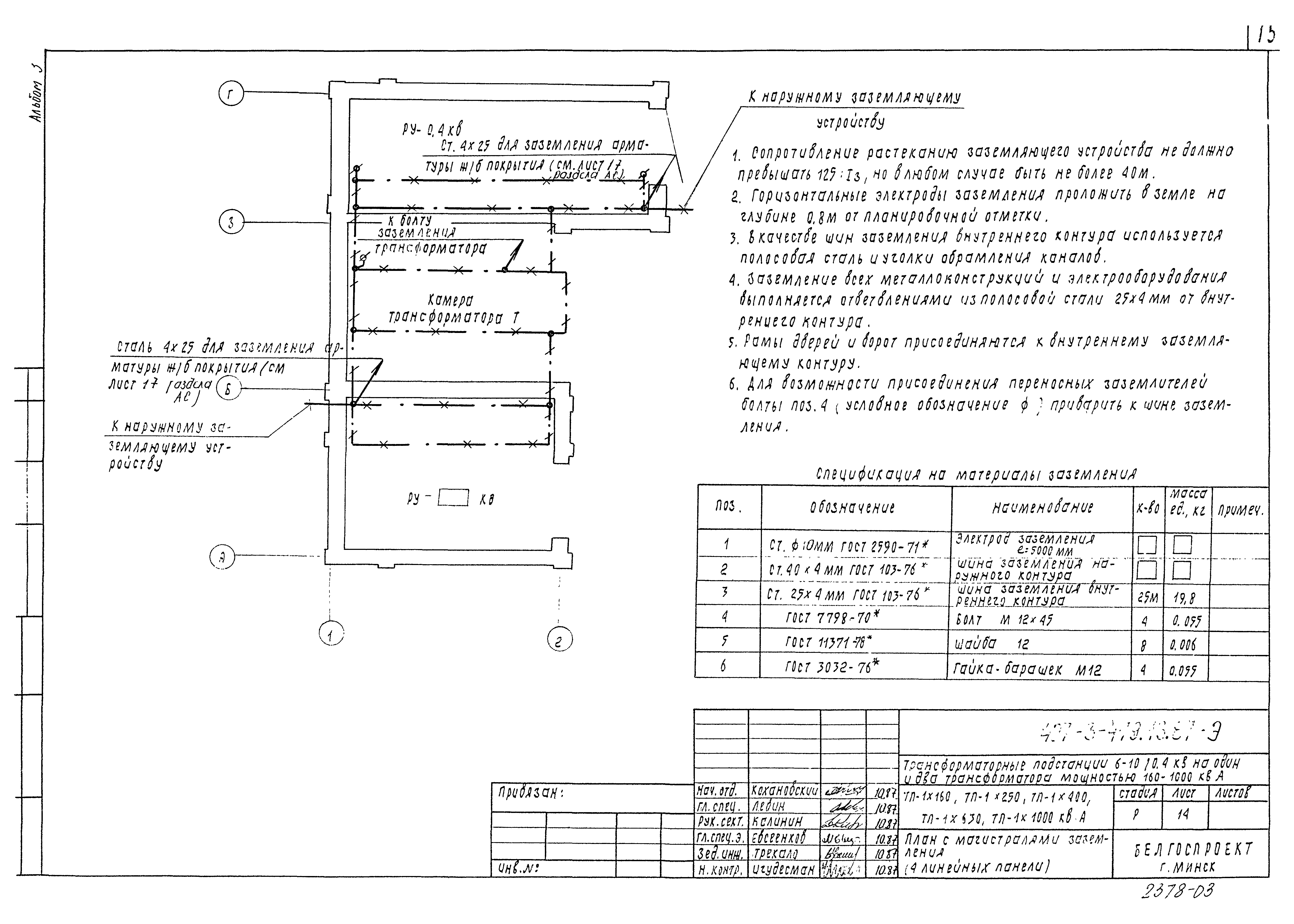
Альбом 3. Электрооборудование ТП-1х160, ТП-1х250, ТП-1х400, ТП-1х630, ТП-1х1000 кВА| Обозначение: | Типовой проект 407-3-479.13.87 | | Обозначение англ: | 407-3-479.13.87 | | Статус: | действует | | Название рус.: | Альбом 3. Электрооборудование ТП-1х160, ТП-1х250, ТП-1х400, ТП-1х630, ТП-1х1000 кВА | | Дата добавления в базу: | 12.02.2016 | | Дата актуализации: | 01.01.2021 | | Дата введения: | 14.12.1987 | | Разработан: | Белгоспроект
| | Утверждён: | 14.12.1987 Госстрой БССР (BSSR Gosstroy 201)
| | Заменяет собой: | - Типовой проект 407-3-315 «Трансформаторные подстанции ТП-1х160, ТП-1х250, ТП-1х400, ТП-1х630, ТП-1х1000 кВА. Стены из кирпича»
|
                                 
|