Скачать Серия 3.507 КЛ-10 Выпуск 2-1. Опоры наружного освещения металлическиеДата актуализации: 01.01.2021
|
| Обозначение: | Серия 3.507 КЛ-10 |
| Обозначение англ: | Series 3.507 КЛ-10 |
| Статус: | действует |
| Название рус.: | Выпуск 2-1. Опоры наружного освещения металлические |
| Дата добавления в базу: | 01.09.2013 |
| Дата актуализации: | 01.01.2021 |
| Дата введения: | 03.12.1982 |
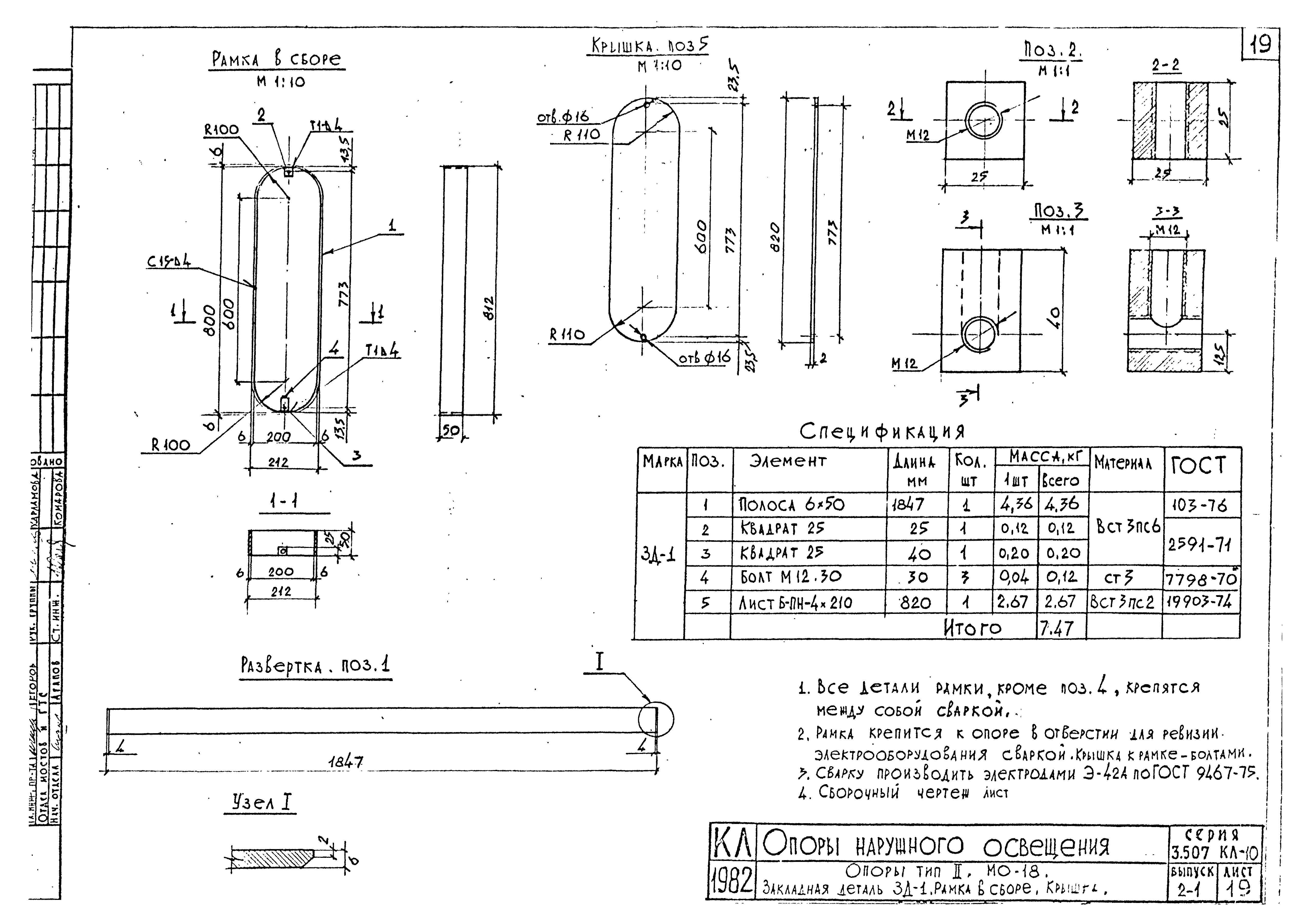
| Оглавление: | Содержание Пояснительная записка Номенклатура Опоры тип I. Общий вид. Узел крепления опоры к фундаменту Опоры тип I. МО-7. Сборочный чертеж Опоры тип I. МО-8. Сборочный чертеж Опоры тип I. МО-7, 8. Закладная деталь ЗД-1. Рамка в сборе. Крышка Опоры тип I. МО-10. Сборочный чертеж Опоры тип I. МО-11. Сборочный чертеж Опоры тип I. МО-10, 11. Закладная деталь ЗД-1. Рамка в сборе. Крышка Опоры тип I. МО-14,5. Сборочный чертеж Опоры тип I. МО-14,5. Закладная деталь ЗД-1. Рамка в сборе. Крышка Опоры тип I. МО-7, 8, 10. Опорный лист с крепежными изделиями. Поз. 1 Опоры тип I. МО-11; 14,5. Опорный лист с крепежными изделиями. Поз. 1 Опоры тип I. Секция. План. Развертка Опоры тип I. Узел крепления кронштейна Опоры тип II. Общий вид. Узел крепления опоры к фундаменту Опора тип II. МО-18. Сборочный чертеж Опора тип II. МО-18. Закладная деталь ЗД-1. Рамка в сборе. Крышка Опора тип II. МО-18. Опорный лист с крепежными изделиями. Поз. 1 Опора тип II. Секция. План. Развертка Опора тип II. Узел крепления кронштейна |
| Разработан: | Ленгипроинжпроект Ленгорисполкома |
| Утверждён: | 03.12.1982 Ленгипроинжпроект (Lengiproinzhproject 9-р) |





















