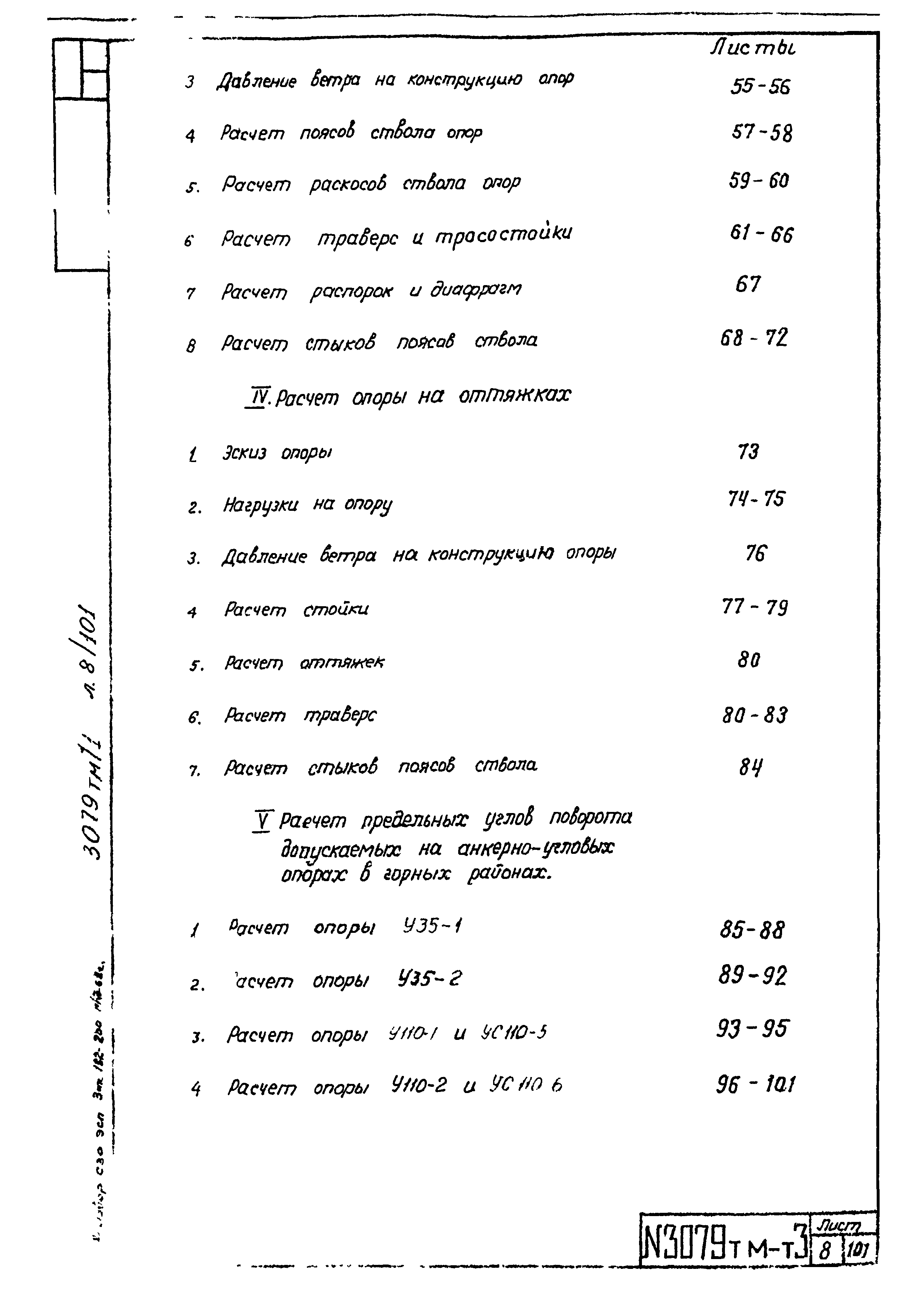
Скачать Типовой проект 3.407-94 Том 3. Расчеты опор для горных районовДата актуализации: 01.01.2021
|
| Обозначение: | Типовой проект 3.407-94 |
| Обозначение англ: | 3.407-94 |
| Статус: | заменен |
| Название рус.: | Том 3. Расчеты опор для горных районов |
| Дата добавления в базу: | 01.10.2014 |
| Дата актуализации: | 01.01.2021 |
| Дата введения: | 01.04.1974 |
| Дата окончания срока действия: | 01.11.1989 |
| Утверждён: | 01.04.1974 Энергосетьпроект (Energosetproject ) |
| Чем заменён: |
|




































































































