Скачать Типовой проект 905-7 Альбом II. Строительная частьДата актуализации: 01.01.2021
|
| Обозначение: | Типовой проект 905-7 |
| Обозначение англ: | 905-7 |
| Статус: | действует |
| Название рус.: | Альбом II. Строительная часть |
| Дата добавления в базу: | 01.09.2013 |
| Дата актуализации: | 01.01.2021 |
| Дата введения: | 18.06.1966 |
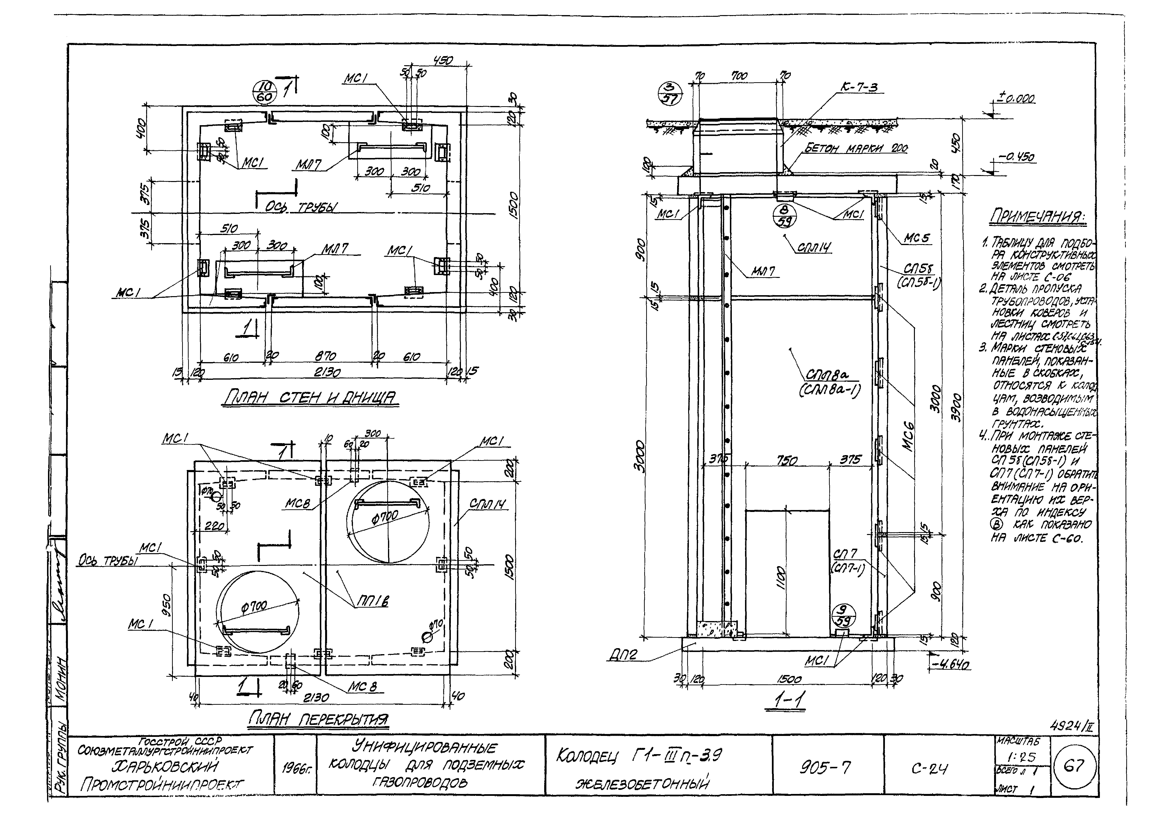
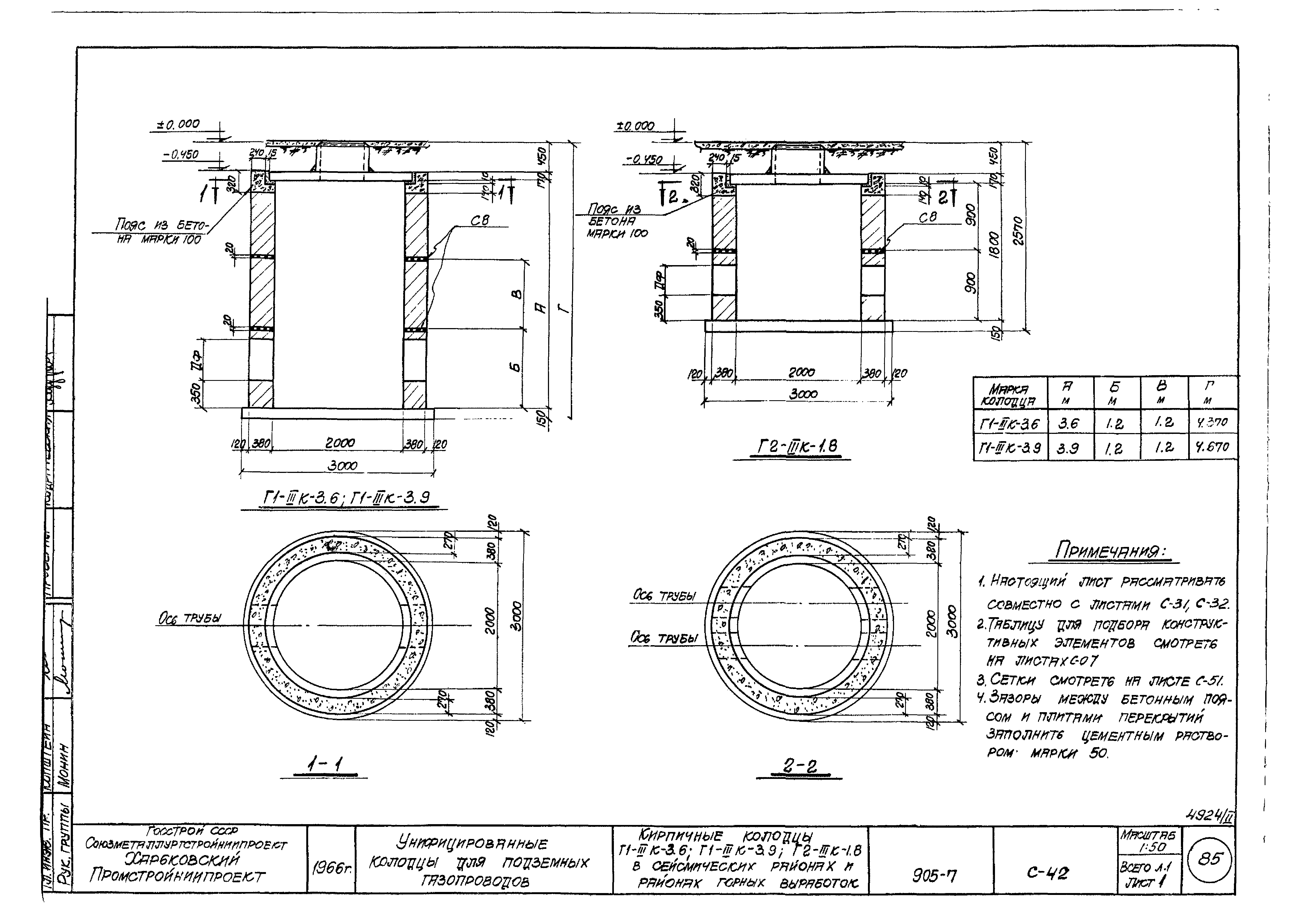
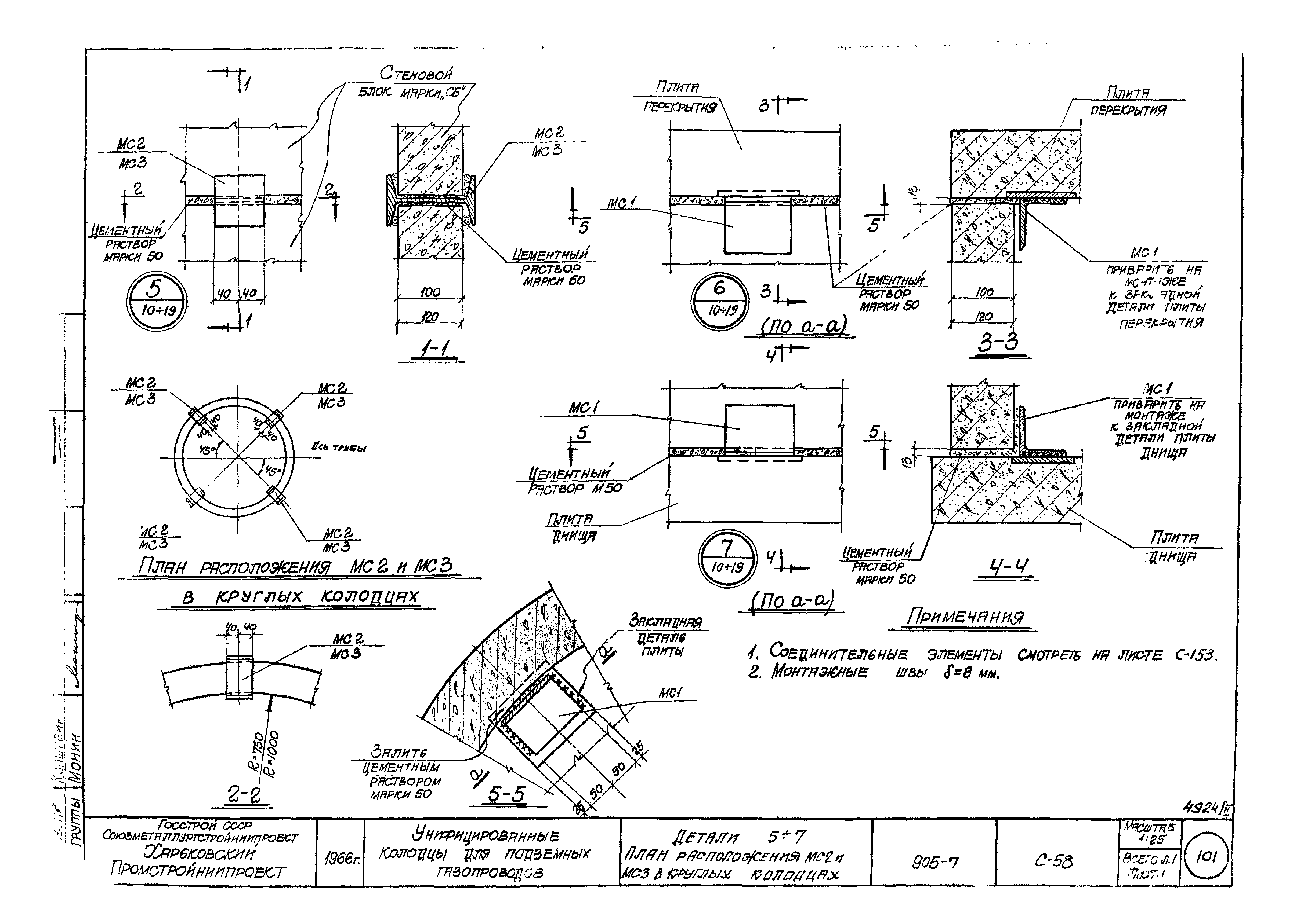
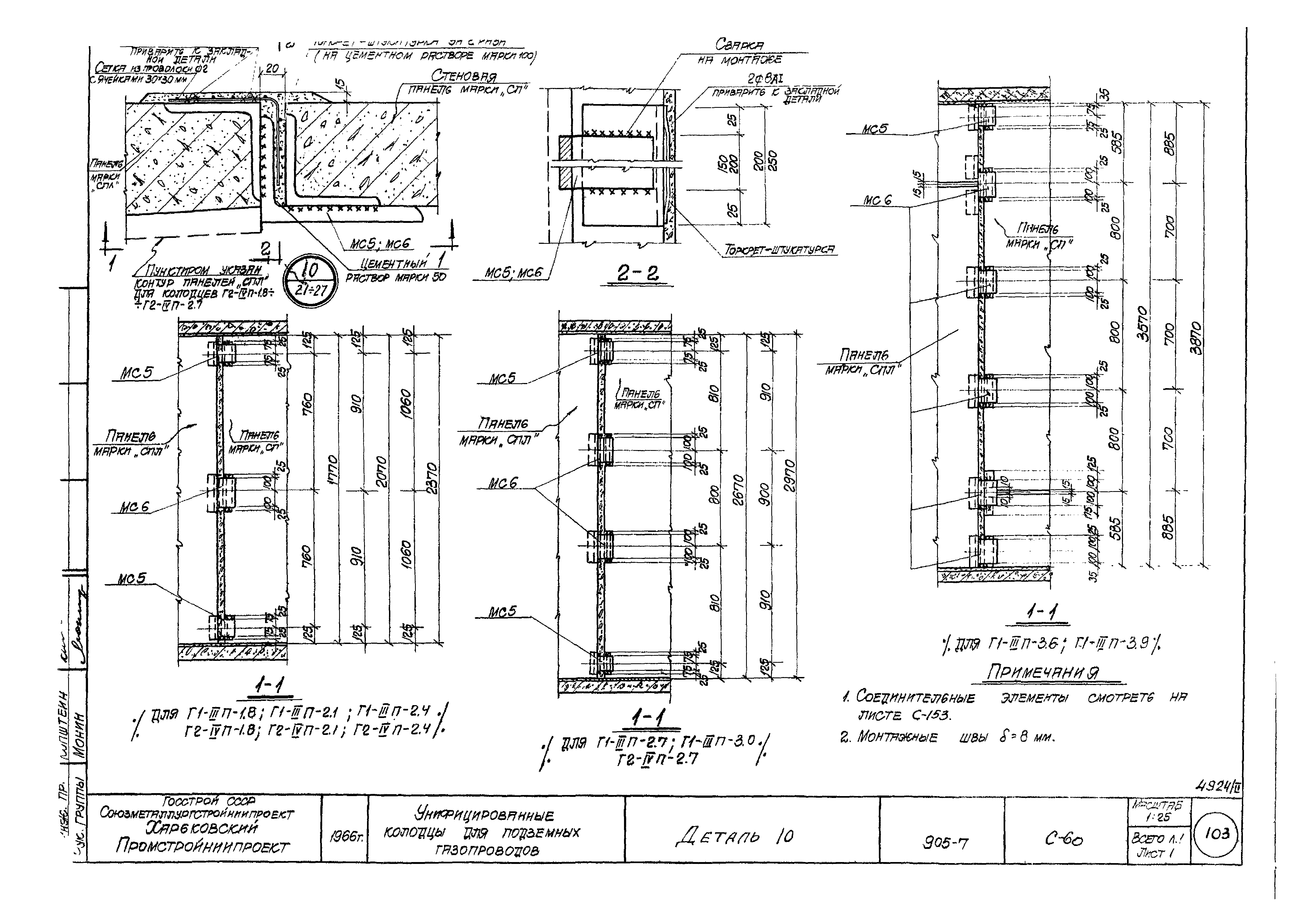
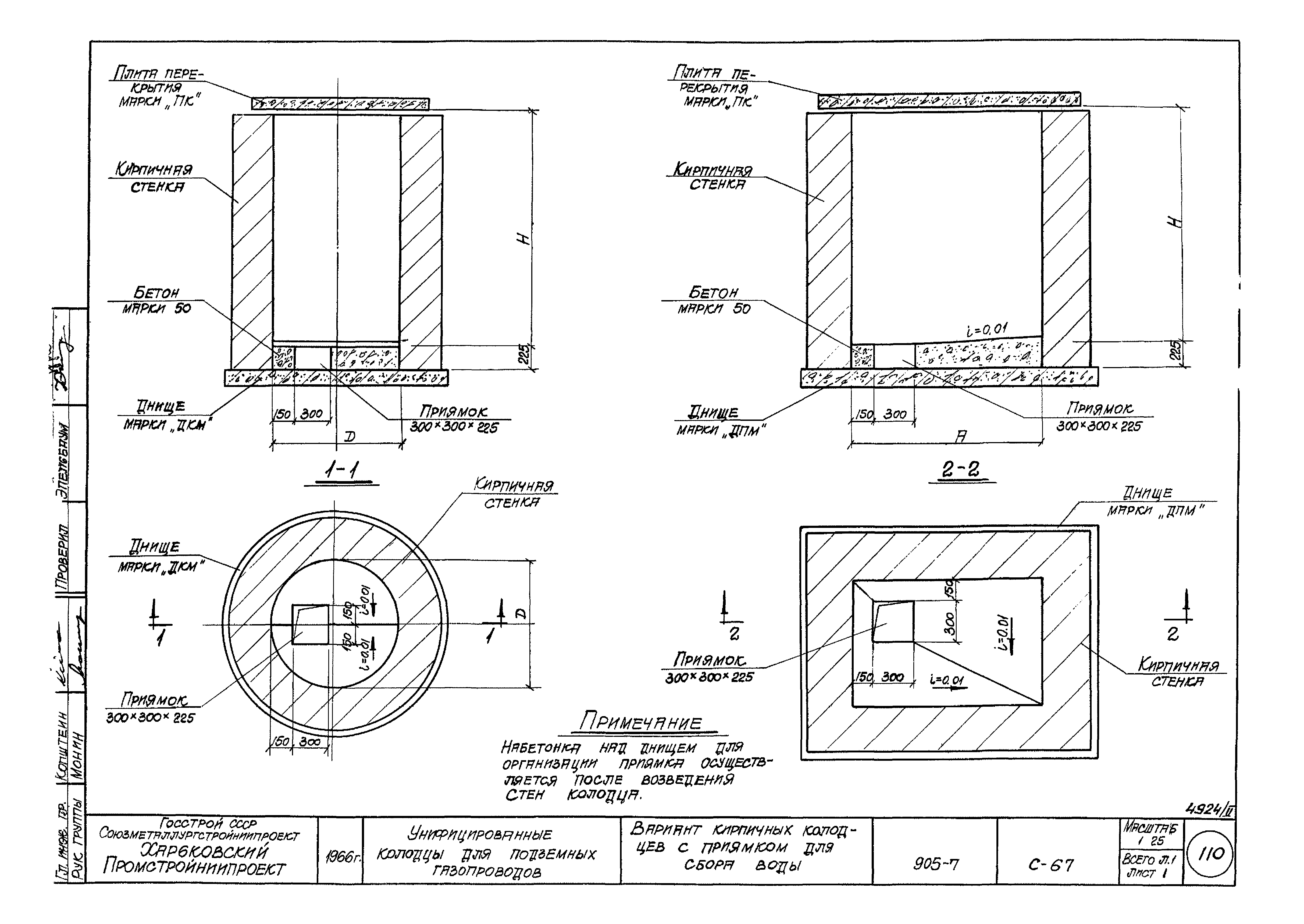
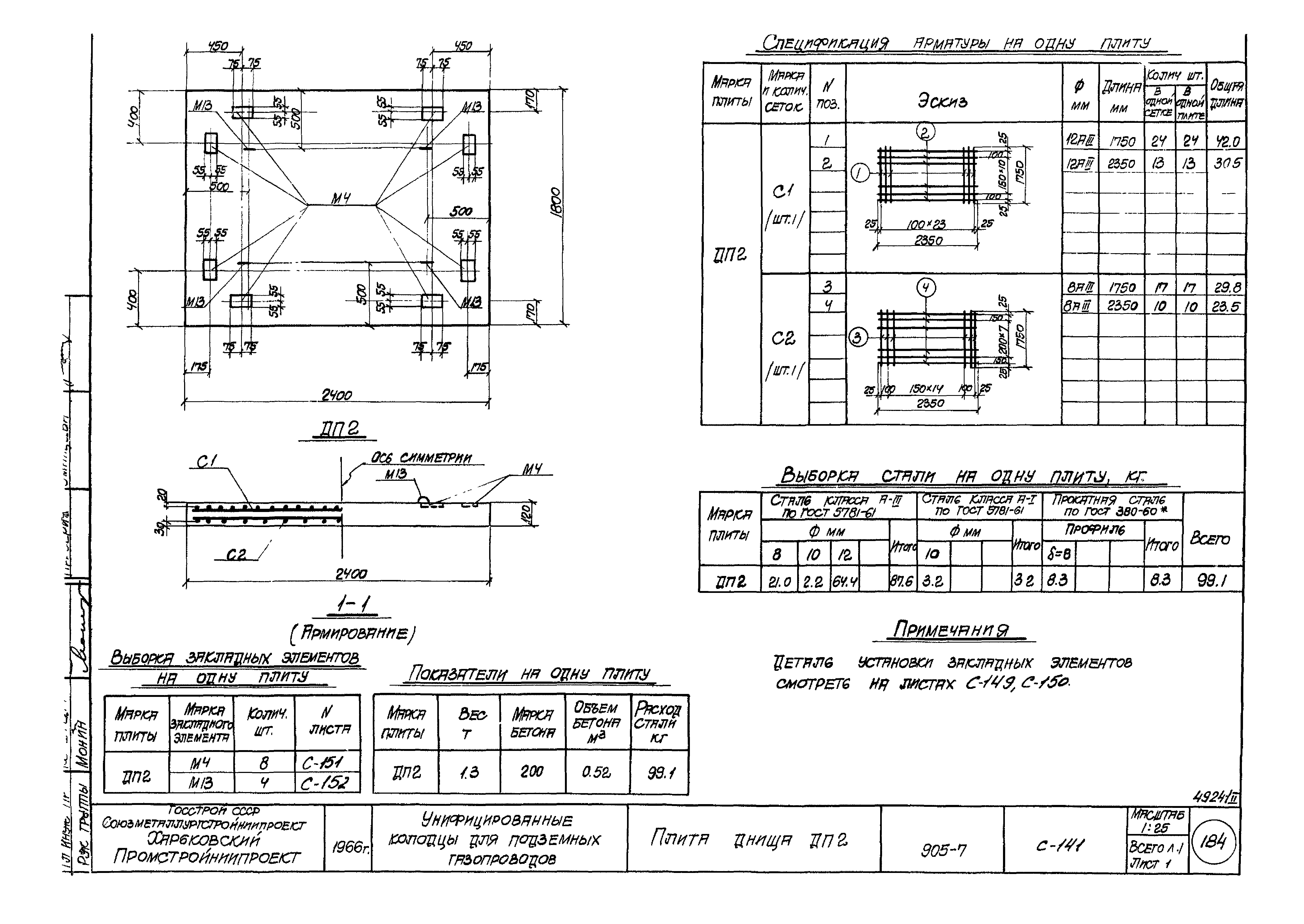
| Оглавление: | Содержание Пояснительная записка Таблица типоразмеров колодцев Номенклатура сборных железобетонных изделий для колодцев Таблица для подбора конструктивных элементов круглых железобетонных колодцев Таблица для подбора конструктивных элементов прямоугольных железобетонных колодцев Таблица для подбора конструктивных элементов круглых кирпичных колодцев Таблица для подбора конструктивных элементов прямоугольных кирпичных колодцев Колодцы М1-Iк-0.6 и М1-Iк-0.9 железобетонные Колодец Г1-IIк-1.8 железобетонный Колодец Г1-IIк-2.1 железобетонный Колодец Г1-IIIк-1.8 железобетонный Колодец Г1-IIIк-2.1 железобетонный Колодец Г1-IIIк-2.4 железобетонный Колодец Г1-IIIк-2.7 железобетонный Колодец Г1-IIIк-3.0 железобетонный Колодец Г1-IIIк-3.6 железобетонный Колодец Г1-IIIк-3.9 железобетонный Колодец Г2-IIIк-1.8 железобетонный Колодцы Г1-IIп-1.8 и Г1-IIп-2.1 железобетонные Колодцы Г1-IIIп-1.8; Г1-IIIп-2.1 и Г1-IIIп-2.4 железобетонные Колодцы Г1-IIIп-2.7 и Г1-IIIп-3.0 железобетонные Колодец Г1-IIIп-3.6 железобетонный Колодец Г1-IIIп-3.9 железобетонный Колодец Г2-IIIп-1.8 железобетонный Колодцы Г2-IVп-1.8; Г2-IVп-2.1 и Г2-IVп-2.4 железобетонные Колодцы Г2-IVп-2.7 железобетонный Колодцы М1-Iк-0.6 и М1-Iк-0.9 кирпичные Колодцы Г1-IIк-1.8; Г1-IIк-2.1 кирпичные Колодцы Г1-IIIк-1.8; Г1-IIIк-2.1; Г1-IIIк-2.4; Г1-IIIк-2.7; Г1-IIIк-3.0 кирпичные Колодцы Г1-IIIк-3.6; Г1-IIIк-3.9 кирпичные Колодец Г2-IIIк-1.8 кирпичный Колодцы Г1-IIп-1.8 и Г1-IIп-2.1 кирпичные Колодцы Г1-IIIп-1.8 и Г1-IIIп-2.1 кирпичные Колодцы Г1-IIIп-2.4; Г1-IIIп-2.7; Г1-IIIп-30 кирпичные Колодцы Г1-IIIп-3.6 и Г1-IIIп-3.9 кирпичные Колодец Г2-IIIп-1.8 кирпичный Колодец Г2-IVп-1.8 кирпичный Колодцы Г2-IVп-2.1; Г2-IVп-2.4 и Г2-IVп-2.7 кирпичные Колодец Г2-IIIп-2.1 кирпичный Кирпичные колодцы Г1-IIк-1.8; Г1-IIк-2.1; Г1-IIIк-1.8; Г1-IIIк-2.1; Г1-IIIк-2.4; Г1-IIIк-2.7; Г1-IIIк-3.0 в сейсмических районах и районах горных выработок Кирпичные колодцы Г1-IIIк-3.6; Г1-IIIк-3.9; Г2-IIIк-1.8 в сейсмических районах и районах горных выработок Кирпичные колодцы Г1-IIп-1.8; Г1-IIп-2.1 в сейсмических районах и районах горных выработок Кирпичные колодцы Г1-IIIп-1.8; Г1-IIIп-2.1 в сейсмических районах и районах горных выработок Кирпичные колодцы Г1-IIIп-2.4; Г1-IIIп-2.7; Г1-IIIп-3.0 в сейсмических районах и районах горных выработок Кирпичные колодцы Г1-IIIп-3.6; Г1-IIIп-3.9 в сейсмических районах и районах горных выработок Кирпичные колодцы Г2-IIIп-1.8; Г2-IIIп-2.1 в сейсмических районах и районах горных выработок Кирпичные колодцы Г2-IVп-1.8; Г2-IVп-2.1 в сейсмических районах и районах горных выработок Кирпичные колодцы Г2-IVп-2.4; Г2-IVп-2.7 в сейсмических районах и районах горных выработок Кирпичные колодцы в сейсмических районах и районах горных выработок. Сетки С1- С6 Кирпичные колодцы в сейсмических районах и районах горных выработок. Сетки С7, С8 Асфальтовая гидроизоляция круглых колодцев Асфальтовая гидроизоляция прямоугольных железобетонных колодцев Оклеечная гидроизоляция круглых колодцев Оклеечная гидроизоляция прямоугольных железобетонных колодцев Колодцы на просадочных грунтах Детали 1 - 4. Детали установки коверов Детали 5 - 7. План расположения МС2 и МС3 в круглых колодцах Детали 8, 9 Деталь 10 Детали 11, 12 Детали пропуска труб в колодцах при сухих грунтах Деталь пропуска труб в колодцах при водонасыщенных грунтах Таблица для подбора футляров Вариант колодцев для задвижек с электроприводами Вариант железобетонных колодцев с приямком для сбора воды Вариант кирпичных колодцев с приямком для сбора воды Стеновые блоки СБ Стеновые панели СПЛ, СП Плиты перекрытия ПК, ПП Плиты днища ДК, ДП, ДКМ, ДПМ Детали установки закладных элементов М1 - М16 Закладные элементы М1 - М16 Соединительные элементы МС1 - МС19 Детали установки металлических лестниц Металлические лестницы МЛ1 - МЛ7 Перечень примененных типовых проектов и СНиПов |
| Разработан: | Укргипрогопромгаз Министрества коммунального хозяйства УССР |
| Утверждён: | 18.06.1966 Укргипрогорпромгаз (38) |






































































































































































































