Скачать Серия 5.903КЛ-1 Выпуск 3. Теплоцентры с установкой РУ на систему горячего водоснабженияДата актуализации: 01.01.2021
|
| Обозначение: | Серия 5.903КЛ-1 |
| Обозначение англ: | Series 5.903КЛ-1 |
| Статус: | действует |
| Название рус.: | Выпуск 3. Теплоцентры с установкой РУ на систему горячего водоснабжения |
| Дата добавления в базу: | 01.09.2013 |
| Дата актуализации: | 01.01.2021 |
| Дата введения: | 30.12.1988 |
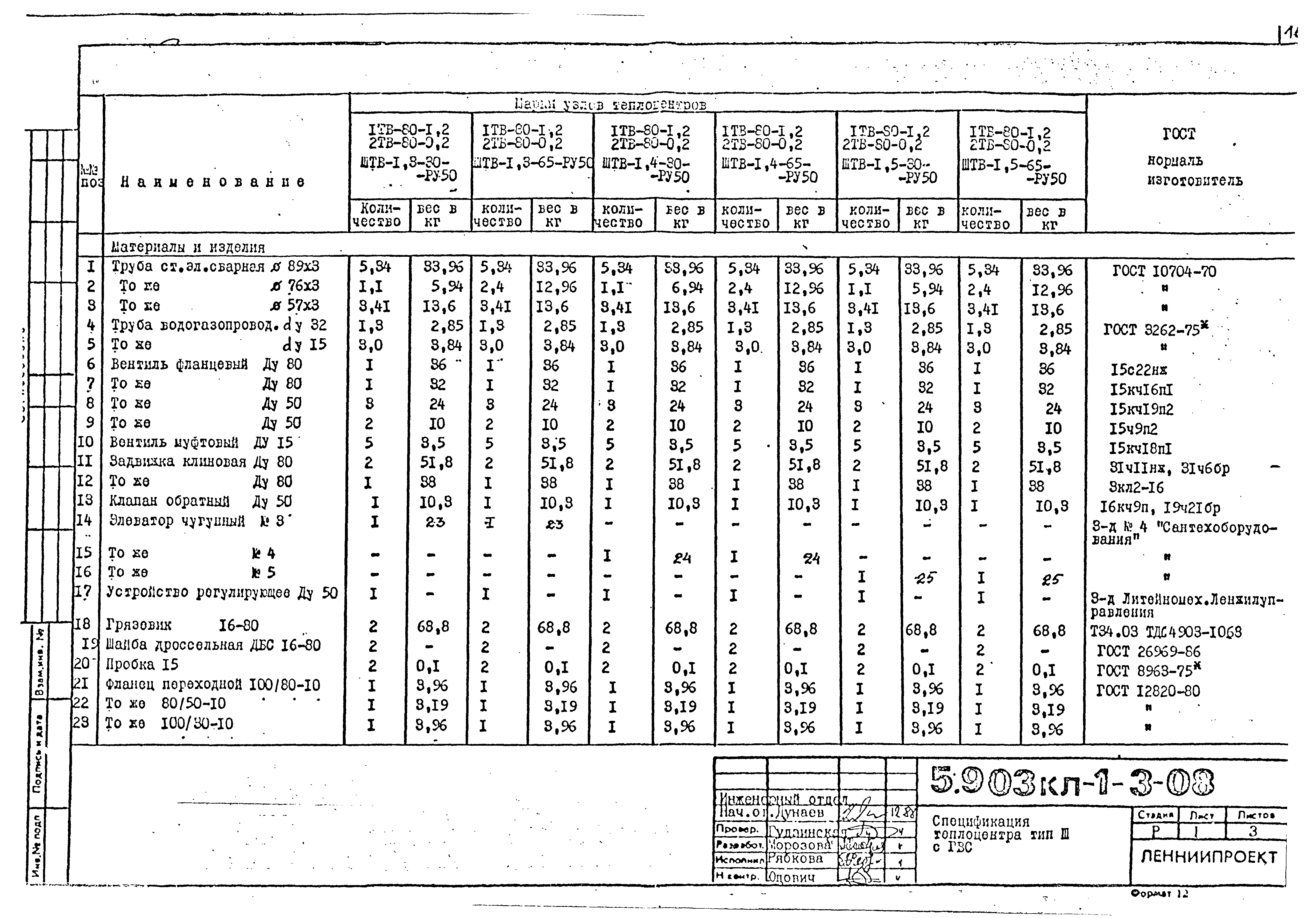
| Оглавление: | Титульный лист 5.903КЛ-1_3-ИК Информационная карта 5.903КЛ-1_3-СС Состав серии 5.903КЛ-1_3-С Содержание 5.903КЛ-1_3-ПЗ Пояснительная записка 5.903КЛ-1_3-01 Схема теплоцентров с горячим водоснабжением от РУ 5.903КЛ-1_3-02 Таблица маркировки теплоцентров с горячим водоснабжением от РУ 5.903КЛ-1_3-03 Теплоцентр тип I с ГВС 5.903КЛ-1_3-04 Спецификация теплоцентра тип I с ГВС 5.903КЛ-1_3-05 Теплоцентр тип II с ГВС 5.903КЛ-1_3-06 Спецификация теплоцентра тип II с ГВС 5.903КЛ-1_3-07 Теплоцентр тип III с ГВС 5.903КЛ-1_3-08 Спецификация теплоцентра тип III с ГВС 5.903КЛ-1_3-09 Теплоцентр тип IV с ГВС 5.903КЛ-1_3-10 Спецификация теплоцентра тип IV с ГВС |
| Разработан: | Ленниипроект |
| Утверждён: | 30.12.1988 Ленниипроект (164-У) |




















