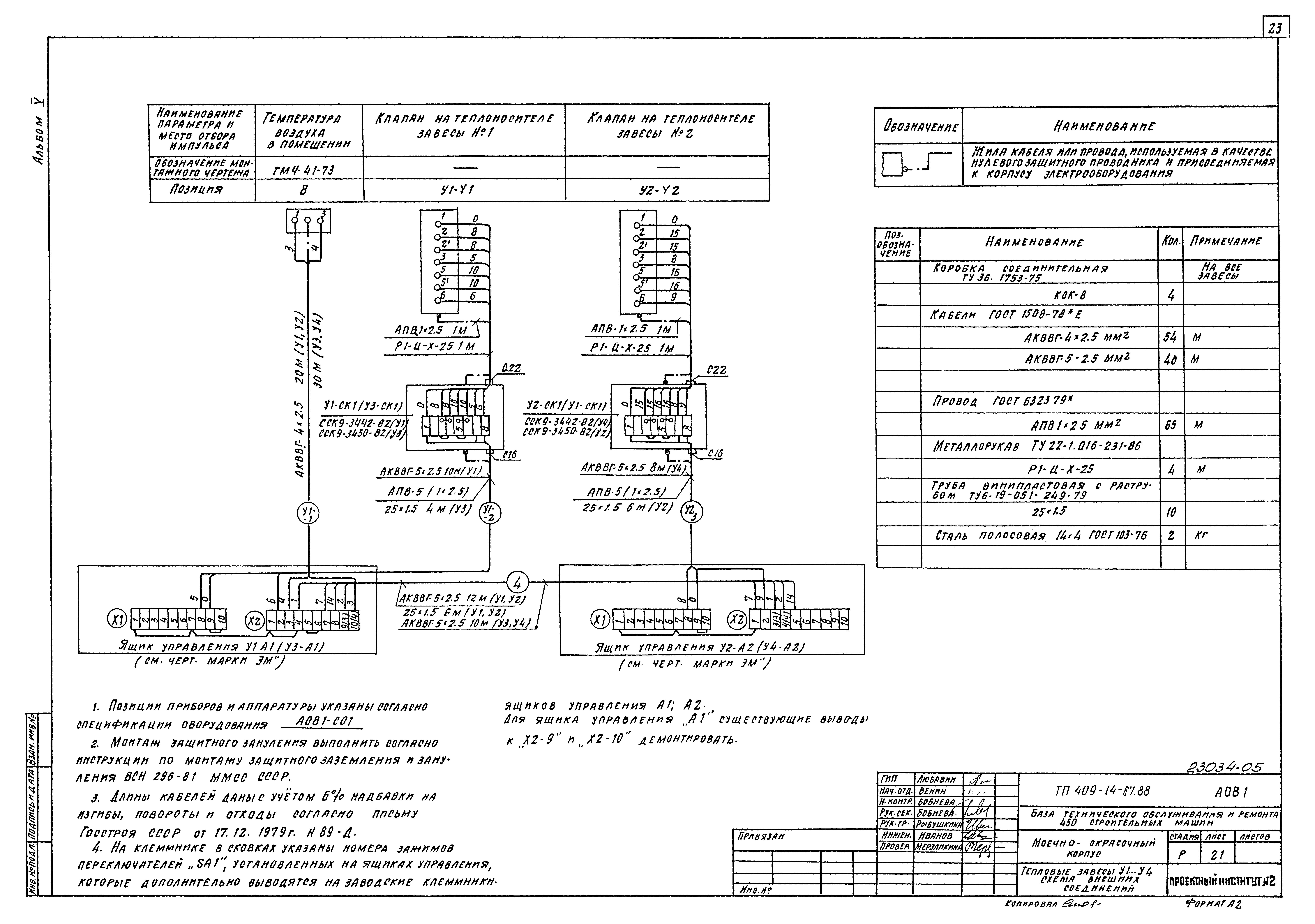
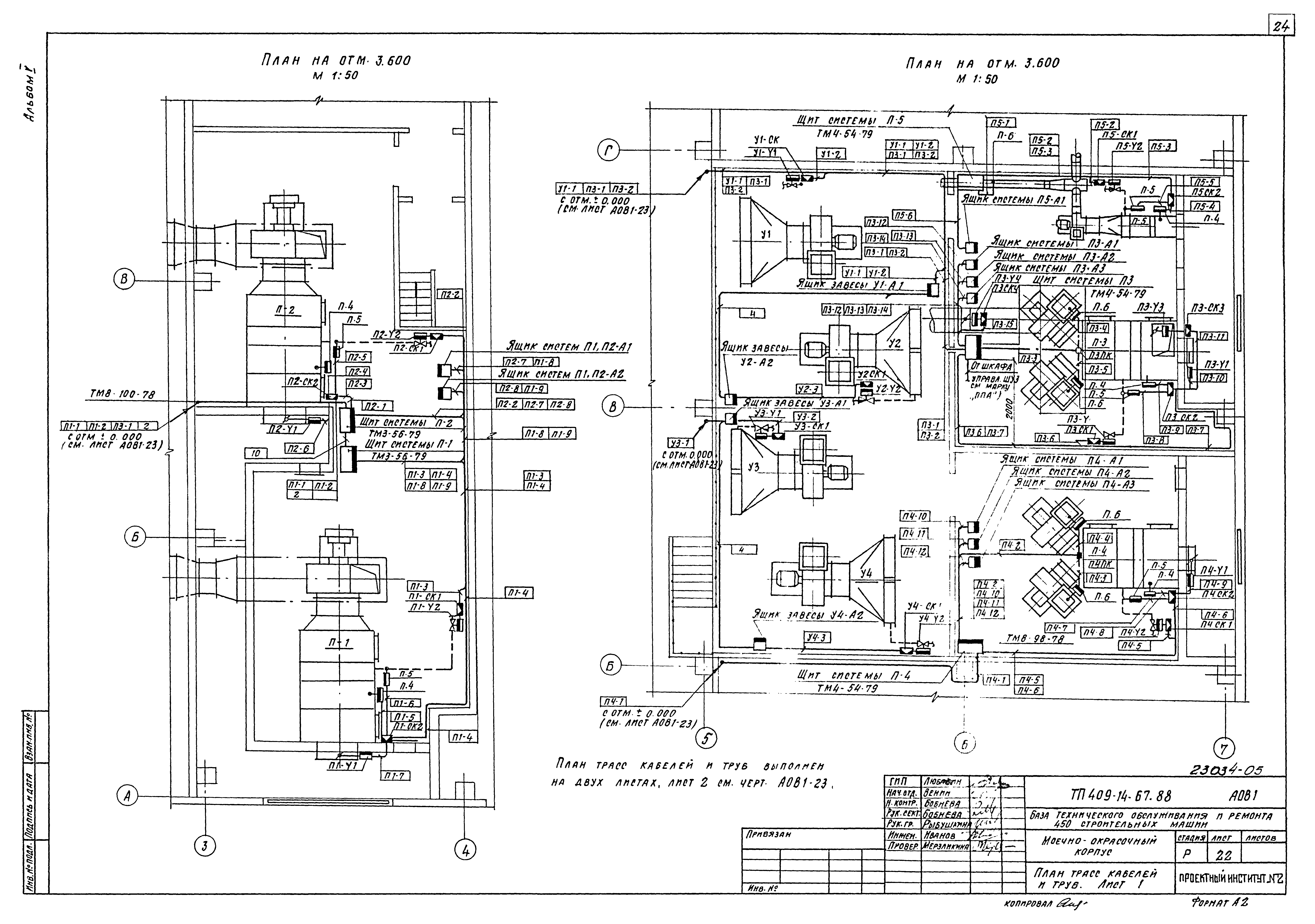
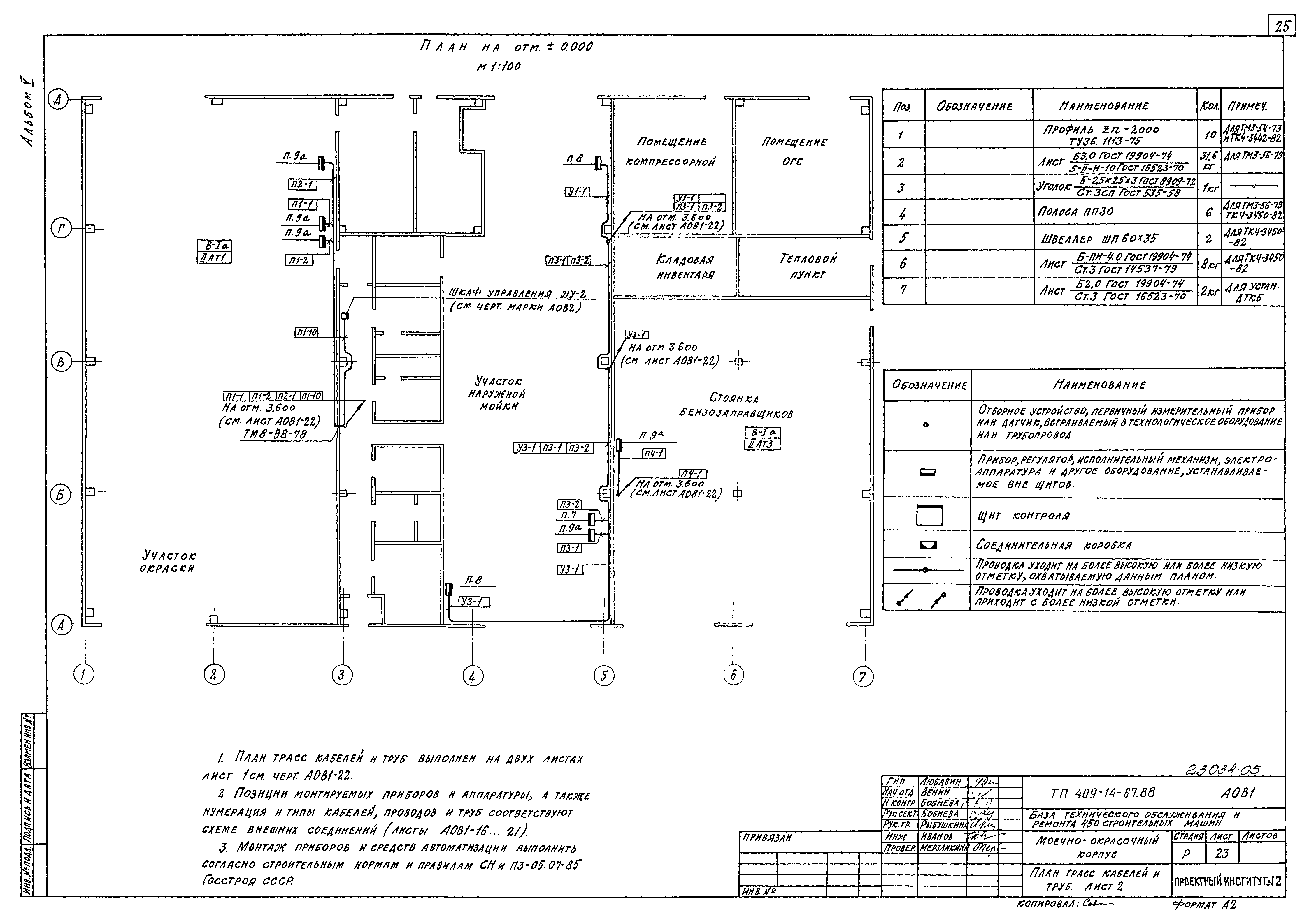
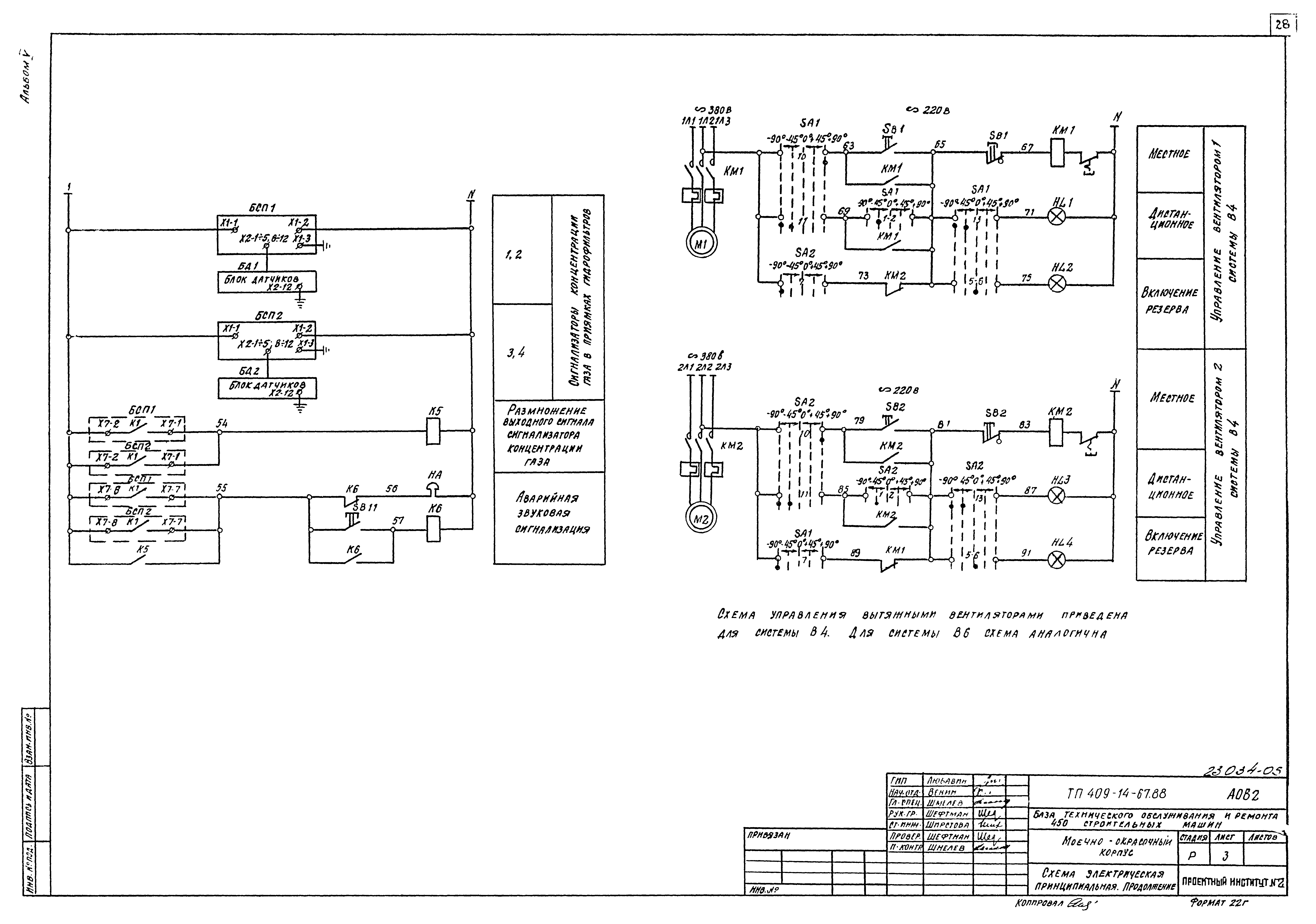
Скачать Типовой проект 409-14-67.88 Альбом V. Автоматизация сантехнических системДата актуализации: 01.01.2021
|
| Обозначение: | Типовой проект 409-14-67.88 |
| Обозначение англ: | 409-14-67.88 |
| Статус: | действует |
| Название рус.: | Альбом V. Автоматизация сантехнических систем |
| Дата добавления в базу: | 12.02.2016 |
| Дата актуализации: | 01.01.2021 |
| Дата введения: | 16.12.1987 |
| Разработан: | СПКБ Спецавтоматика Минприбора |
| Утверждён: | 14.12.1987 Госстрой СССР (Государственный комитет Совета Министров СССР по делам строительства) (USSR Gosstroy 92) |
| Издан: | ЦИТП Госстроя СССР (CITP, Gosstroy (USSR) 1988 г. ) |









































