Скачать Типовой проект 407-9-32.90 Альбом 3. Строительные изделия (из ТП 407-9-31.90)Дата актуализации: 01.01.2021
|
| Обозначение: | Типовой проект 407-9-32.90 |
| Обозначение англ: | 407-9-32.90 |
| Статус: | не определен законодательством |
| Название рус.: | Альбом 3. Строительные изделия (из ТП 407-9-31.90) |
| Дата добавления в базу: | 01.09.2013 |
| Дата актуализации: | 01.01.2021 |
| Дата введения: | 24.05.1990 |
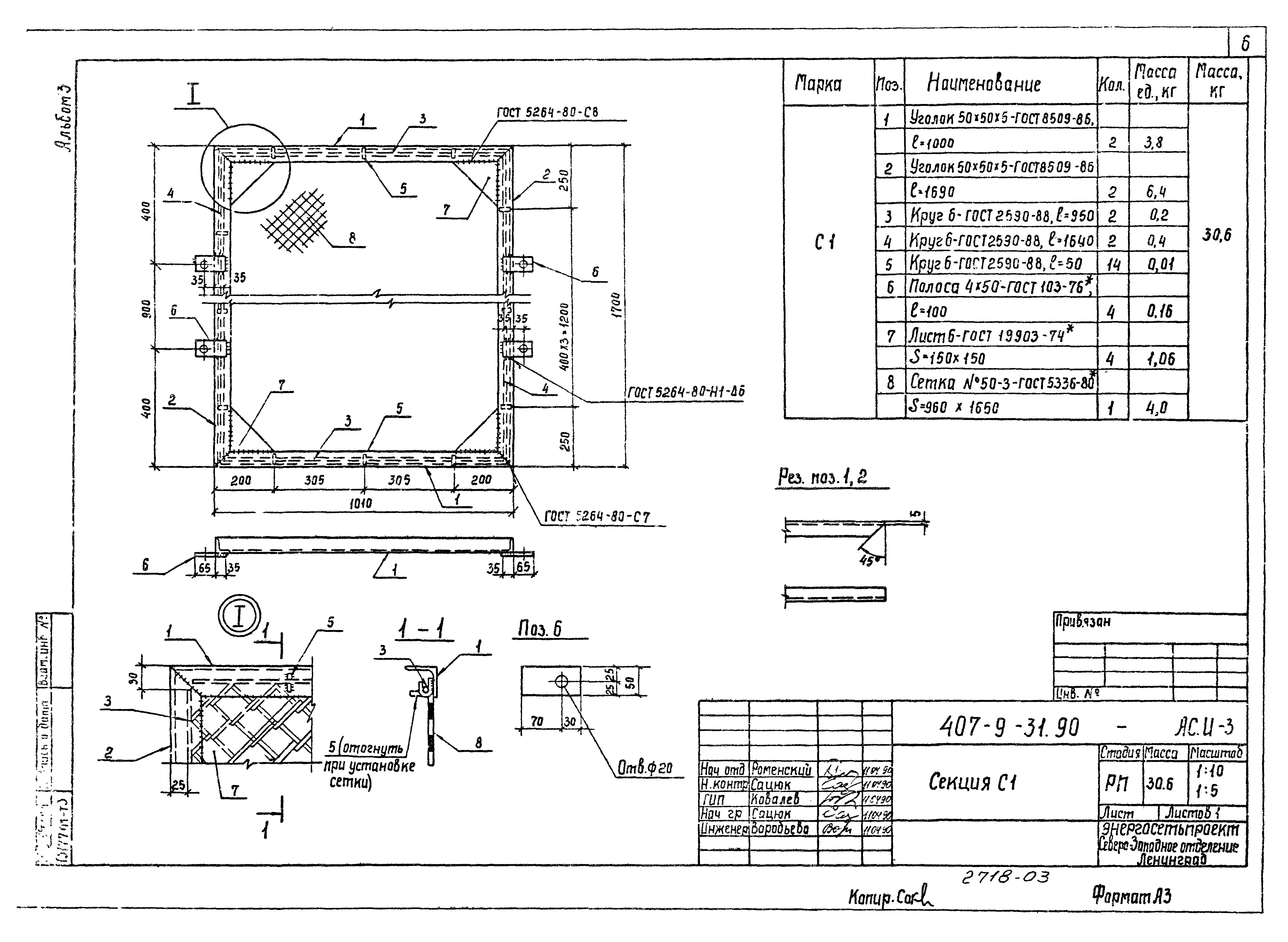
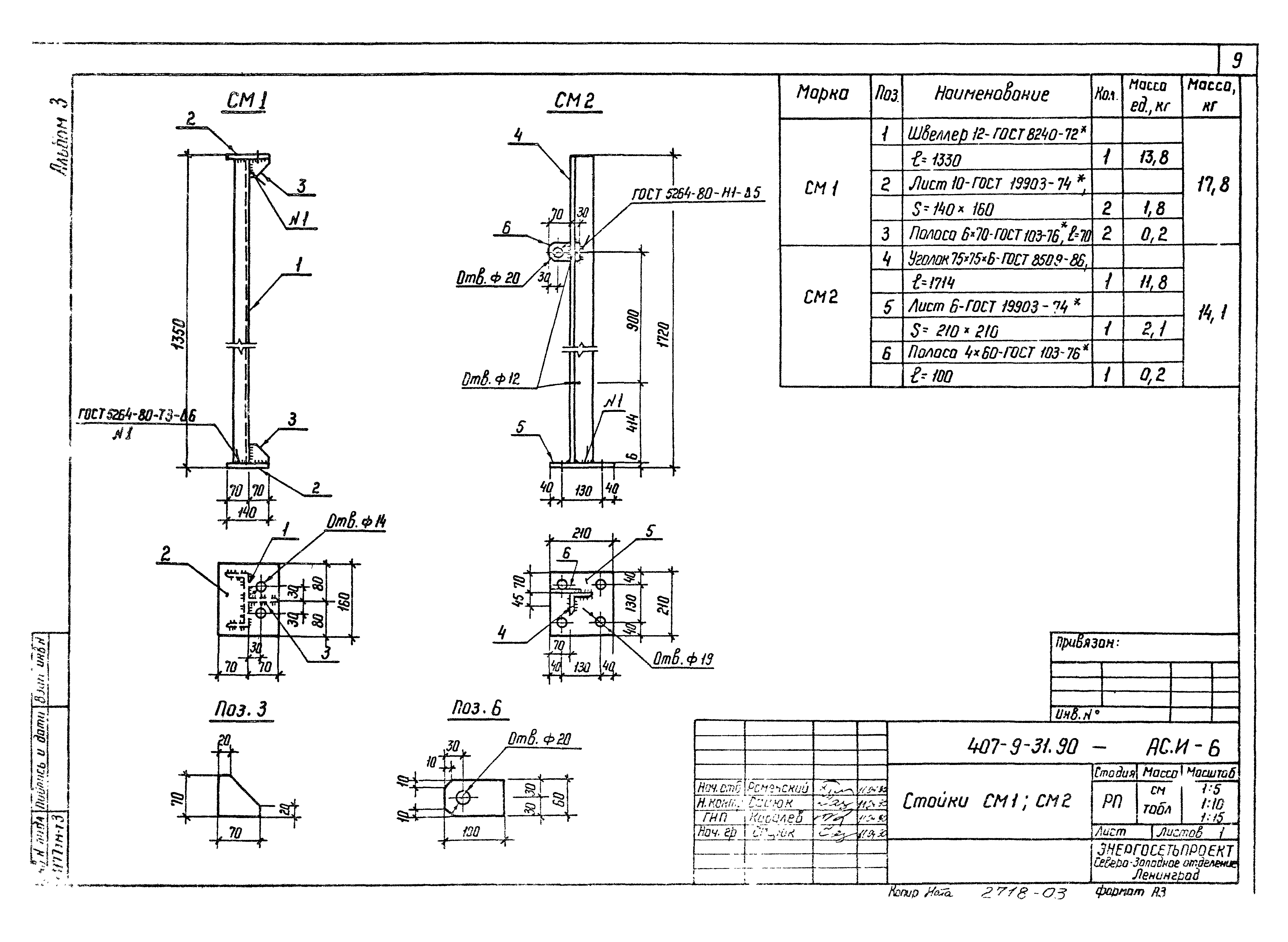
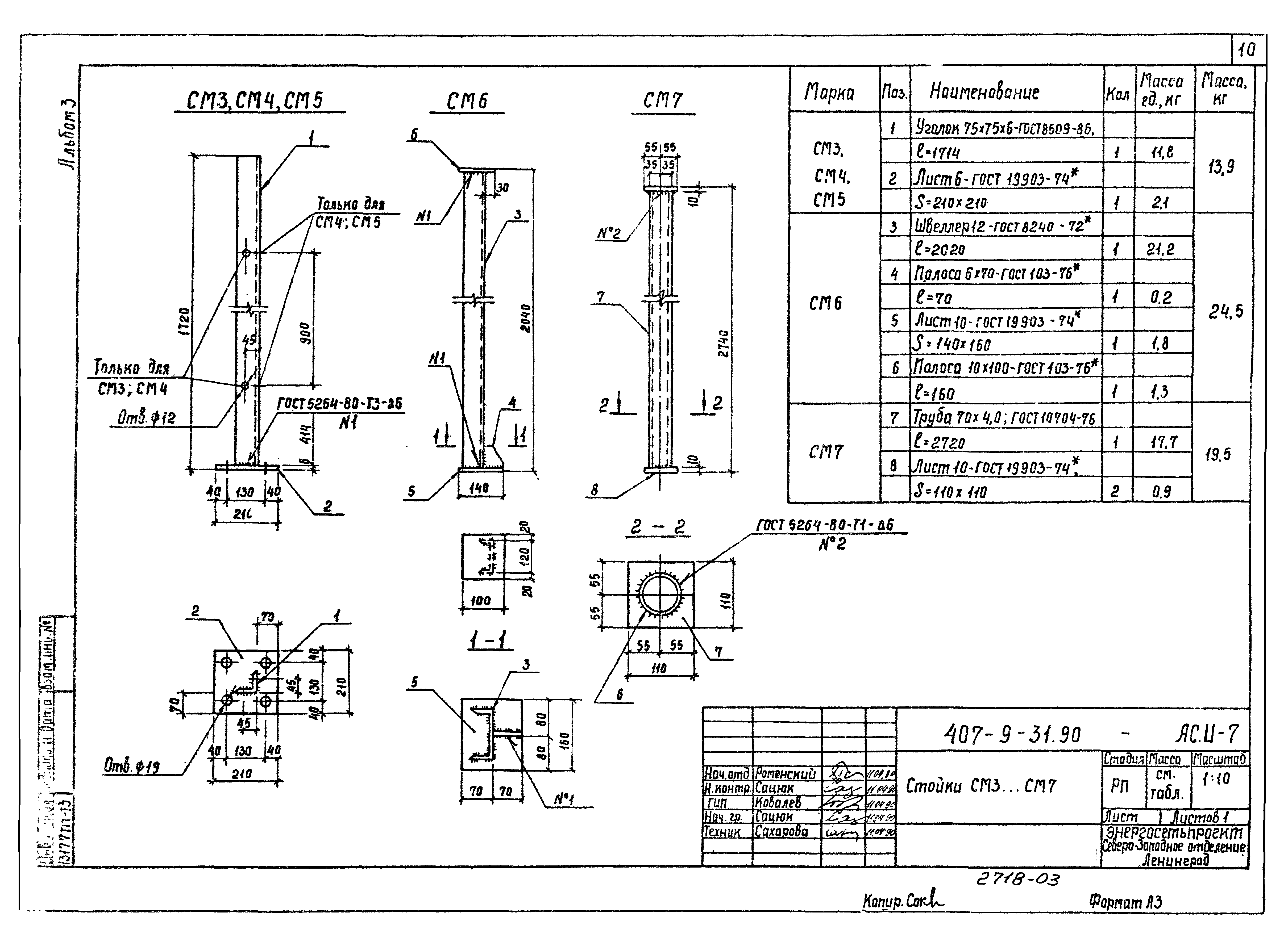
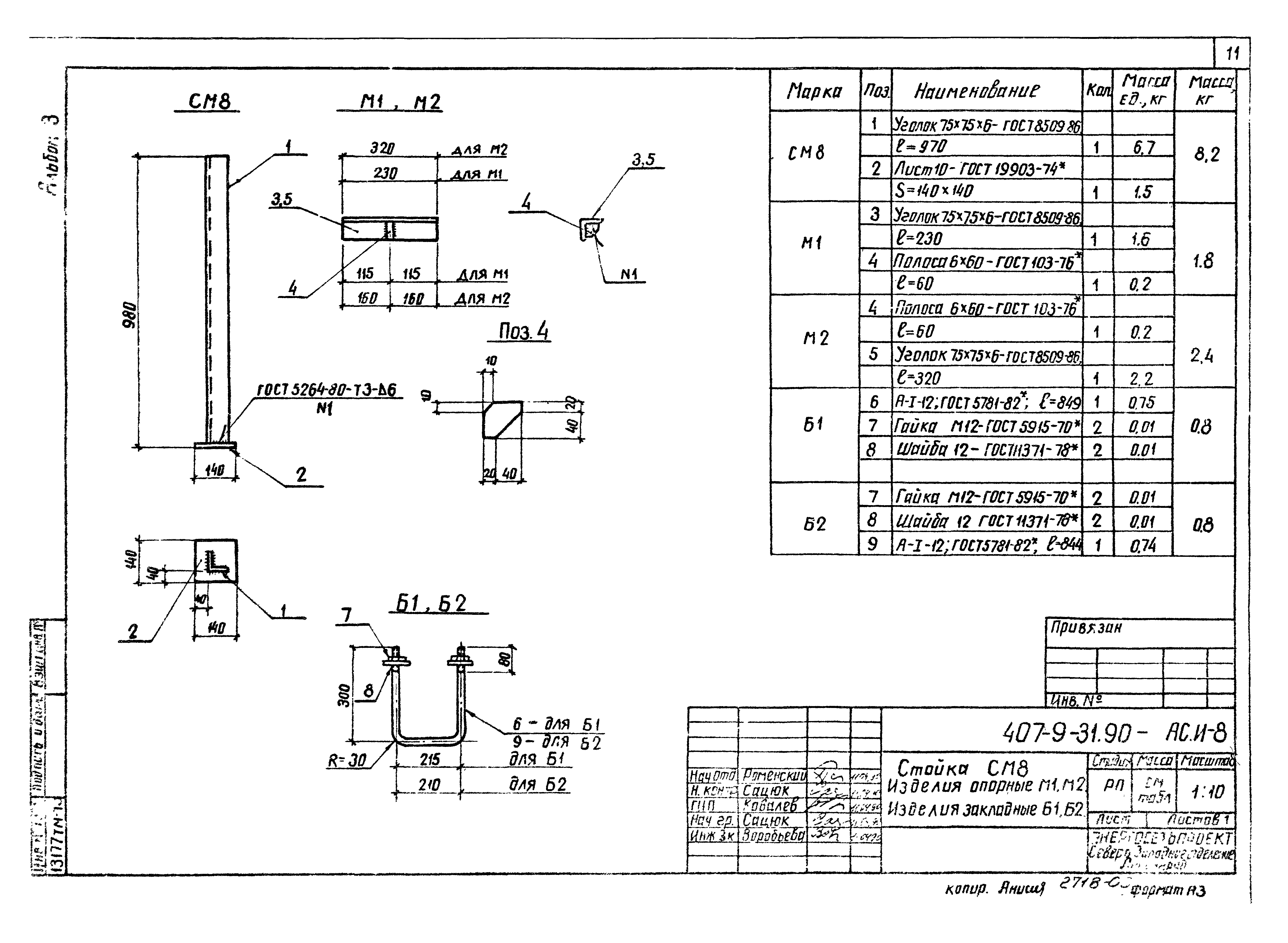
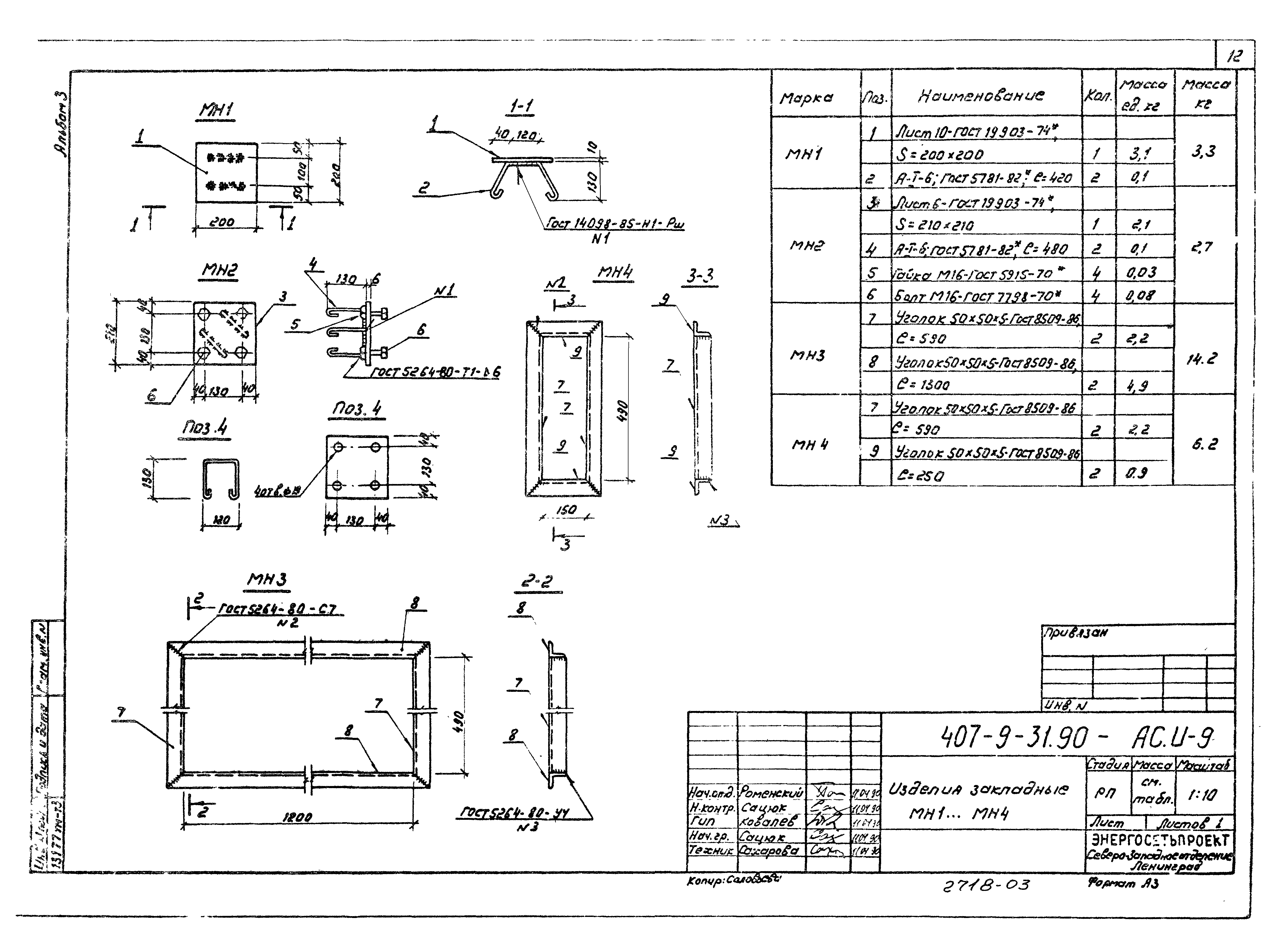
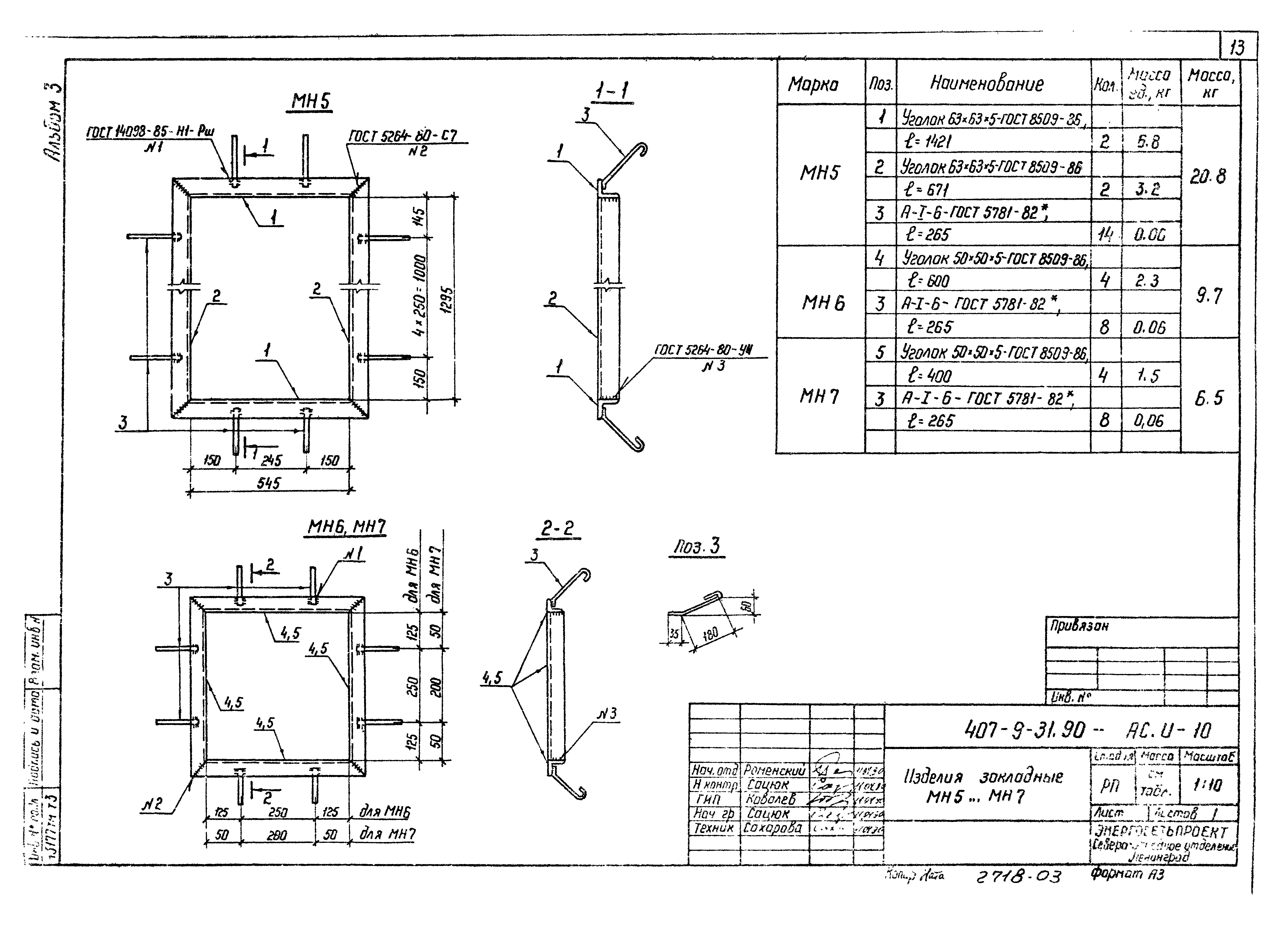
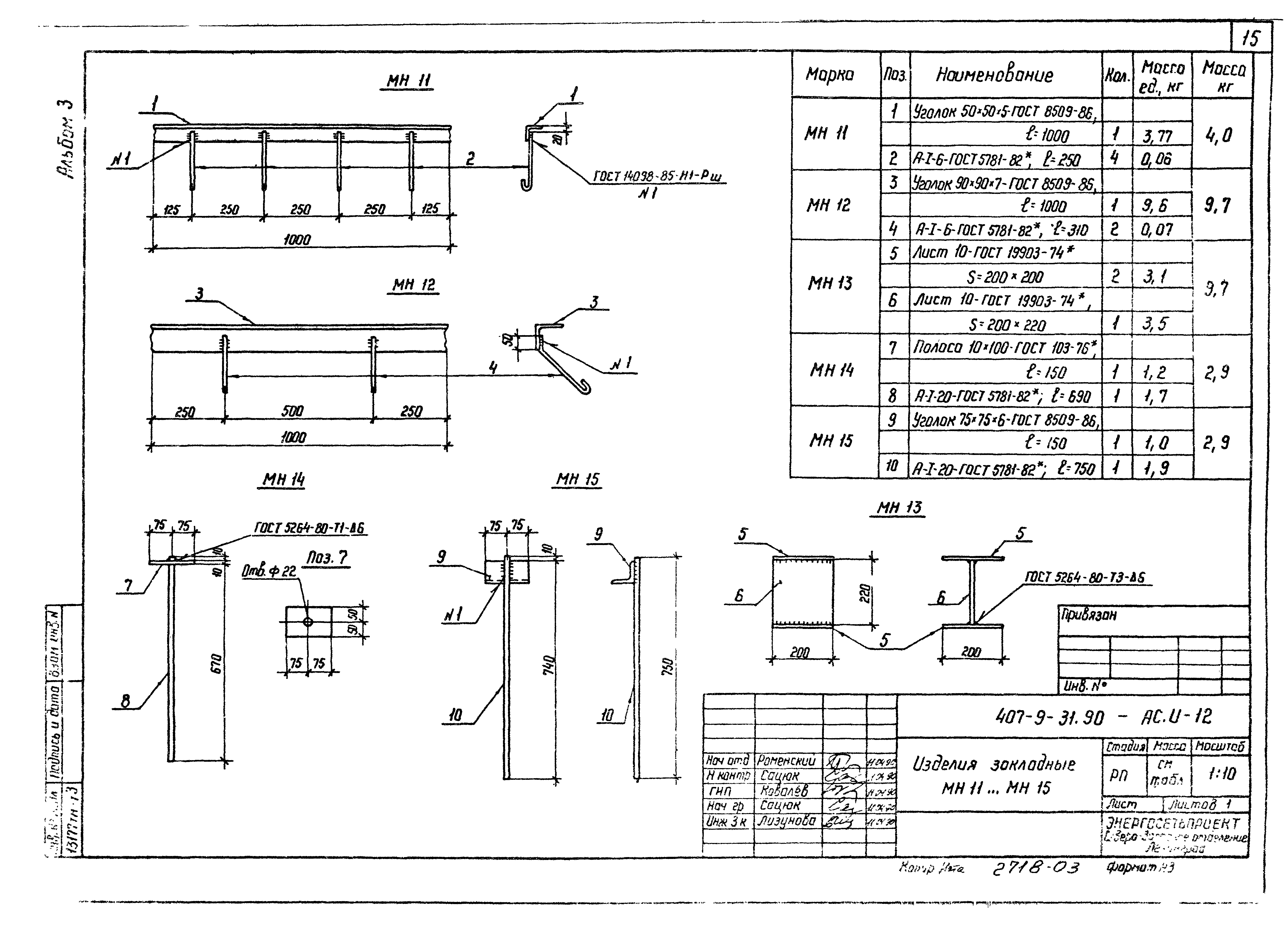
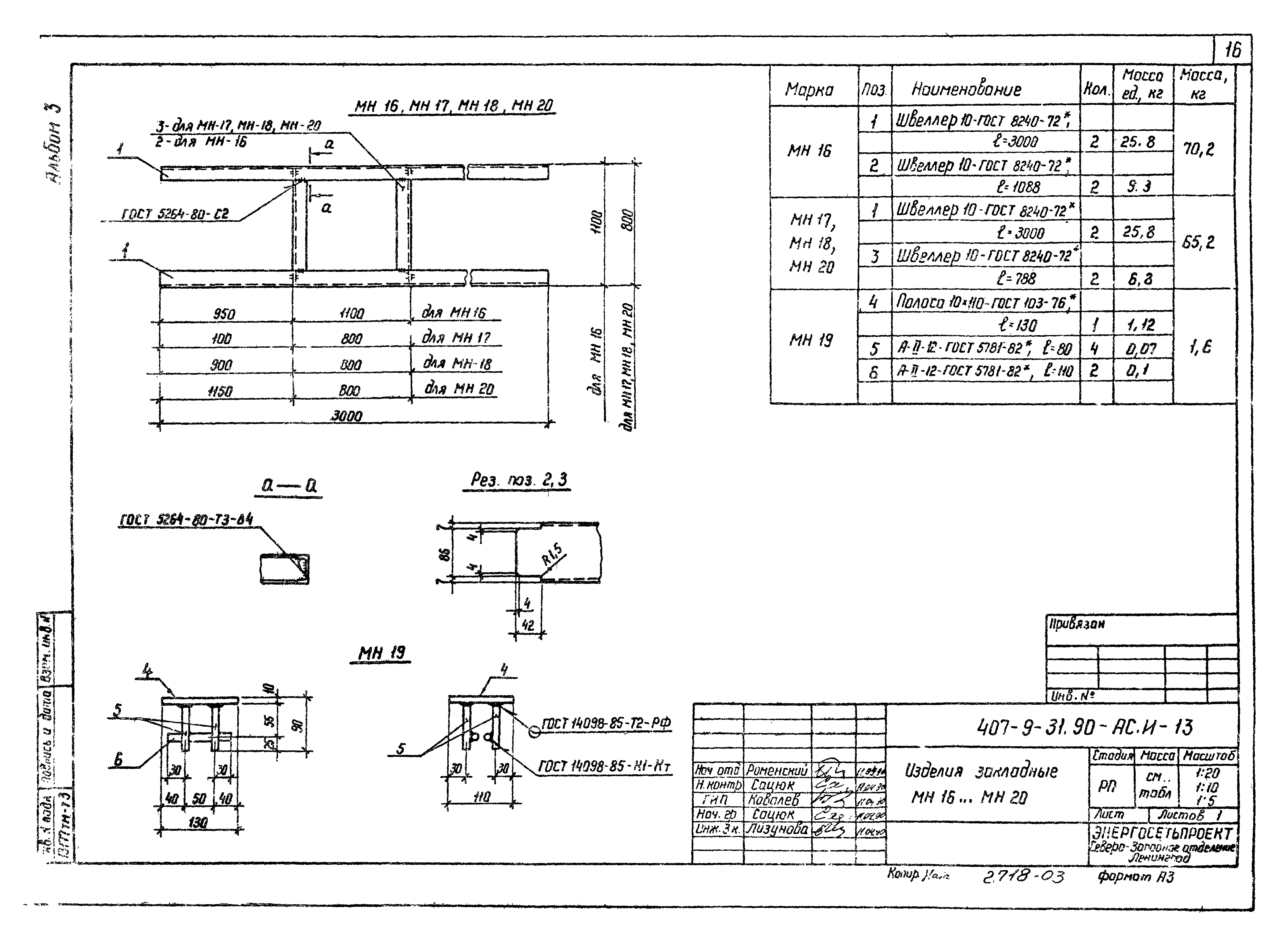
| Оглавление: | 407-9-31.90-АС.И-ТТ Технические требования 407-9-31.90-АС.И-1 Панель торцевая ПТО 407-9-31.90-АС.И-2 Плита покрытия Пу 407-9-31.90-АС.И-3 Секция С1 407-9-31.90-АС.И-4 Секции С2, С3 407-9-31.90-АС.И-5 Дверь Д1 407-9-31.90-АС.И-6 Стойки СМ1, СМ2 407-9-31.90-АС.И-7 Стойки СМ3…СМ7 407-9-31.90-АС.И-8 Стойка СМ8. Изделия опорные М1, М2. Изделия закладные Б1, Б2 407-9-31.90-АС.И-9 Изделия закладные МН1…МН4 407-9-31.90-АС.И-10 Изделия закладные МН5…МН7 407-9-31.90-АС.И-11 Изделия закладные МН8…МН10 407-9-31.90-АС.И-12 Изделия закладные МН11…МН15 407-9-31.90-АС.И-13 Изделия закладные МН16…МН20 407-9-31.90-АС.И-14 Изделия закладные МН21…МН24 407-9-31.90-АС.И-15 Изделия закладные МН25…МН31 407-9-31.90-АС.И-16 Щиты покрытия каналов Щ1…Щ6 |
| Разработан: | Северо-западное отделение института Энергосетьпроект |
| Утверждён: | 24.05.1990 Минэнерго СССР (USSR Minenergo 35) |
| Издан: | СЗО Энергосетьпроект (1990 г. ) |




















