Скачать Типовой проект 222-1-193/75 Альбом I. Архитектурно-строительные и технологические чертежиДата актуализации: 01.01.2021
|
| Обозначение: | Типовой проект 222-1-193/75 |
| Обозначение англ: | 222-1-193/75 |
| Статус: | действует |
| Название рус.: | Альбом I. Архитектурно-строительные и технологические чертежи |
| Дата добавления в базу: | 01.10.2014 |
| Дата актуализации: | 01.01.2021 |
| Дата введения: | 24.11.1975 |
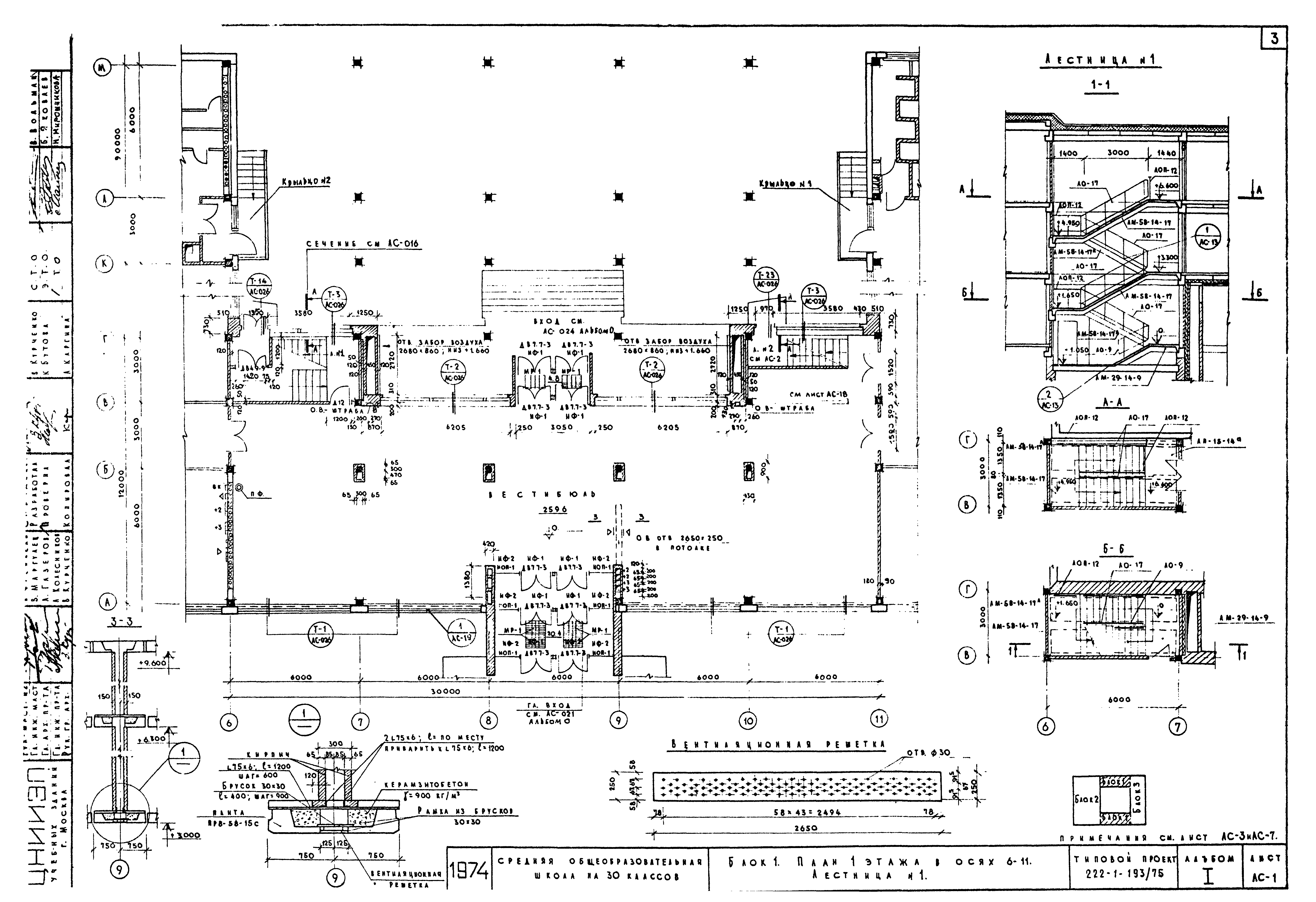
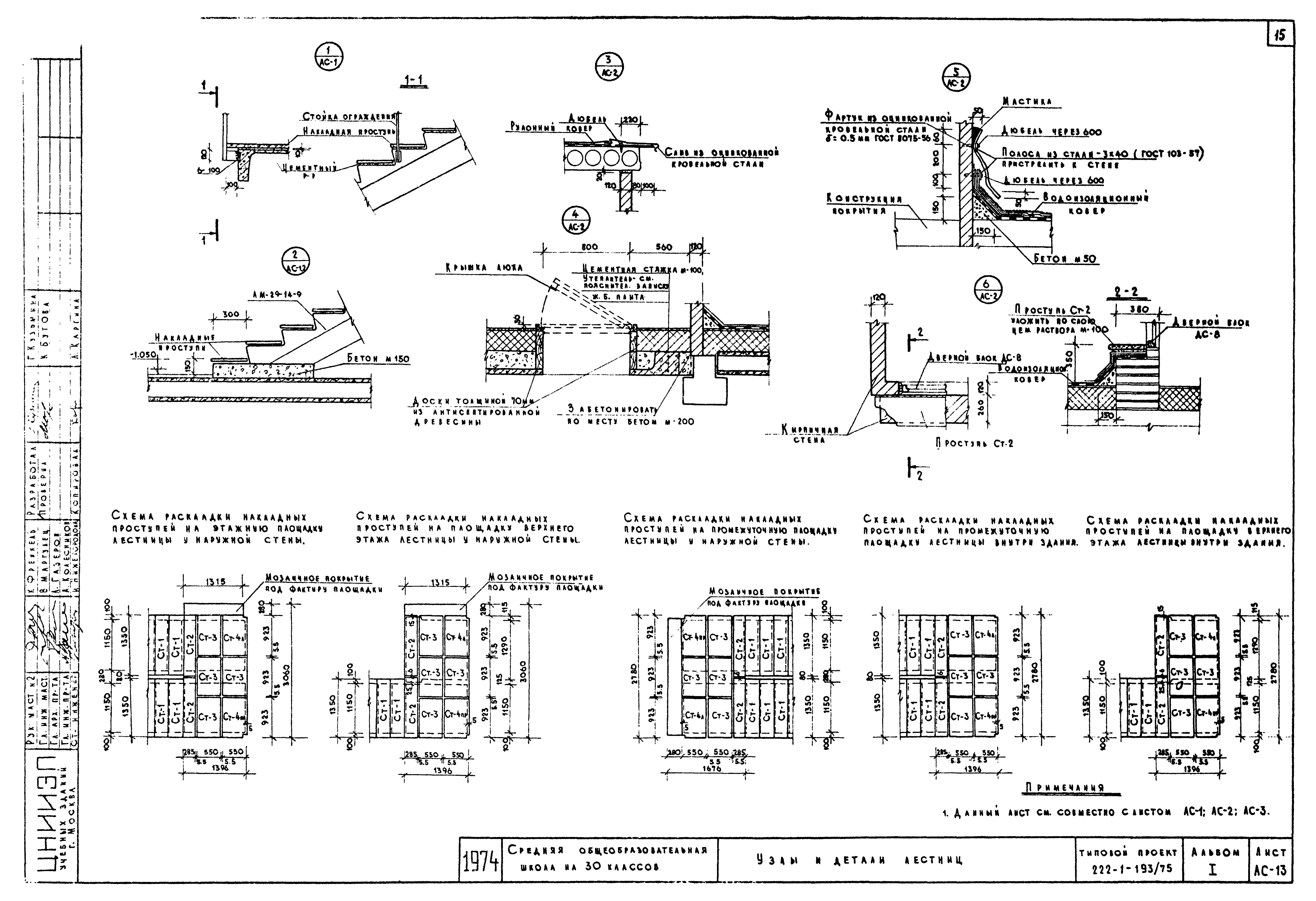
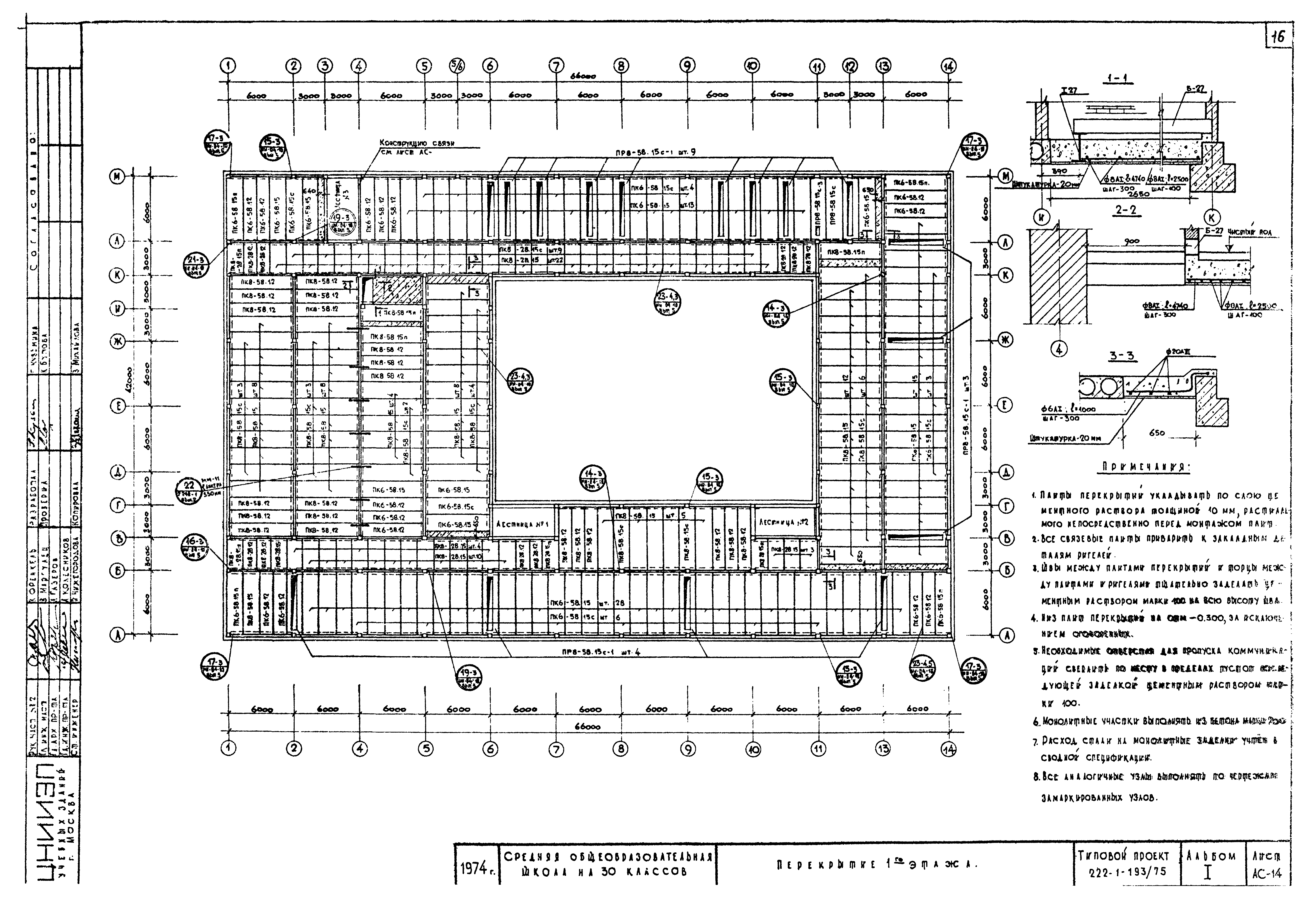
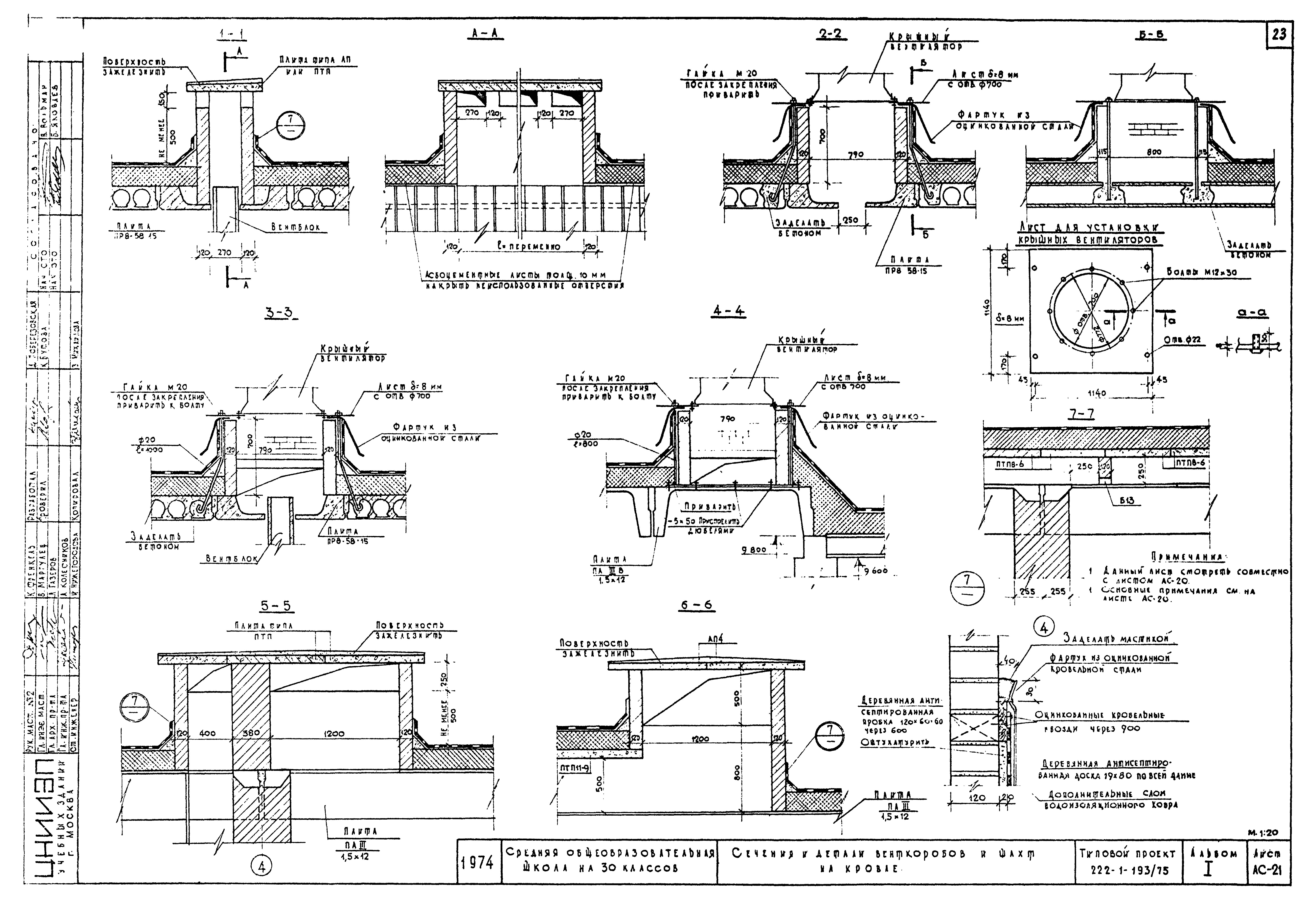
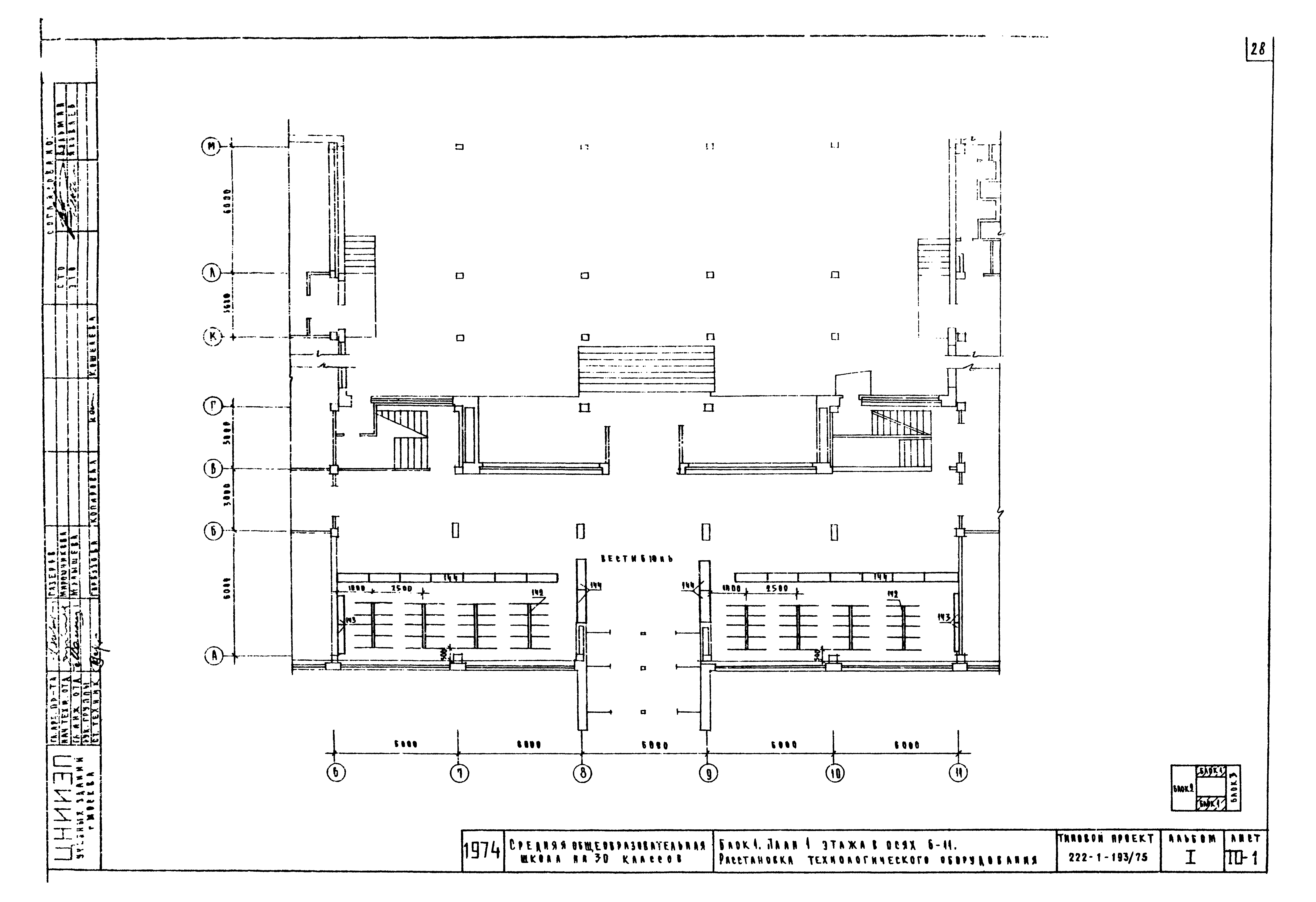
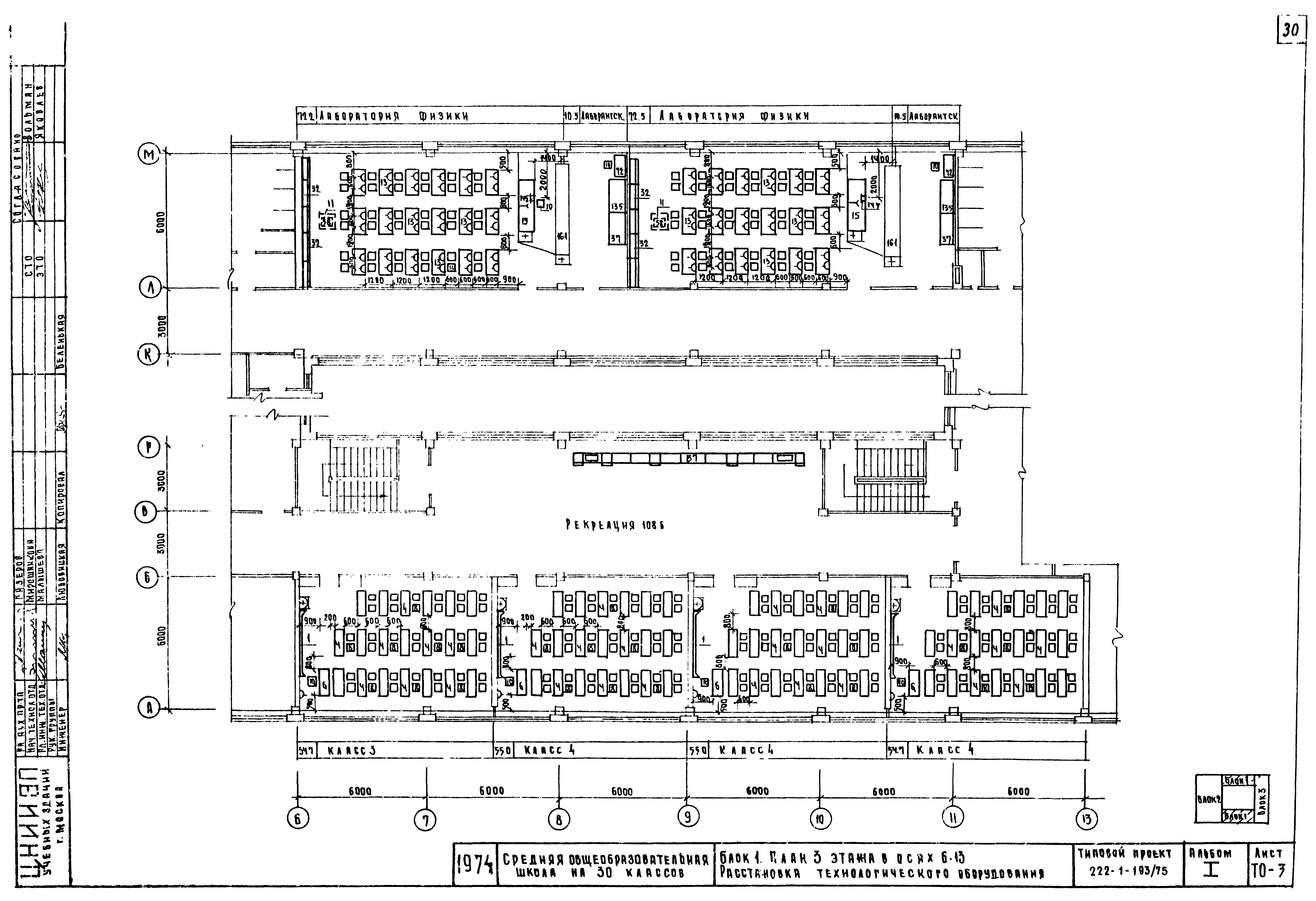
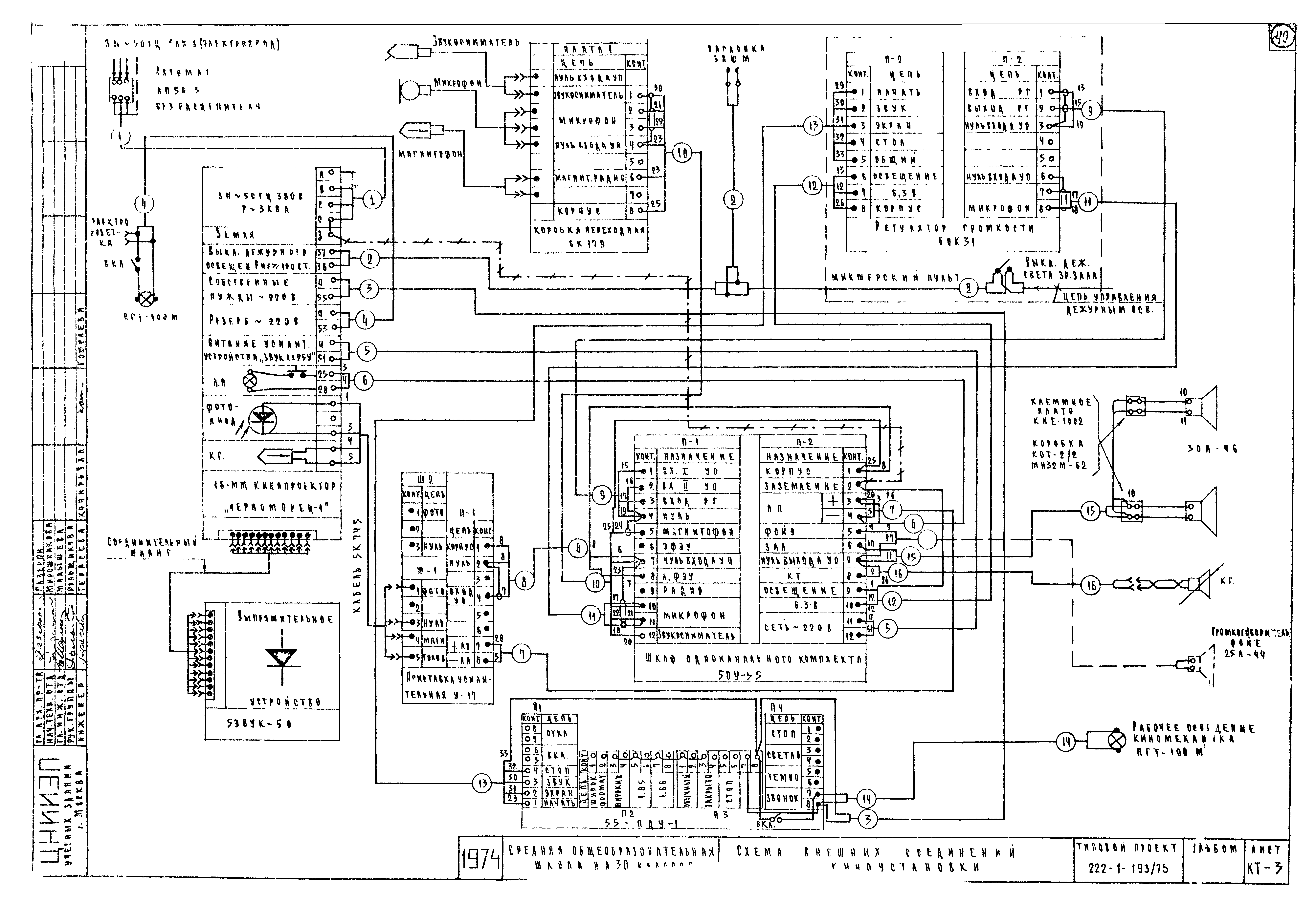
| Оглавление: | Содержание альбома. Пояснительная записка. Спецификация типовых деталей Чертежи основного комплекта марки АС Блок 1. План 1-го этажа в осях 6 - 11. Лестница №1 Блок 1. План 2-го этажа в осях 6 - 13. Лестница №2 Блок 1. План 3-го этажа в осях 6 - 13. Лестница №3 (блок 2) Блок 2. План 1-го этажа в осях 1 - 6 Блок 2. План 2-го этажа в осях 1 - 6 Блок 2. План 3-го этажа в осях 1 - 6 Блок 3. План 1-го этажа в осях 11 - 14 Блок 3. План 2-го и 3-го этажей в осях 11 - 14 Фасады в осях "1 - 14" и "11 - 6". Разрез 1-1. Раскладка стеновых панелей по оси "А" и по оси "Г" Фасады в осях "М - Л" и "Г - М". Разрез 2-2. Раскладка стеновых панелей по оси "1" и "6" Фасады в осях "14 - 1" и "6 - 11". Разрез 3-3. Раскладка стеновых панелей по оси "М" и "К" Фасады в осях "А - М" и "М - Г". Разрез 4-4. Раскладка стеновых панелей по оси "14" и "11" Узлы и детали лестниц Перекрытие 1-го этажа Перекрытие 2-го этажа План покрытия Утепление перекрытий 1-го этажа в осях "В - Г" между осями "7 - 10" и в осях "К - М" между осями "6 - 11" Интерьер вестибюля Установка сдвоенных окон и дверей План кровли. Раскладка парапетных плит и плит над венткамерами Сечение и детали венткоробов и шахт на кровле Узлы и детали кровли Охлаждаемая камера. Изоляция междуэтажного перекрытия и стен Узлы крепления баскетбольного щита к колонне, каната, гимнастической сетки и колец Ограждение окон и радиаторов гимнастического зала. Крепление защитной сетки светильников гимнастического зала Чертежи основного комплекта марки ТО Блок 1. План 1 этажа в осях "6" - "11". Расстановка технологического оборудования Блок 1. План 2 этажа в осях "6" - "13". Расстановка технологического оборудования Блок 1. План 3 этажа в осях "6" - "13". Расстановка технологического оборудования Блок 2. План 1 этажа в осях "1" - "6". Расстановка технологического оборудования Блок 2. План 2 этажа в осях "1" - "6". Расстановка технологического оборудования Блок 2. План 3 этажа в осях "1" - "6". Расстановка технологического оборудования Блок 3. План 1 этажа в осях "11" - "14". Расстановка технологического оборудования Блок 3. План 2 этажа в осях "11" - "14". План 3 этажа в осях "11" - "14". Расстановка технологического оборудования Сводная спецификация технологического оборудования Чертежи основного комплекта марки КТ Пояснительная записка. Спецификация оборудования и материалов. Перечень чертежей План и разрезы актового зала и киноаппаратной. Раскладка стальных труб с проводами в кинопроекционной Схема внешних соединений киноустановки |
| Разработан: | ЦНИИЭП учебных зданий |
| Утверждён: | 24.11.1975 ЦНИИЭП учебных зданий (TsNIIEP of Educational Buildings 147) |








































