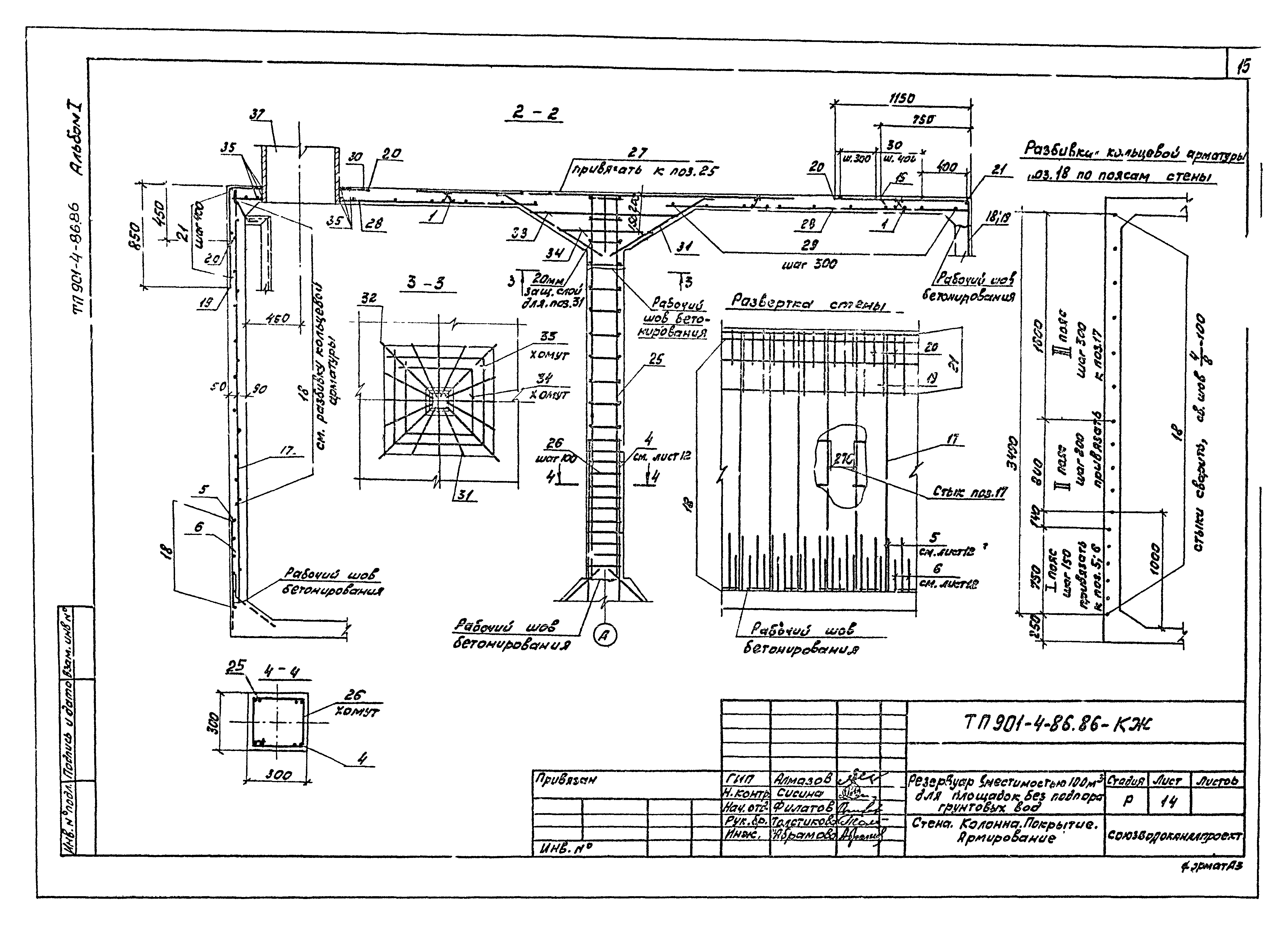
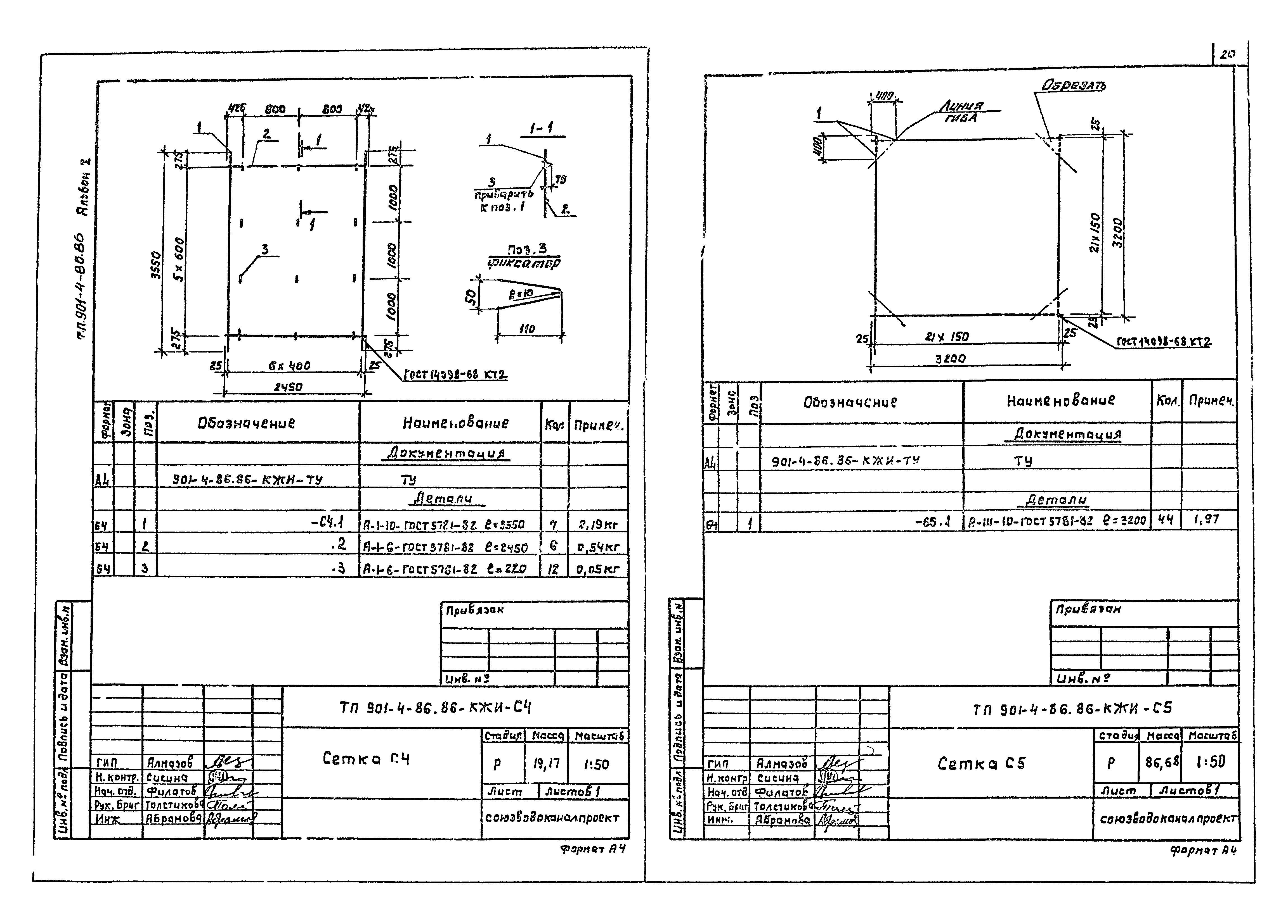
Скачать Типовой проект 901-4-86.86 Альбом I. Конструктивные решенияДата актуализации: 01.01.2021 Типовой проект 901-4-86.86
Альбом I. Конструктивные решения| Обозначение: | Типовой проект 901-4-86.86 | | Обозначение англ: | 901-4-86.86 | | Статус: | действует | | Название рус.: | Альбом I. Конструктивные решения | | Дата добавления в базу: | 12.02.2016 | | Дата актуализации: | 01.01.2021 | | Дата введения: | 12.11.1986 | | Разработан: | Союзводоканалпроект НИИЖБ
| | Утверждён: | 06.11.1986 Госстрой СССР (Государственный комитет Совета Министров СССР по делам строительства) (USSR Gosstroy АЧ-73)
|
                        
|