Скачать Типовой проект 212-2-41/75 Альбом VI. Заказные спецификацииДата актуализации: 01.01.2021
|
| Обозначение: | Типовой проект 212-2-41/75 |
| Обозначение англ: | 212-2-41/75 |
| Статус: | действует |
| Название рус.: | Альбом VI. Заказные спецификации |
| Дата добавления в базу: | 01.09.2013 |
| Дата актуализации: | 01.01.2021 |
| Дата введения: | 10.07.1975 |
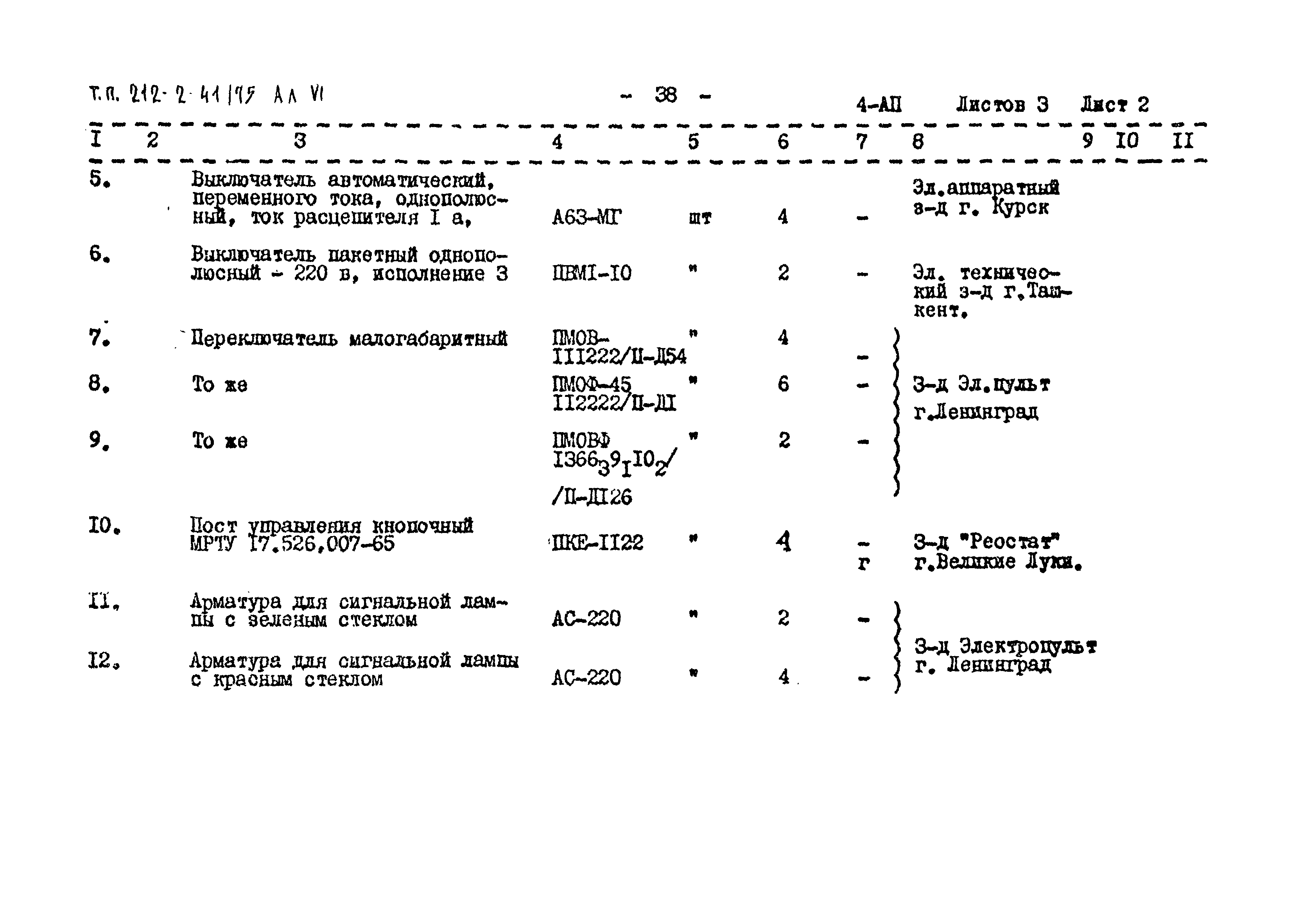
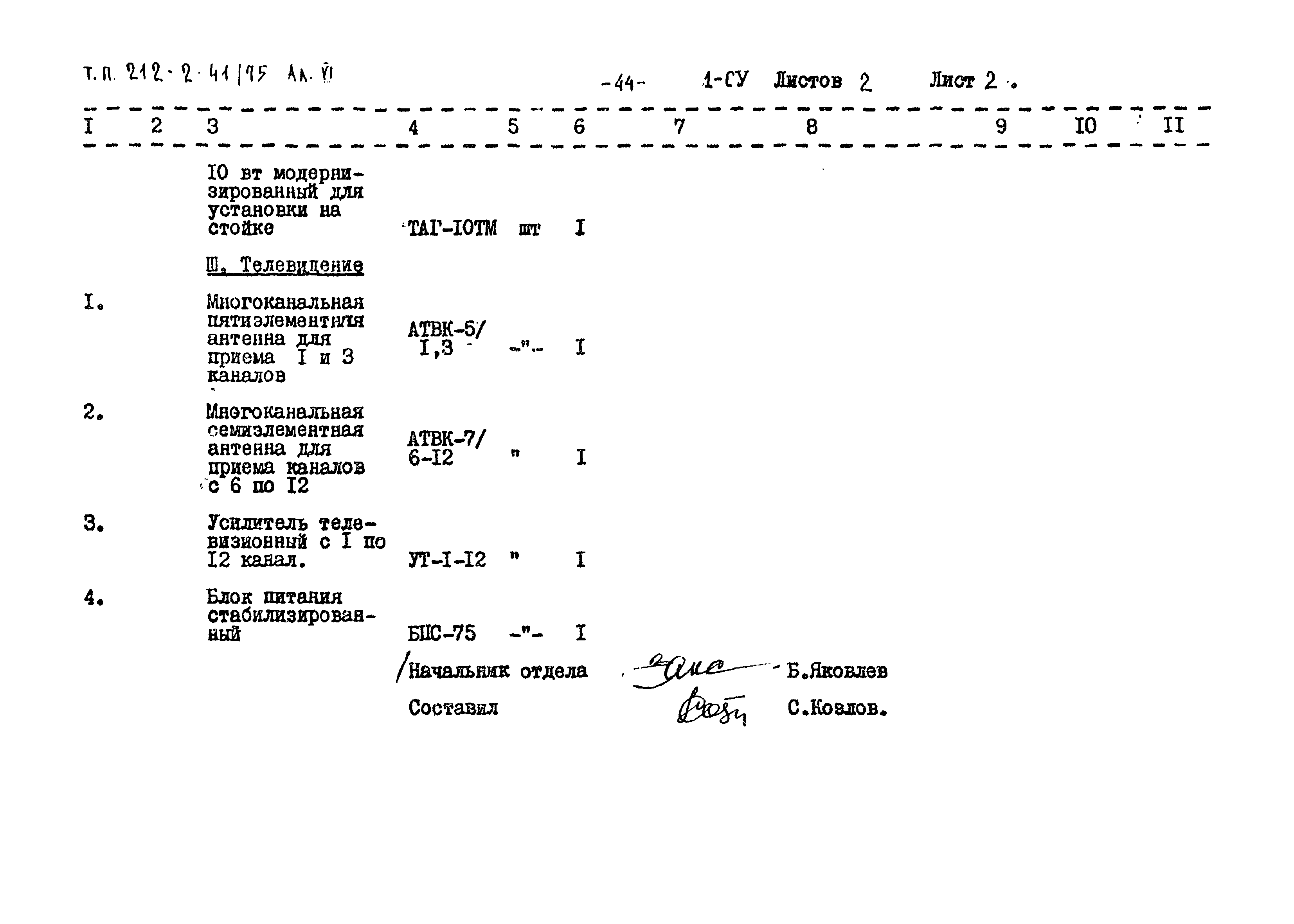
| Оглавление: | Заказная спецификация на технологическое оборудование Заказная спецификация на оборудование санитарно-технической части Заказная спецификация на электротехническое оборудование Заказная спецификация на оборудование автоматизации Заказная спецификация на связь и сигнализацию |
| Разработан: | ЦНИИЭП учебных зданий |
| Утверждён: | 20.07.1971 Госгражданстрой (Gosgrazhdanstroy 125) |

















































