Скачать РД 39-2-231-79 Нормы расхода запасных частей на ремонтно-эксплуатационные нужды к пневматическим клиньям ротора ПКР-560Дата актуализации: 01.01.2021
|
| Обозначение: | РД 39-2-231-79 |
| Обозначение англ: | RD 39-2-231-79 |
| Статус: | введен впервые |
| Название рус.: | Нормы расхода запасных частей на ремонтно-эксплуатационные нужды к пневматическим клиньям ротора ПКР-560 |
| Дата добавления в базу: | 01.09.2013 |
| Дата актуализации: | 01.01.2021 |
| Дата введения: | 01.12.1979 |
| Область применения: | Нормы расхода запасных частей на ремонтно-эксплуатационные нужды к пневматическим клиньям ротора ПКР-560 служат руководящим документом для всех подразделений и служб отрасли, занимающихся вопросами бурения скважин на нефть и газ, ремонта бурового оборудования, при определении потребности в запасных частях для эксплуатации и капитального ремонта машин, а также для организаций, осуществляющих планирование объемов производства и распределение запасных частей. |
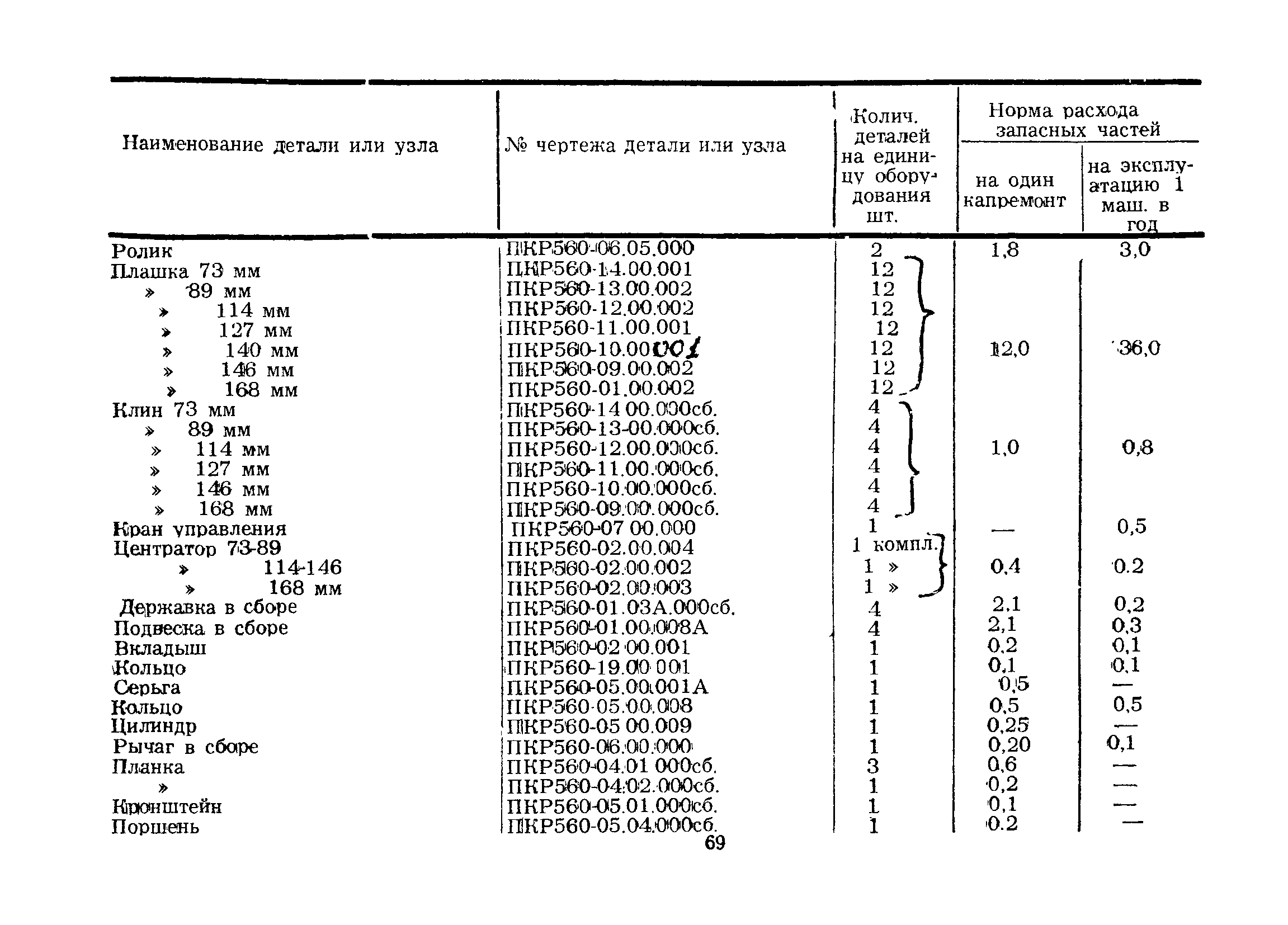
| Оглавление: | Пример подсчета потребности в запасных частях на ремонтно-эксплуатационные нужды к пневматическим клиньям ротора ПКР-560 |
| Разработан: | ЦНИЛ Союзнефтебурмашремонт |
| Утверждён: | Министерство химического и нефтяного машиностроения СССР (USSR Ministry of Chemical and Petroleum Machine Manufacturing ) Министерство тяжелого и транспортного машиностроения Министерство нефтяной промышленности |
| Принят: | Минхиммаш СССР (USSR Minkhimmash ) Минтяжмаш СССР (USSR Mintyazhmash ) Миннефтепром СССР |





