Скачать Серия 3.001-2 Выпуск 1. Каталог пружин и рессор для виброизоляторовДата актуализации: 01.01.2021
|
| Обозначение: | Серия 3.001-2 |
| Обозначение англ: | Series 3.001-2 |
| Статус: | отменен |
| Название рус.: | Выпуск 1. Каталог пружин и рессор для виброизоляторов |
| Дата добавления в базу: | 01.09.2013 |
| Дата актуализации: | 01.01.2021 |
| Дата введения: | 01.09.1978 |
| Дата окончания срока действия: | 01.12.1991 |
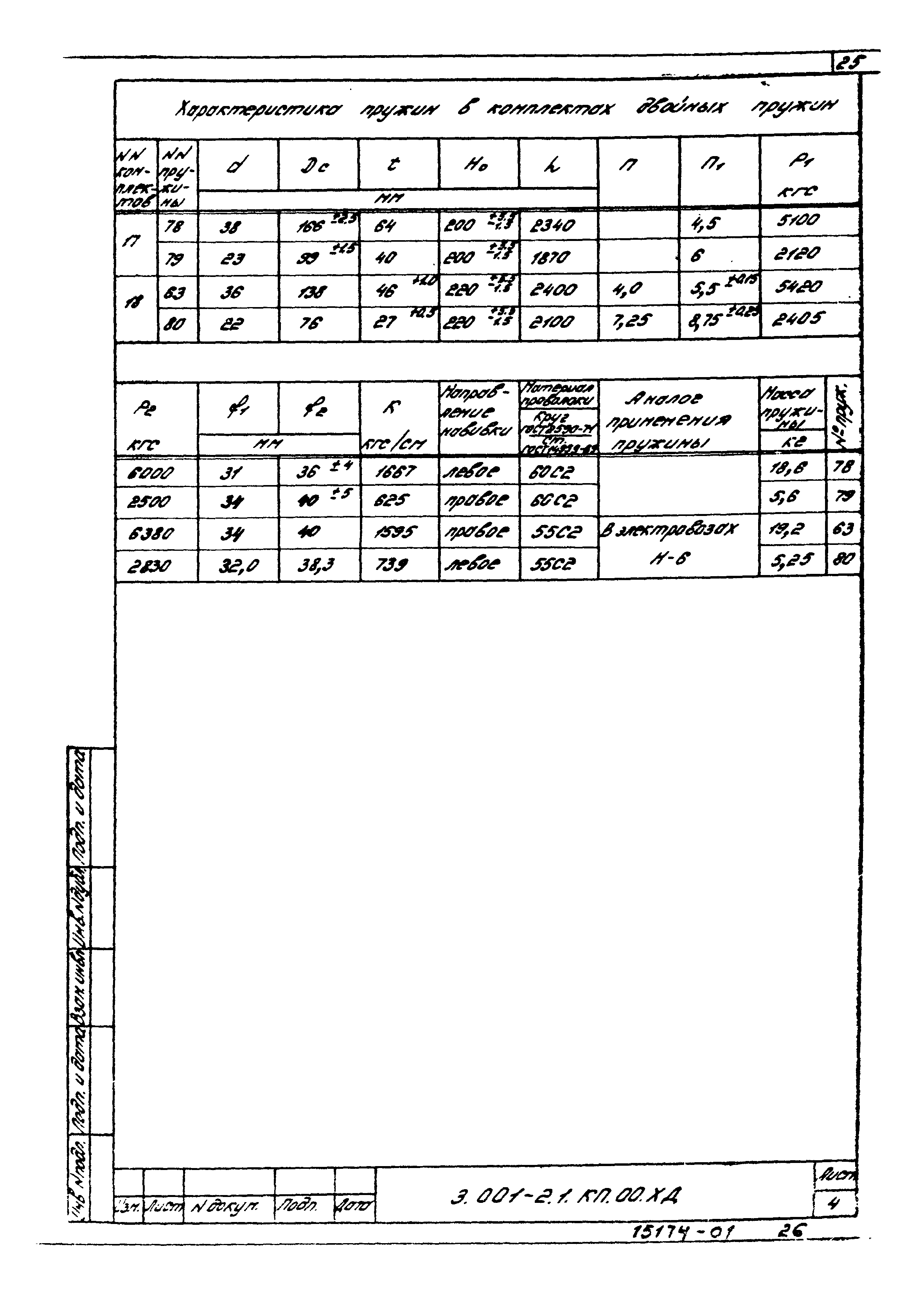
| Оглавление: | 3.001-2.1.КП.00.С Содержание выпуска 3.001-2.1.КП.00.ПЗ Пояснительная записка 3.001-2.1.КП.00.РУД Обозначение размеров, усилий и деформаций пружин 3.001-2.1.КП.00.ПО Перечень одиночных пружин 3.001-2.1.КП.00.ПД Перечень комплектов двойных пружин 3.001-2.1.КП.00.ПТ Перечень комплектов тройных пружин 3.001-2.1.КП.00.ХО Характеристика одиночных пружин 3.001-2.1.КП.00.ХД Характеристика пружин в комплектах двойных пружин 3.001-2.1.КП.00.ХТ Характеристика пружин в комплектах тройных пружин 3.001-2.1.КР.00.Р1 Рессора листовая ТЭП60.31.21.001 3.001-2.1.КР.00.Р2 Рессора листовая 5ТМ.285.014 |
| Разработан: | ЦНИИСК им. В.А. Кучеренко ЦНИИпромзданий |
| Утверждён: | 10.05.1978 Госстрой СССР (Государственный комитет Совета Министров СССР по делам строительства) (USSR Gosstroy 83) |





























