Скачать Типовые проектные решения 407-03-433.87 Альбом II. Строительные конструкцииДата актуализации: 01.01.2021
|
| Обозначение: | Типовые проектные решения 407-03-433.87 |
| Обозначение англ: | 407-03-433.87 |
| Статус: | заменен |
| Название рус.: | Альбом II. Строительные конструкции |
| Дата добавления в базу: | 01.09.2013 |
| Дата актуализации: | 01.01.2021 |
| Дата окончания срока действия: | 01.10.1992 |
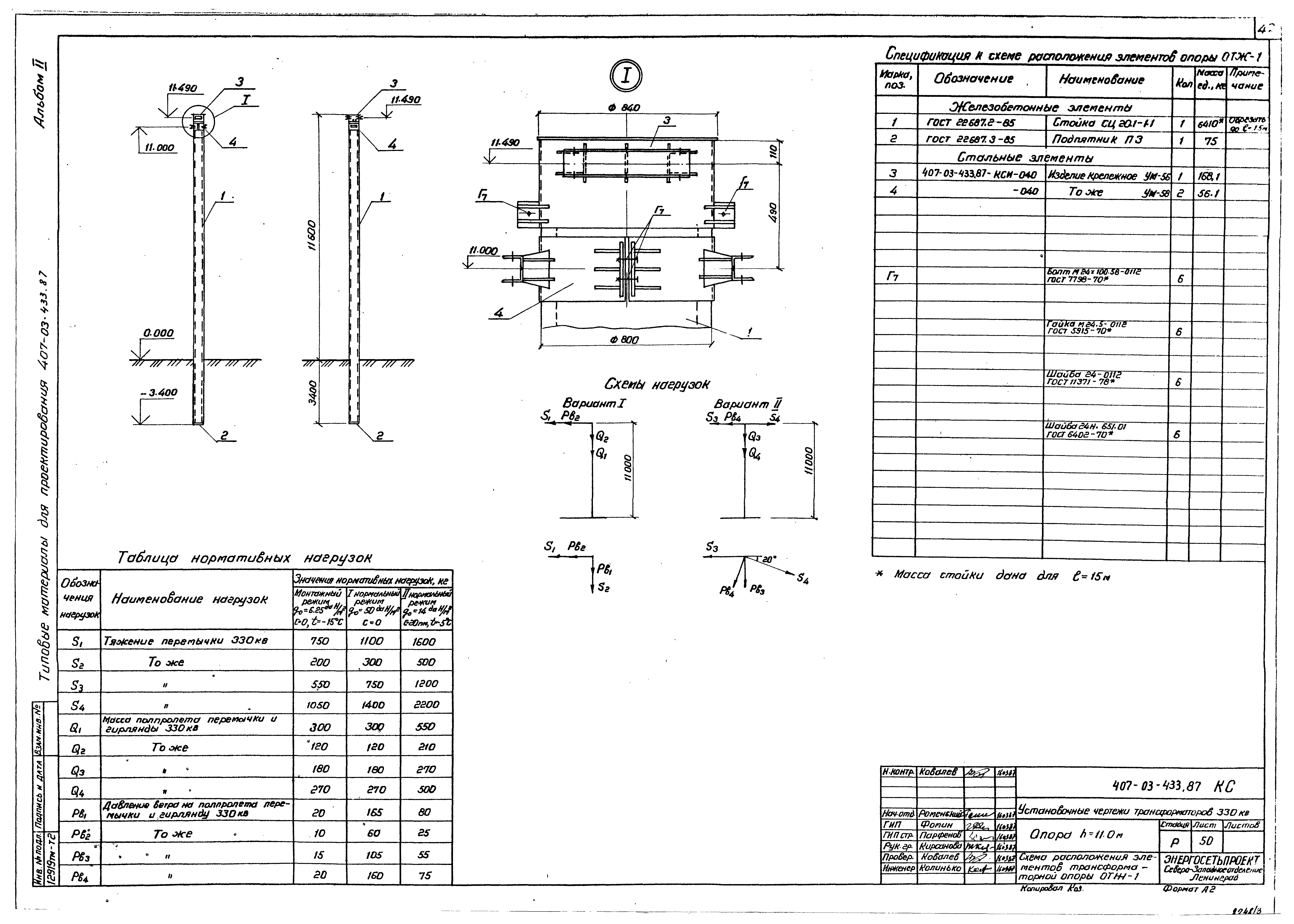
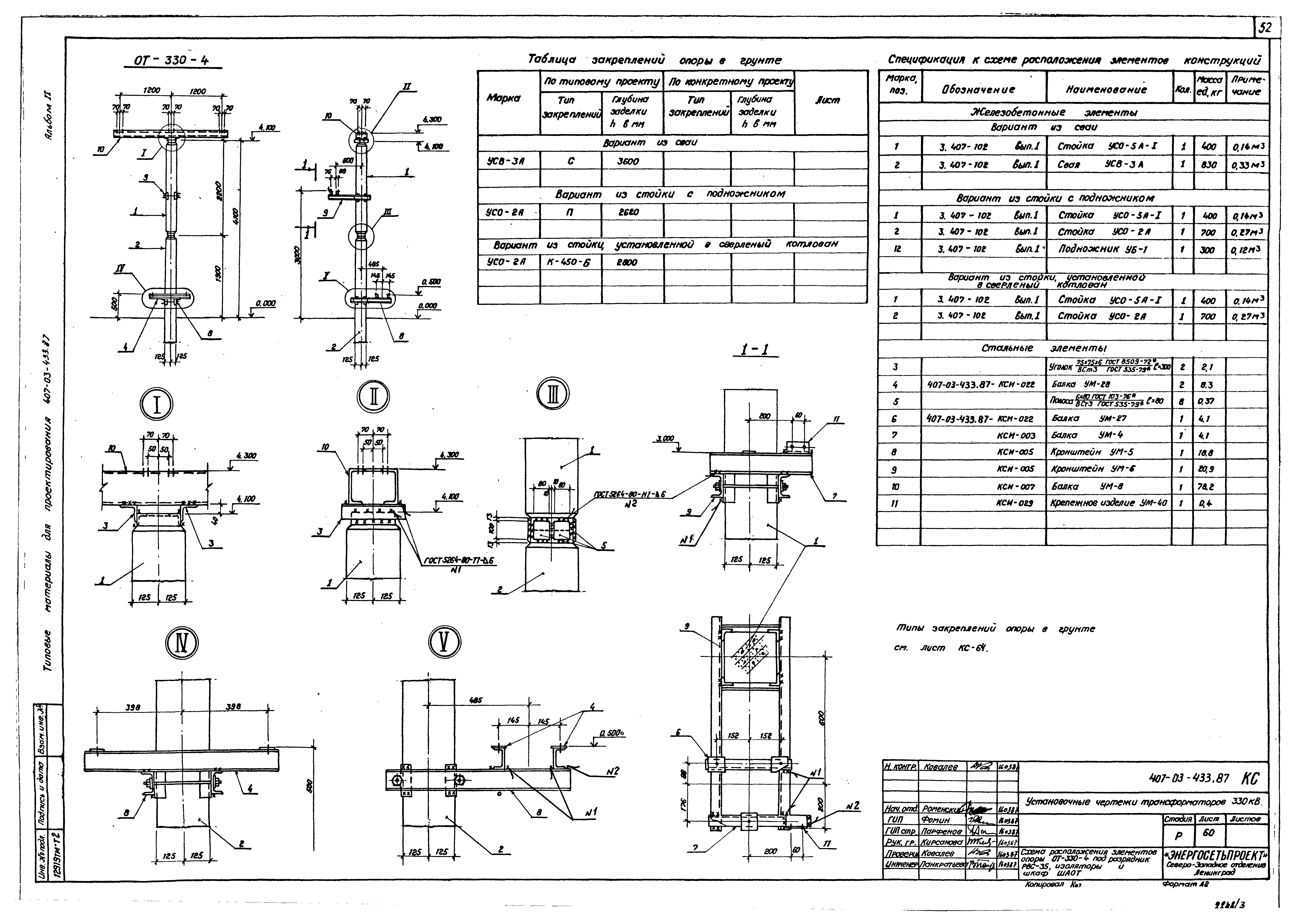
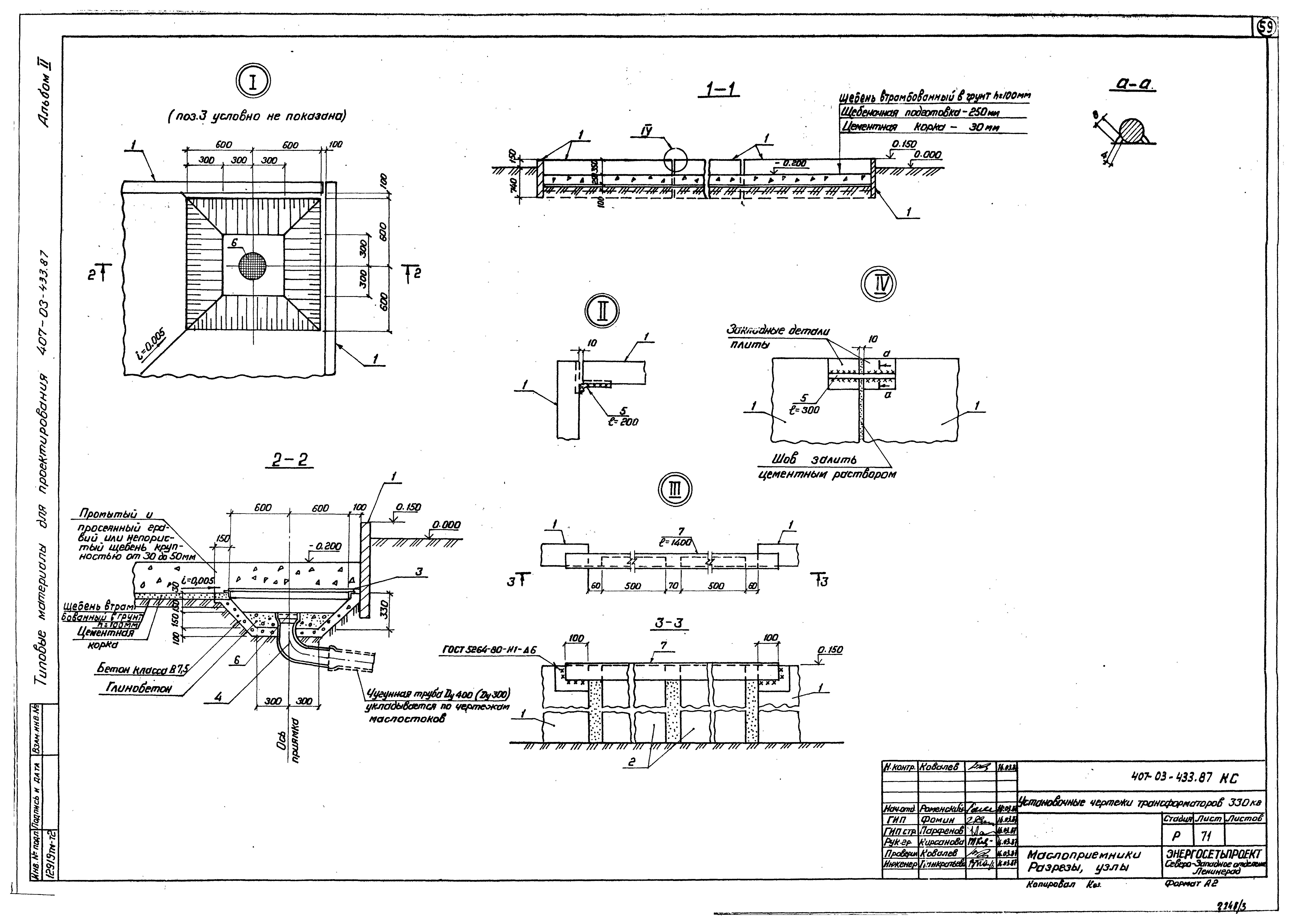
| Оглавление: | Содержание альбома Общие данные Автотрансформатор АТДЦН-125000/330/110-77У1 с выводом ошиновки СН вправо (влево) под углом 70…90 градусов на ячейковых порталах. План строительных конструкций Автотрансформатор АТДЦН-125000/330/110-77У1 с выводом ошиновки СН вправо (влево) под углом 70…90 градусов на одностоечных опорах. План строительных конструкций Автотрансформатор АТДЦН-125000/330/110-77У1 с выводом ошиновки СН вправо (влево) под углом 0…20 градусов. План строительных конструкций Автотрансформатор АТДЦН-200000/330-110-84У1 с выводом ошиновки СН вправо (влево) под углом 0…20 градусов. План строительных конструкций Автотрансформатор АТДЦН-200000/330-110-84У1 с выводом ошиновки СН вправо (влево) под углом 70…90 градусов на ячейковых порталах. План строительных конструкций Автотрансформатор АТДЦН-200000/330-110-84У1 с выводом ошиновки СН вправо (влево) под углом 70…90 градусов на одностоечных опорах. План строительных конструкций Автотрансформатор АТДЦН-250000/330/150-80У1 с выводом ошиновки СН вправо (влево) под углом 70…90 градусов на ячейковых порталах. План строительных конструкций Автотрансформатор АТДЦН-250000/330/150-80У1 с выводом ошиновки СН вправо (влево) под углом 70…90 градусов на одностоечных опорах. План строительных конструкций Автотрансформатор АТДЦН-250000/330/150-80У1 с выводом ошиновки СН вправо (влево) под углом 0…20 градусов. План строительных конструкций Автотрансформатор АТДЦН-400000/330/150-76У1 с выводом ошиновки СН вправо (влево) под углом 0…20 градусов. План строительных конструкций Автотрансформатор АТДЦН-400000/330/150-76У1 с выводом ошиновки СН вправо (влево) под углом 70…90 градусов на ячейковых порталах. План строительных конструкций Автотрансформатор АТДЦН-400000/330/150-76У1 с выводом ошиновки СН вправо (влево) под углом 70…90 градусов на одностоечных опорах. План строительных конструкций Трансформатор ТРДЦН-63000/330-73У1. План строительных конструкций Автотрансформатор АТДЦТН-250000/330/220-86У1 с выводом ошиновки СН вправо (влево) под углом 0…20 градусов. План строительных конструкций Автотрансформатор АТДЦТН-250000/330/220-86У1 с выводом ошиновки СН вправо (влево) под углом 70…90 градусов на шинных порталах. План строительных конструкций Автотрансформатор АТДЦТН-250000/330/220-86У1 с выводом ошиновки СН вправо (влево) под углом 70…90 градусов на одностоечных опорах. План строительных конструкций Автотрансформатор 3хАОДЦТН-133000/330/220. Вариант без огнезащитных перегородок. План строительных конструкций Автотрансформатор 3хАОДЦТН-133000/330/220. Вариант с огнезащитными перегородками. План строительных конструкций Автотрансформатор 3хАОДЦТН-133000/330/220 с резервной фазой. Вариант I без огнезащитных перегородок. План строительных конструкций Автотрансформатор 3хАОДЦТН-133000/330/220 с резервной фазой. Вариант II без огнезащитных перегородок. План строительных конструкций Автотрансформатор 3хАОДЦТН-133000/330/220 с резервной фазой. Вариант I с огнезащитными перегородками. План строительных конструкций Автотрансформатор 3хАОДЦТН-133000/330/220 с резервной фазой. Вариант II с огнезащитными перегородками. План строительных конструкций Трансформатор АОДЦТН-133000/330/220. Устройство для создания уклона трансформатора по его поперечной оси Схема расположения элементов шинного портала ПС-35Ш1 Схема расположения элементов шинного портала ПС-35Ш2 Схема расположения элементов шинного портала ПЖС-35Ш1 Схема расположения элементов шинного портала ПЖС-35Ш2 Схема расположения элементов шинного портала ПЖ-220ш Схема расположения элементов шинного портала ПС-220ш Схема расположения элементов трансформаторного портала ПЖ-330Т1 Схема расположения элементов трансформаторного портала ПЖ-330Т2 Схема расположения элементов трансформаторного портала ПЖ-330Т3 Узлы 1, 1а, 2а Узлы 3, 4 Схема расположения элементов трансформаторного портала ПС-330Т1 Схема расположения элементов трансформаторного портала ПС-330Т2 Узлы 12, 13а, 14 Схема расположения элементов одностоечной опоры 110 кВ ОГ-1 Схема расположения элементов одностоечной опоры 110 кВ ОГС-1 Схема расположения элементов одностоечной опоры 220 кВ ОГ-2 Схема расположения элементов одностоечной опоры 220 кВ ОГС-2 Схема расположения элементов трансформаторной опоры ОТС-1 Схема расположения элементов трансформаторной опоры ОТС-2 Схема расположения элементов трансформаторной опоры ОТС-3 Опоры ОТС1…ОТС-3. Узлы I…III Опоры ОТС1…ОТС-3. Узел IV. Спецификация болтов Схема расположения элементов трансформаторной опоры ОТЖ-1 Схема расположения элементов трансформаторной опоры ОТЖ-2, ОТЖ-3 Схема расположения элементов трансформаторной опоры ОТЖ-4, ОТЖ-5 Узлы I…III Схема расположения элементов огнезащитной перегородки ОП-1 Закреплением стоек огнезащитной перегородки в грунте. Узлы К-34…К-37, К36*, К-37* Закреплением стоек огнезащитной перегородки в грунте. Узлы К-38…К-41, К-38*, К-41* Схема расположения элементов опоры ОТ-330-1 под 2 шкафа ШАОТ Схема расположения элементов опоры ОТ-330-2 под шкаф ШАОТ Схема расположения элементов опоры ОТ-330-3 под разрядник РВО-10, изоляторы и шкаф ШАОТ Схема расположения элементов опоры ОТ-330-4 под разрядник РВС-35, изоляторы и шкаф ШАОТ Схема расположения элементов опоры ОТ-330-5 под шинную опору ШО-330м-У1 Схема расположения элементов опоры ОТ-330-6 под шкаф 6 - 10 кВ с трансформатором напряжения Схема расположения элементов опоры ОТ-330-7 под шкаф 6 - 10 кВ с трансформатором напряжения. Вариант на лежнях Типы закреплений опор в грунте Маслоприемник МП-1 Маслоприемник МП-2 Маслоприемник МП-3 Маслоприемник МП-4 Маслоприемник МП-5 Маслоприемник МП-6 Маслоприемники. Разрезы. Узлы |
| Разработан: | Северо-западное отделение института Энергосетьпроект |
| Утверждён: | 17.03.1987 Минэнерго СССР (USSR Minenergo 19) |
| Чем заменён: |
|



























































