Скачать ОСТ 37.001.125-81 Винты с потайной головкой. Конструкция и размеры

Дата актуализации: 01.01.2021

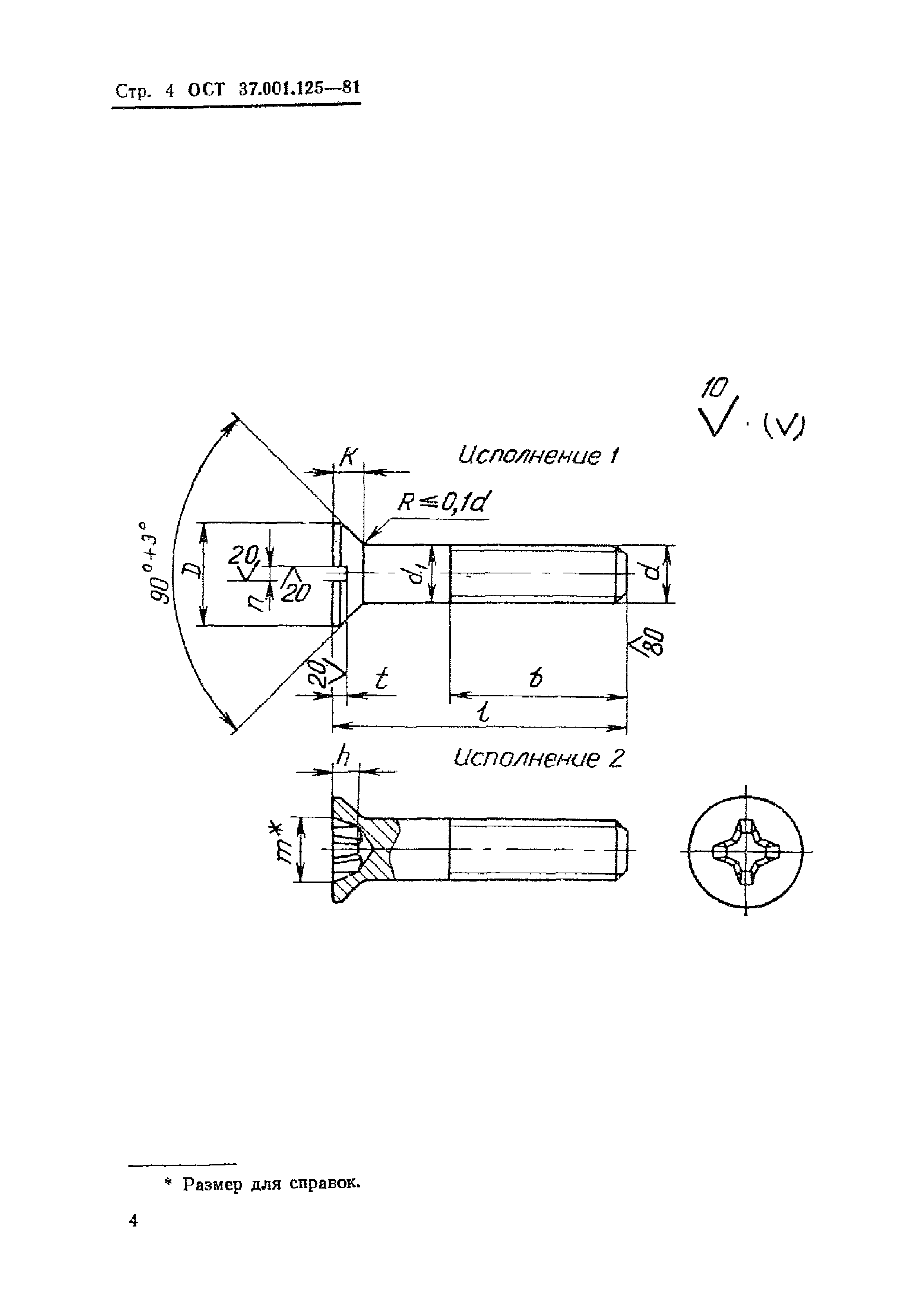
ОСТ 37.001.125-81

Винты с потайной головкой. Конструкция и размеры

Обозначение: ОСТ 37.001.125-81
Обозначение англ: OST 37.001.125-81
Статус:не подлежит применению
Название рус.:Винты с потайной головкой. Конструкция и размеры
Дата добавления в базу:01.02.2020
Дата актуализации:01.01.2021
Дата введения:01.01.1982
Дата окончания срока действия:01.01.2017
Область применения:Отраслевой стандарт распространяется на винты с потайной головкой степени точности В (нормальная) с диаметром резьбы от М3 до М10
Оглавление:Приложение 1 (справочное). Теоретическая масса винтов
Приложение 2 (справочное). Перевод шестизначных номеров винтов исполнения 1 в коды ОКП
Разработан: КТИавтометиз
Утверждён:29.06.1981 Министерство автомобильной промышленности СССР (19)
Список изменений:
Заменяет собой:
  • ОСТ 37.001.125-75
Нормативные ссылки:
ОСТ 37.001.125-81ОСТ 37.001.125-81ОСТ 37.001.125-81ОСТ 37.001.125-81ОСТ 37.001.125-81ОСТ 37.001.125-81ОСТ 37.001.125-81ОСТ 37.001.125-81ОСТ 37.001.125-81ОСТ 37.001.125-81ОСТ 37.001.125-81ОСТ 37.001.125-81ОСТ 37.001.125-81ОСТ 37.001.125-81ОСТ 37.001.125-81

Текстовое изменение № 2 от 01.01.1992

№ 2№ 2