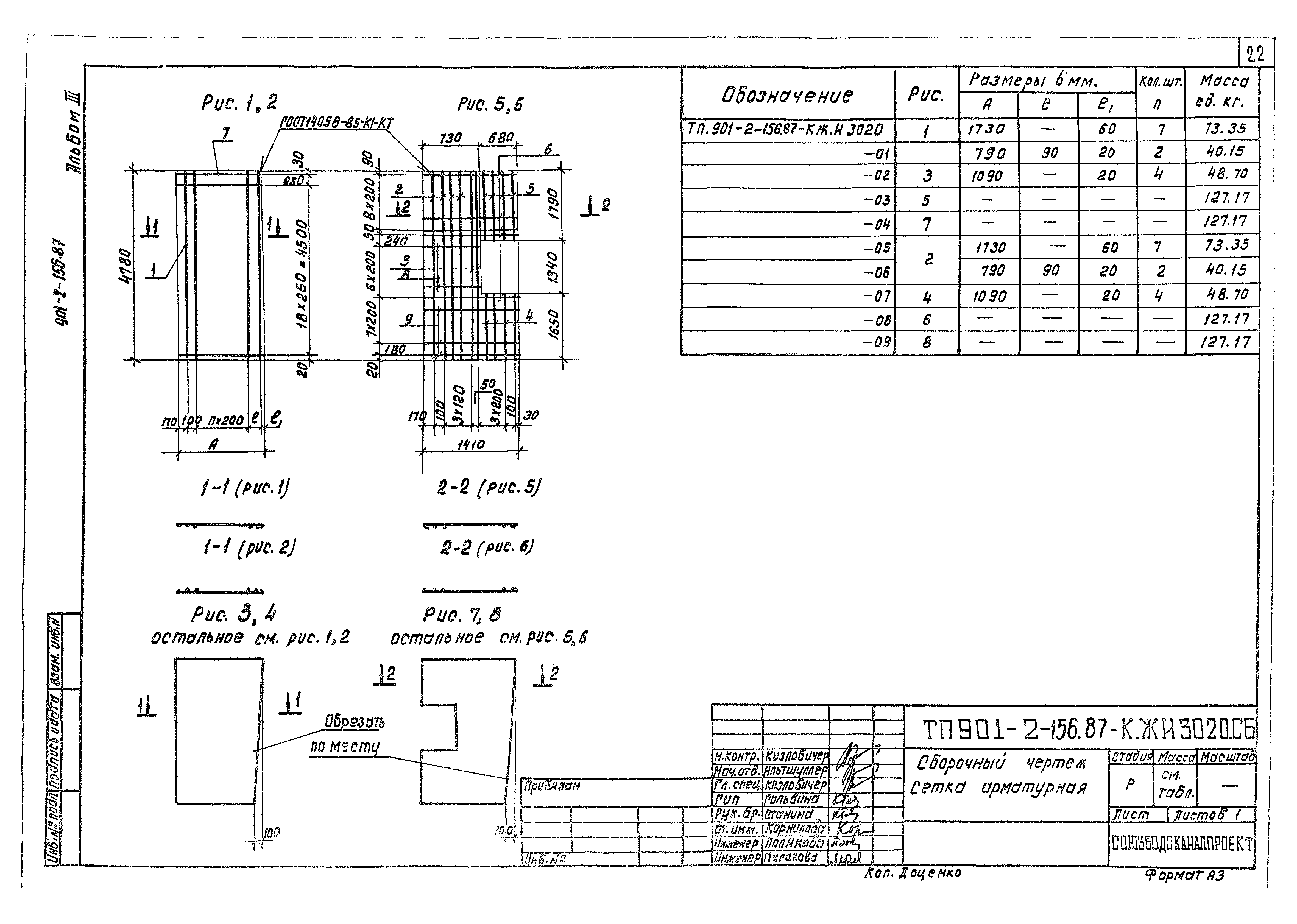
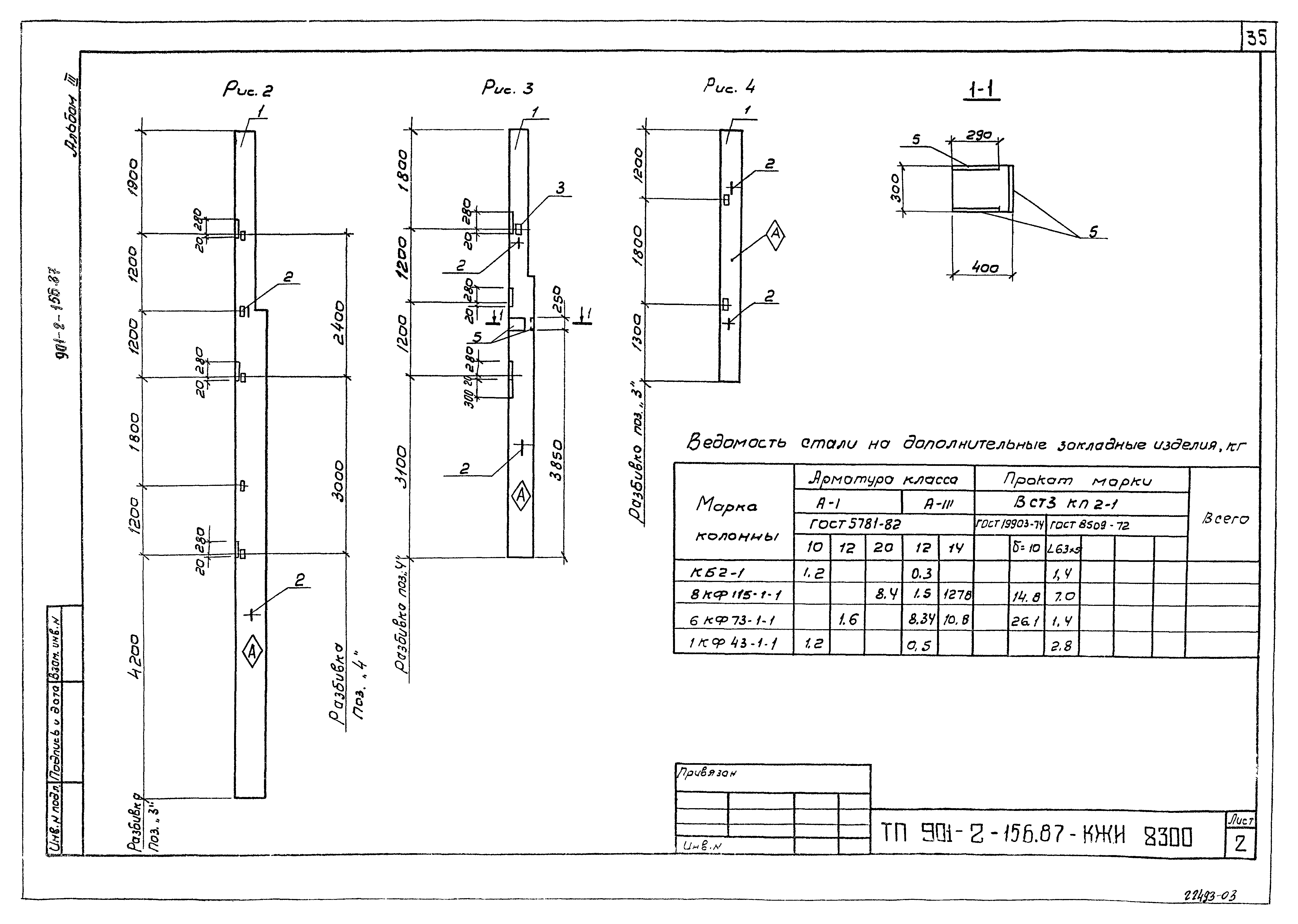
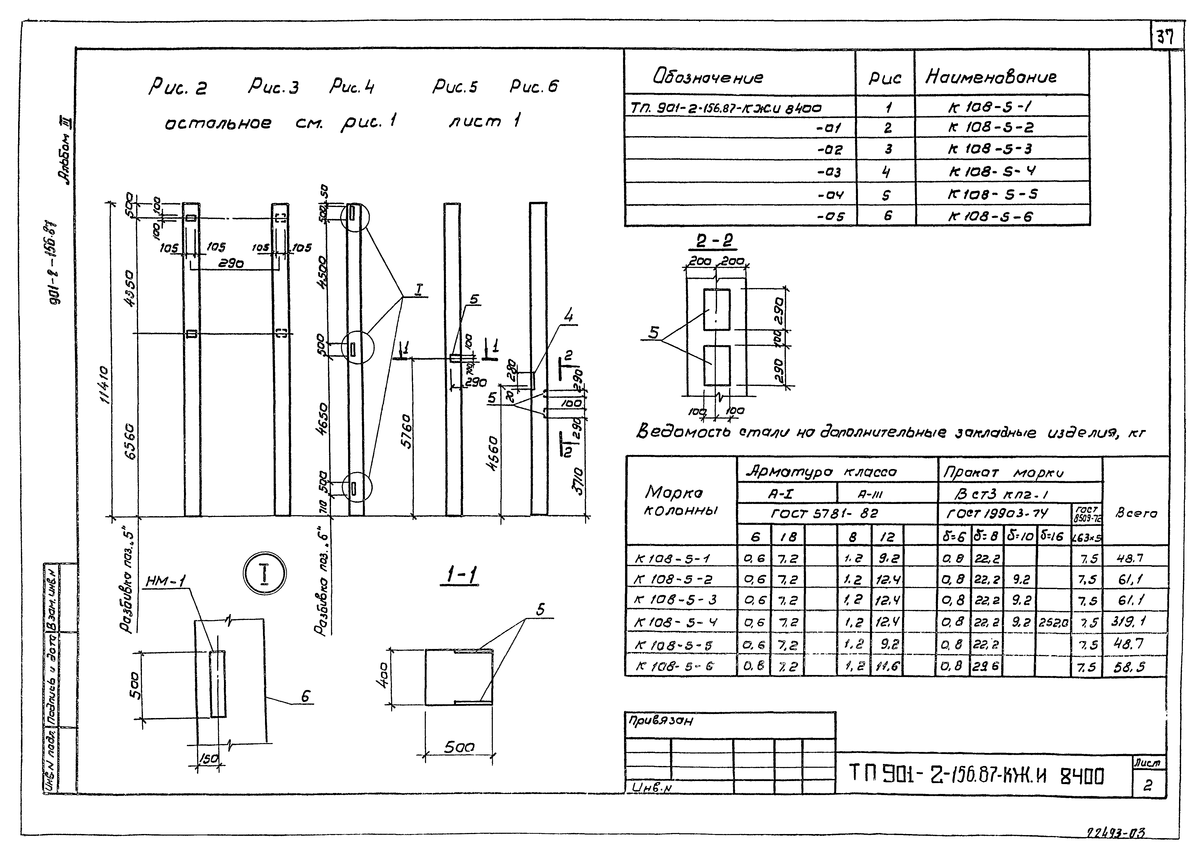
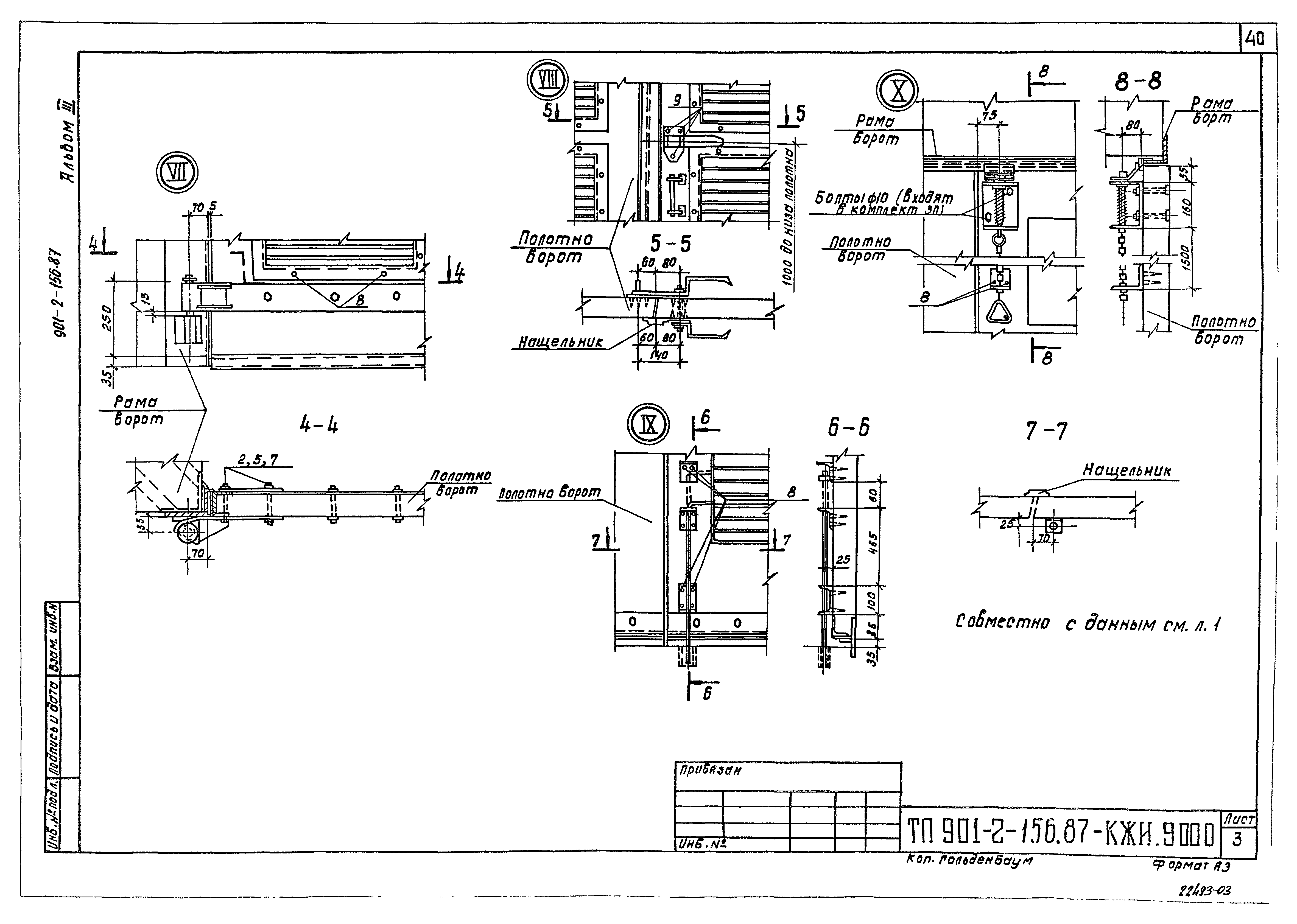
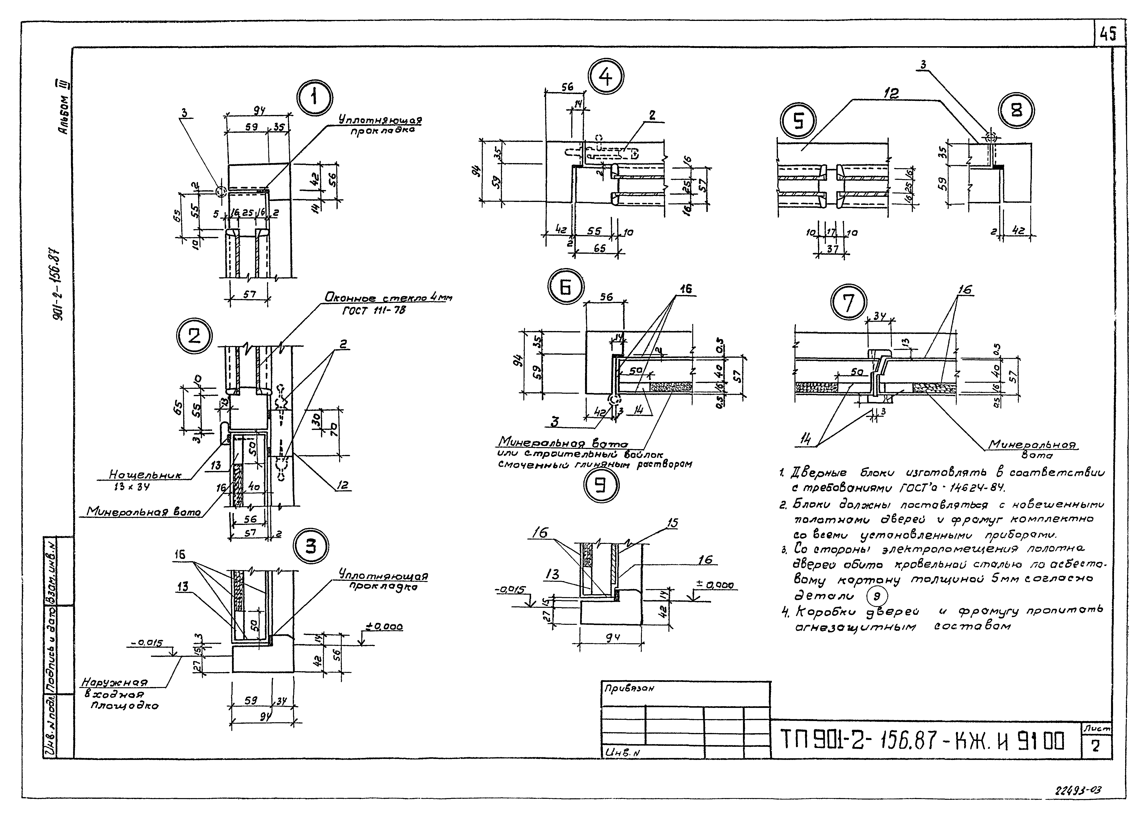
Скачать Типовой проект 901-2-156.87 Альбом III. Строительные изделияДата актуализации: 01.01.2021 Типовой проект 901-2-156.87
Альбом III. Строительные изделия| Обозначение: | Типовой проект 901-2-156.87 | | Обозначение англ: | 901-2-156.87 | | Статус: | отменен | | Название рус.: | Альбом III. Строительные изделия | | Дата добавления в базу: | 01.02.2017 | | Дата актуализации: | 01.01.2021 | | Дата введения: | 09.07.1987 | | Дата окончания срока действия: | 01.07.1996 | | Разработан: | Союзводоканалпроект
| | Утверждён: | 09.07.1987 Госстрой СССР (Государственный комитет Совета Министров СССР по делам строительства) (USSR Gosstroy АЧ-59)
| | Заменяет собой: | |
                                               
|