Скачать Типовой проект 290-1-11 Альбом I. Архитектурно-строительная частьДата актуализации: 01.01.2021
|
| Обозначение: | Типовой проект 290-1-11 |
| Обозначение англ: | 290-1-11 |
| Статус: | действует |
| Название рус.: | Альбом I. Архитектурно-строительная часть |
| Дата добавления в базу: | 01.09.2013 |
| Дата актуализации: | 01.01.2021 |
| Дата введения: | 28.06.1967 |
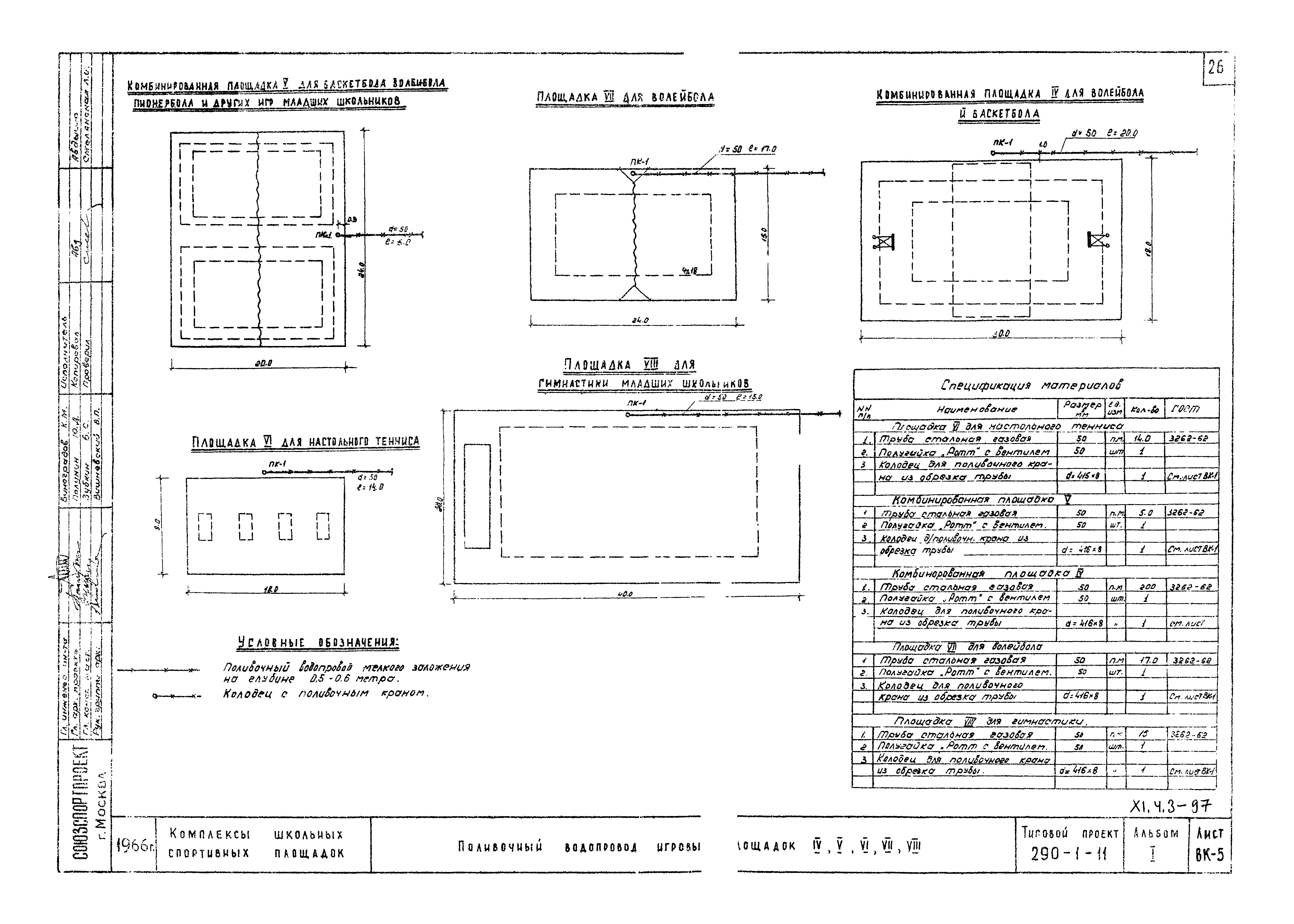
| Оглавление: | Содержание альбома Пояснительная записка Архитектурно-строительная часть Площадка I - для легкой атлетики. Технологический план Площадка I - для легкой атлетики. Разбивочный чертеж Площадка I - для легкой атлетики. Вертикальная планировка и схема расположения арены Площадка I - для легкой атлетики. План покрытий Площадка I - для легкой атлетики. Вертикальная планировка поверхности Площадка I - для легкой атлетики. Использование площадки зимой. Общий вид Площадка II - для гимнастики Площадка III - для спортивных игр и легкоатлетического метания (средняя) Площадка IIIа - для спортивных игр и легкоатлетического метания (малая). Технологический план. Разбивочный чертеж Площадка IIIа - для спортивных игр и легкоатлетического метания (малая). Вертикальная планировка основания и поверхности. План покрытия Площадка IIIб - для спортивных игр и легкоатлетического метания (большая). Технологический план Площадка IIIб - для спортивных игр и легкоатлетического метания (большая). Вертикальная планировка поверхности и основания. Разбивочный чертеж Игровые площадки. Комбинированная площадка IV - для волейбола и баскетбола, комбинированная площадка V - для баскетбола, волейбола, пионербола и других игр младших школьников, площадка VI - для настольного тенниса, площадка VII - для волейбола Площадка VIII - для гимнастики младших школьников с игровым полем Конструкции покрытий площадок Сечения и детали конструкций покрытий площадок Санитарно-техническая часть Поливочный водопровод площадки I Поливочный водопровод площадок II и IIIа Поливочный водопровод площадки III Поливочный водопровод площадки IIIб Поливочный водопровод игровых площадок IV, V, VI, VII, VIII Электротехническая часть Примерные схемы расстановки опор освещения отдельных площадок |
| Разработан: | Институт Союзспортпроект |
| Утверждён: | 28.06.1967 Институт Союзспортпроект (442-т) |


























