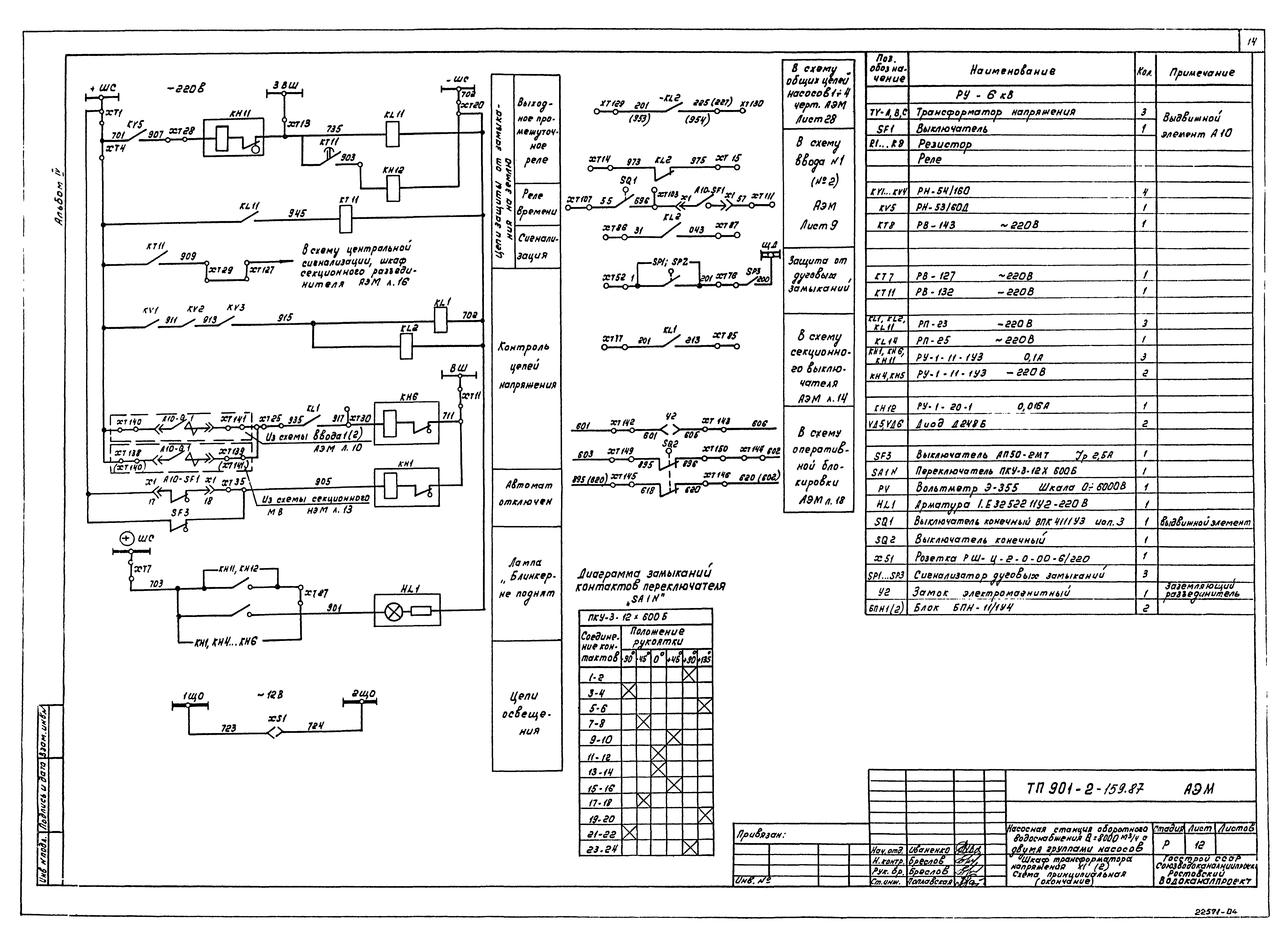
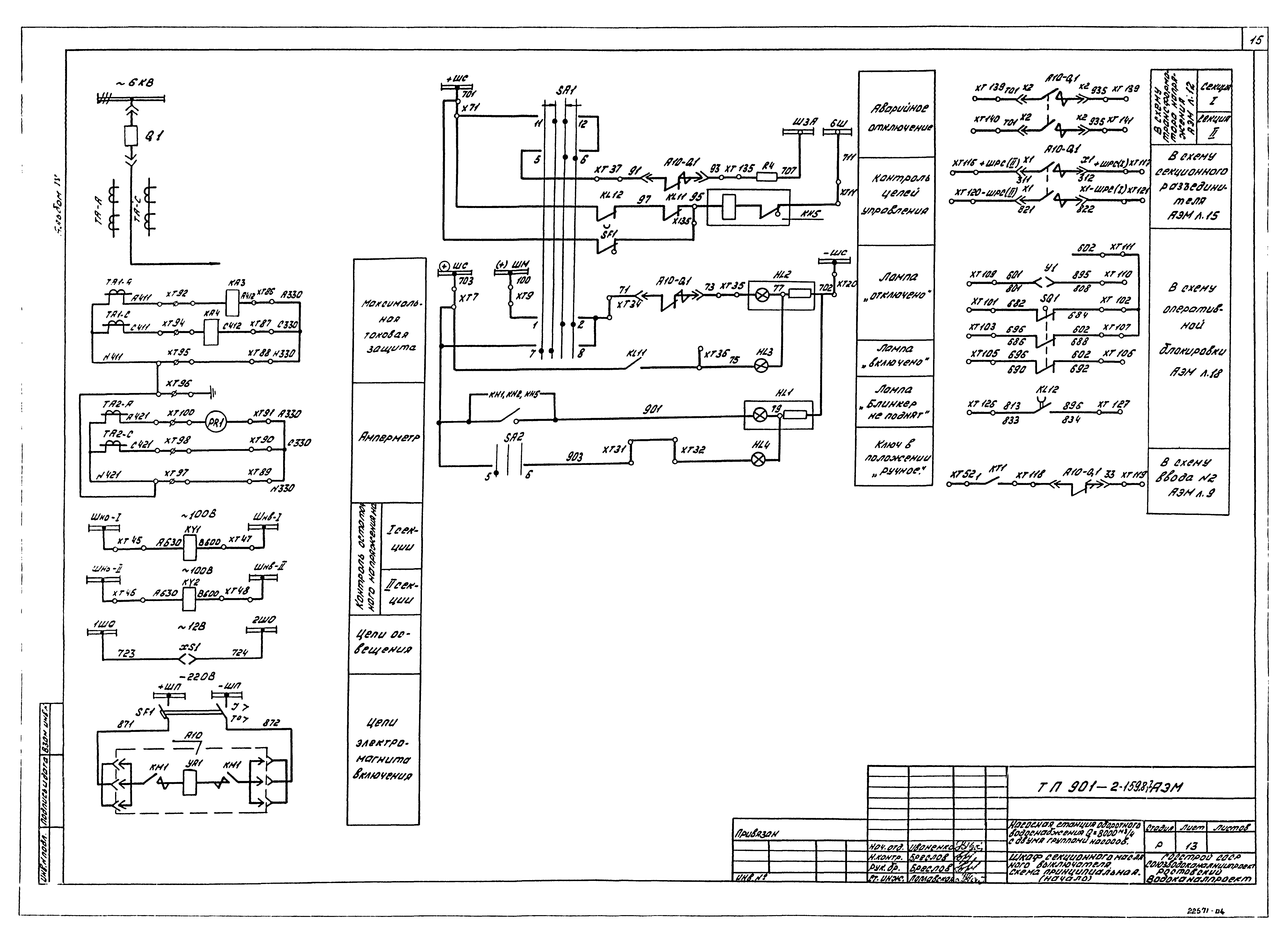
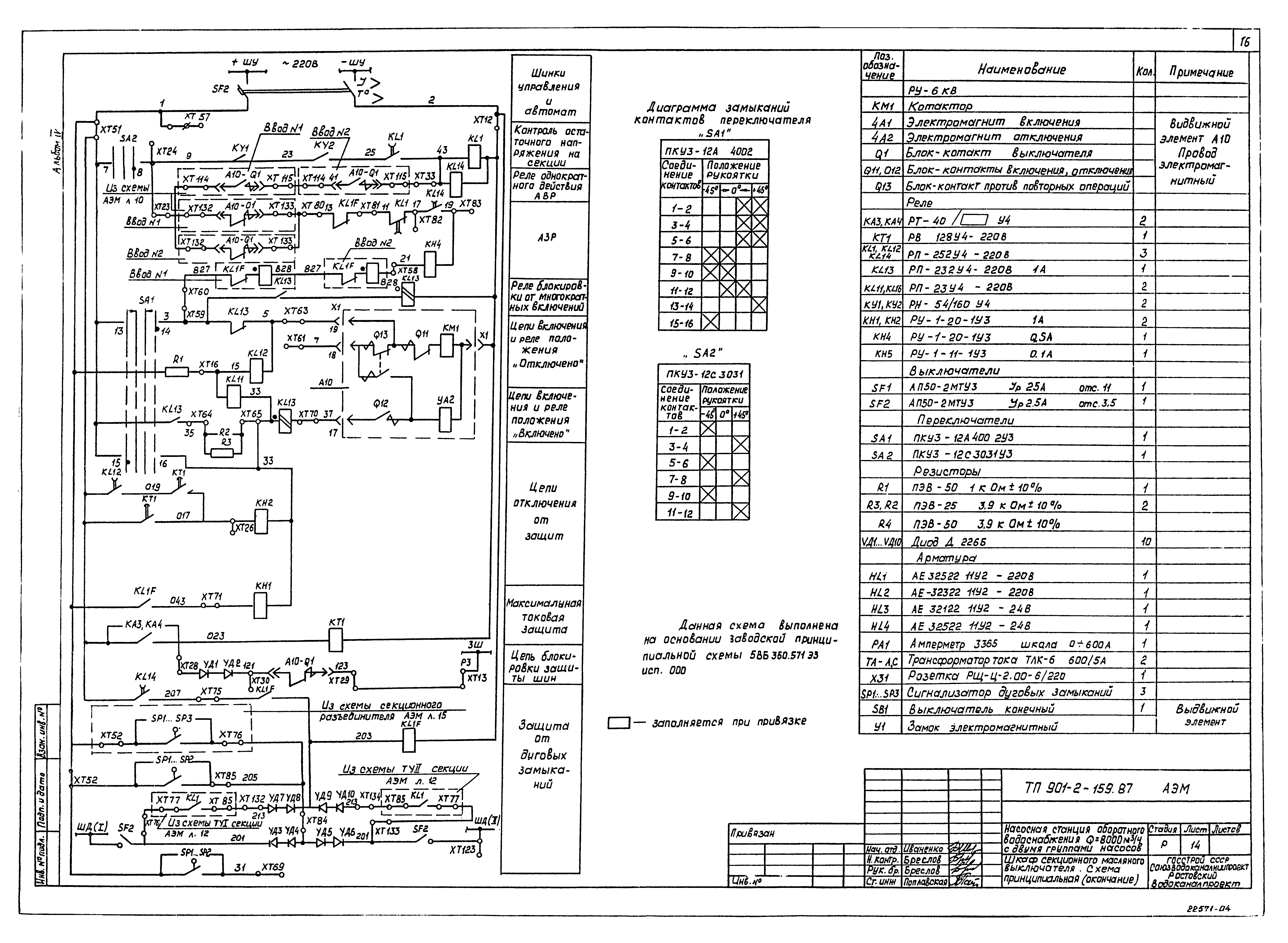
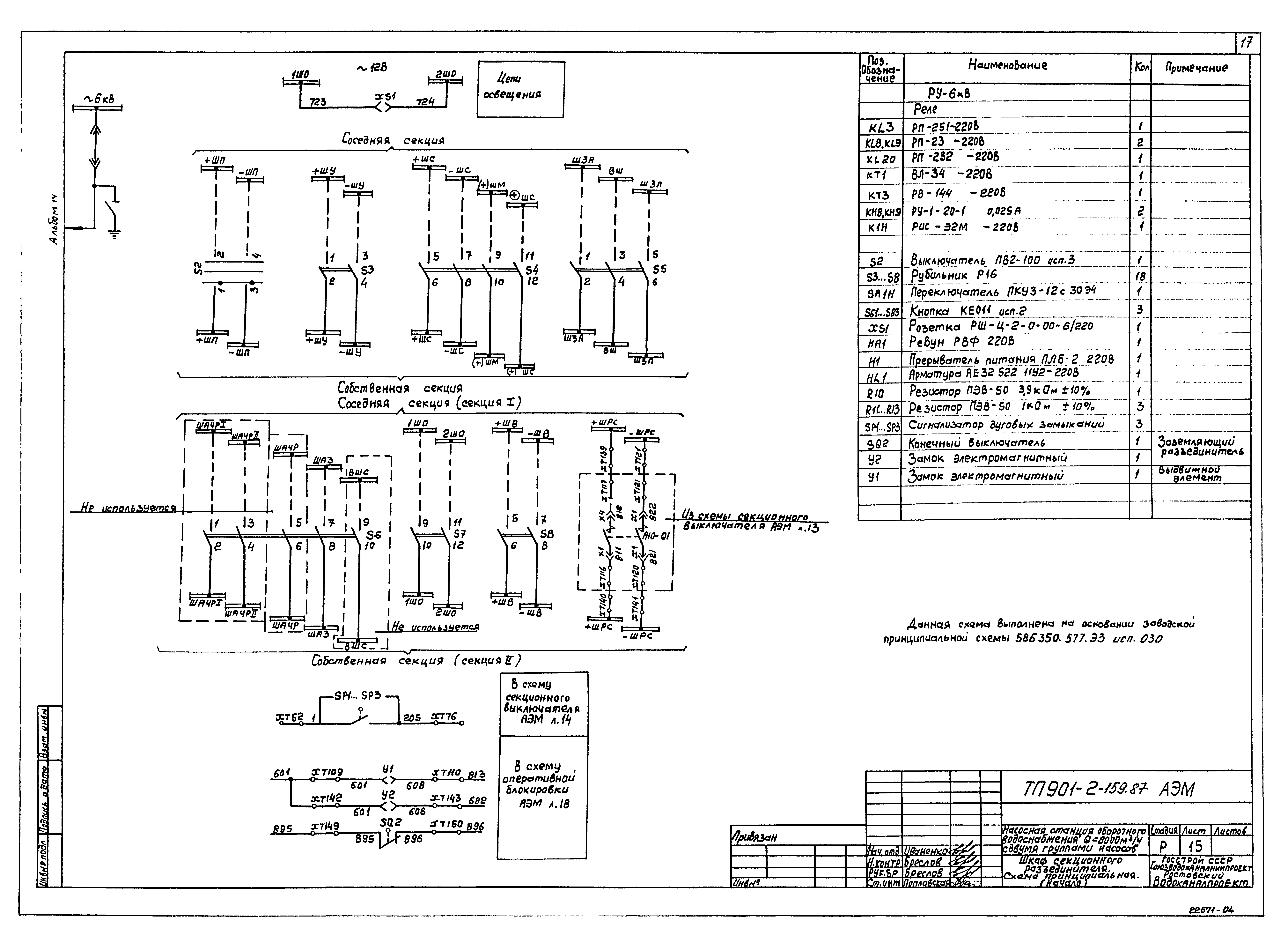
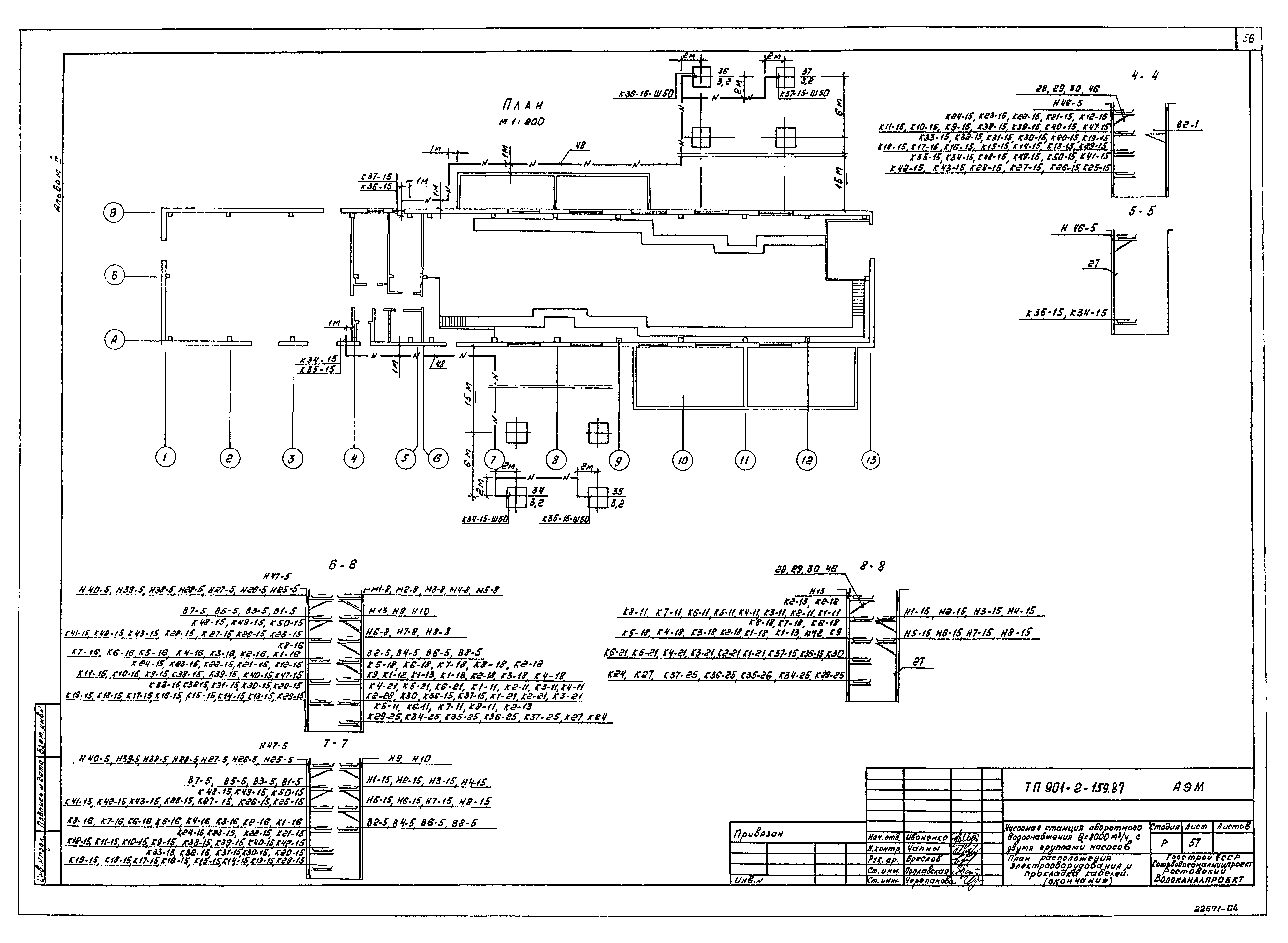
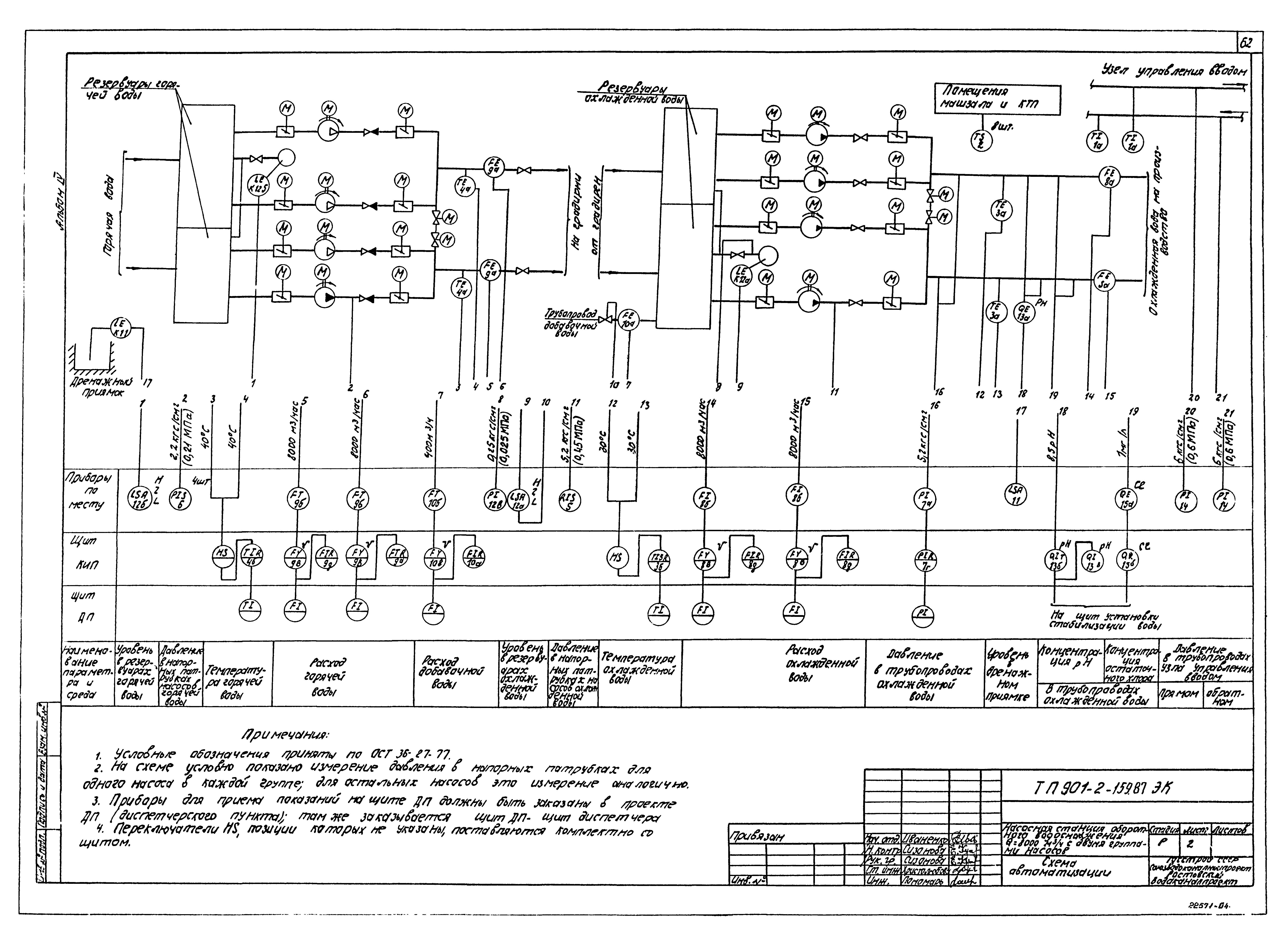
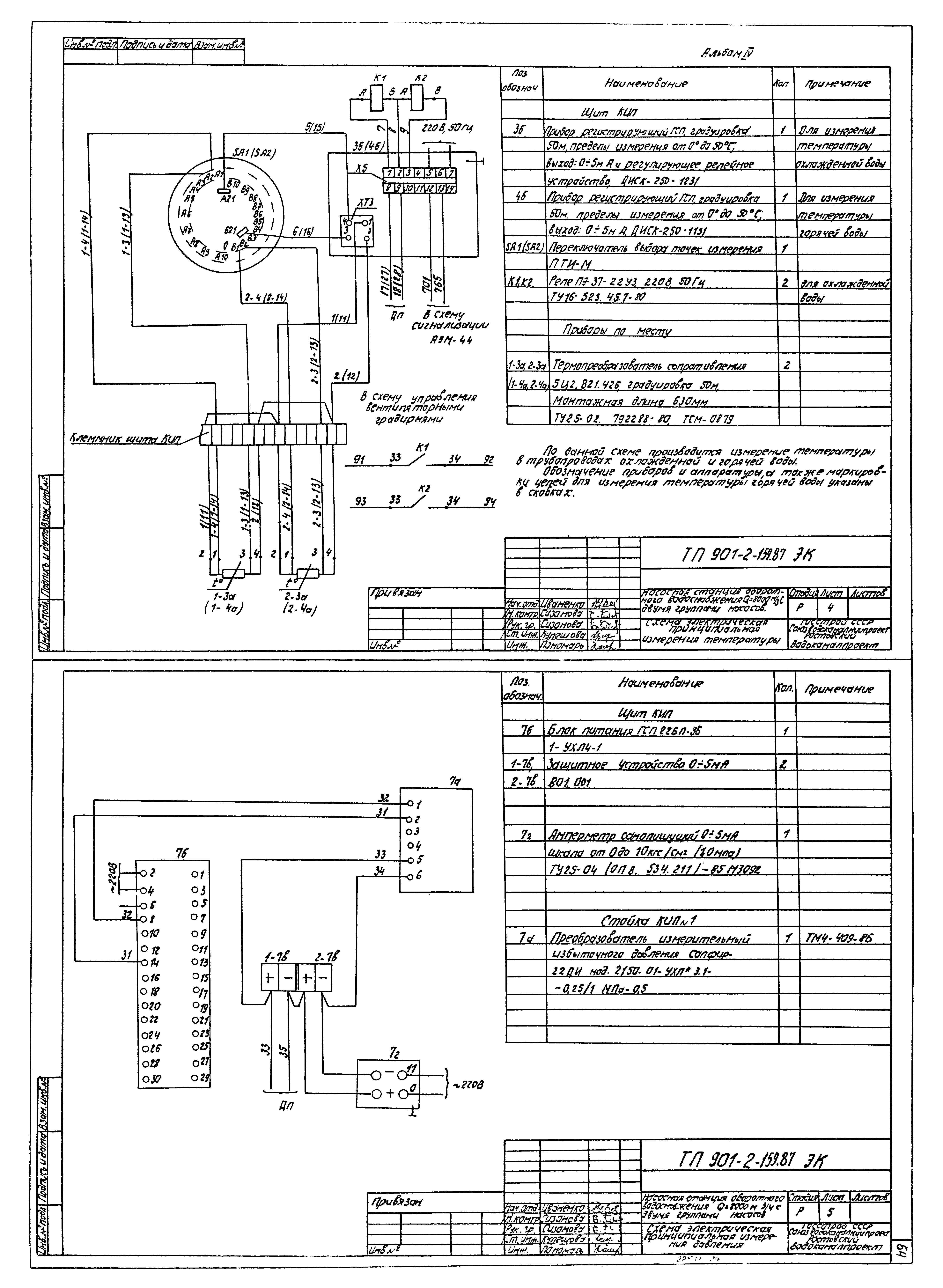
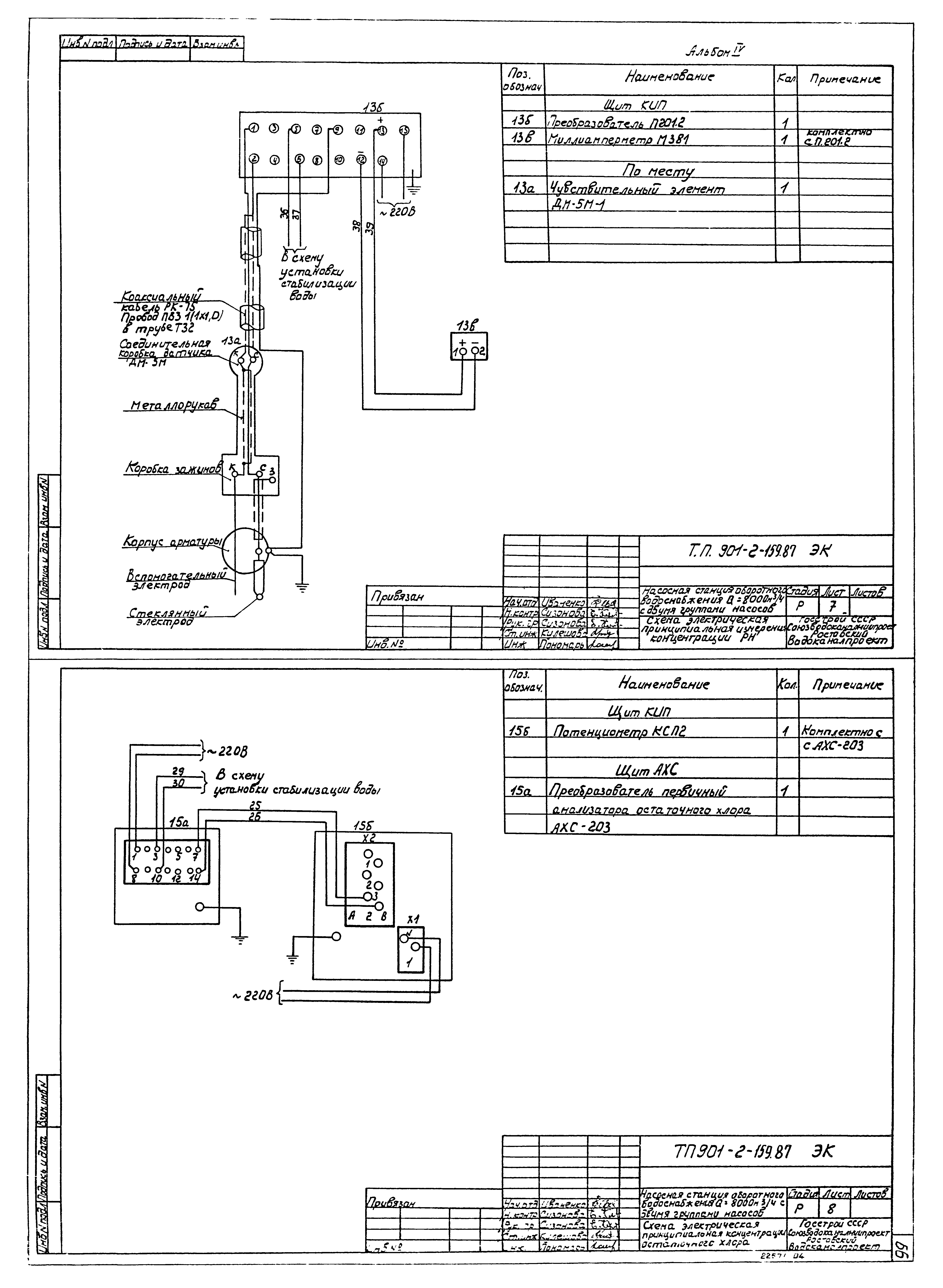
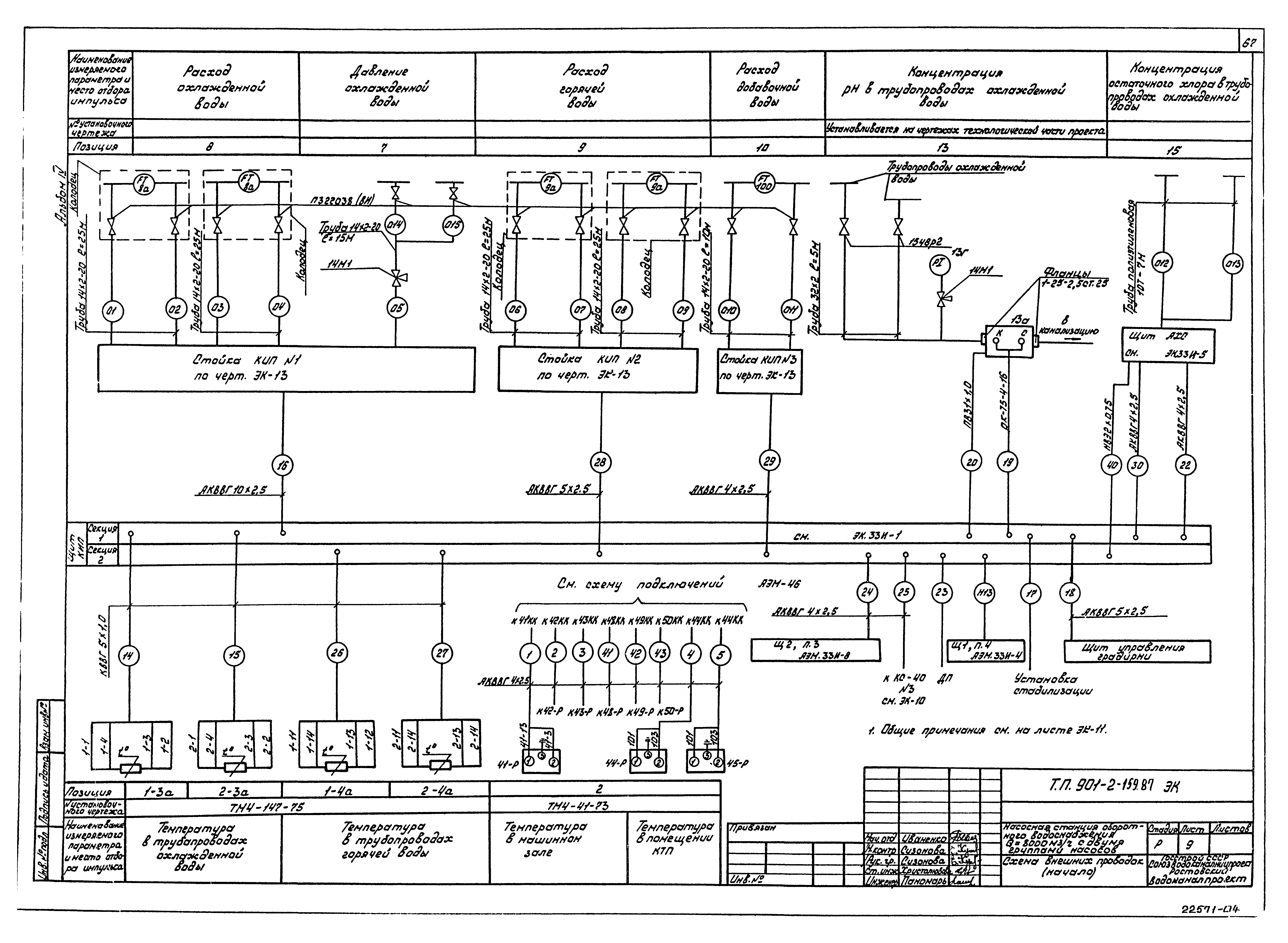
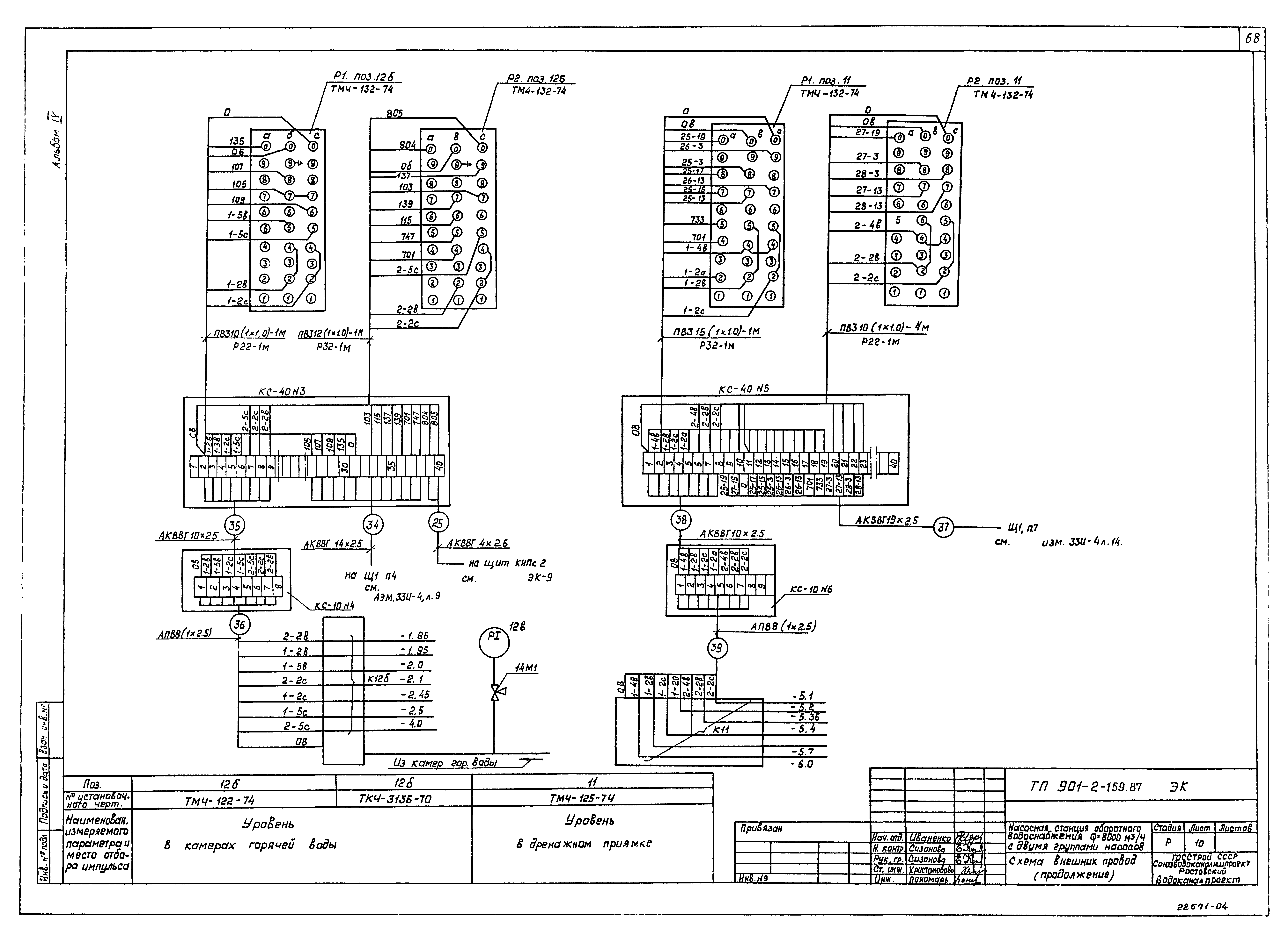
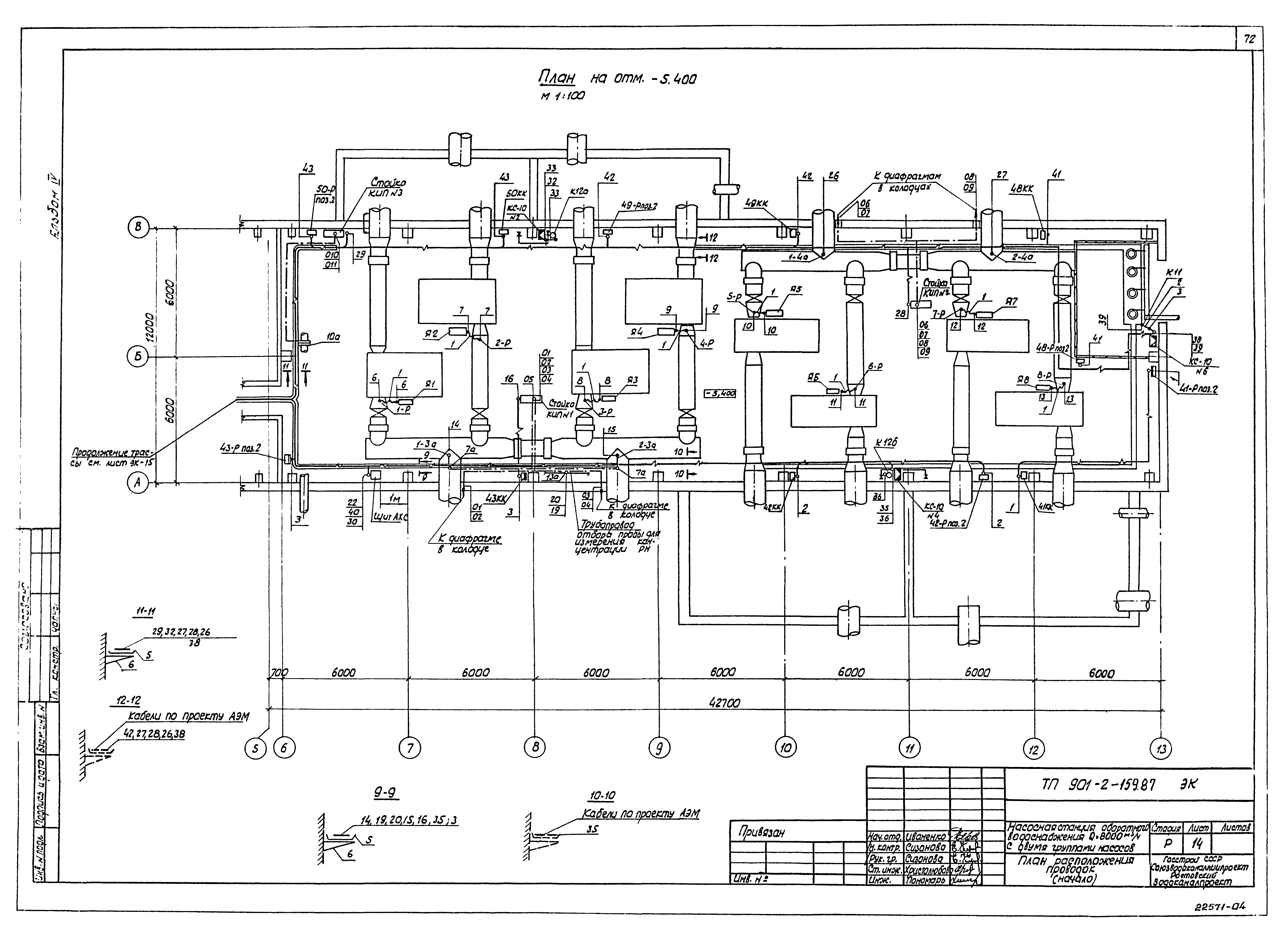
Скачать Типовой проект 901-2-159.87 Альбом IV. Электрическая частьДата актуализации: 01.01.2021 Типовой проект 901-2-159.87
Альбом IV. Электрическая часть| Обозначение: | Типовой проект 901-2-159.87 | | Обозначение англ: | 901-2-159.87 | | Статус: | отменен | | Название рус.: | Альбом IV. Электрическая часть | | Дата добавления в базу: | 01.02.2017 | | Дата актуализации: | 01.01.2021 | | Дата введения: | 18.08.1987 | | Дата окончания срока действия: | 01.07.1996 | | Разработан: | Союзводоканалпроект
| | Утверждён: | 18.08.1987 Госстрой СССР (Государственный комитет Совета Министров СССР по делам строительства) (USSR Gosstroy 50)
| | Заменяет собой: | |
                                                                            
|