Скачать Типовой проект 902-1-121.87 Альбом II. Технологические решения. Внутренний водопровод и канализация. Отопление и вентиляция. Архитектурно-строительные решения. Общие чертежи. Изделия (из ТП 902-1-122.87)Дата актуализации: 01.01.2021
|
| Обозначение: | Типовой проект 902-1-121.87 |
| Обозначение англ: | 902-1-121.87 |
| Статус: | не определен законодательством |
| Название рус.: | Альбом II. Технологические решения. Внутренний водопровод и канализация. Отопление и вентиляция. Архитектурно-строительные решения. Общие чертежи. Изделия (из ТП 902-1-122.87) |
| Дата добавления в базу: | 01.09.2013 |
| Дата актуализации: | 01.01.2021 |
| Дата введения: | 23.11.1987 |
| Дата окончания срока действия: | 30.06.2003 |
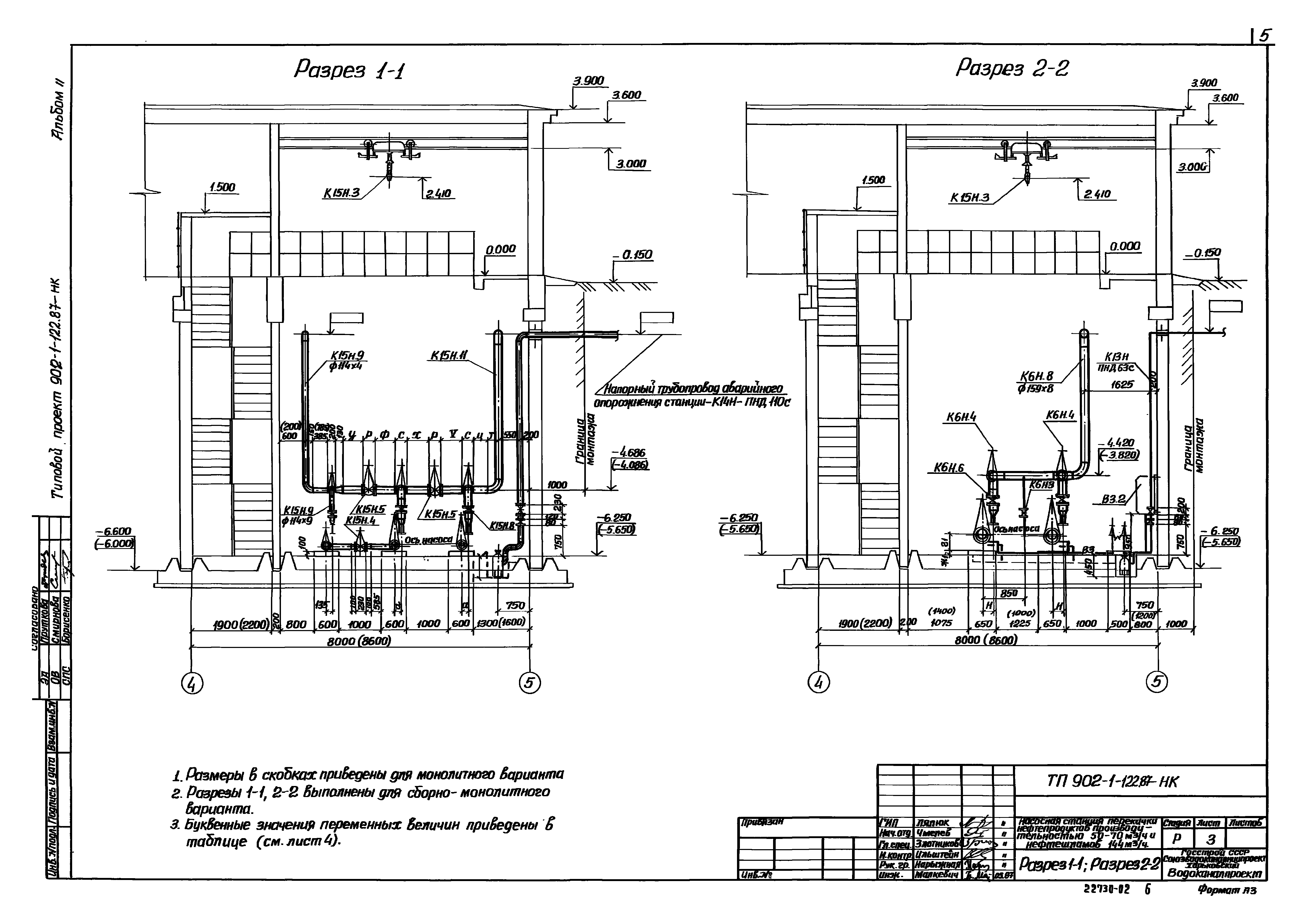
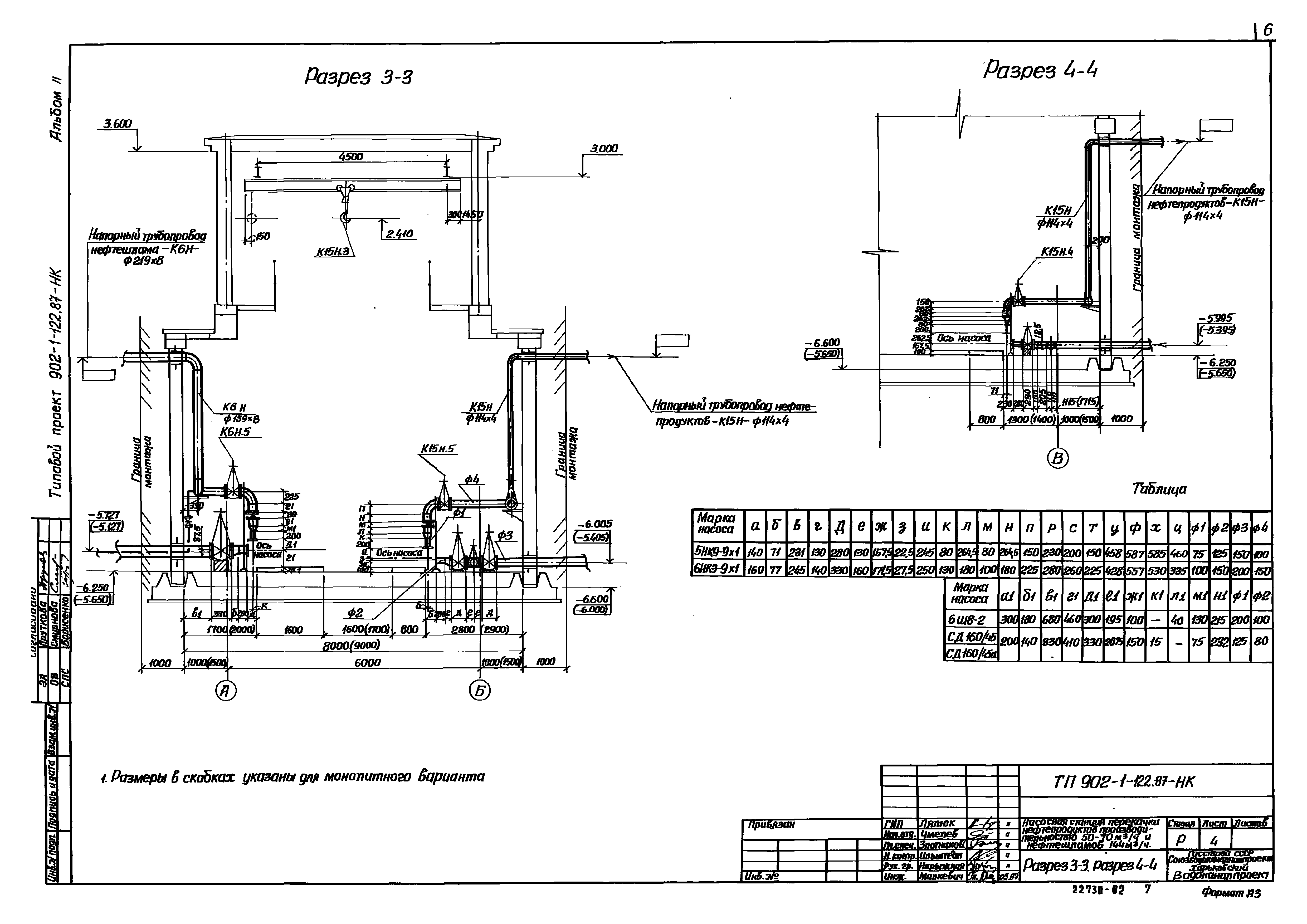
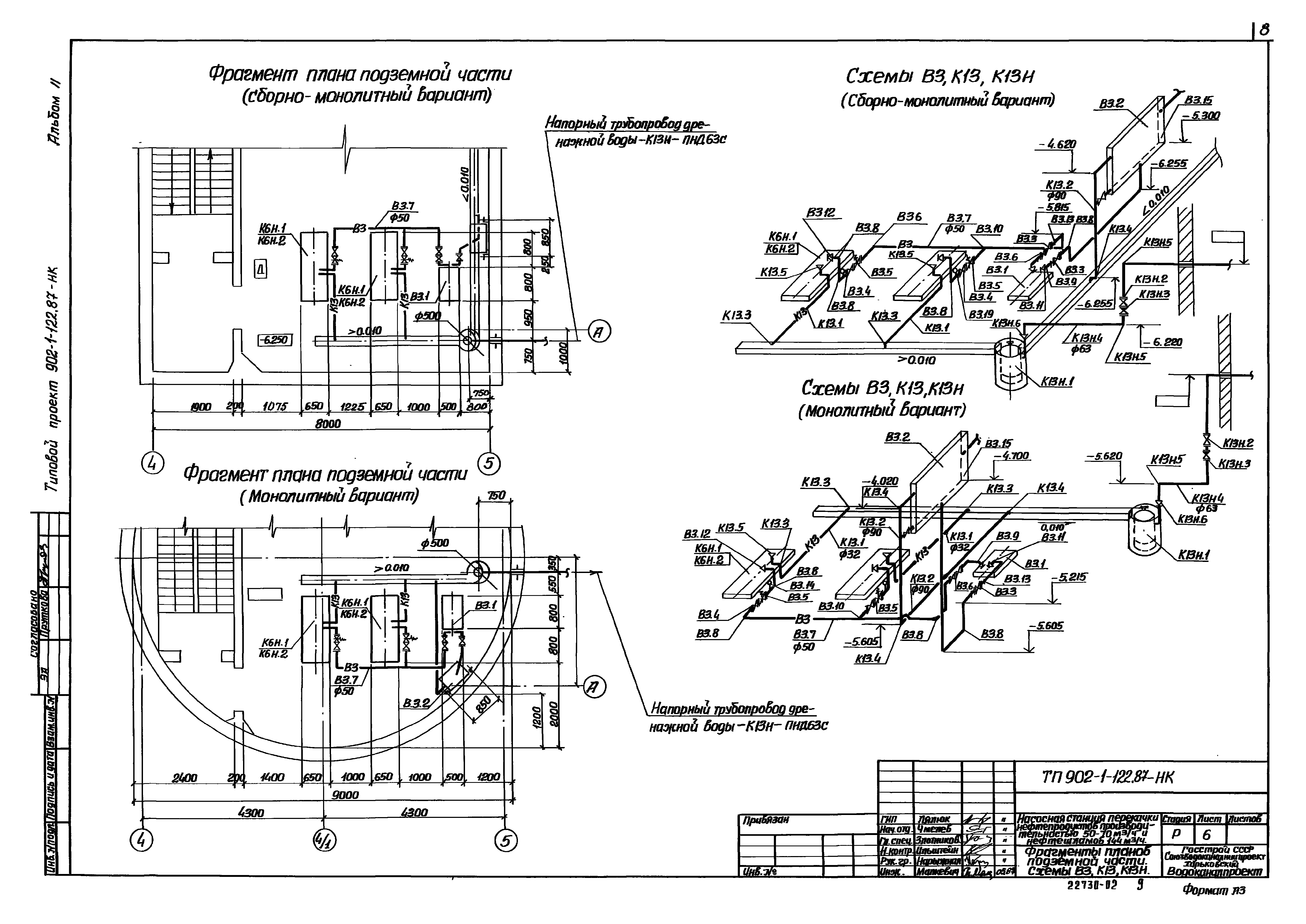
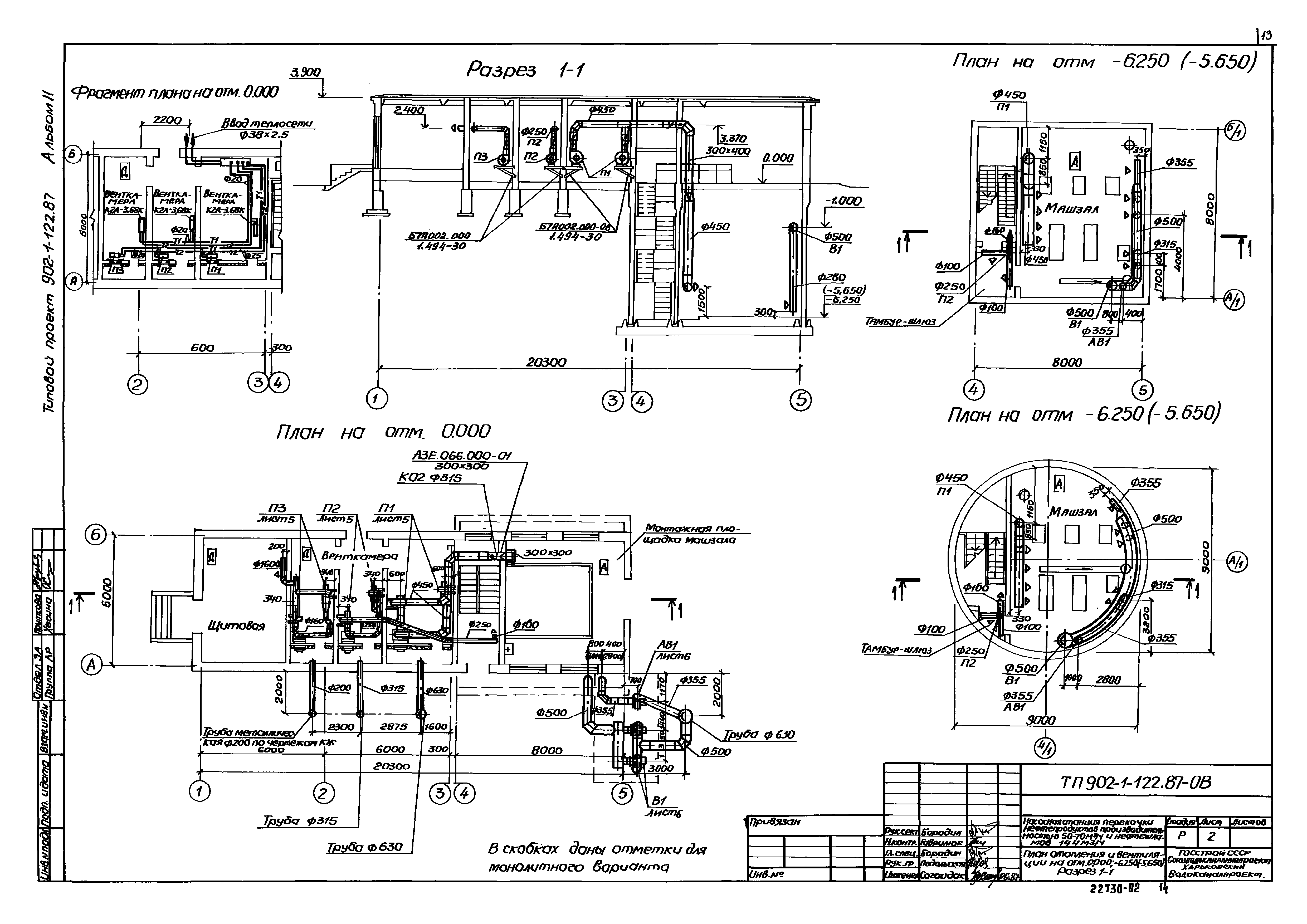
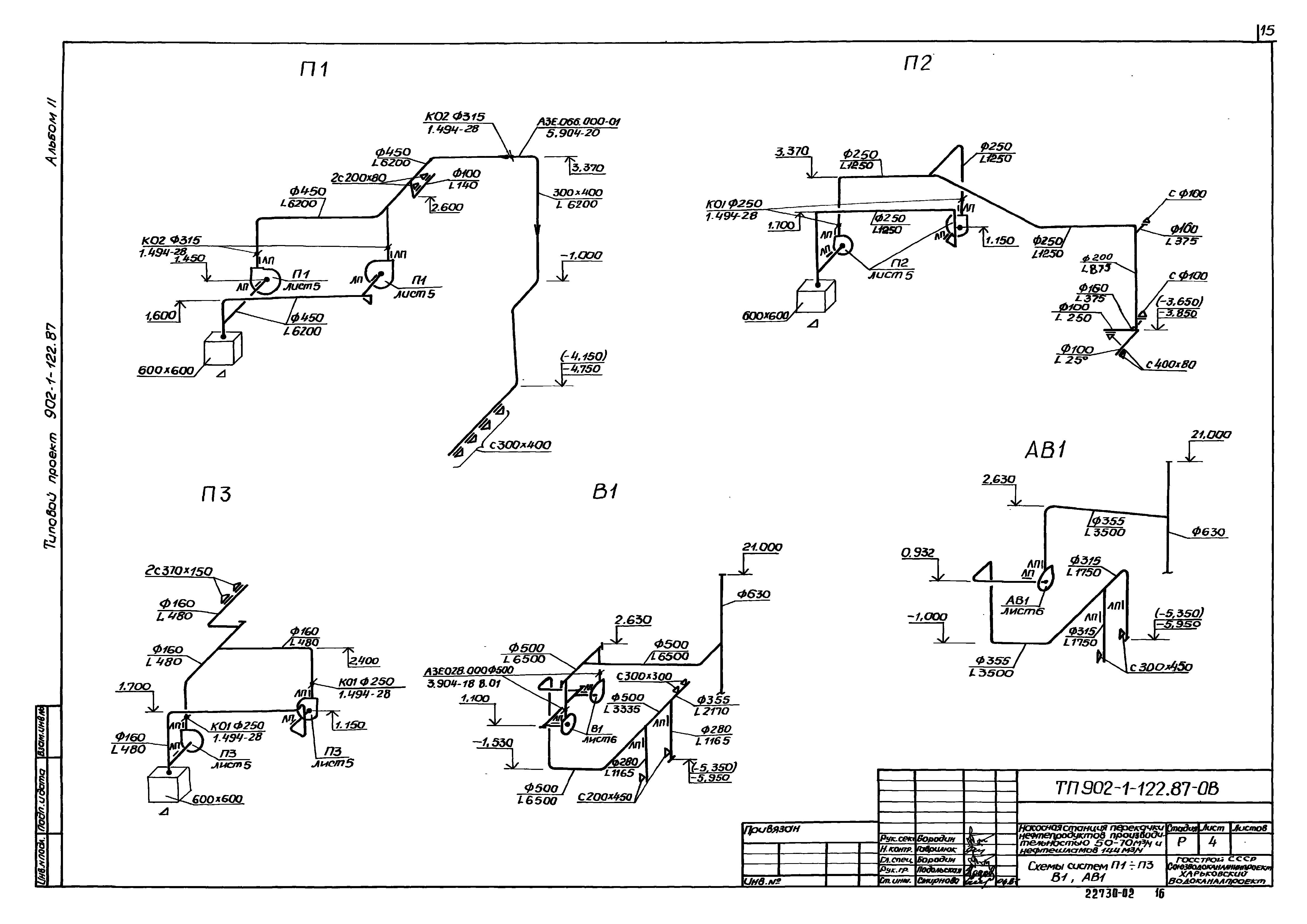
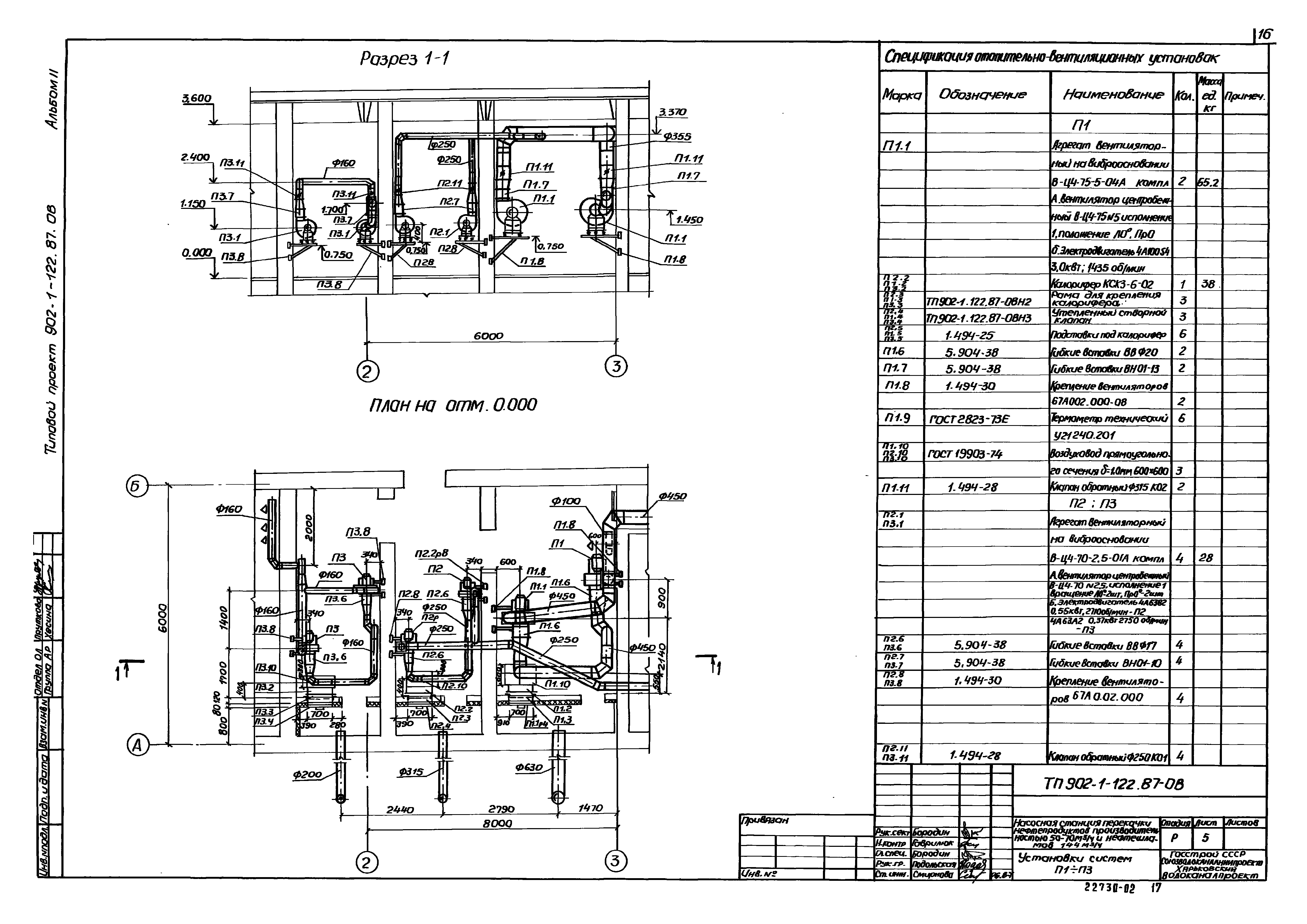
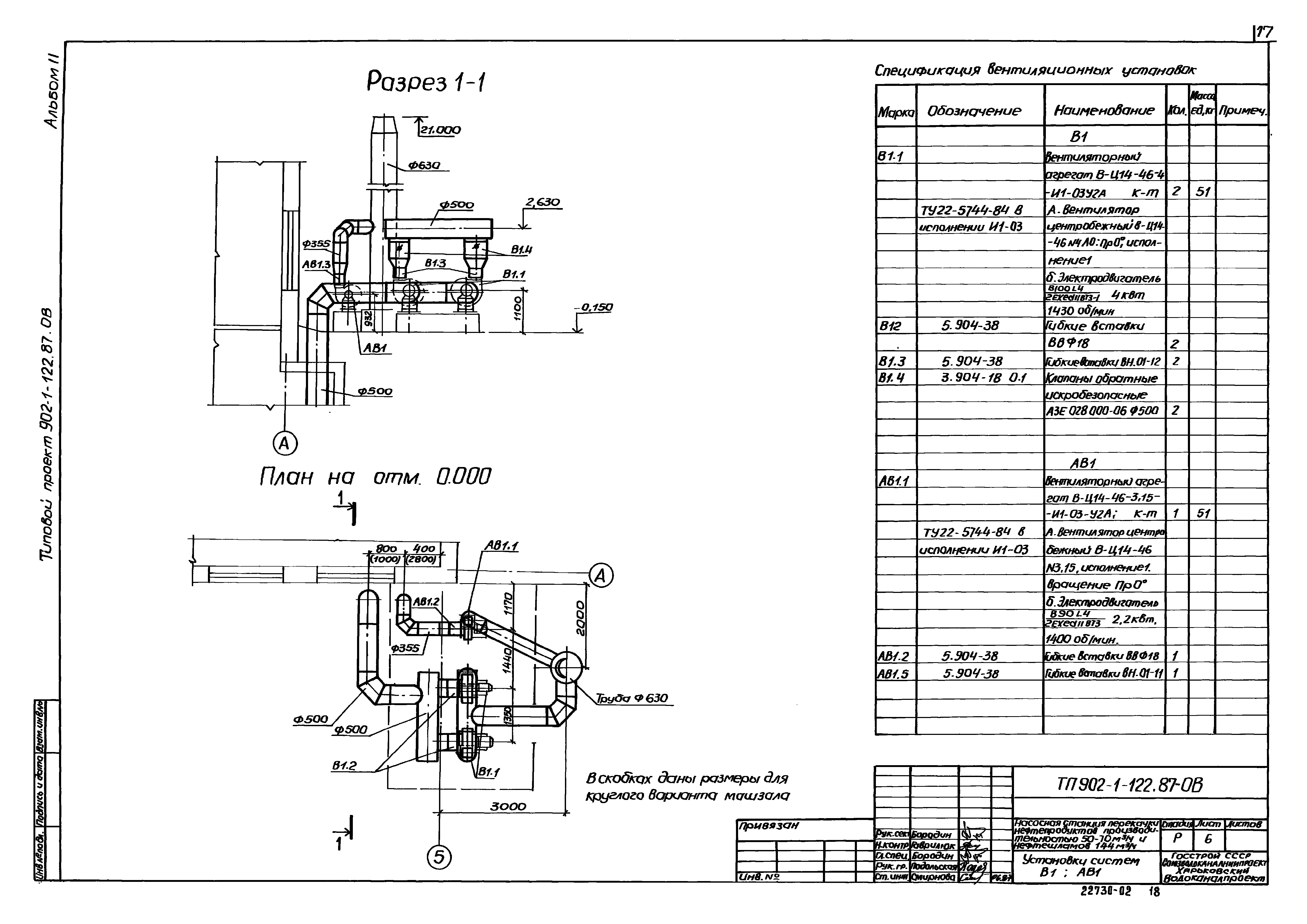
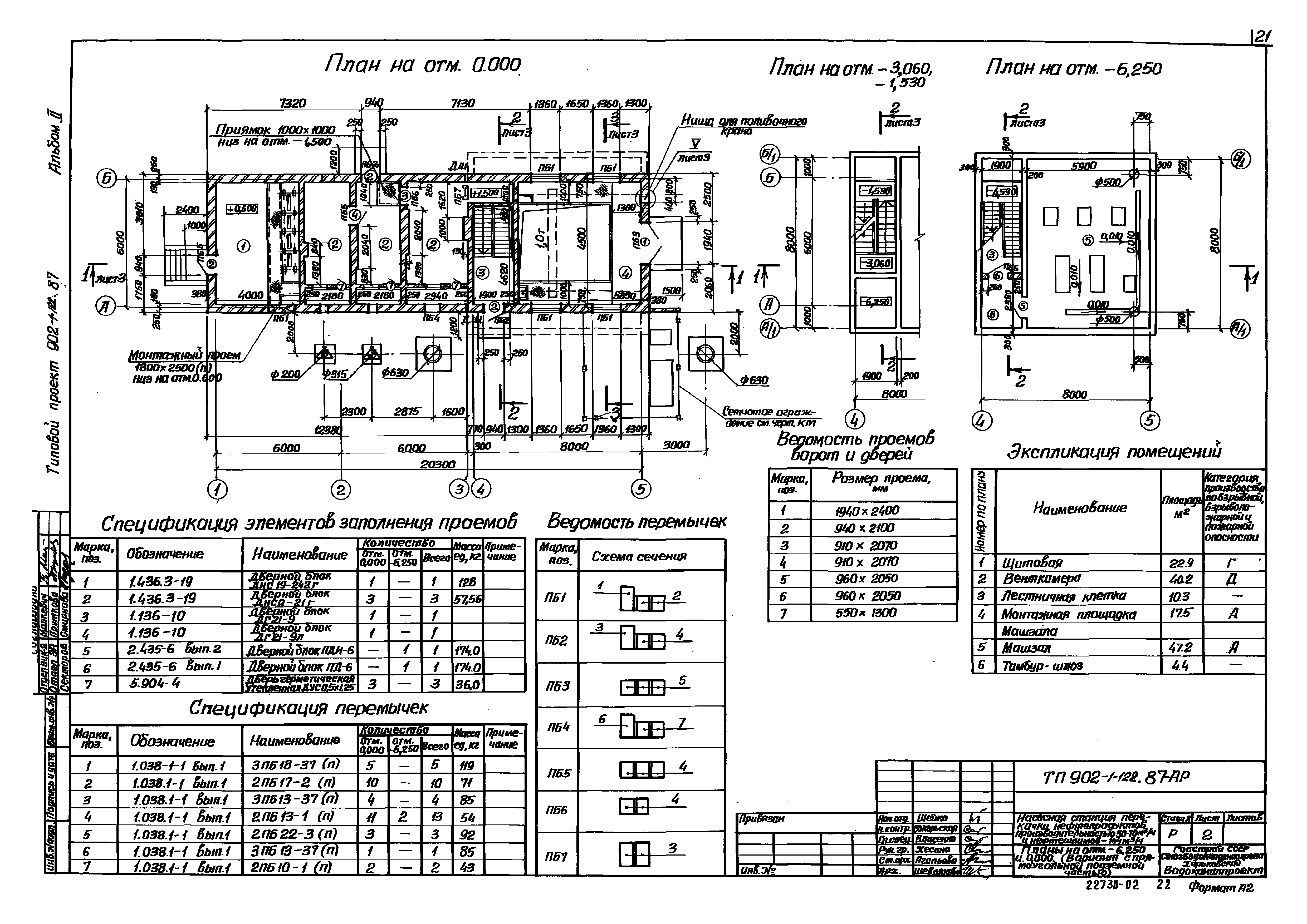
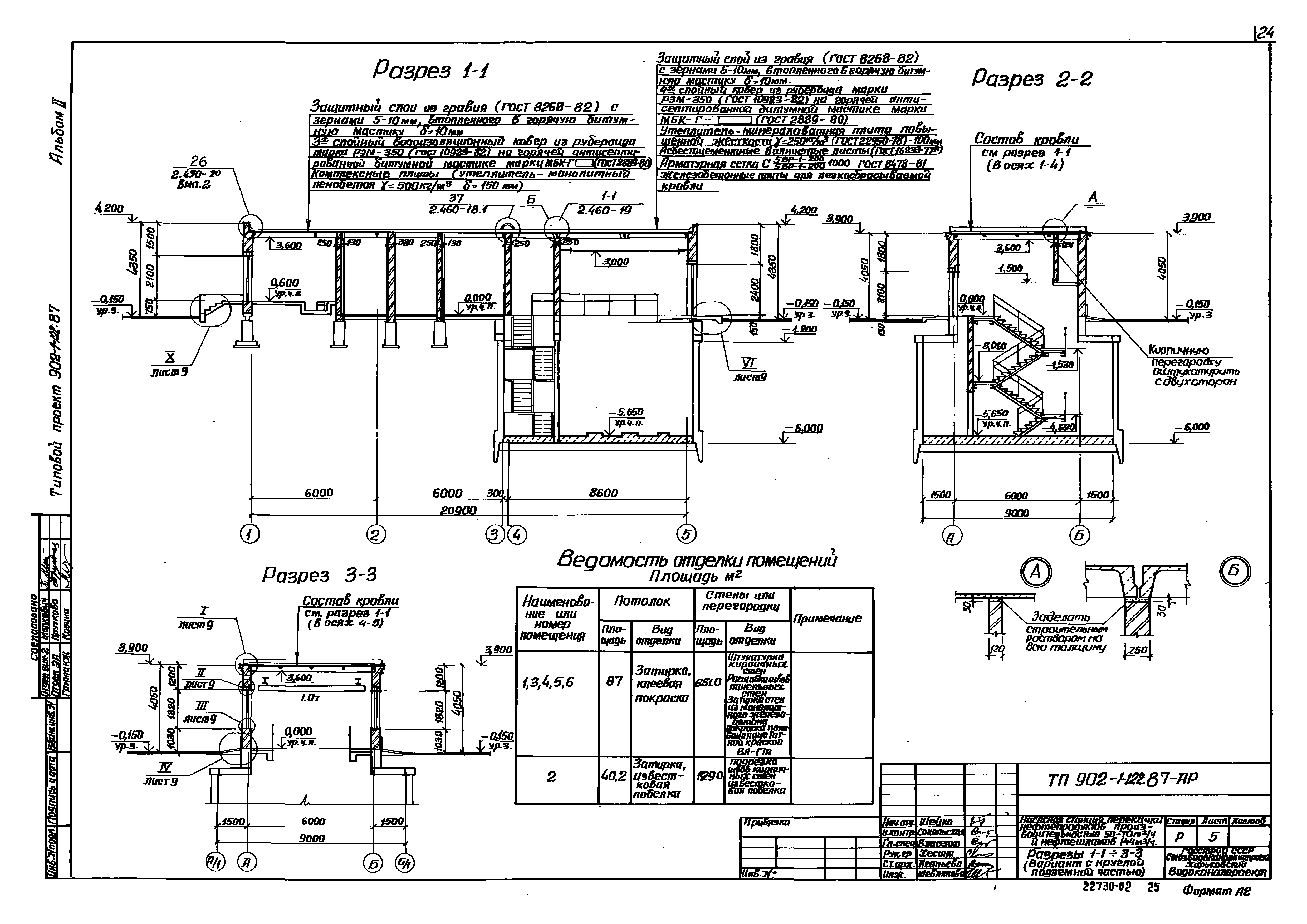
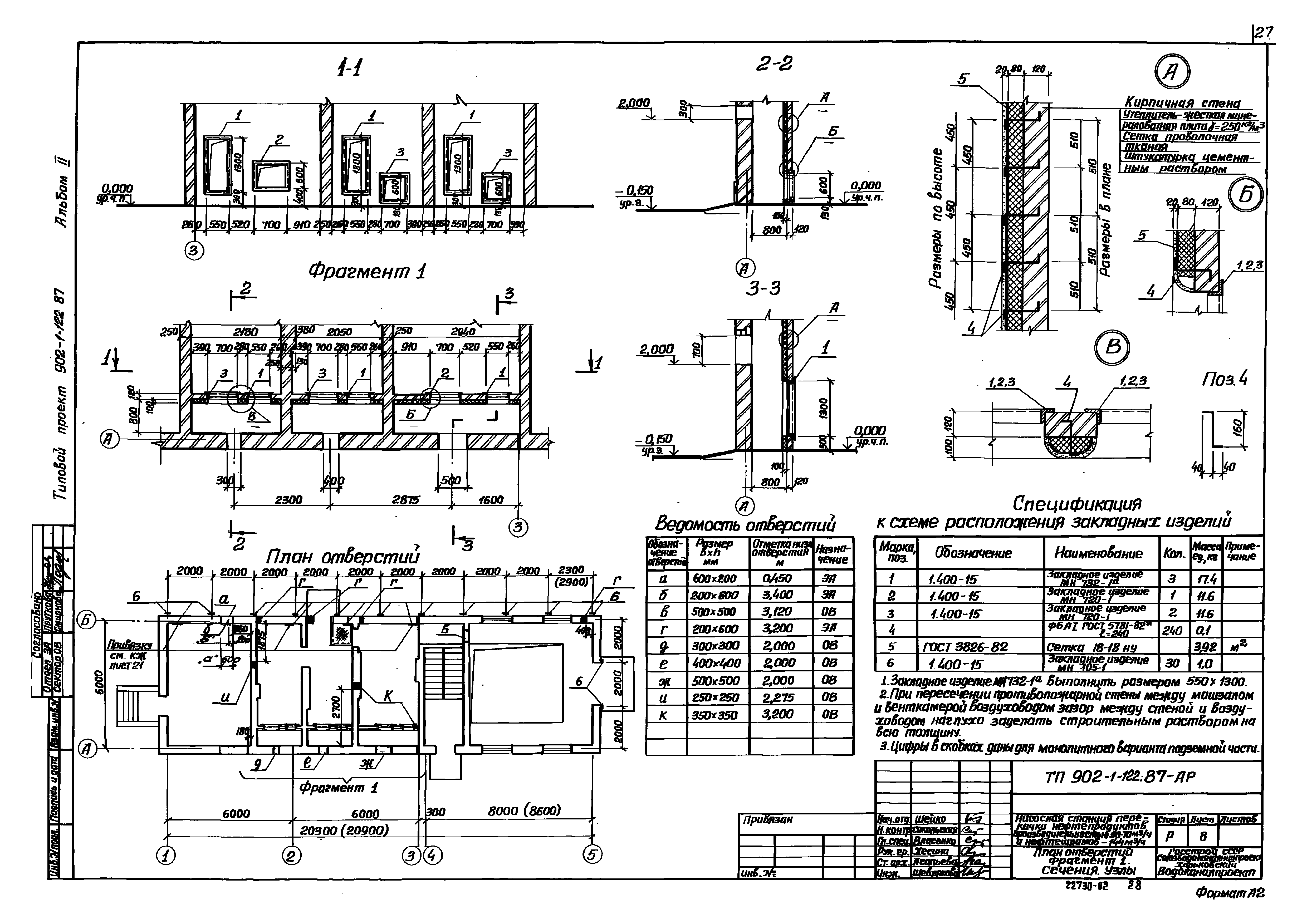
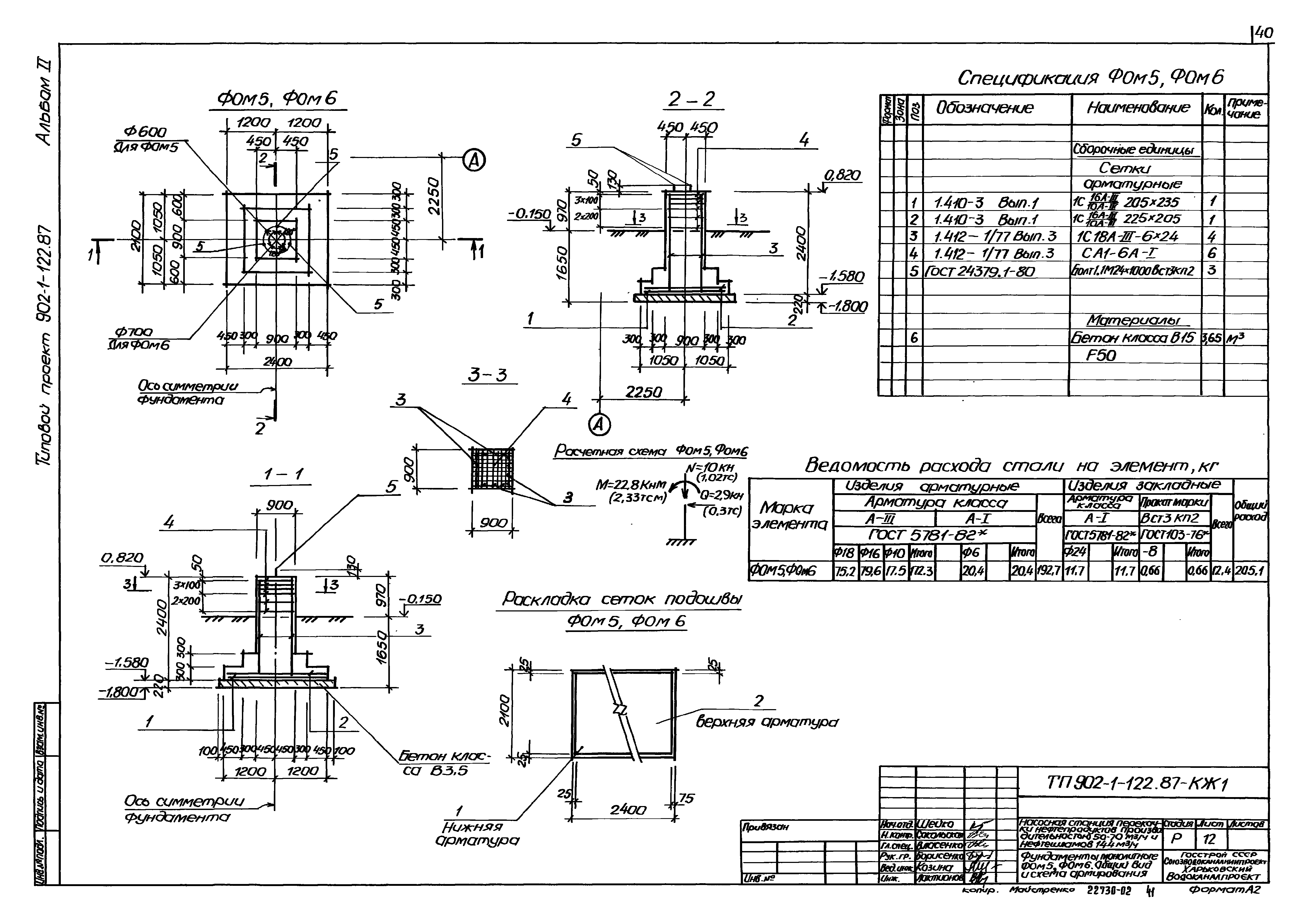
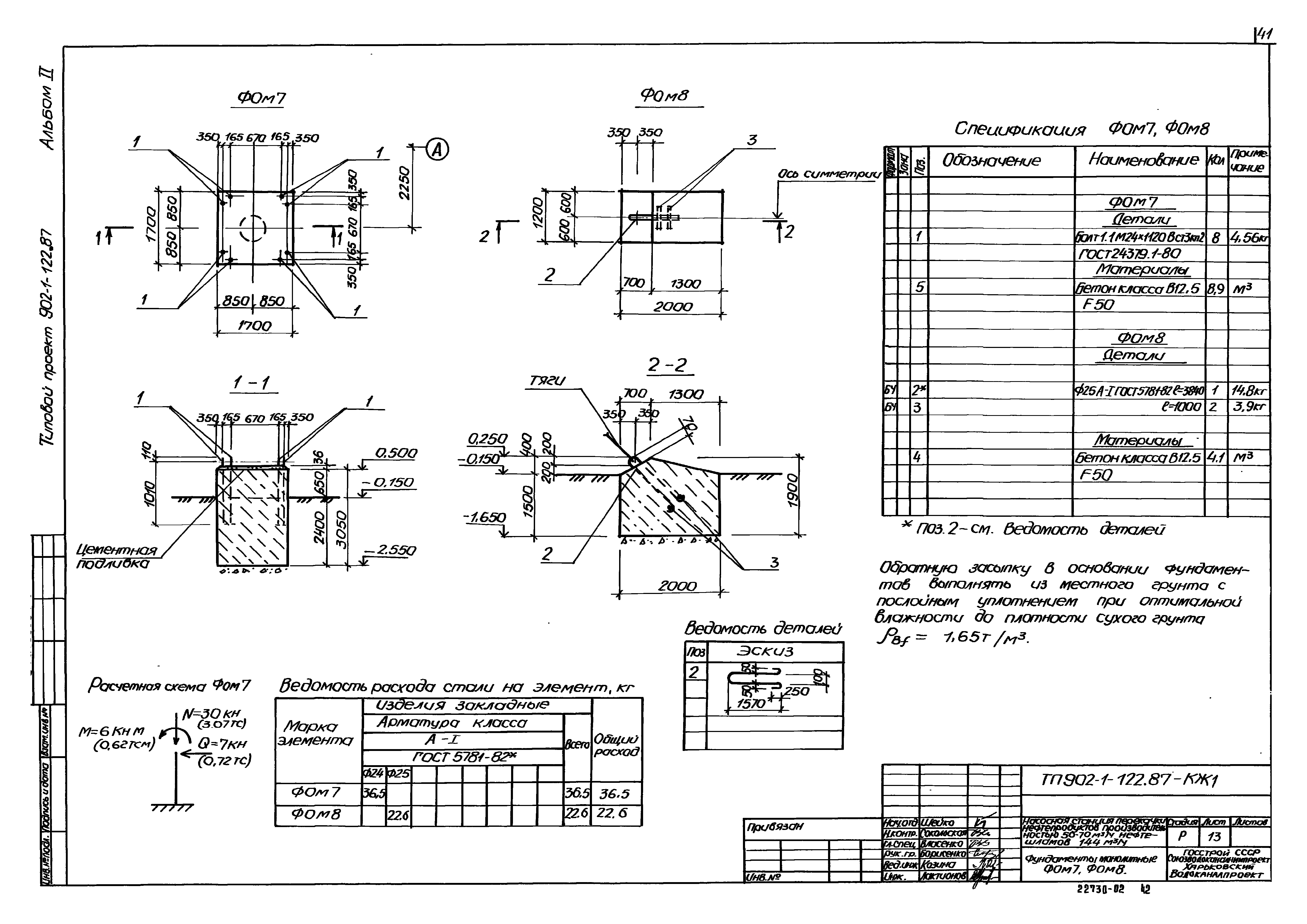
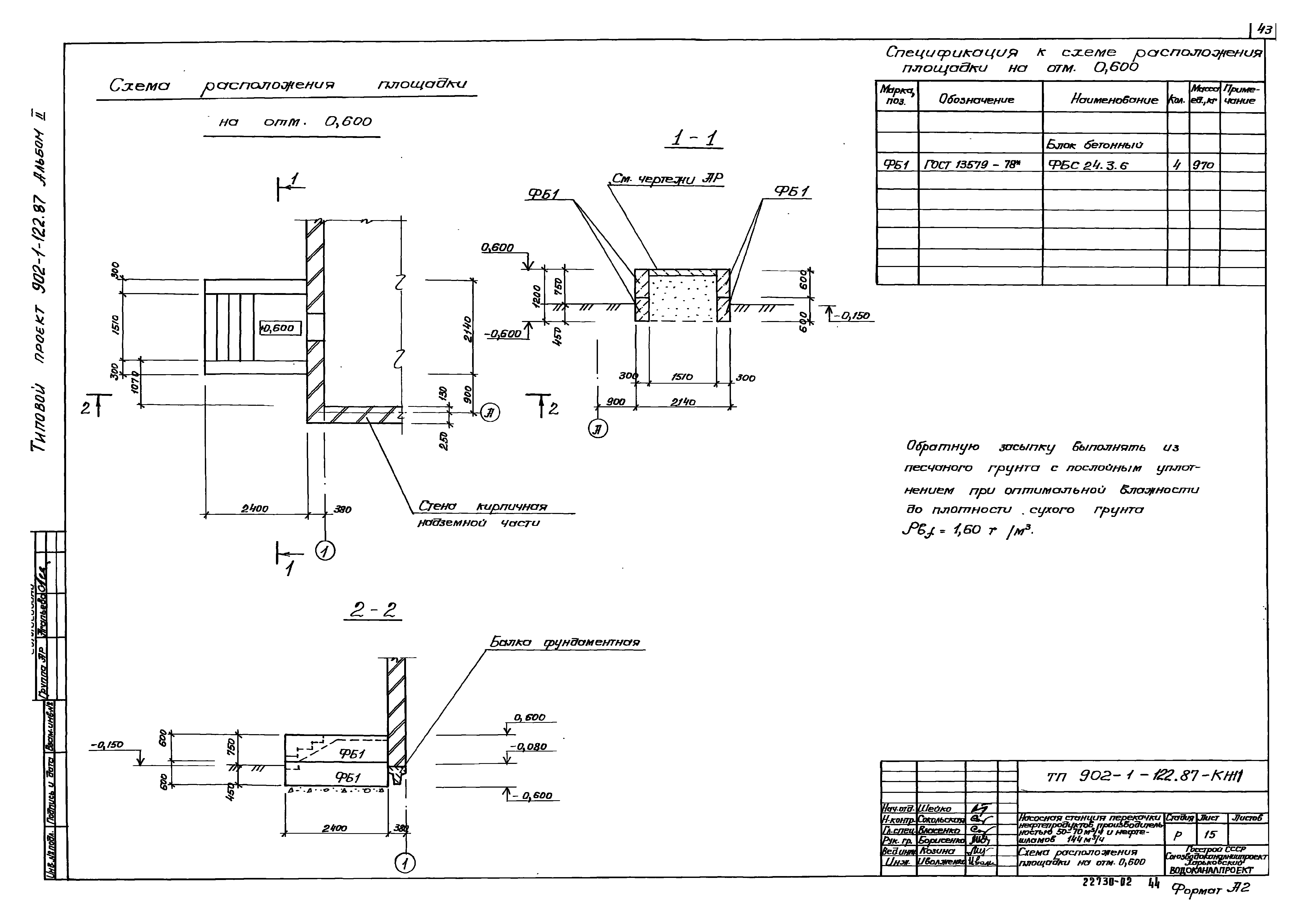
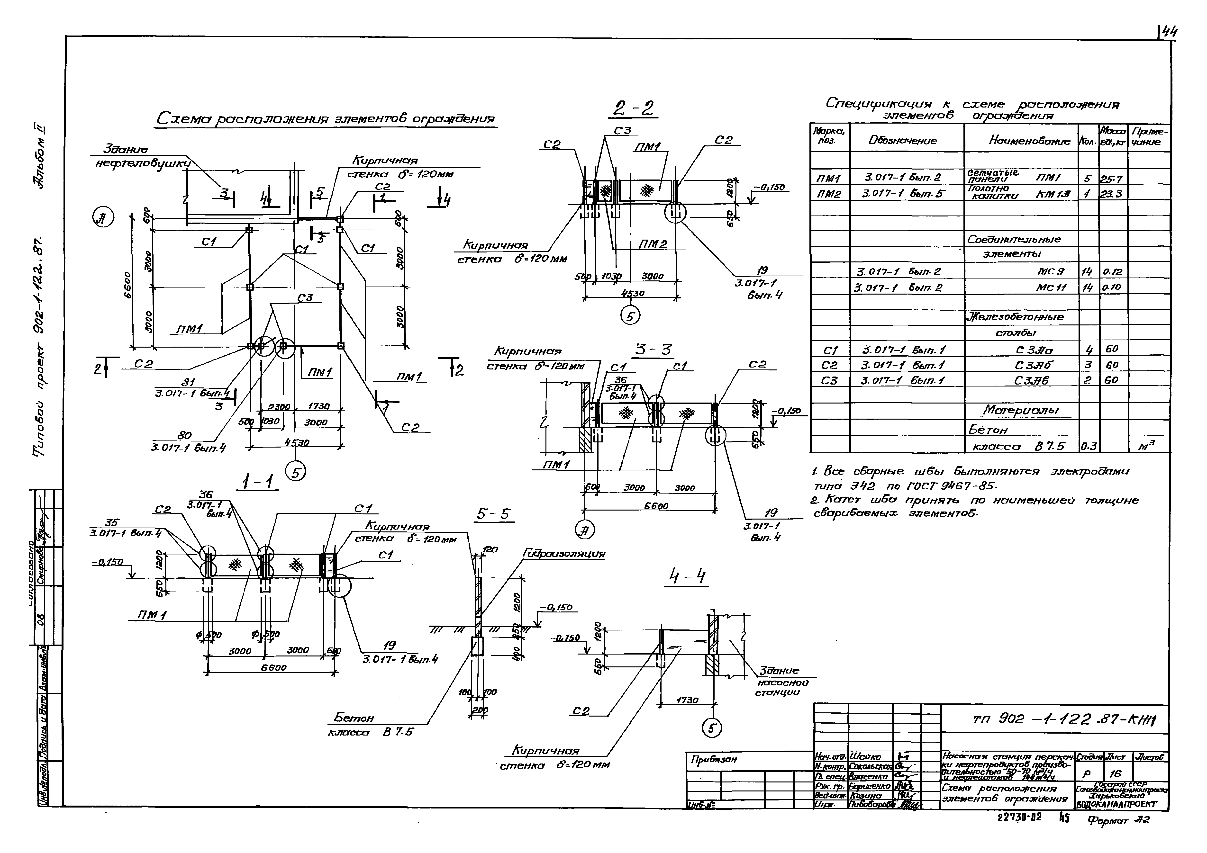
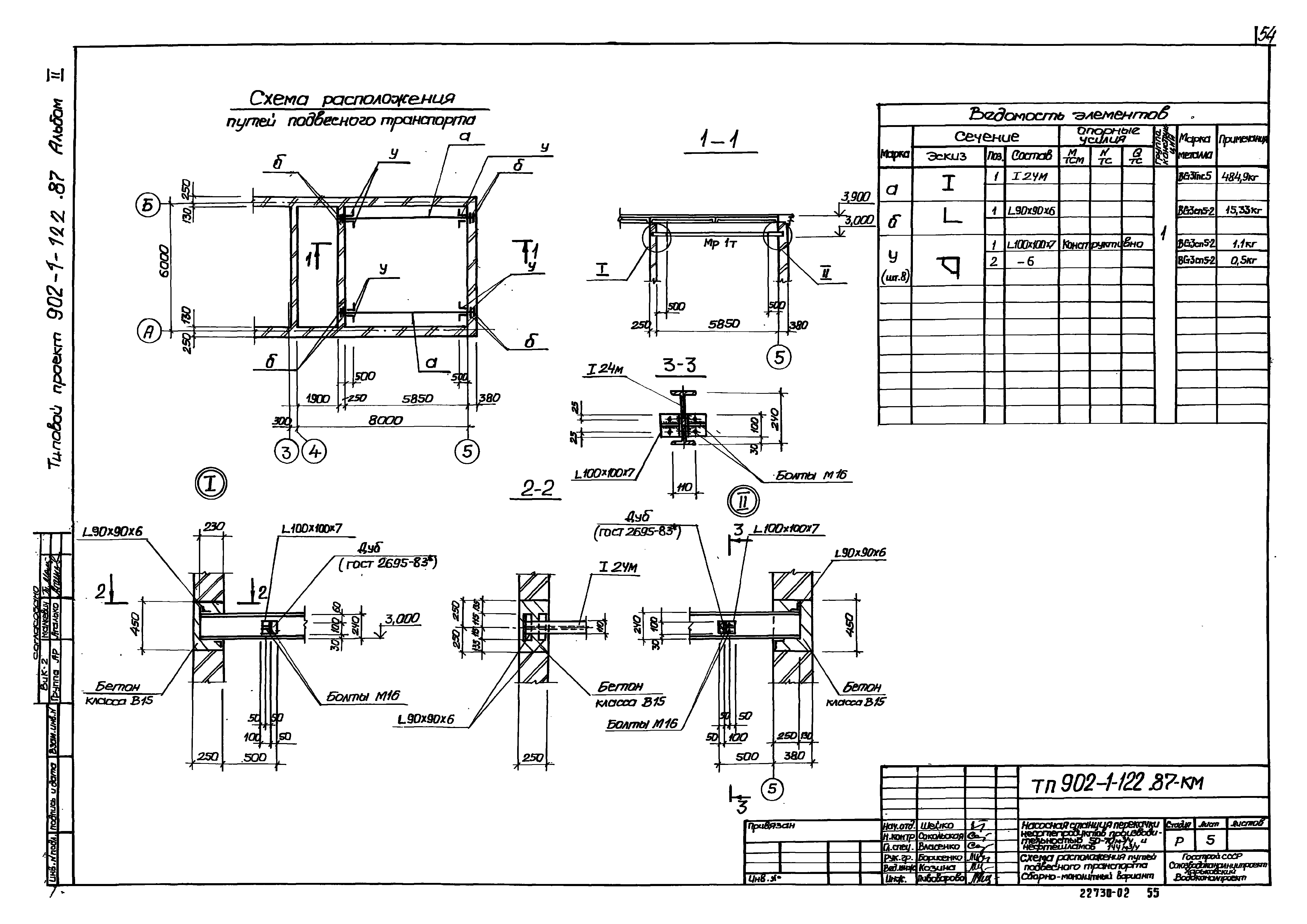
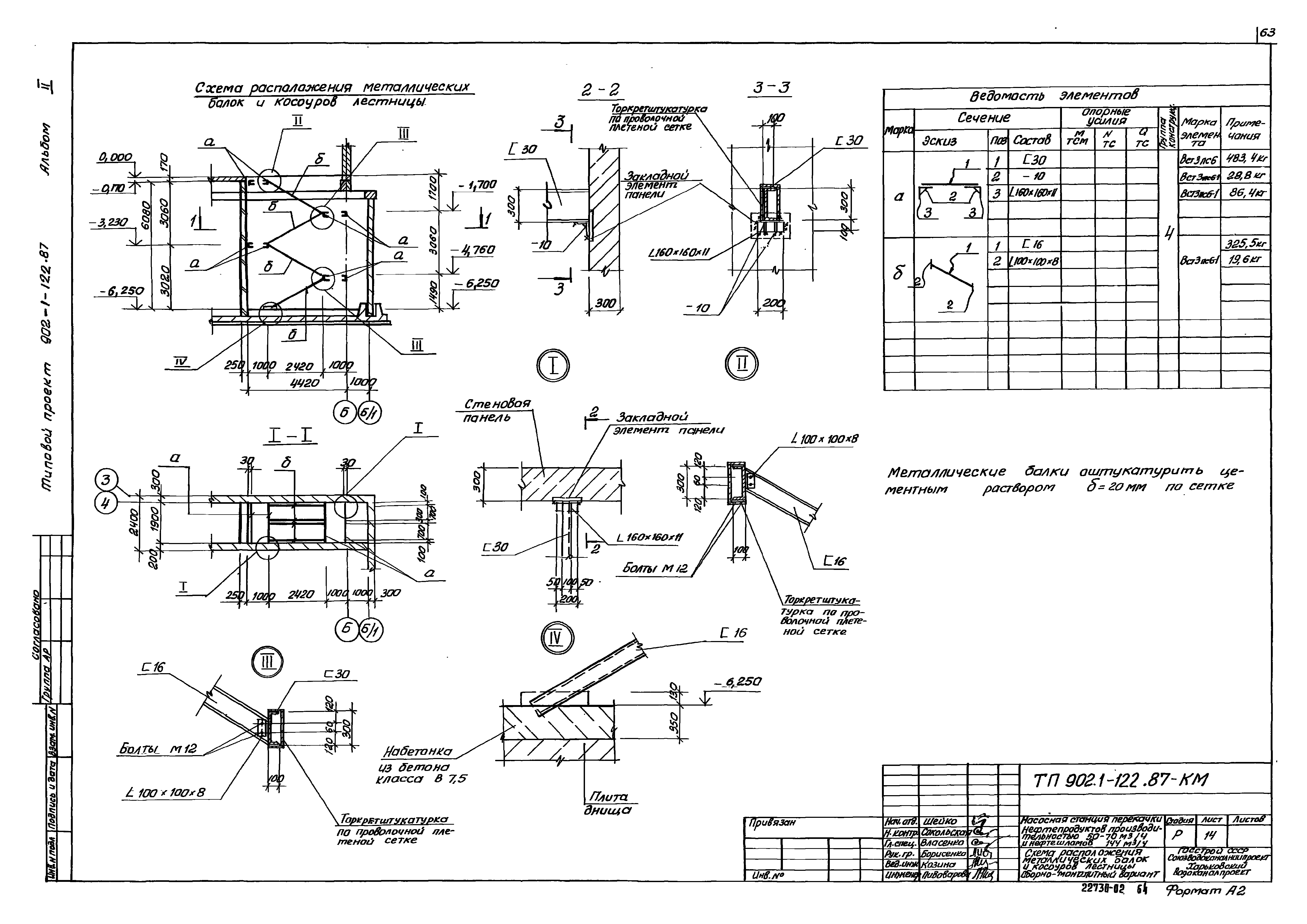
| Оглавление: | ТП 902-1-122.87-НК Основной комплект марки НК ТП 902-1-122.87-НК-1 Общие данные ТП 902-1-122.87-НК-2 План подземной части (сборно-монолитный вариант). План подземной части (монолитный вариант) ТП 902-1-122.87-НК-3 Разрез 1-1. Разрез 2-2 ТП 902-1-122.87-НК-4 Разрез 3-3. Разрез 4-4 ТП 902-1-122.87-НК-5 Схемы систем К6Н,К15Н (сборно-монолитный вариант). Схемы систем К6Н,К15Н (монолитный вариант) ТП 902-1-122.87-НК-6 Фрагмент плана подземной части (сборно-монолитный вариант). Фрагмент плана подземной части (монолитный вариант). Схемы В3,К13,К13Н (сборно-монолитный вариант). Схемы В3,К13,К13Н (монолитный вариант) ТП 902-1-122.87-НКН Общие виды нетиповых конструкций марки НКН ТП 902-1-122.87-НК1 Устройство отборное с разделительной мембраной для манометра ТП 902-1-122.87-НК2 Патрубок монтажный ТП 902-1-122.87-НК3 Патрубок ТП 902-1-122.87-ВК Основной комплект марки ВК ТП 902-1-122.87-ВК-1 Общие данные. План. Схемы систем В1,К1 ТП 902-1-122.87-ОВ Основной комплект марки ОВ ТП 902-1-122.87-ОВ-1 Общие данные ТП 902-1-122.87-ОВ-2 План отопления на отм. 0.000. Схемы систем отопления, теплоснабжения установки П1-П3, узла управления ТП 902-1-122.87-ОВ-3 План вентиляции на отм 0.000 (-5.650),(-6.250). Разрез 1-1 ТП 902-1-122.87-ОВ-4 Схемы систем П1.1р-П3.3р,В1.1р,АВ1 ТП 902-1-122.87-ОВ-5 Установки систем П1.1р-П3.3р ТП 902-1-122.87-ОВ-6 Установки систем В1.1р;АВ1 ТП 902-1-122.87-ОВН Общие виды нетиповых конструкций марки ОВН ТП 902-1-122.87-ОВН2 Лючок с заглушкой. Рама для крепления калорифера ТП 902-1-122.87-ОВН1 Утепленный створный клапан. Расширитель ТП 902-1-122.87-ОВН3 Теплоизоляция трубопроводов ТП 902-1-122.87-АР Основной комплект марки АР ТП 902-1-122.87-АР-1 Общие данные ТП 902-1-122.87-АР-2 Планы на отм. -6.250 и 0.000 (вариант с прямоугольной подземной частью) ТП 902-1-122.87-АР-3 Разрезы 1-1÷3-3 (вариант с прямоугольной подземной частью) ТП 902-1-122.87-АР-4 Планы на отм. -5.650 и 0.000 (вариант с круглой подземной частью) ТП 902-1-122.87-АР-5 Разрезы 1-1÷3-3 (вариант с круглой подземной частью) ТП 902-1-122.87-АР-6 Фасады ТП 902-1-122.87-АР-7 План кровли. Планы полов на отм. -6.250;0.000 ТП 902-1-122.87-АР-8 План отверстий. Фрагмент 1. Сечения. Узлы ТП 902-1-122.87-КЖ1 Основной комплект марки КЖ1 ТП 902-1-122.87-КЖ1-1 Общие данные ТП 902-1-122.87-КЖ1-2 Схема расположения плит покрытия. Сборно-монолитный вариант ТП 902-1-122.87-КЖ1-3 Схема расположения плит покрытия. Монолитный вариант ТП 902-1-122.87-КЖ1-4 Схема расположения элементов каналов и элементов перекрытия каналов (начало) ТП 902-1-122.87-КЖ1-5 Схема расположения элементов каналов и элементов перекрытия каналов (окончание) ТП 902-1-122.87-КЖ1-6 Схема расположения фундаментов под оборудование (начало). Сборно-монолитный вариант ТП 902-1-122.87-КЖ1-7 Схема расположения фундаментов под оборудование (окончание). Сборно-монолитный вариант ТП 902-1-122.87-КЖ1-8 Схема расположения фундаментов под оборудование (начало). Монолитный вариант ТП 902-1-122.87-КЖ1-9 Схема расположения фундаментов под оборудование (окончание). Монолитный вариант ТП 902-1-122.87-КЖ1-10 Фундаменты монолитные. ФОМ1-ФОМ3 ТП 902-1-122.87-КЖ1-11 Фундамент монолитный ФОМ4. Опоры ОПМ1-ОПМ3. Сечения 1-1÷4-4 ТП 902-1-122.87-КЖ1-12 Фундаменты монолитные. ФОМ5,ФОМ6. Общий вид и схема армирования ТП 902-1-122.87-КЖ1-13 Фундаменты монолитные. ФОМ7,ФОМ8 ТП 902-1-122.87-КЖ1-14 Фундаменты монолитные. ФОМ9,ФОМ10 ТП 902-1-122.87-КЖ1-15 Схема расположения площадки на отм. 0.600 ТП 902-1-122.87-КЖ1-16 Схема расположения элементов ограждения ТП 902-1-122.87-КЖИ Основной комплект марки КЖИ ТП 902-1-122.87-КЖИ Содержание альбома ТП 902-1-122.87-КЖИ-ТТ Технические требования ТП 902-1-122.87-КЖИ-КР1 Каркас плоский КР1 ТП 902-1-122.87-КЖИ-П2 Плита покрытия П2 ТП 902-1-122.87-КЖИ-П3 Плита покрытия П3 ТП 902-1-122.87-КЖИ-П4 Плита покрытия П4 ТП 902-1-122.87-КЖИ-БФ1 Балка БФ1 ТП 902-1-122.87-КЖИ-МН1 Изделие закладное МН1 ТП 902-1-122.87-КЖИ-МН2 Изделие закладное МН2 ТП 902-1-122.87-КЖИ-МН3 СБ Изделие закладное МН3. Сборочный чертеж ТП 902-1-122.87-КЖИ-МН3 Изделие закладное МН3 ТП 902-1-122.87-КМ Основной комплект марки КМ ТП 902-1-122.87-КМ-1 Общие данные (начало) ТП 902-1-122.87-КМ-2 Общие данные (продолжение) ТП 902-1-122.87-КМ-3 Общие данные (продолжение) ТП 902-1-122.87-КМ-4 Общие данные (окончание) ТП 902-1-122.87-КМ-5 Схема расположения путей подвесного транспорта. Сборно-монолитный вариант ТП 902-1-122.87-КМ-6 Схема расположения путей подвесного транспорта. Монолитный вариант ТП 902-1-122.87-КМ-7 Схема расположения металлоконструкций на отм. 0.000. Сборно-монолитный вариант ТП 902-1-122.87-КМ-8 Схема расположения металлоконструкций на отм. 0.000 (начало). Монолитный вариант ТП 902-1-122.87-КМ-9 Схема расположения металлоконструкций на отм. 0.000 (окончание). Монолитный вариант ТП 902-1-122.87-КМ-10 Схема расположения элементов крепления вентиляционных труб (начало) ТП 902-1-122.87-КМ-11 Схема расположения элементов крепления вентиляционных труб (продолжение) ТП 902-1-122.87-КМ-12 Схема расположения элементов крепления вентиляционных труб (продолжение) ТП 902-1-122.87-КМ-13 Схема расположения элементов крепления вентиляционных труб (окончание) ТП 902-1-122.87-КМ-14 Схема расположения металлических балок и косоуров лестницы. Сборно-монолитный вариант ТП 902-1-122.87-КМ-15 Схема расположения металлических балок и косоуров лестницы (начало). Монолитный вариант ТП 902-1-122.87-КМ-16 Схема расположения металлических балок и косоуров лестницы (окончание). Монолитный вариант |
| Разработан: | Харьковский Водоканалпроект |
| Утверждён: | 18.08.1987 Госстрой СССР (Государственный комитет Совета Министров СССР по делам строительства) (USSR Gosstroy 49) |
| Заменяет собой: |
|

































































