Скачать Типовой проект 902-3-64.87 Альбом III. Архитектурно-строительные решения. Конструкции железобетонные. Конструкции металлическиеДата актуализации: 01.01.2021
|
| Обозначение: | Типовой проект 902-3-64.87 |
| Обозначение англ: | 902-3-64.87 |
| Статус: | не определен законодательством |
| Название рус.: | Альбом III. Архитектурно-строительные решения. Конструкции железобетонные. Конструкции металлические |
| Дата добавления в базу: | 01.10.2014 |
| Дата актуализации: | 01.01.2021 |
| Дата введения: | 23.04.1986 |
| Дата окончания срока действия: | 30.06.2003 |
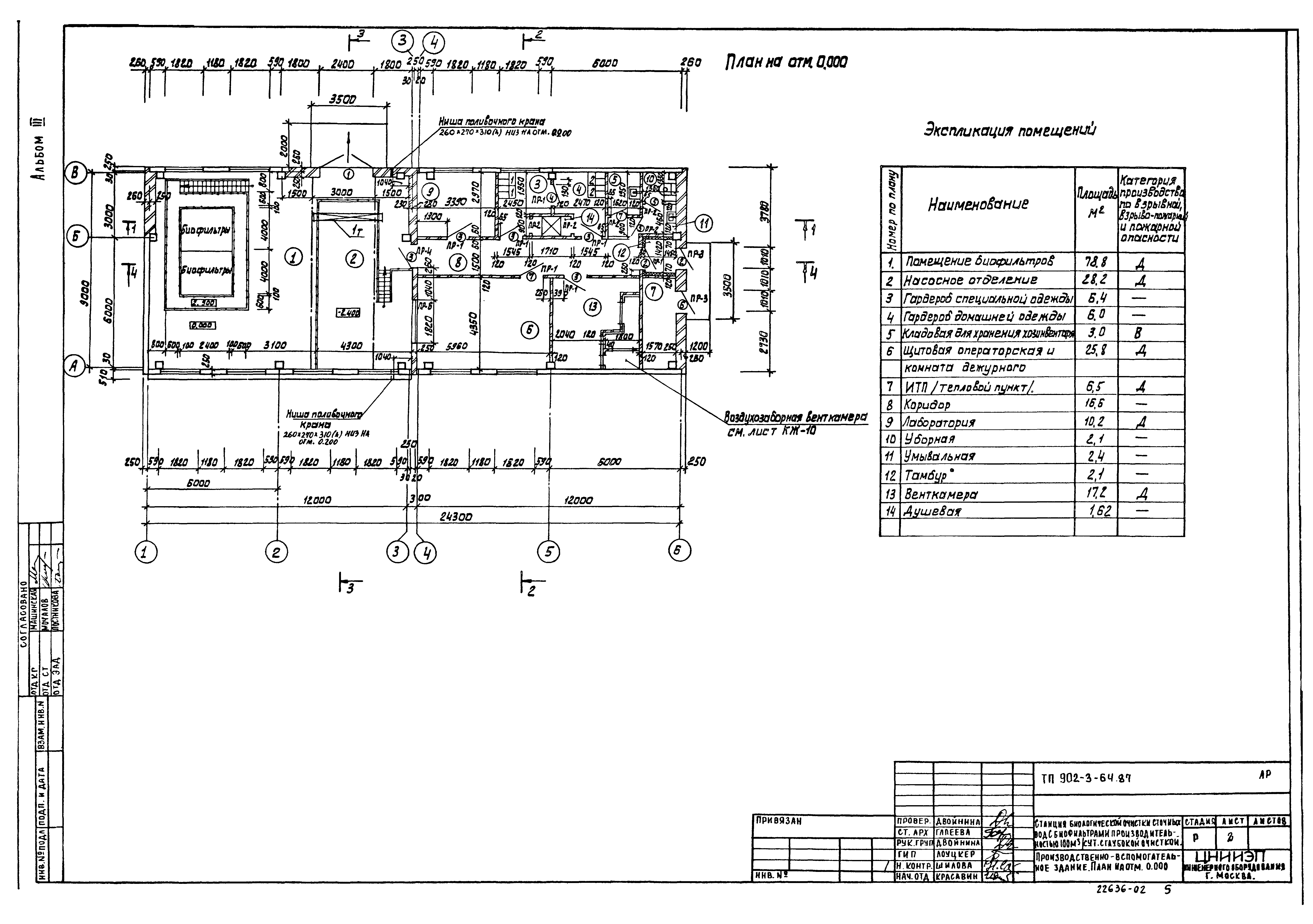
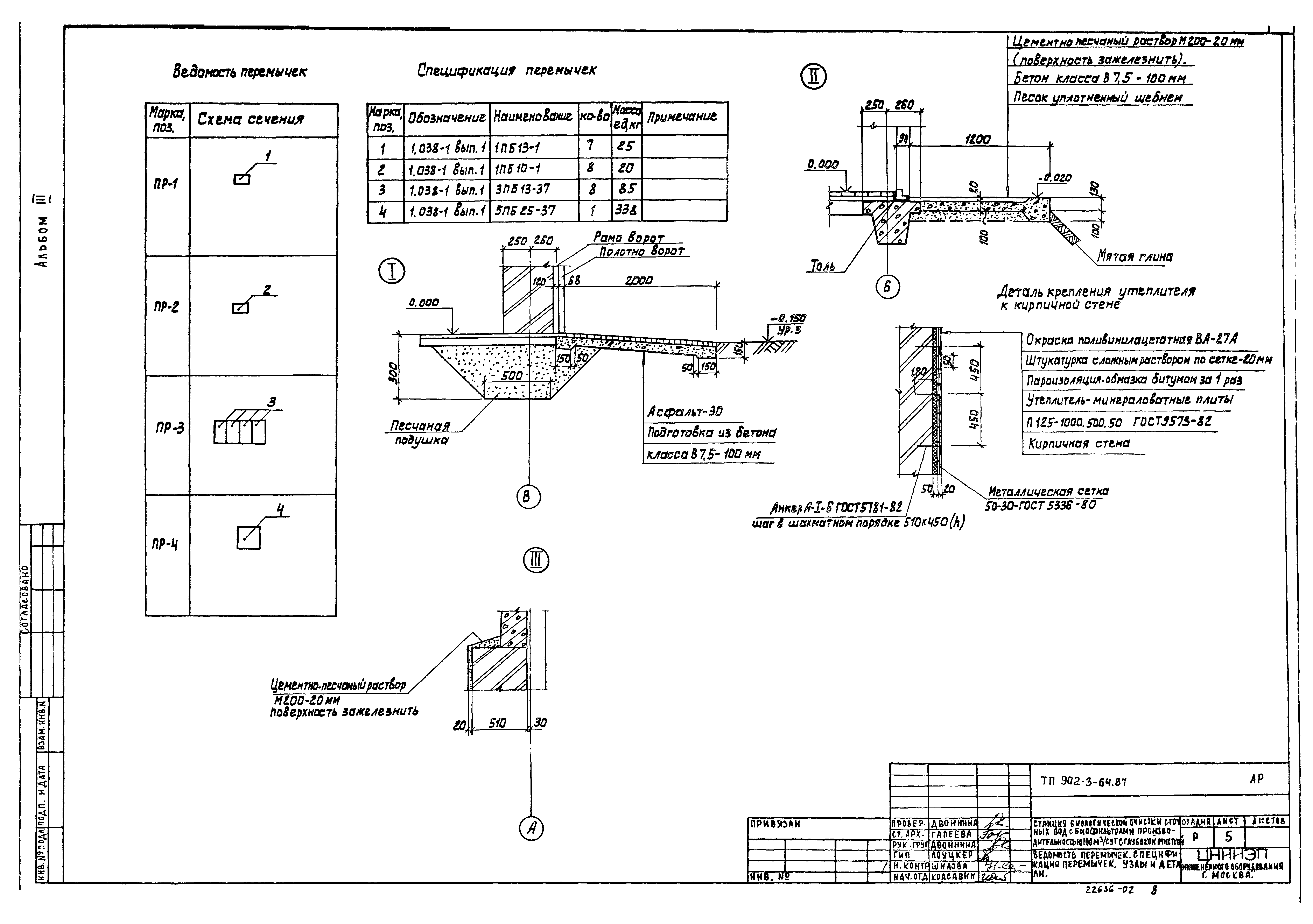
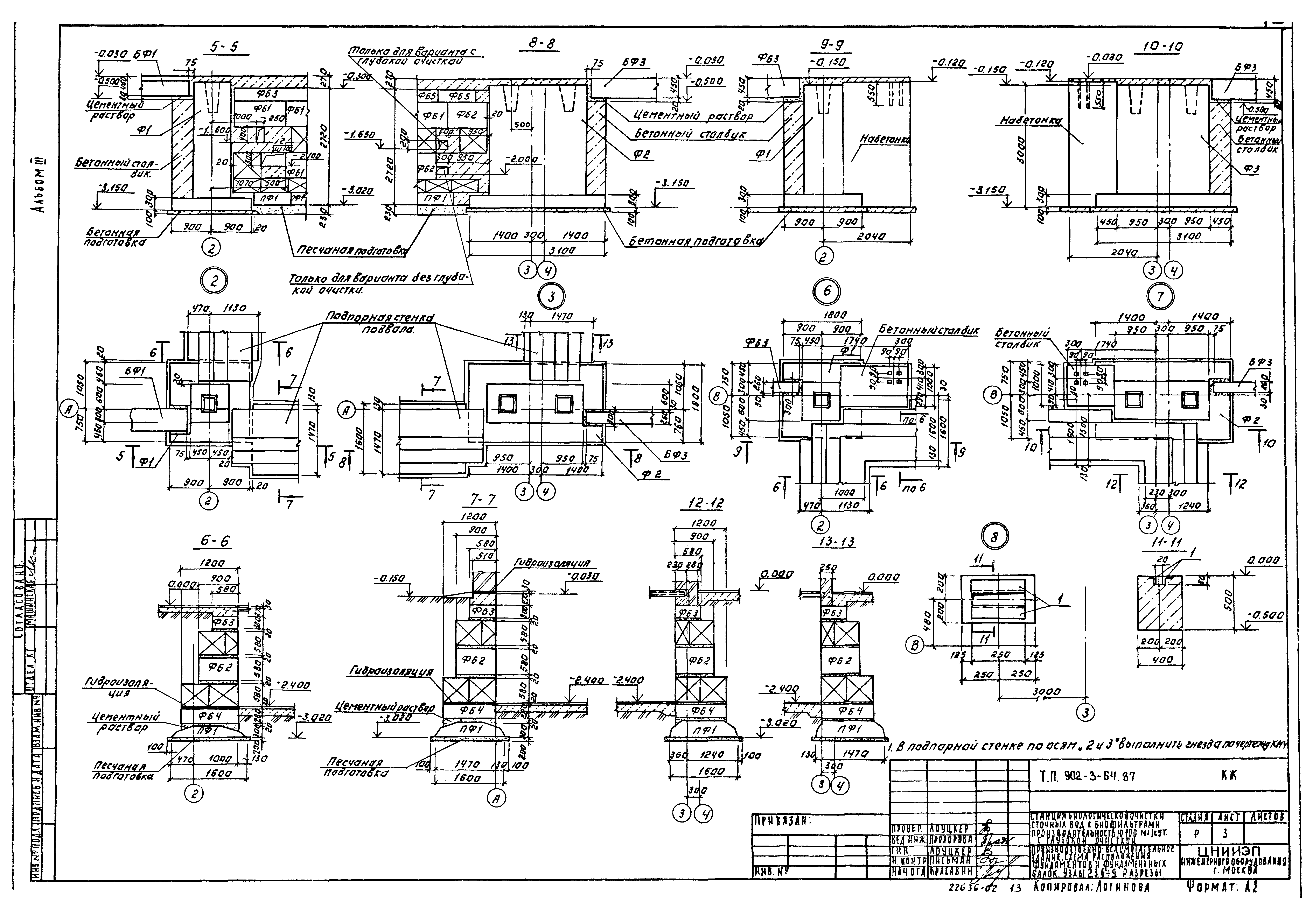
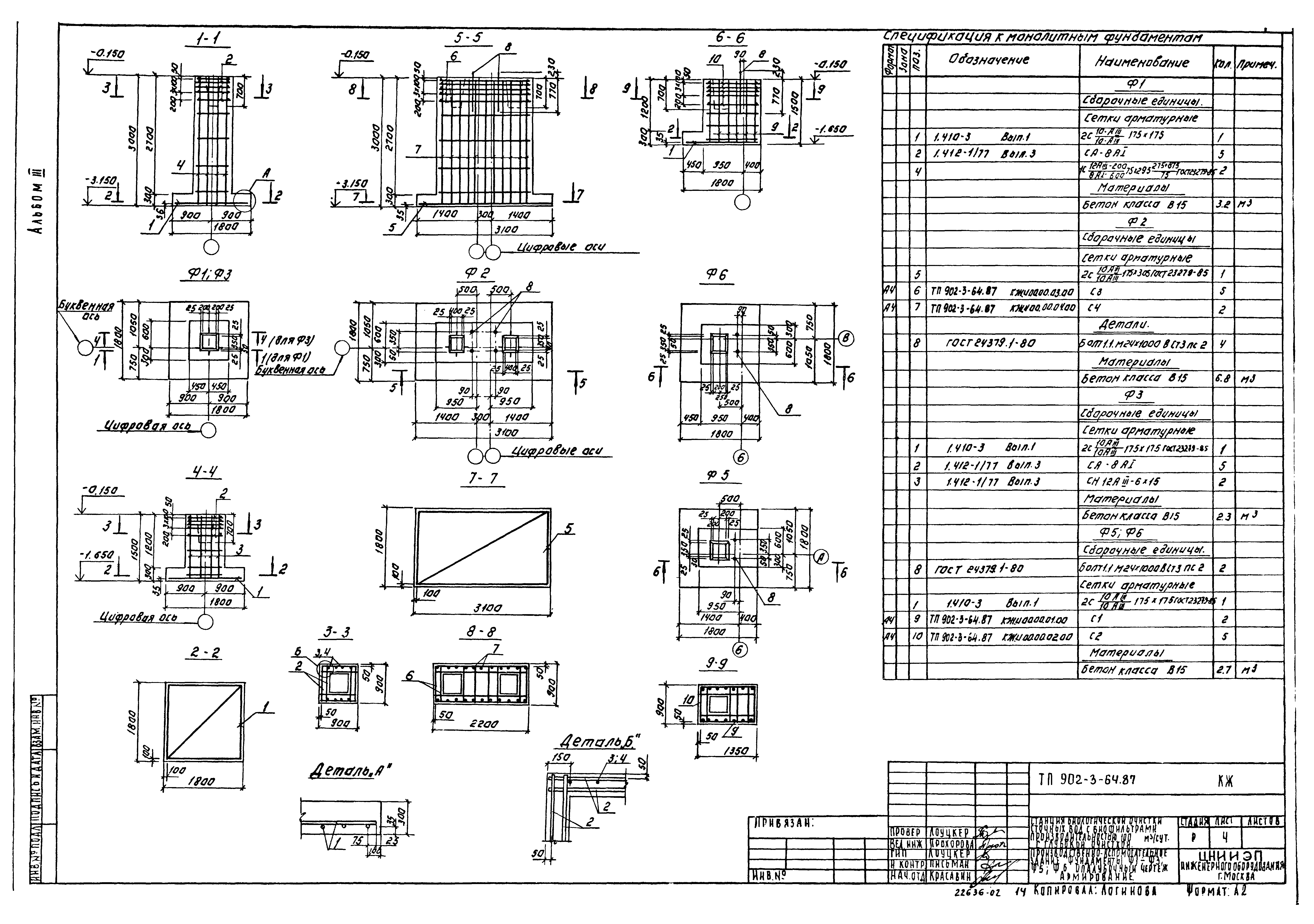
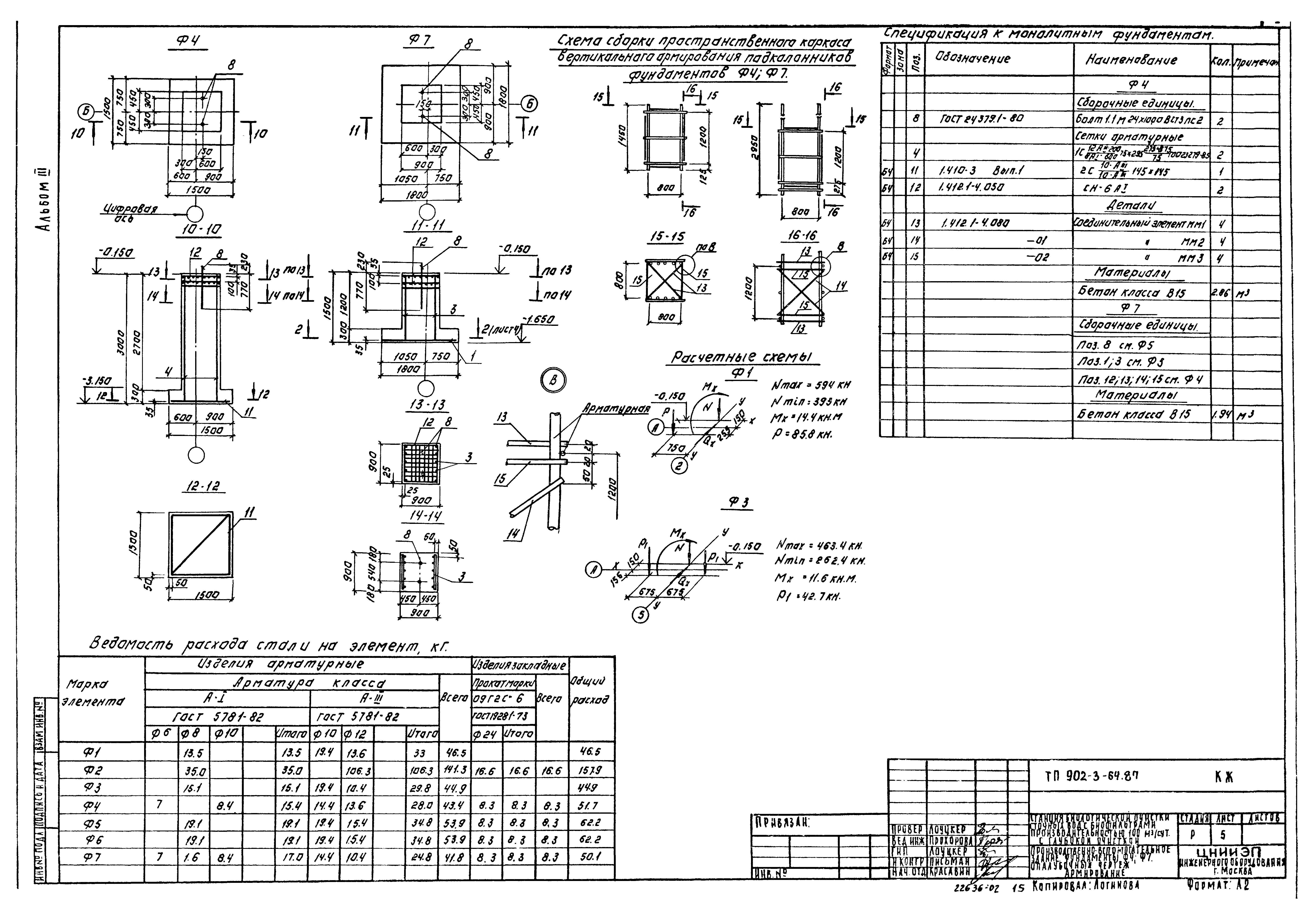
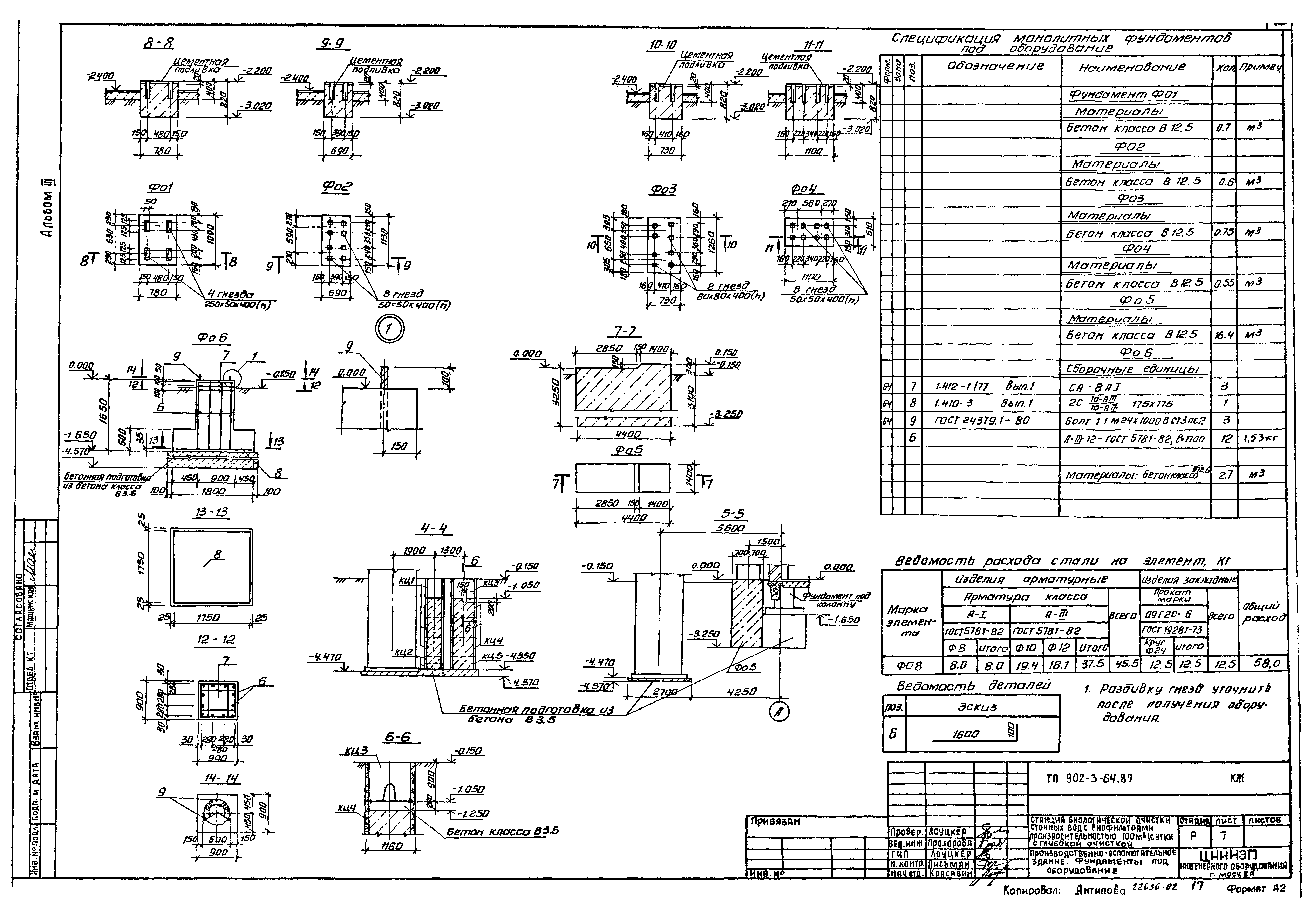
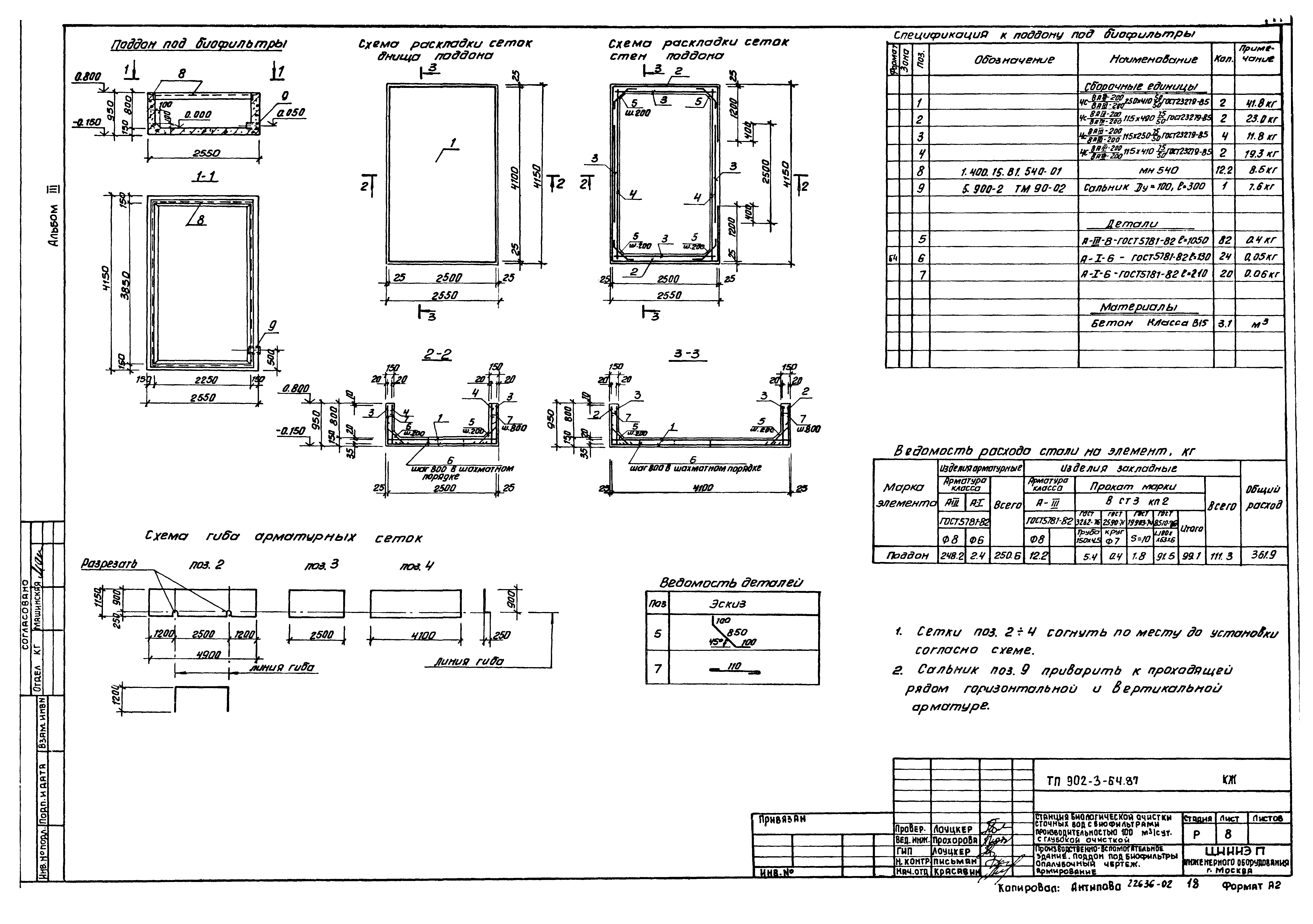
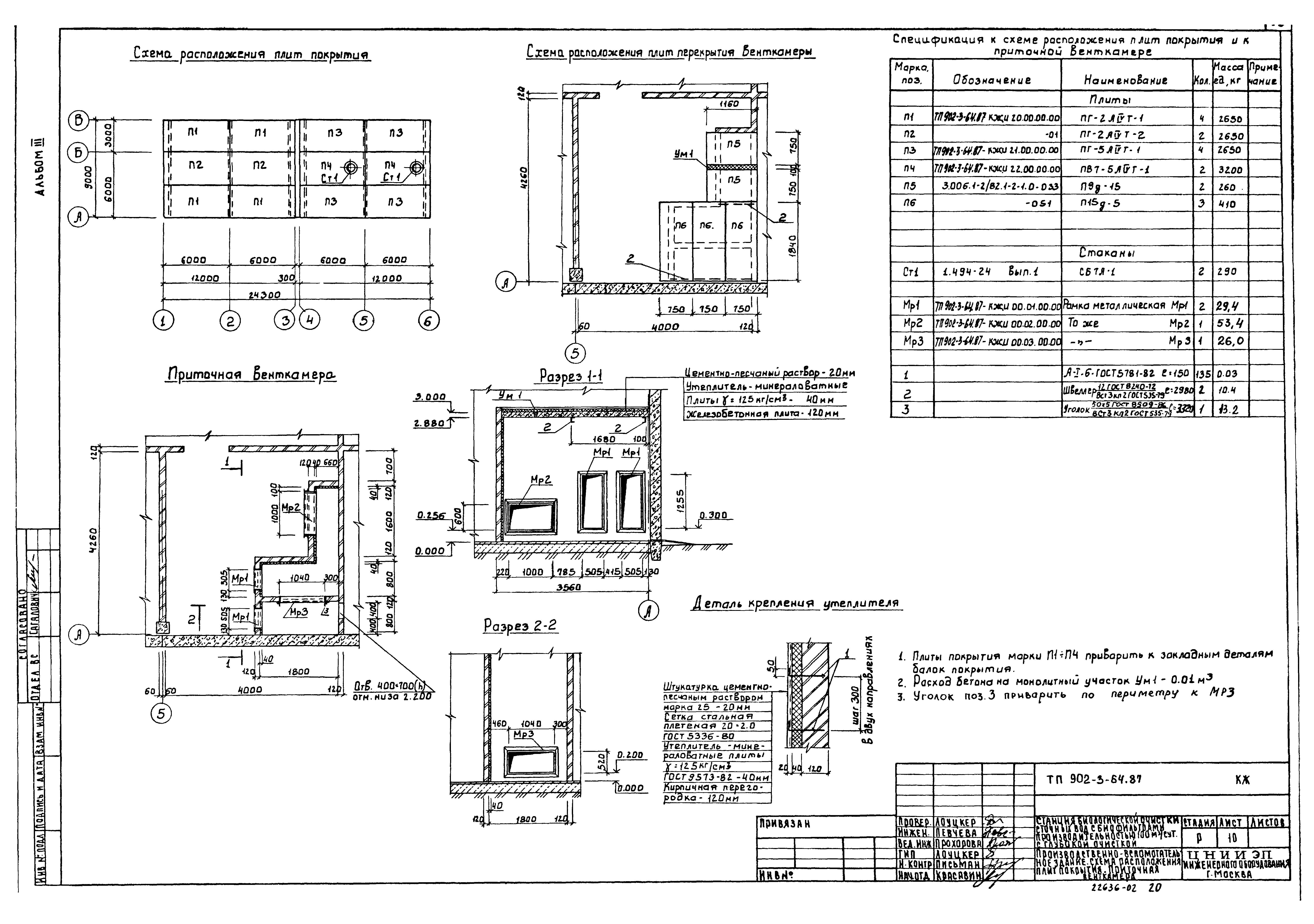
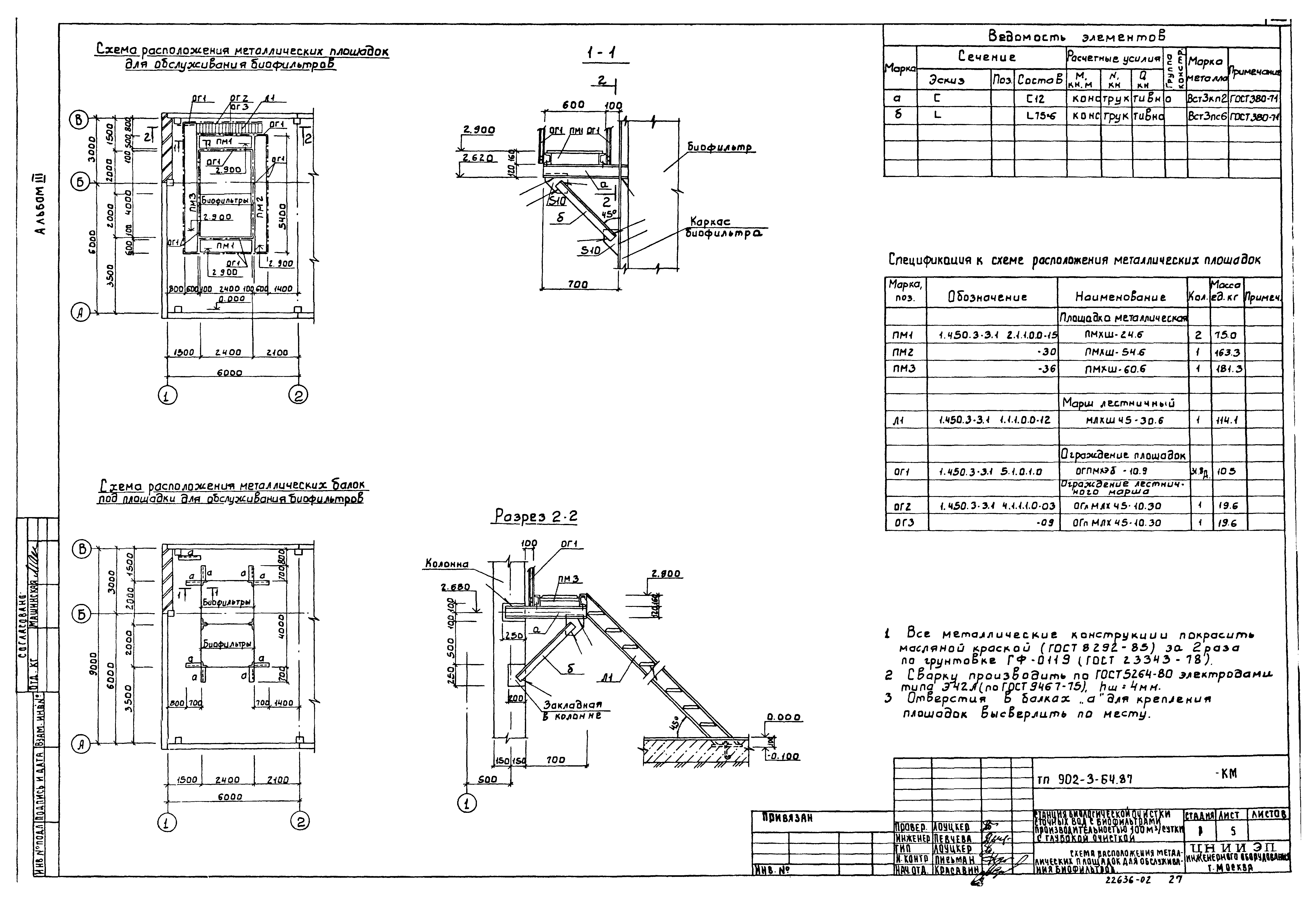
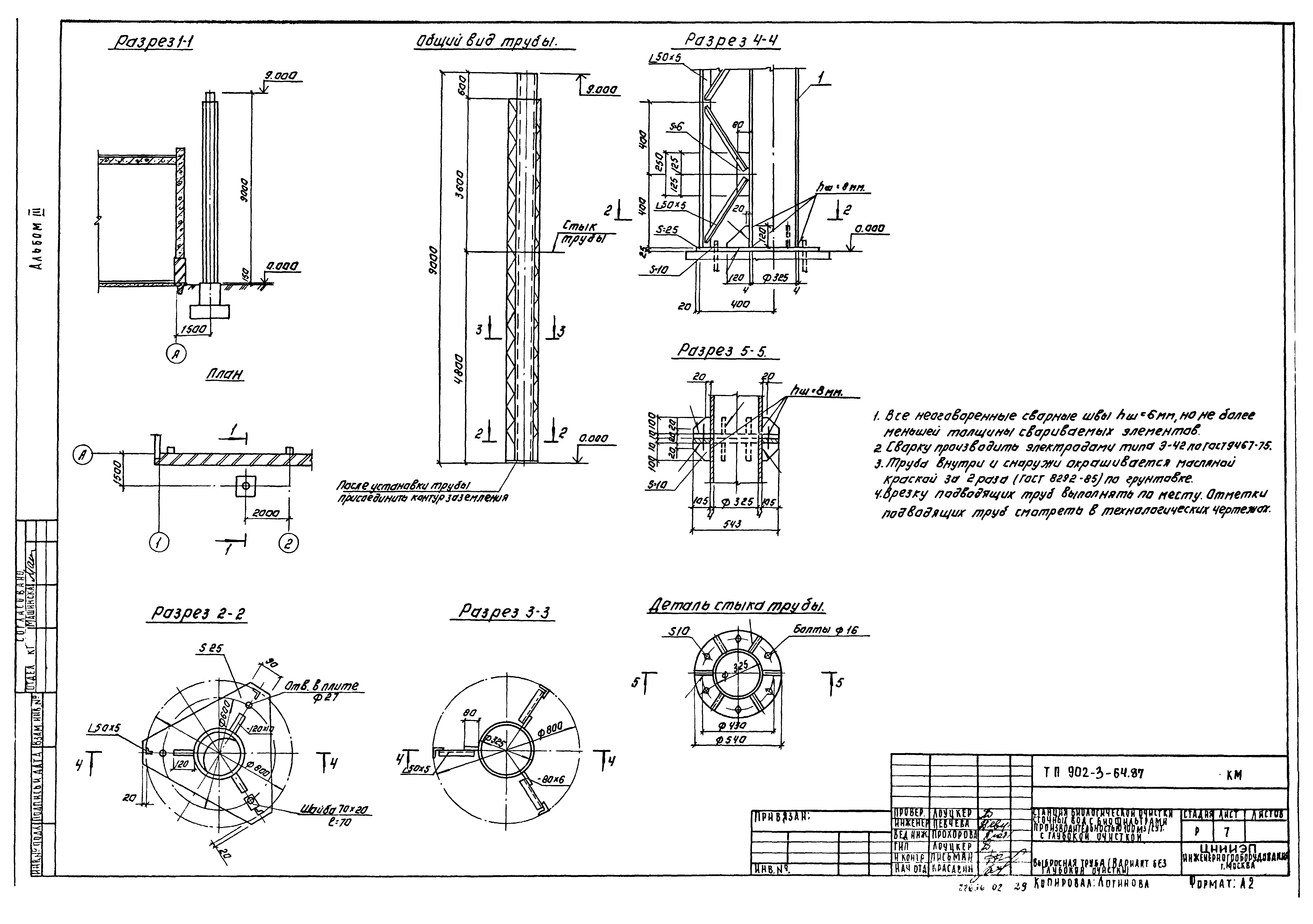
| Оглавление: | Архитектурно-строительные решения Общие данные План на отм. 0.000 Разрезы 1-1, 2-2, 3-3, 4-4. Ведомость проемов ворот и дверей. Спецификация элементов заполнения проемов Фасады 1 - 6; 6 - 1; А - В; В - А. Схема заполнения оконных проемов Ведомость перемычек. Спецификация перемычек. Узлы и детали План кровли. План полов. Ведомость отделки помещений. Экспликация полов План отверстий на отм. 0.000. Ведомость отверстий Конструкции железобетонные Общие данные Производственно-вспомогательное здание. Схема расположения фундаментов и фундаментных балок. Узлы 1, 4, 5, 10 Производственно-вспомогательное здание. Схема расположения фундаментов и фундаментных балок. Узлы 2, 3, 6 - 9. Разрезы Производственно-вспомогательное здание. Фундаменты Ф1 - Ф3, Ф5, Ф6. Опалубочный чертеж. Армирование Производственно-вспомогательное здание. Фундаменты Ф4, Ф1. Опалубочный чертеж. Армирование Производственно-вспомогательное здание. Схема расположения фундаментов под оборудование Производственно-вспомогательное здание. Фундаменты под оборудование Производственно-вспомогательное здание. Поддон под биофильтры. Опалубочный чертеж. Армирование Производственно-вспомогательное здание. Схема расположения колонн и балок покрытия Производственно-вспомогательное здание. Схема расположения плит покрытия. Приточная венткамера Производственно-вспомогательное здание. Схема расположения стеновых панелей Емкостные сооружения Конструкции металлические Общие данные. Ведомость металлоконструкций Техническая спецификация стали Схема расположения подвесных путей. Узлы 1, 2. Разрезы 1-1…4-4 Схема расположения металлических площадок для обслуживания биофильтров Схема расположения металлических площадок над подвалом и для вентиляторов Выбросная труба (вариант без глубокой очистки) Организация строительства Схема стройгенплана График производства работ График производства работ. Вариант без глубокой очистки |
| Разработан: | ЦНИИЭП инженерного оборудования |
| Утверждён: | 23.04.1986 Госгражданстрой (Gosgrazhdanstroy 145) |
| Издан: | ЦИТП Госстроя СССР (CITP, Gosstroy (USSR) 1988 г. ) |
































