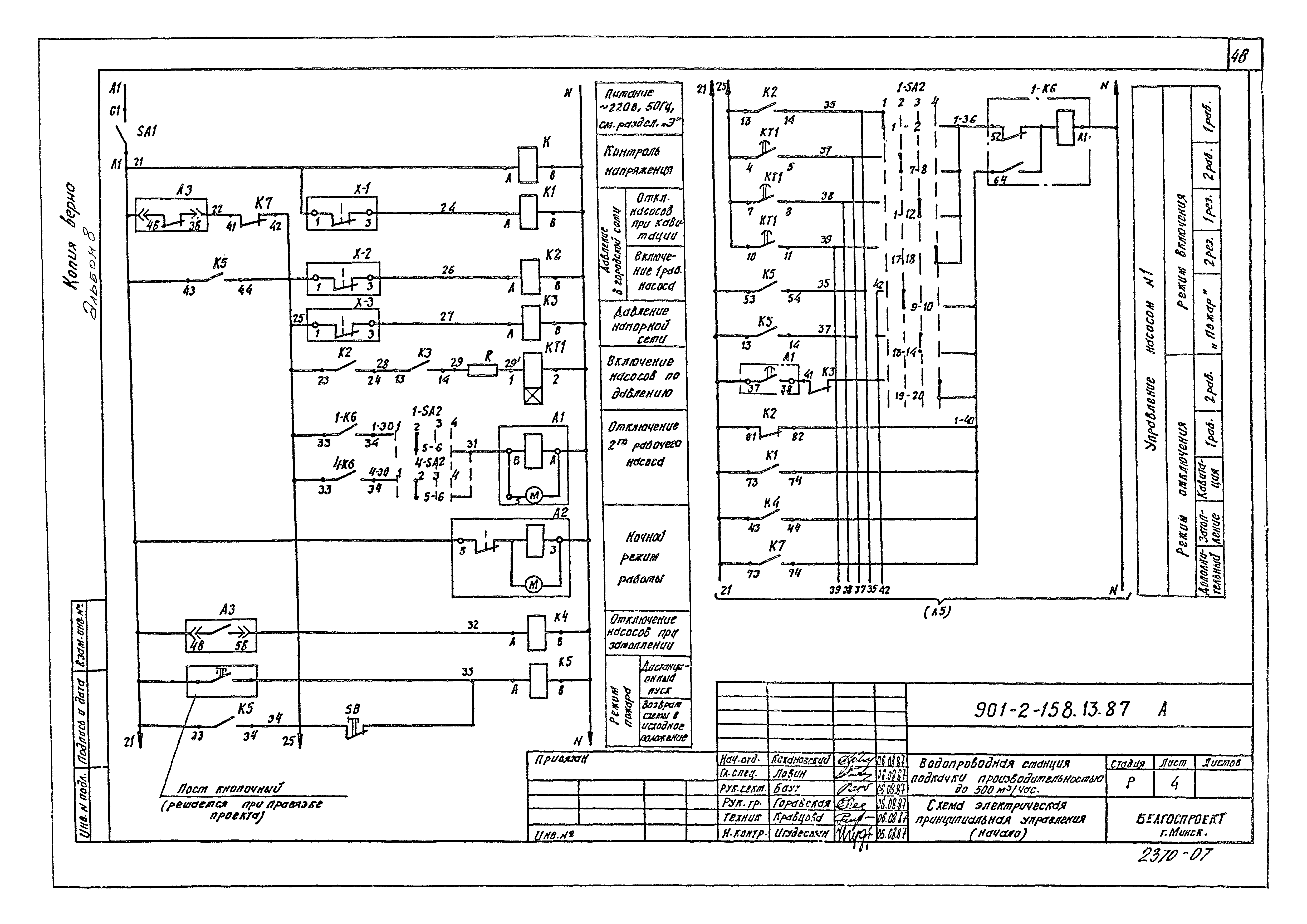
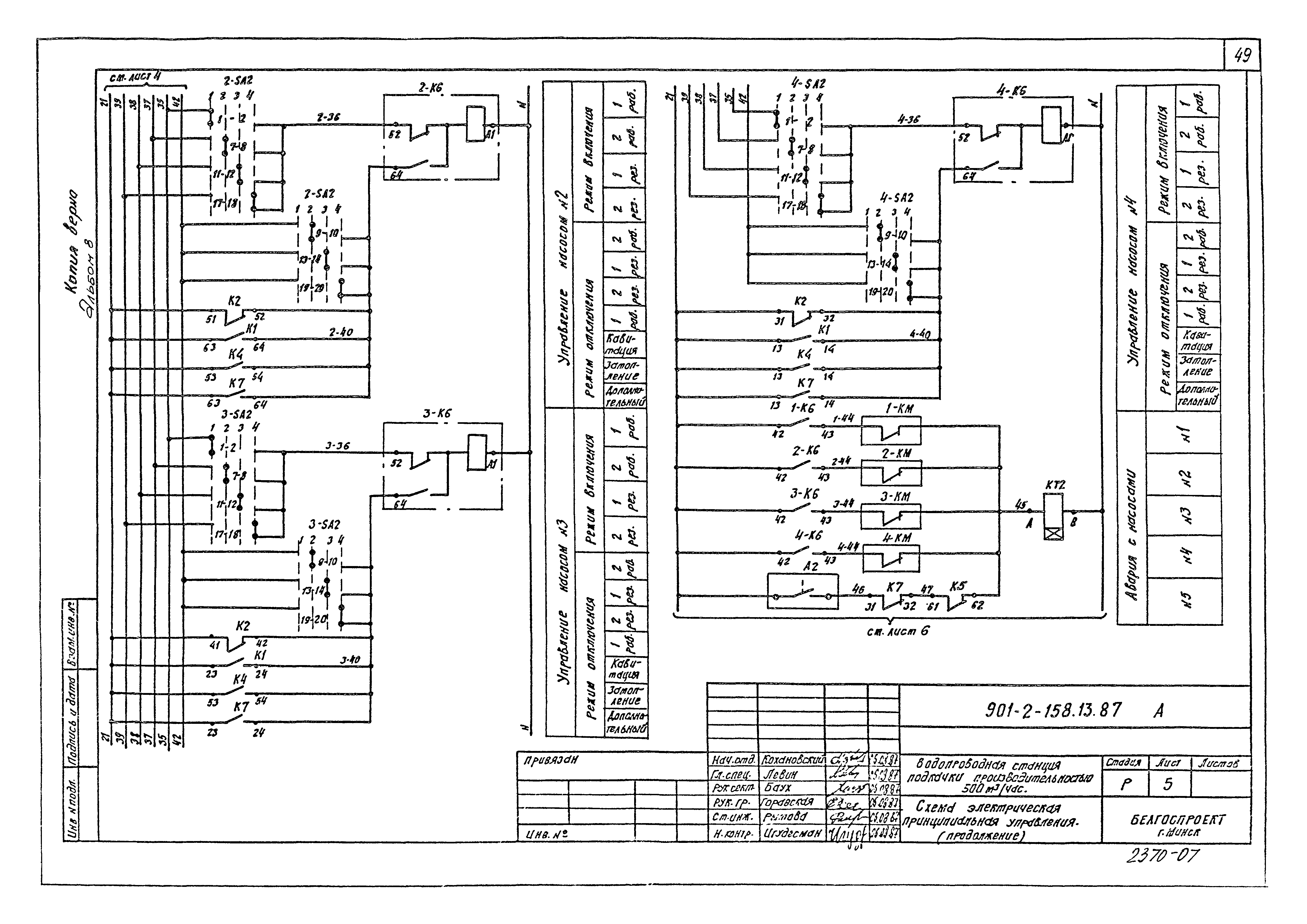
Скачать Типовой проект 901-2-158.13.87 Альбом 8. Задание заводу изготовителю щитовДата актуализации: 01.01.2021 Типовой проект 901-2-158.13.87
Альбом 8. Задание заводу изготовителю щитов| Обозначение: | Типовой проект 901-2-158.13.87 | | Обозначение англ: | 901-2-158.13.87 | | Статус: | действует | | Название рус.: | Альбом 8. Задание заводу изготовителю щитов | | Дата добавления в базу: | 01.02.2017 | | Дата актуализации: | 01.01.2021 | | Дата введения: | 13.11.1987 | | Разработан: | Белгоспроект
| | Утверждён: | 13.11.1987 Госстрой БССР (BSSR Gosstroy 179)
| | Издан: | ЦИТП Госстроя СССР (CITP, Gosstroy (USSR) 1988 г. )
| | Заменяет собой: | |
                                                  
|