Скачать Раздел 3 Архитектурно-строительная частьДата актуализации: 01.01.2021
|
| Обозначение: | Раздел 3 |
| Обозначение англ: | Раздел 3 |
| Статус: | действует |
| Название рус.: | Архитектурно-строительная часть |
| Дата добавления в базу: | 01.09.2013 |
| Дата актуализации: | 01.01.2021 |
| Дата введения: | 01.09.1977 |
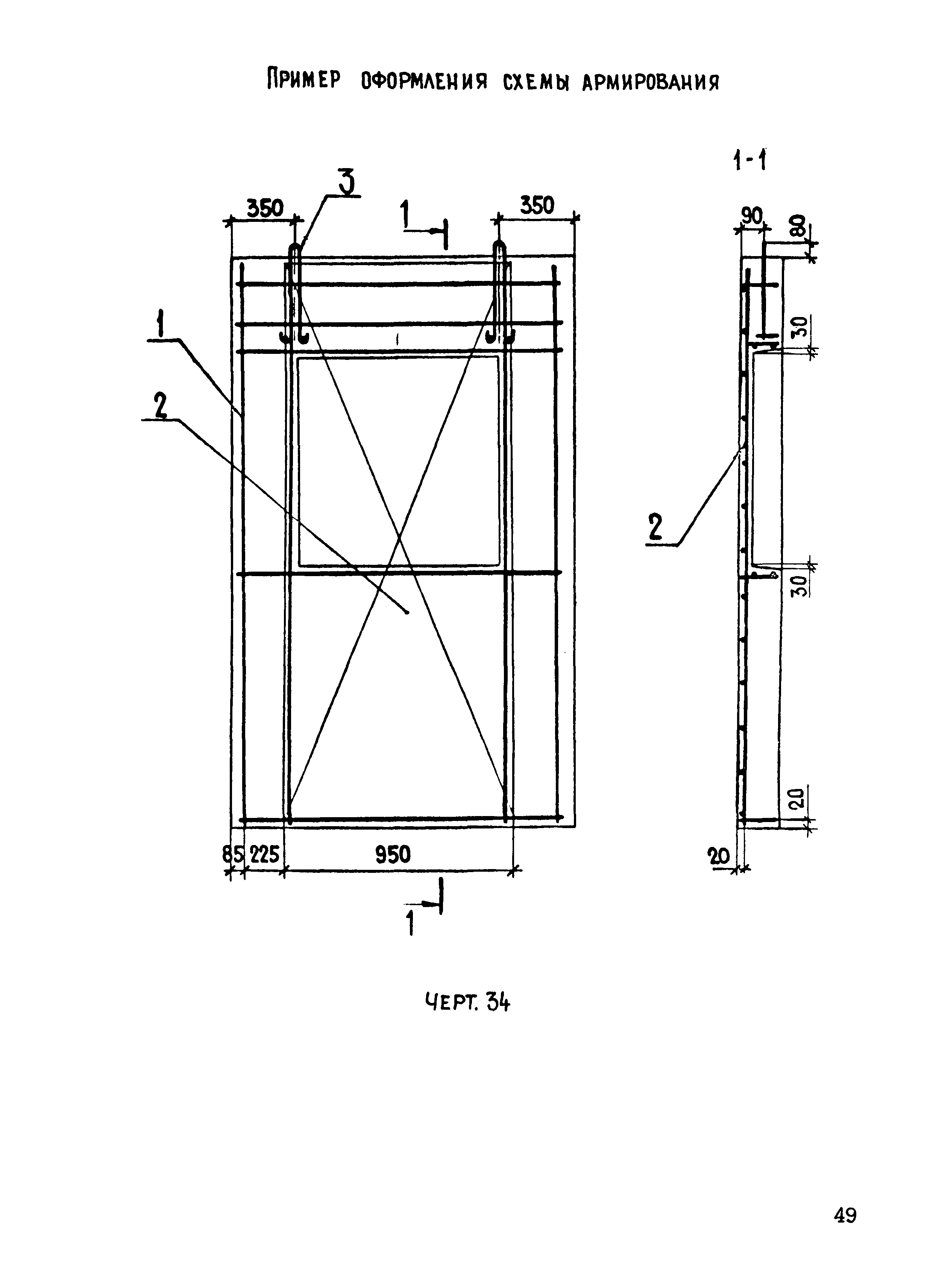
| Область применения: | Инструкция устанавливает состав и правила оформления архитектурно-строительных чертежей жилых и общественных зданий и сооружений. |
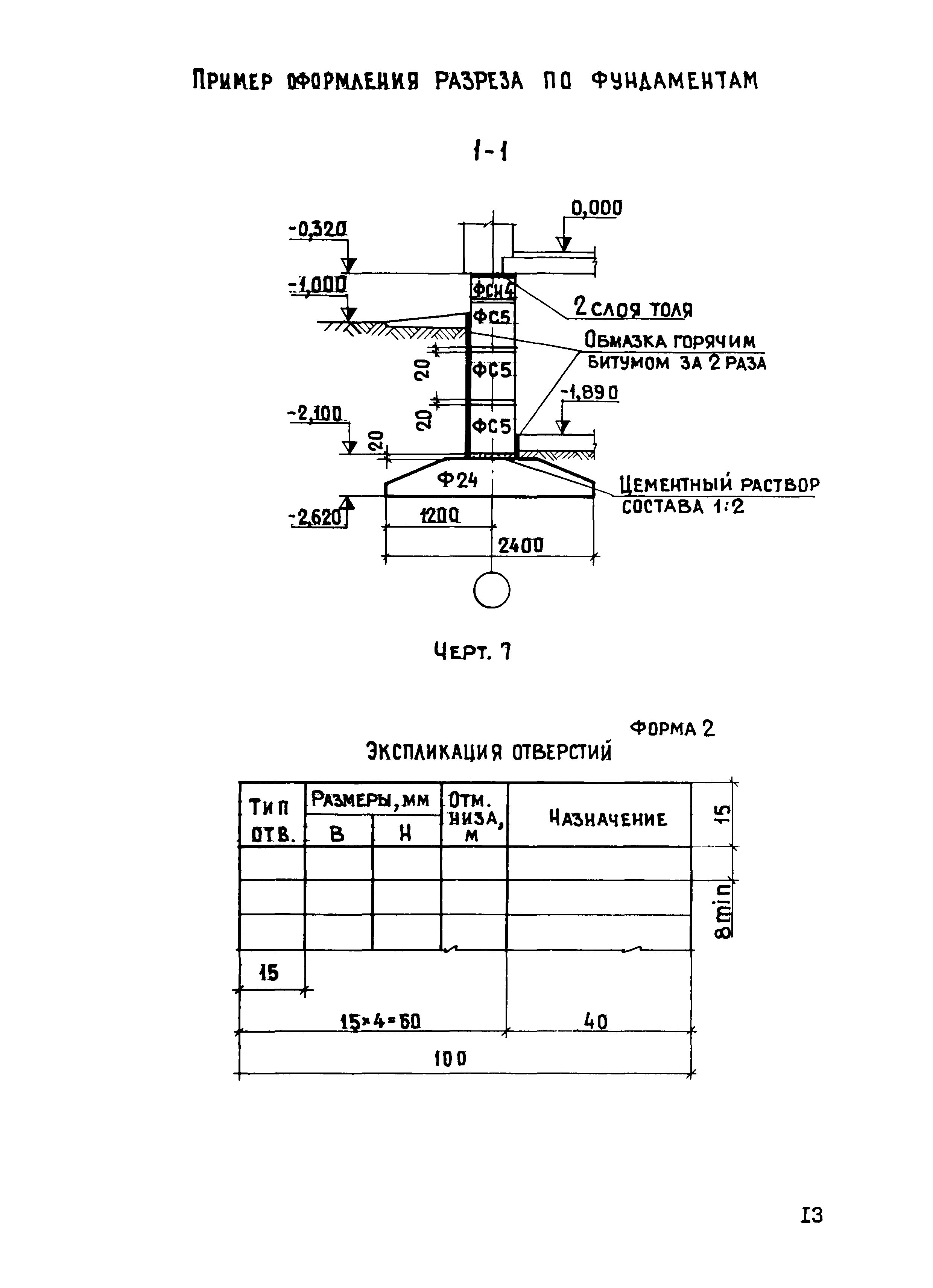
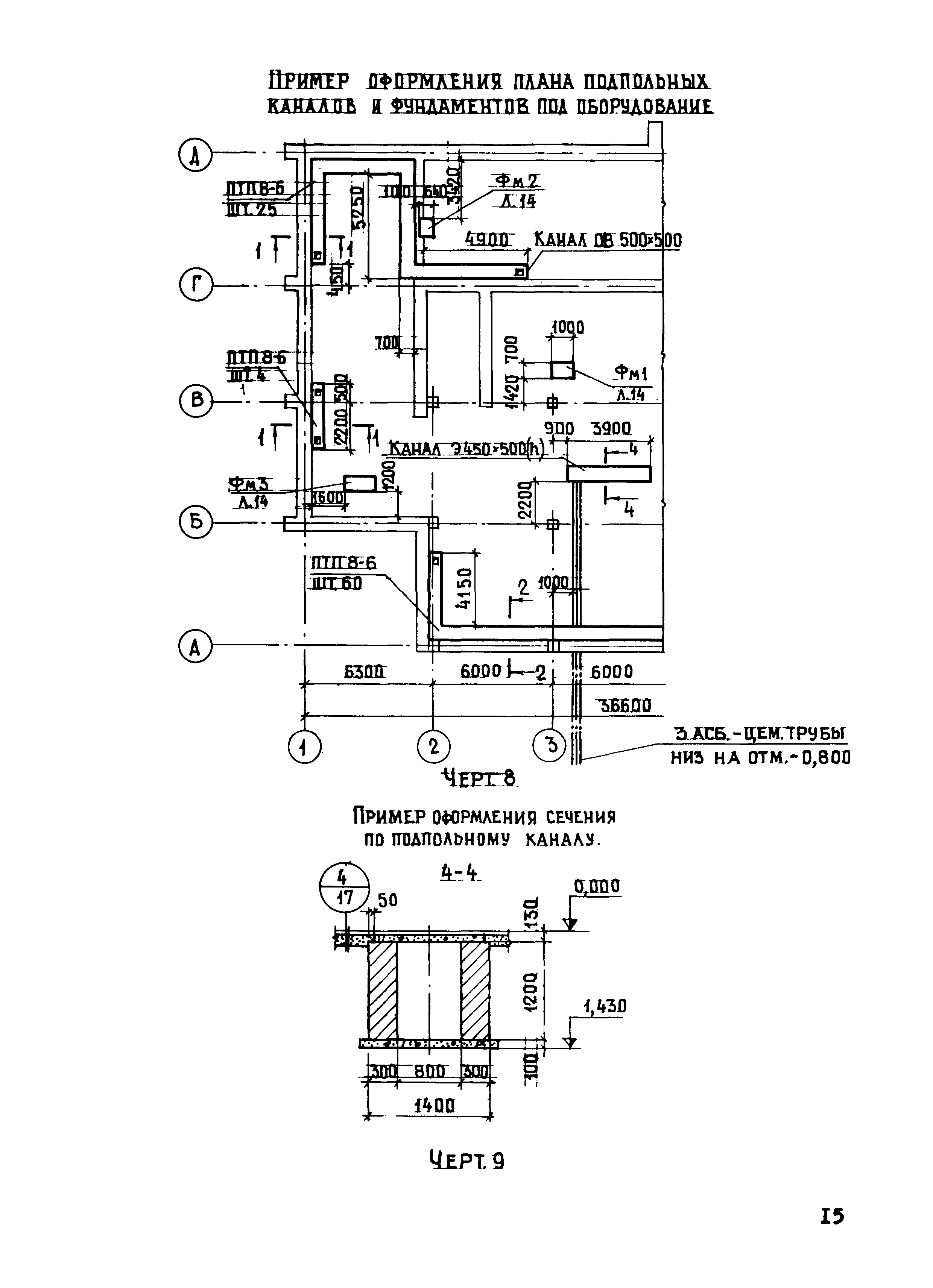
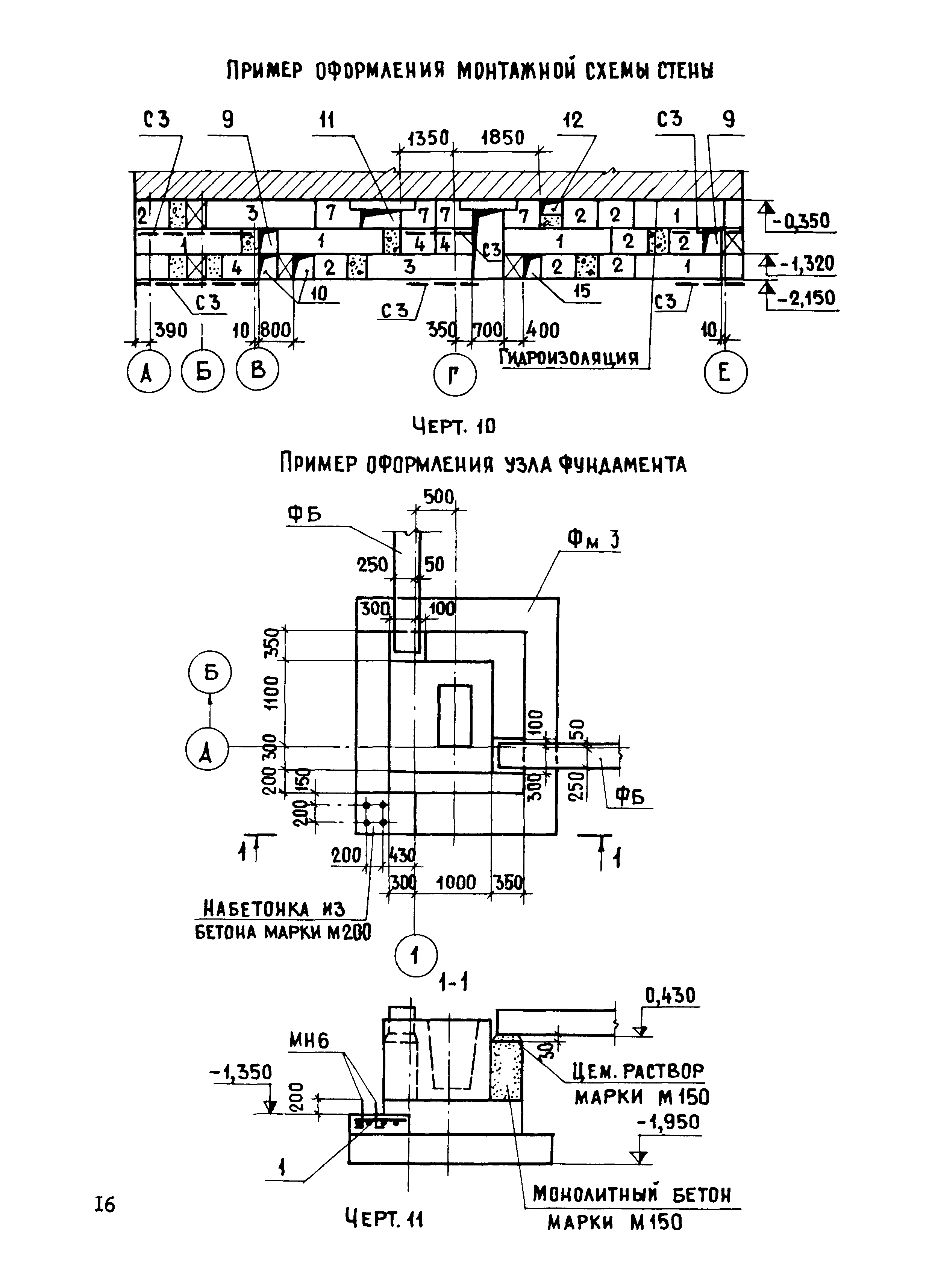
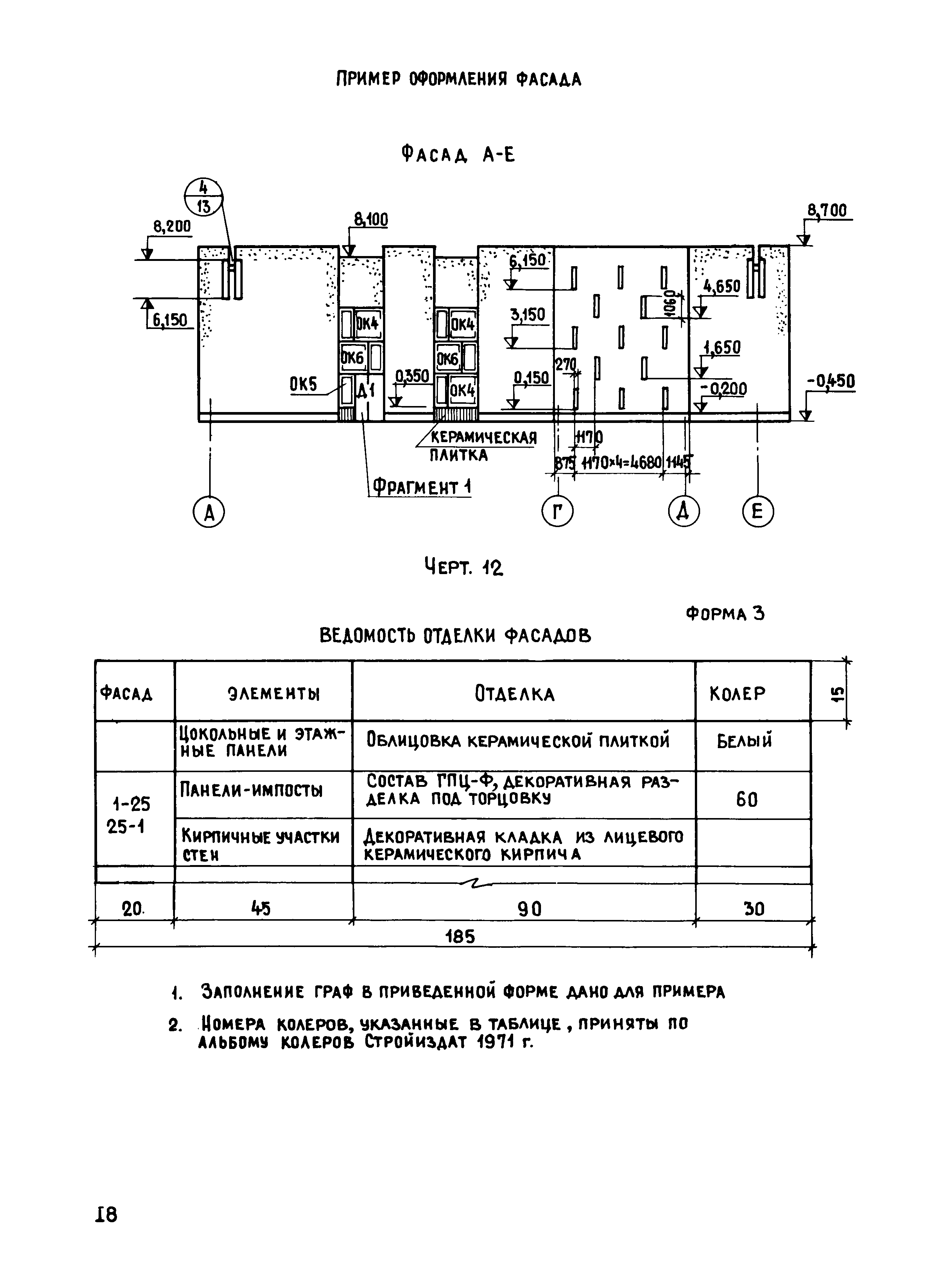
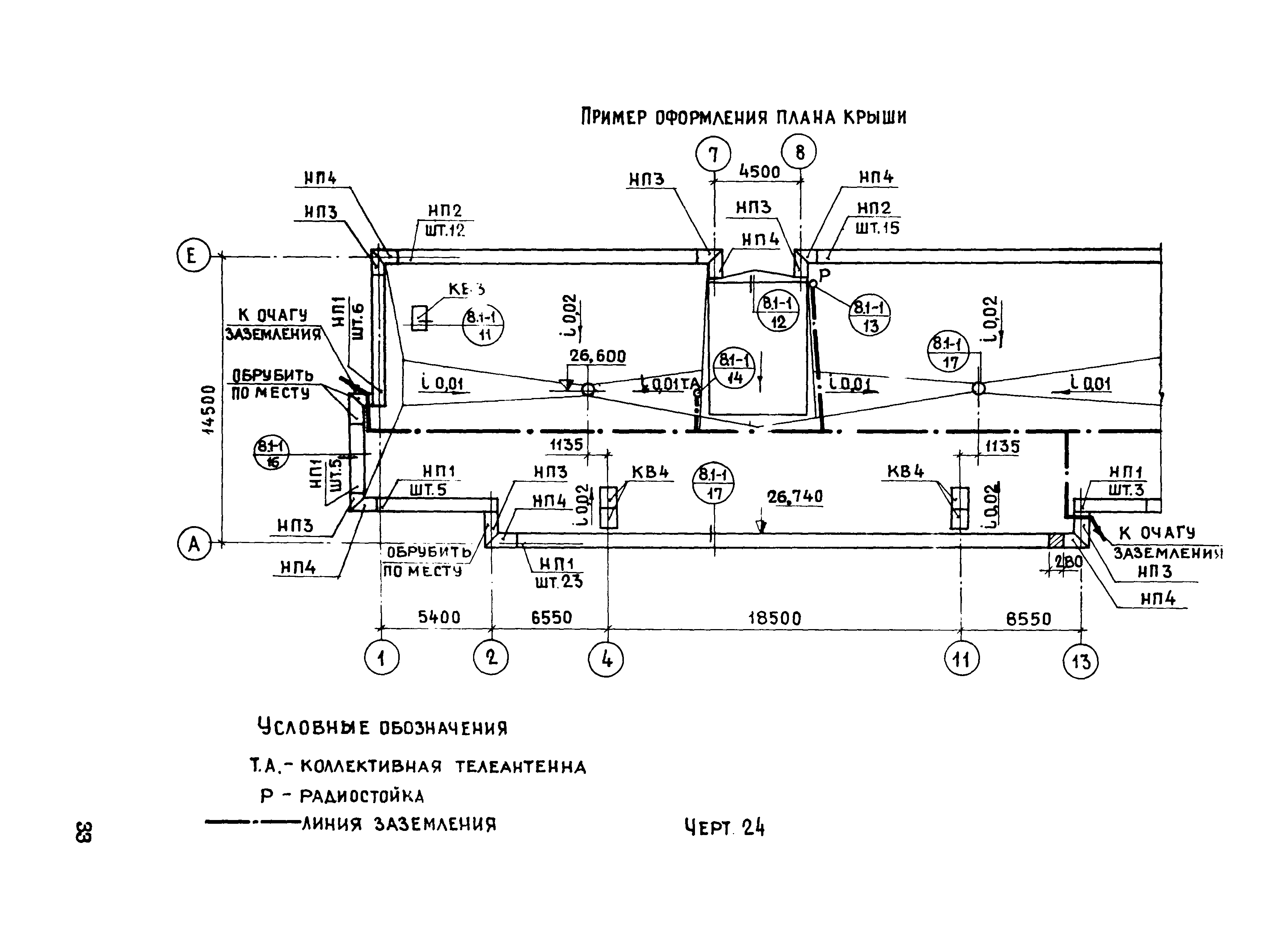
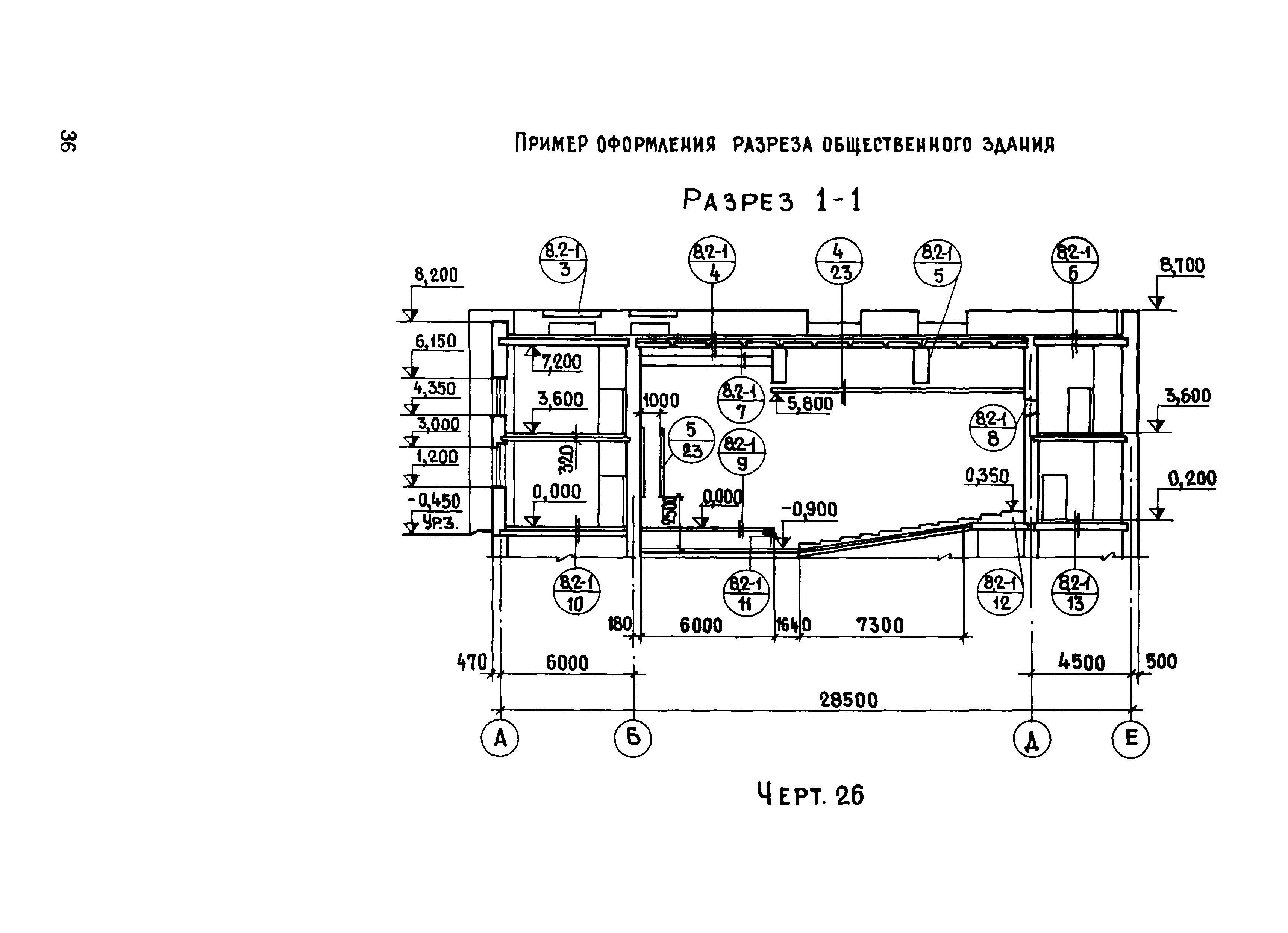
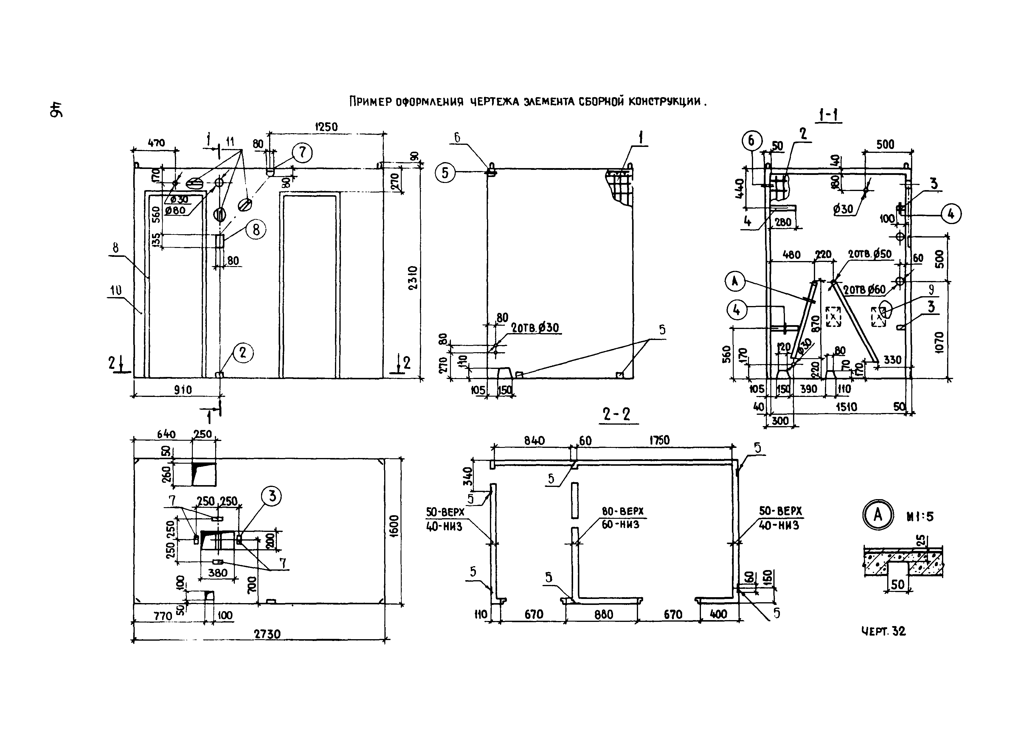
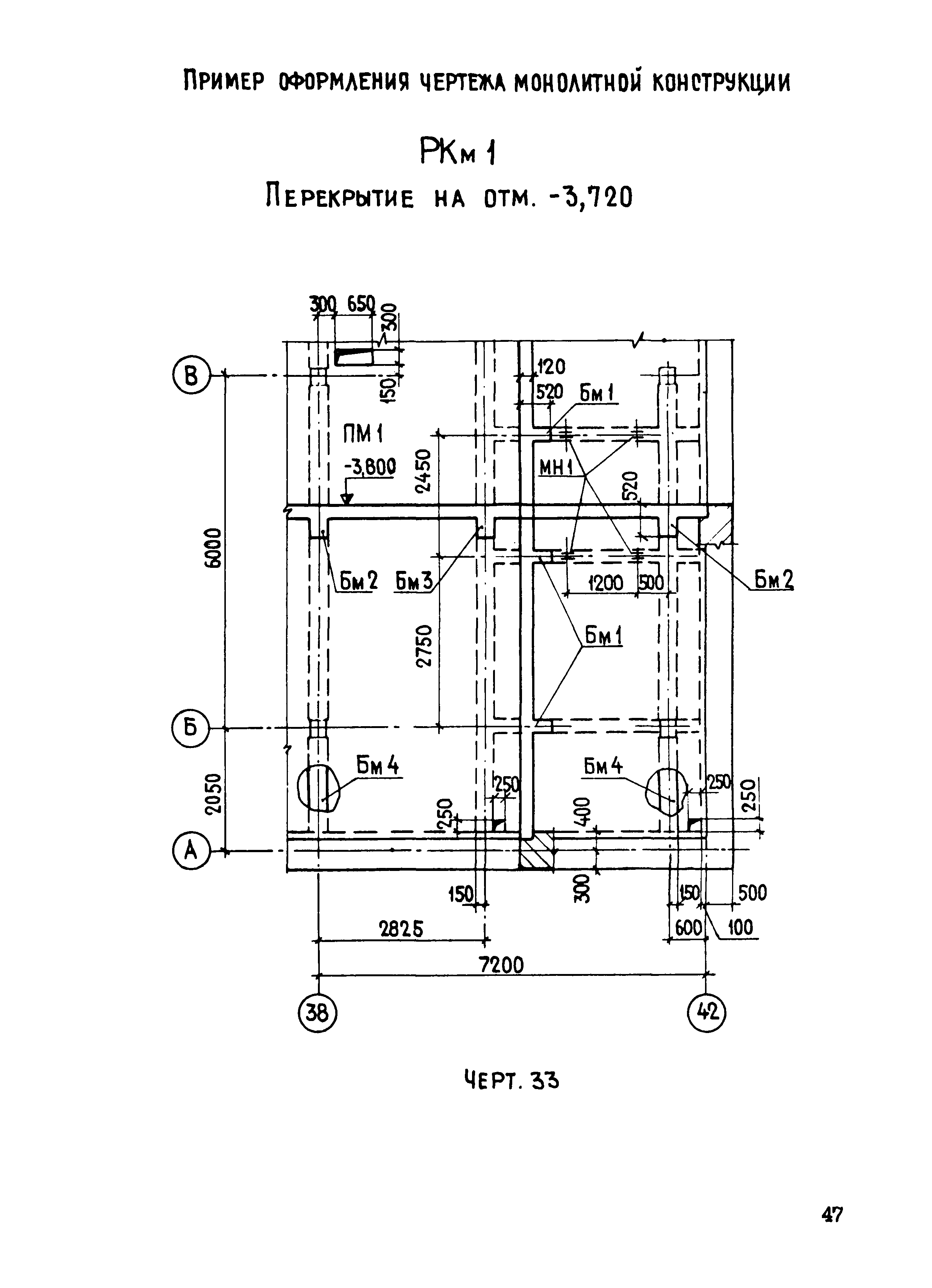
| Оглавление: | 1. Область применения 2. Состав основного комплекта чертежей и общие правила их оформления 3. Заглавный лист и спецификация 4. Чертежи здания ниже отметки 0,000 5. Фасады 6. Планы 7. Разрезы 8. Монтажные схемы 9. Планы отделочных работ 10. Сборочные чертежи элементов железобетонных конструкций 11. Чертежи арматурных закладных и соединительных изделий 12. Узлы, фрагменты |
| Разработан: | ЦНИИЭП жилища |
| Утверждён: | 20.07.1977 Государственный комитет по гражданскому строительству и архитектуре при Госстрое СССР (149) |
| Нормативные ссылки: |
































































