Скачать Типовые материалы для проектирования 904-02-38.88 Альбом I. Схемы автоматизации. Схемы электрические принципиальные регулирования

Дата актуализации: 01.01.2021

Типовые материалы для проектирования 904-02-38.88

Альбом I. Схемы автоматизации. Схемы электрические принципиальные регулирования

Обозначение: Типовые материалы для проектирования 904-02-38.88
Обозначение англ: 904-02-38.88
Статус:справочные материалы, мп, тпр
Название рус.:Альбом I. Схемы автоматизации. Схемы электрические принципиальные регулирования
Дата добавления в базу:01.09.2013
Дата актуализации:01.01.2021
Дата введения:22.09.1988
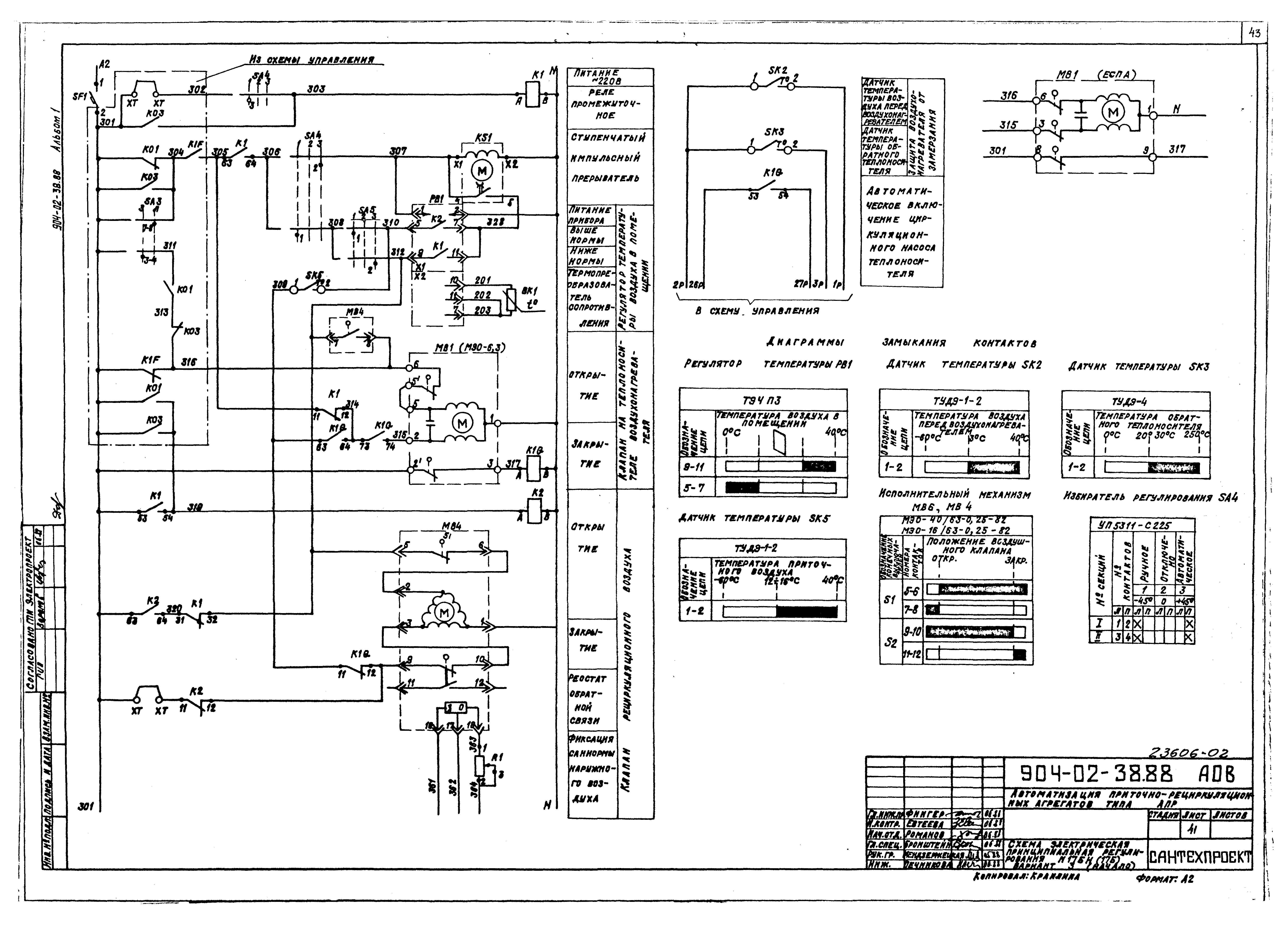
Оглавление:Схемы автоматизации
Схемы электрические принципиальные регулирования
Разработан: Сантехпроект
Утверждён:22.09.1988 Госстрой СССР (Государственный комитет Совета Министров СССР по делам строительства) (USSR Gosstroy 64)
Издан: ЦИТП Госстроя СССР (CITP, Gosstroy (USSR) 1989 г. )
Типовые материалы для проектирования 904-02-38.88Типовые материалы для проектирования 904-02-38.88Типовые материалы для проектирования 904-02-38.88Типовые материалы для проектирования 904-02-38.88Типовые материалы для проектирования 904-02-38.88Типовые материалы для проектирования 904-02-38.88Типовые материалы для проектирования 904-02-38.88Типовые материалы для проектирования 904-02-38.88Типовые материалы для проектирования 904-02-38.88Типовые материалы для проектирования 904-02-38.88Типовые материалы для проектирования 904-02-38.88Типовые материалы для проектирования 904-02-38.88Типовые материалы для проектирования 904-02-38.88Типовые материалы для проектирования 904-02-38.88Типовые материалы для проектирования 904-02-38.88Типовые материалы для проектирования 904-02-38.88Типовые материалы для проектирования 904-02-38.88Типовые материалы для проектирования 904-02-38.88Типовые материалы для проектирования 904-02-38.88Типовые материалы для проектирования 904-02-38.88Типовые материалы для проектирования 904-02-38.88Типовые материалы для проектирования 904-02-38.88Типовые материалы для проектирования 904-02-38.88Типовые материалы для проектирования 904-02-38.88Типовые материалы для проектирования 904-02-38.88Типовые материалы для проектирования 904-02-38.88Типовые материалы для проектирования 904-02-38.88Типовые материалы для проектирования 904-02-38.88Типовые материалы для проектирования 904-02-38.88Типовые материалы для проектирования 904-02-38.88Типовые материалы для проектирования 904-02-38.88Типовые материалы для проектирования 904-02-38.88Типовые материалы для проектирования 904-02-38.88Типовые материалы для проектирования 904-02-38.88Типовые материалы для проектирования 904-02-38.88Типовые материалы для проектирования 904-02-38.88Типовые материалы для проектирования 904-02-38.88Типовые материалы для проектирования 904-02-38.88Типовые материалы для проектирования 904-02-38.88Типовые материалы для проектирования 904-02-38.88Типовые материалы для проектирования 904-02-38.88Типовые материалы для проектирования 904-02-38.88Типовые материалы для проектирования 904-02-38.88Типовые материалы для проектирования 904-02-38.88Типовые материалы для проектирования 904-02-38.88Типовые материалы для проектирования 904-02-38.88Типовые материалы для проектирования 904-02-38.88Типовые материалы для проектирования 904-02-38.88Типовые материалы для проектирования 904-02-38.88Типовые материалы для проектирования 904-02-38.88Типовые материалы для проектирования 904-02-38.88Типовые материалы для проектирования 904-02-38.88