Скачать Типовой проект 0901-4-12.89 Альбом 2. Строительные изделияДата актуализации: 01.01.2021
|
| Обозначение: | Типовой проект 0901-4-12.89 |
| Обозначение англ: | 0901-4-12.89 |
| Статус: | не определен законодательством |
| Название рус.: | Альбом 2. Строительные изделия |
| Дата добавления в базу: | 01.09.2013 |
| Дата актуализации: | 01.01.2021 |
| Дата введения: | 18.05.1989 |
| Дата окончания срока действия: | 30.06.2003 |
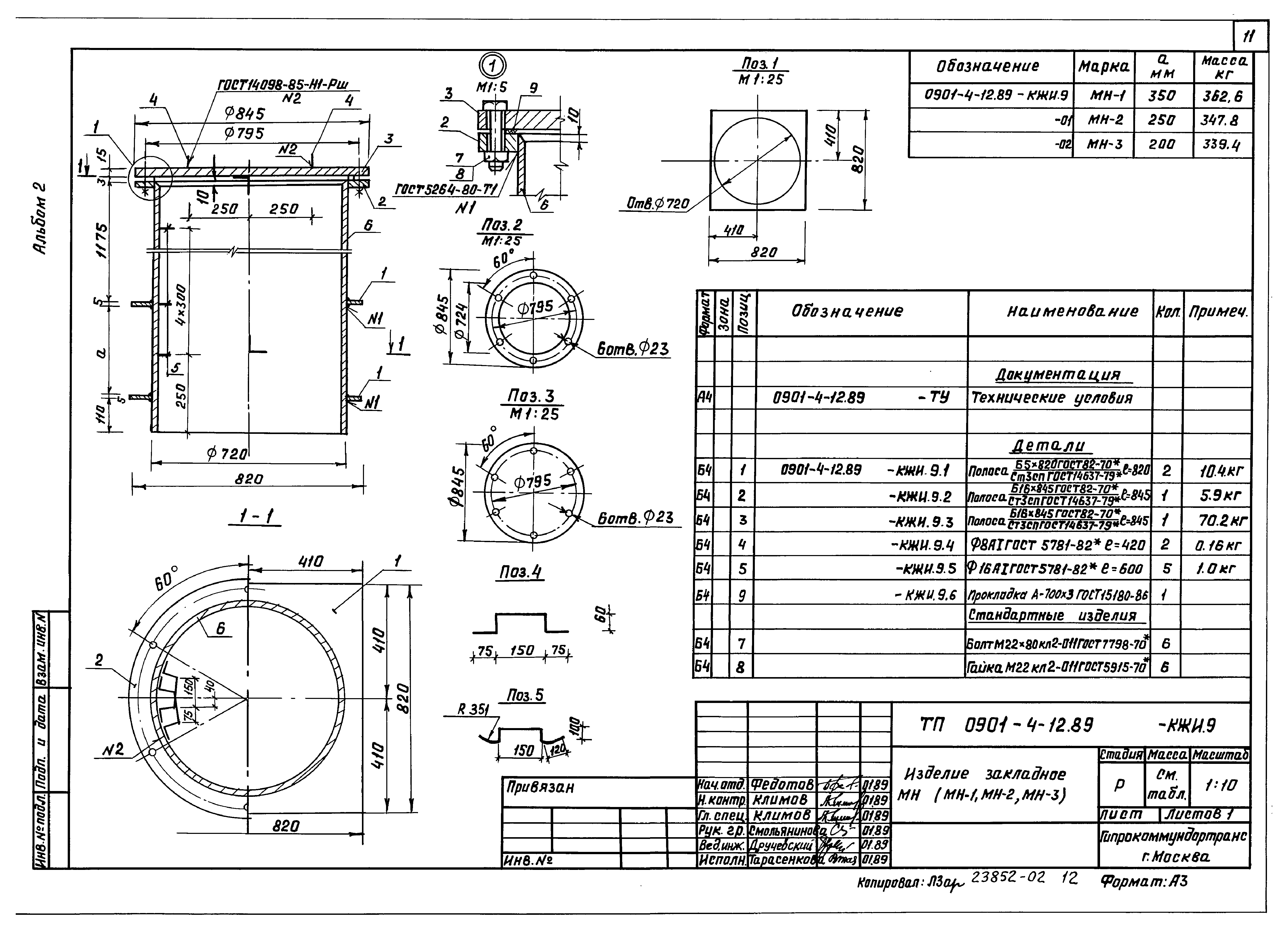
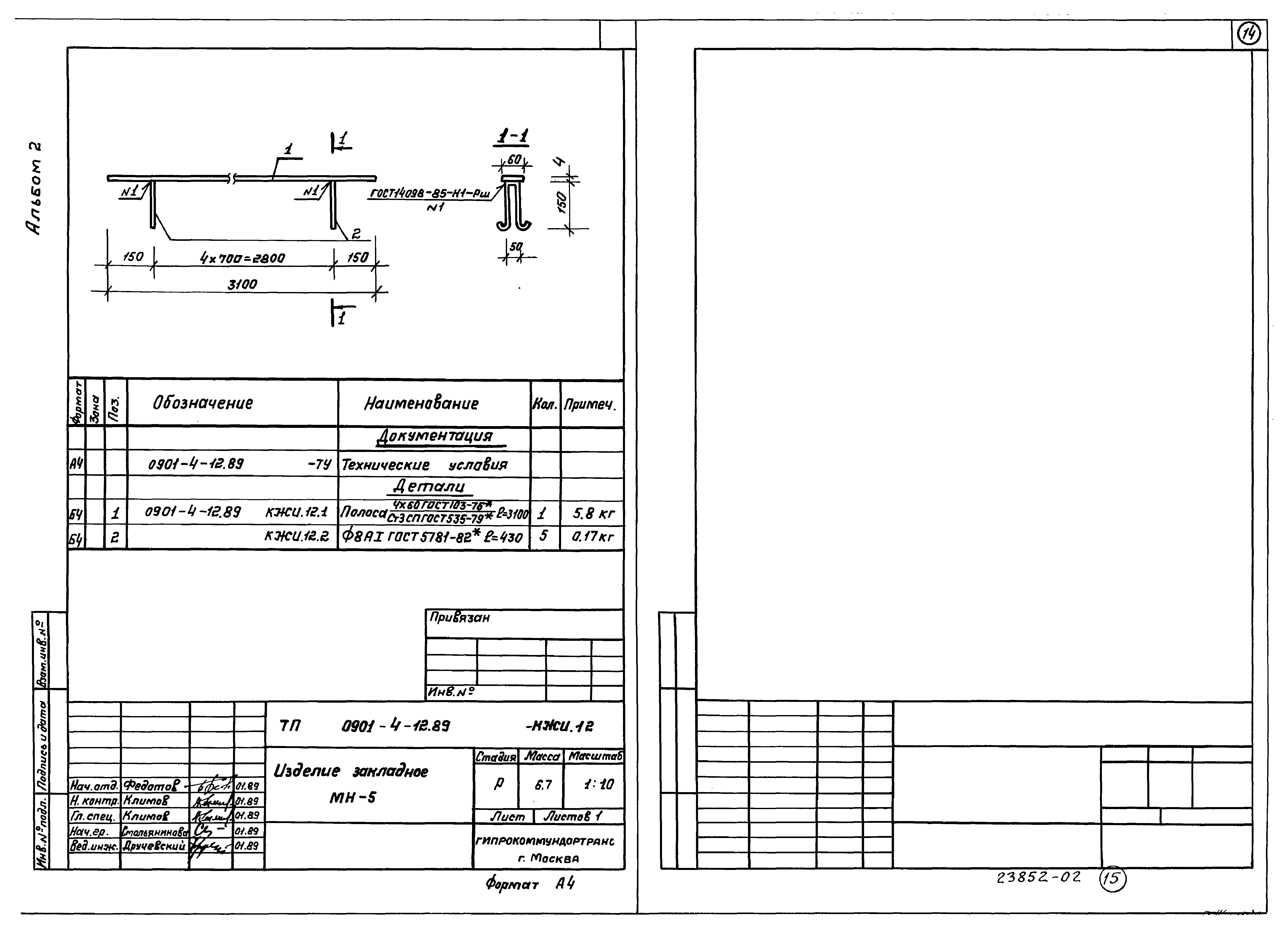
| Оглавление: | 0901-4-12.89-ТУ Технические условия 0901-4-12.89-КЖИ.1 Каркас пространственный КП (КП1, КП2) 0901-4-12.89-КЖИ.2 Каркас пространственный КП (КП3, КП4) 0901-4-12.89-КЖИ.3 Каркас пространственный КП (КП5 - КП10) 0901-4-12.89-КЖИ.4 Каркас плоский КР (КР1 - КР3) 0901-4-12.89-КЖИ.5 Каркас плоский КР (КР4 - КР7) 0901-4-12.89-КЖИ.6 Сетка С (С1, С2) 0901-4-12.89-КЖИ.7 Сетка С (С3, С4) 0901-4-12.89-КЖИ.8 Сетка С (С5 - С10) 0901-4-12.89-КЖИ.9 Изделие закладное МН (МН1, МН2, МН3) 0901-4-12.89-КЖИ.10 Изделие закладное МН4 0901-4-12.89-КЖИ.11 Лестница ЛМ-1 0901-4-12.89-КЖИ.12 Изделие закладное МН5 |
| Разработан: | Гипрокоммундортранс |
| Утверждён: | 12.05.1989 Штаб гражданской обороны СССР (USSR Civil Defense Headquarters 43) |














