Скачать Типовой проект 0901-4-11.89 Альбом 2. Строительные изделияДата актуализации: 01.01.2021
|
| Обозначение: | Типовой проект 0901-4-11.89 |
| Обозначение англ: | 0901-4-11.89 |
| Статус: | не определен законодательством |
| Название рус.: | Альбом 2. Строительные изделия |
| Дата добавления в базу: | 01.09.2013 |
| Дата актуализации: | 01.01.2021 |
| Дата введения: | 15.03.1989 |
| Дата окончания срока действия: | 30.06.2003 |
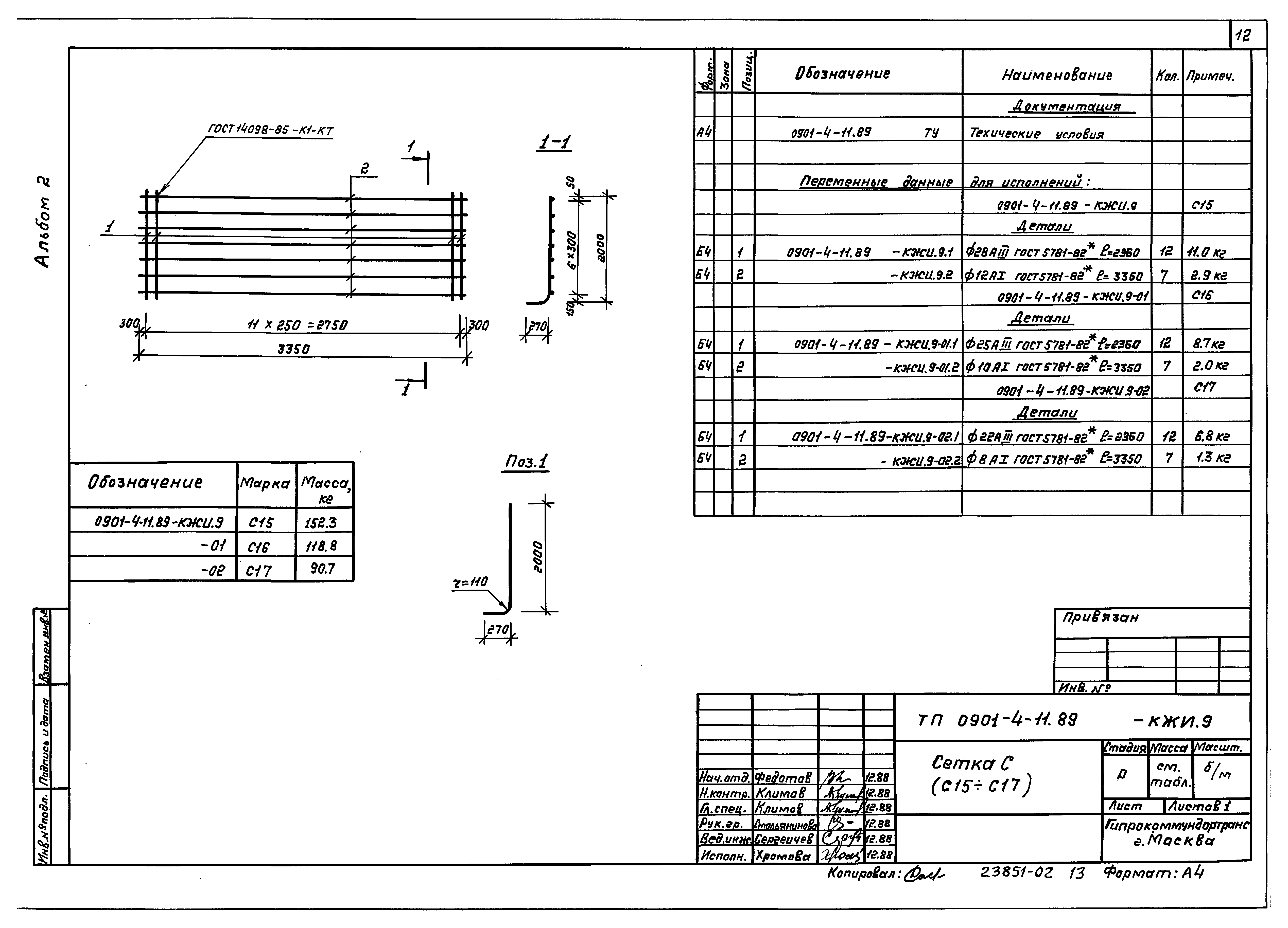
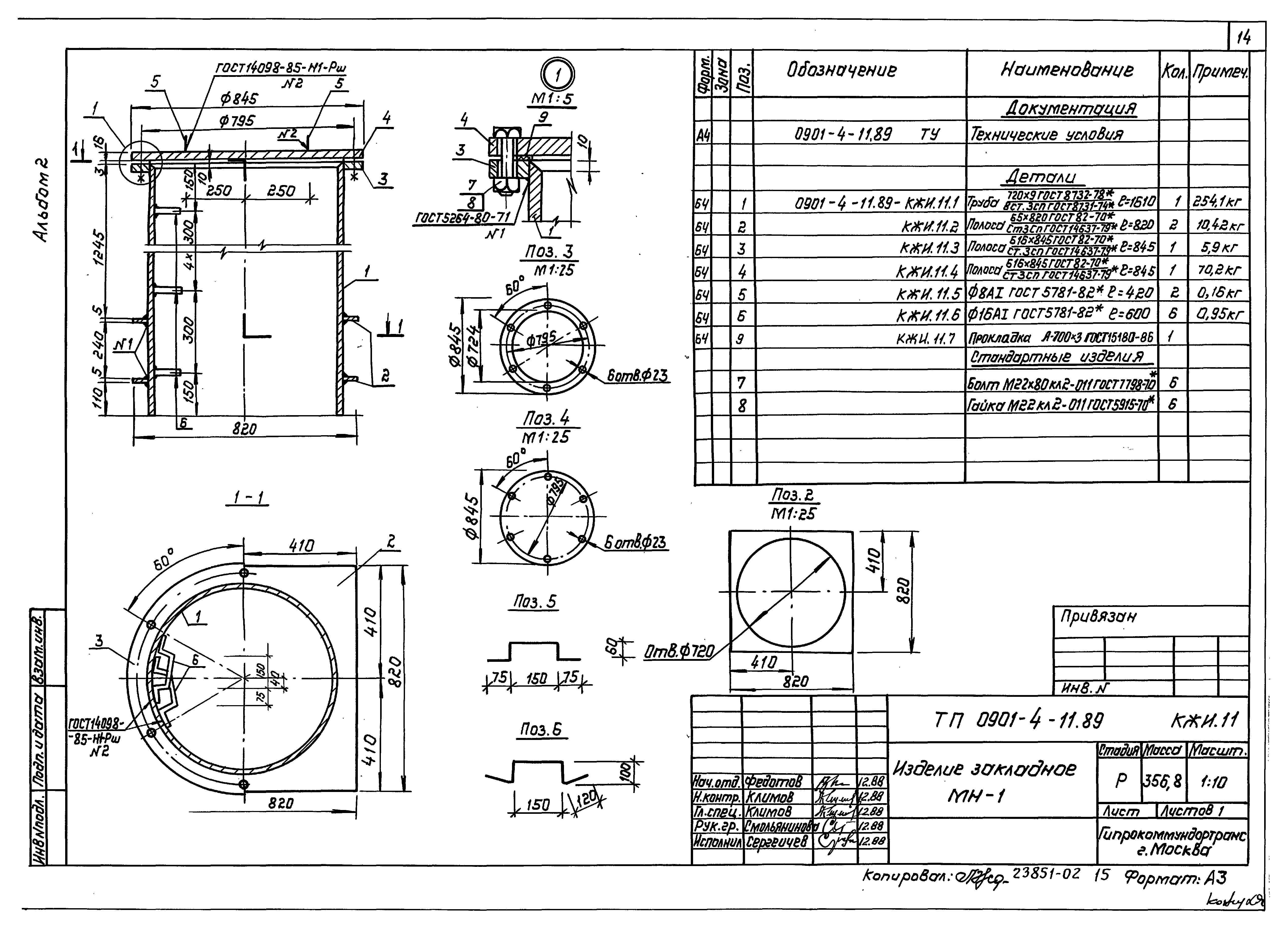
| Оглавление: | 0901-4-11.89-ТУ Технические условия 0901-4-11.89-КЖИ.1 Каркас пространственный КП (КП1 - КП8) 0901-4-11.89-КЖИ.2 Каркас пространственный КП (КП9 - КП12) 0901-4-11.89-КЖИ.3 Каркас пространственный КП (КП13 - КП15) 0901-4-11.89-КЖИ.4 Каркас плоский КР (КР1, КР2) 0901-4-11.89-КЖИ.5 Каркас плоский КР (КР3, КР4) 0901-4-11.89-КЖИ.6 Каркас плоский КР (КР15 - КР8) 0901-4-11.89-КЖИ.7 Каркас плоский КР (КР9, КР10) 0901-4-11.89-КЖИ.8 Сетка С (С1 - С14) 0901-4-11.89-КЖИ.9 Сетка С (С15 - С17) 0901-4-11.89-КЖИ.10 Лестница ЛМ-1 0901-4-11.89-КЖИ.11 Изделие закладное МН-1 0901-4-11.89-КЖИ.12 Изделие закладное МН-2 |
| Разработан: | Гипрокоммундортранс |
| Утверждён: | 03.03.1989 Штаб гражданской обороны СССР (USSR Civil Defense Headquarters 40) |















