Скачать Типовой проект 709-9-126.93 Альбом 2. Технологические решения. Архитектурно-строительные решения. Электротехническая часть. Связь и сигнализацияДата актуализации: 01.01.2021
|
| Обозначение: | Типовой проект 709-9-126.93 |
| Обозначение англ: | 709-9-126.93 |
| Статус: | не определен законодательством |
| Название рус.: | Альбом 2. Технологические решения. Архитектурно-строительные решения. Электротехническая часть. Связь и сигнализация |
| Дата добавления в базу: | 01.09.2013 |
| Дата актуализации: | 01.01.2021 |
| Дата введения: | 07.07.1993 |
| Дата окончания срока действия: | 30.06.2003 |
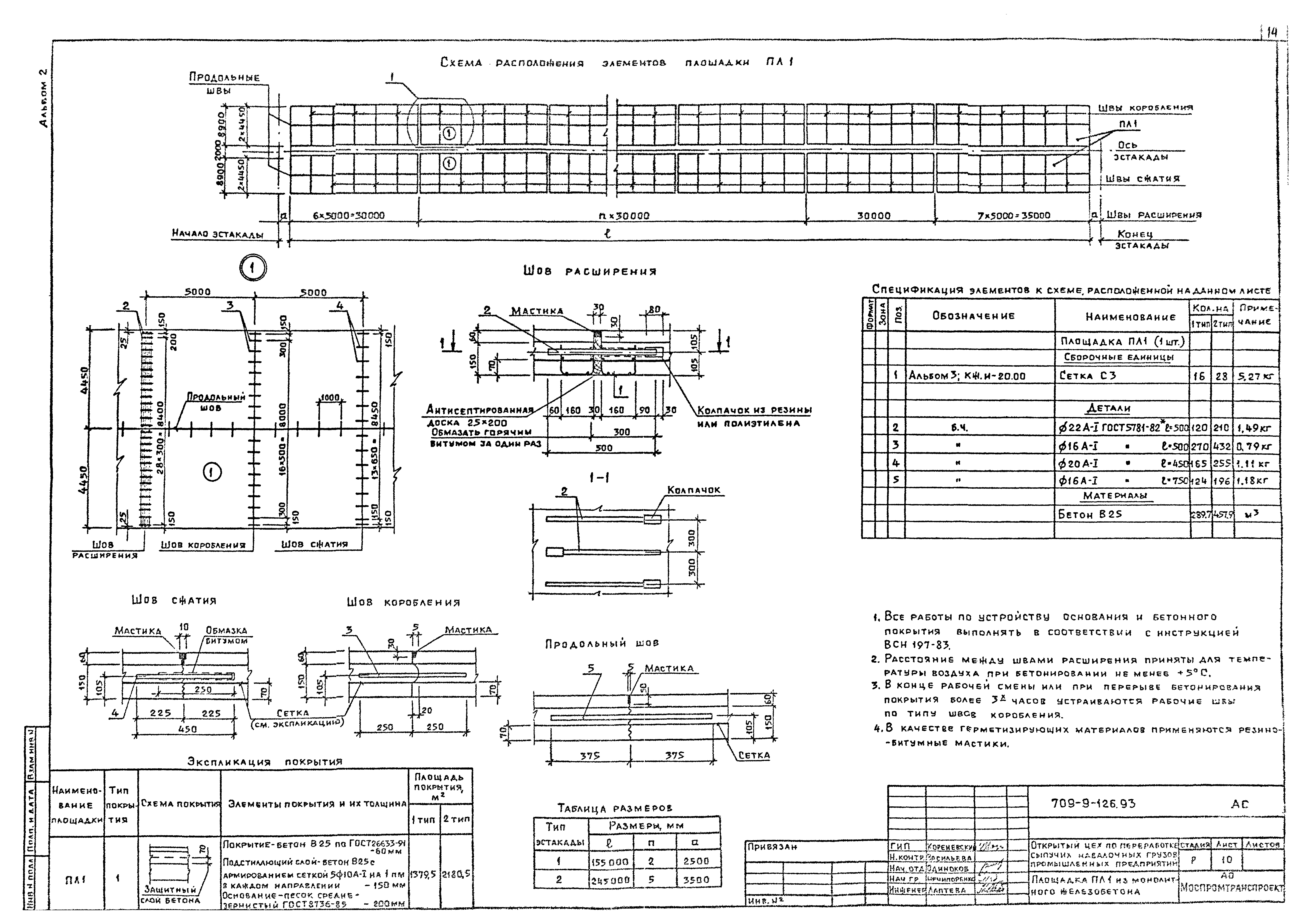
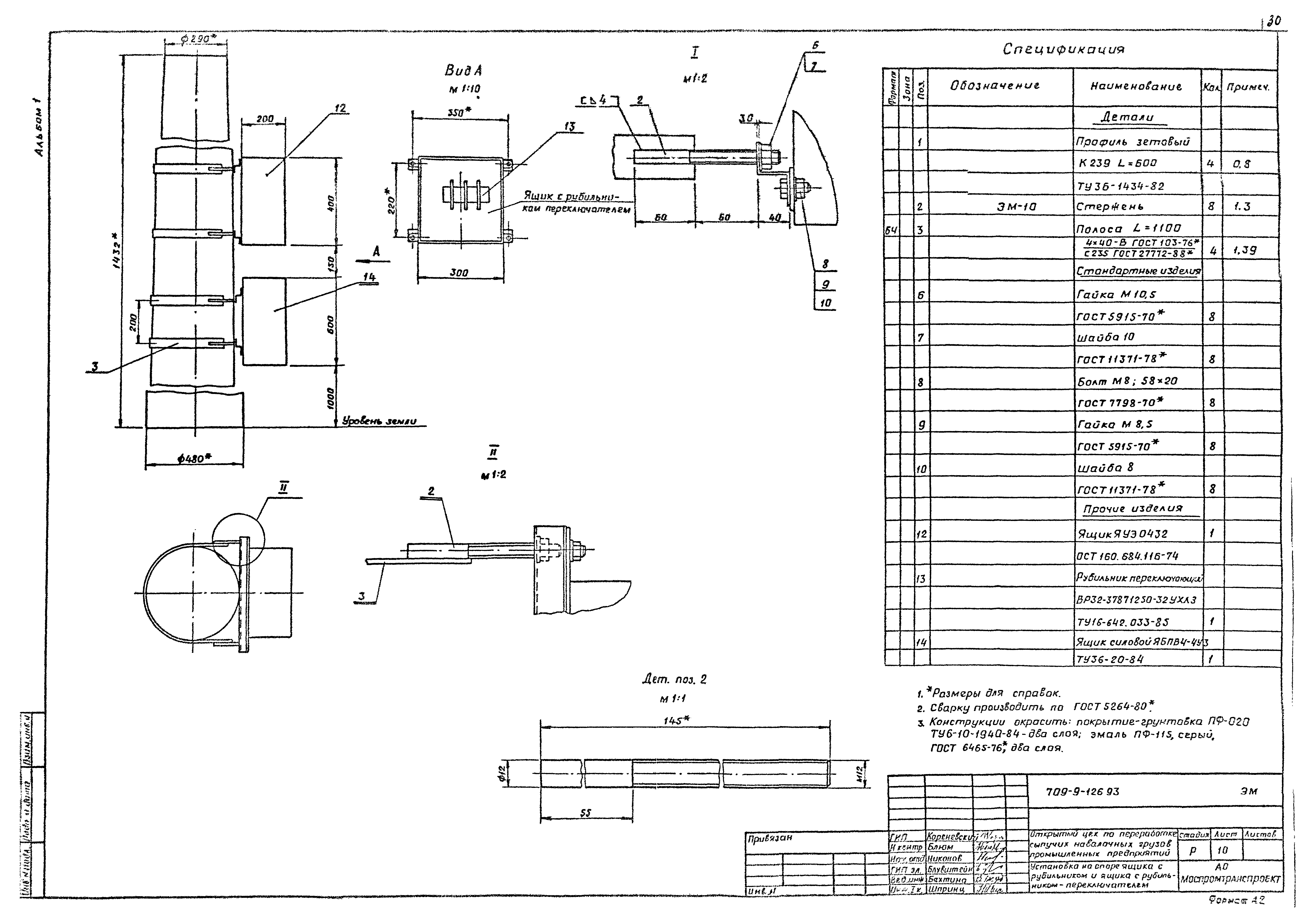
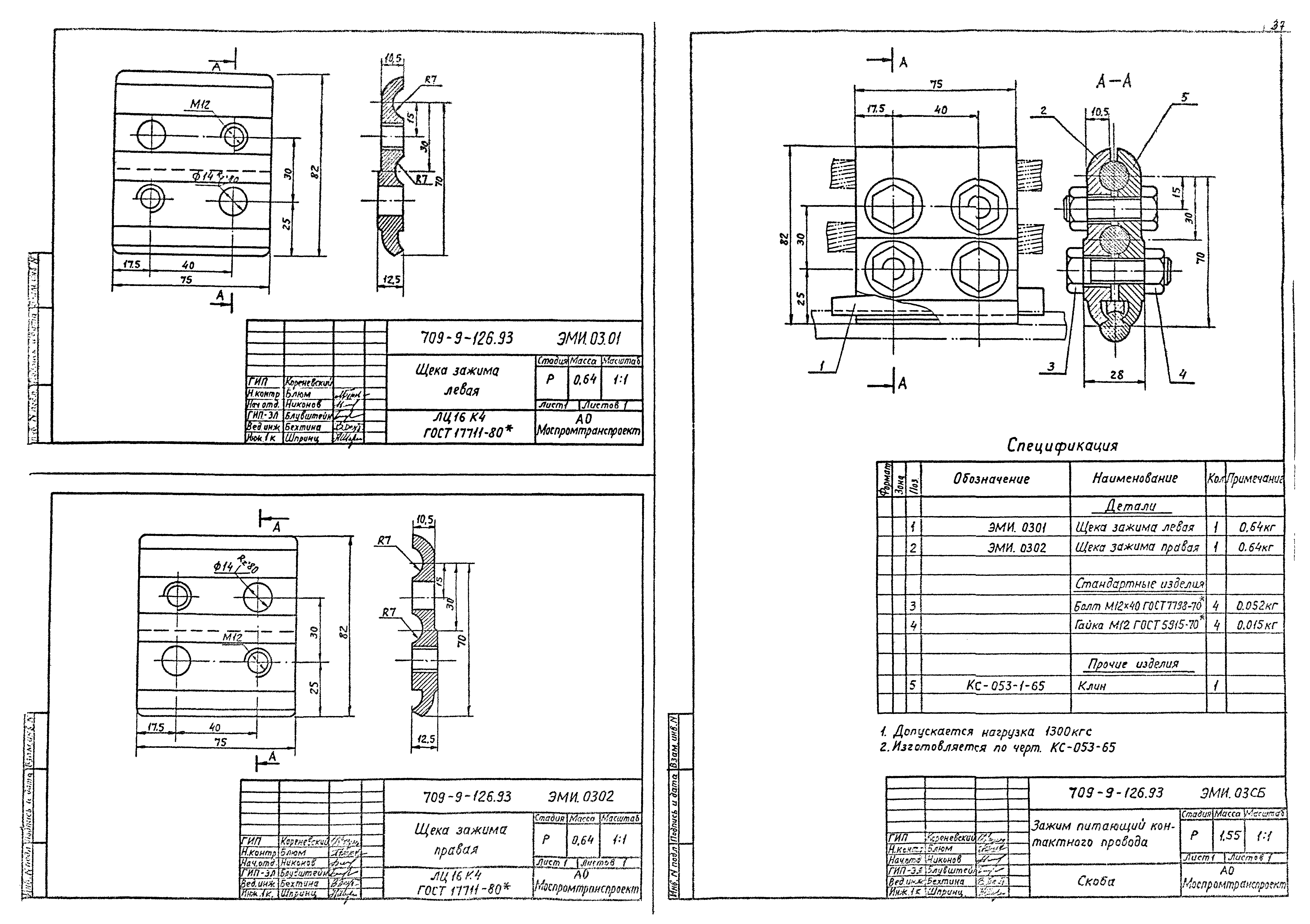
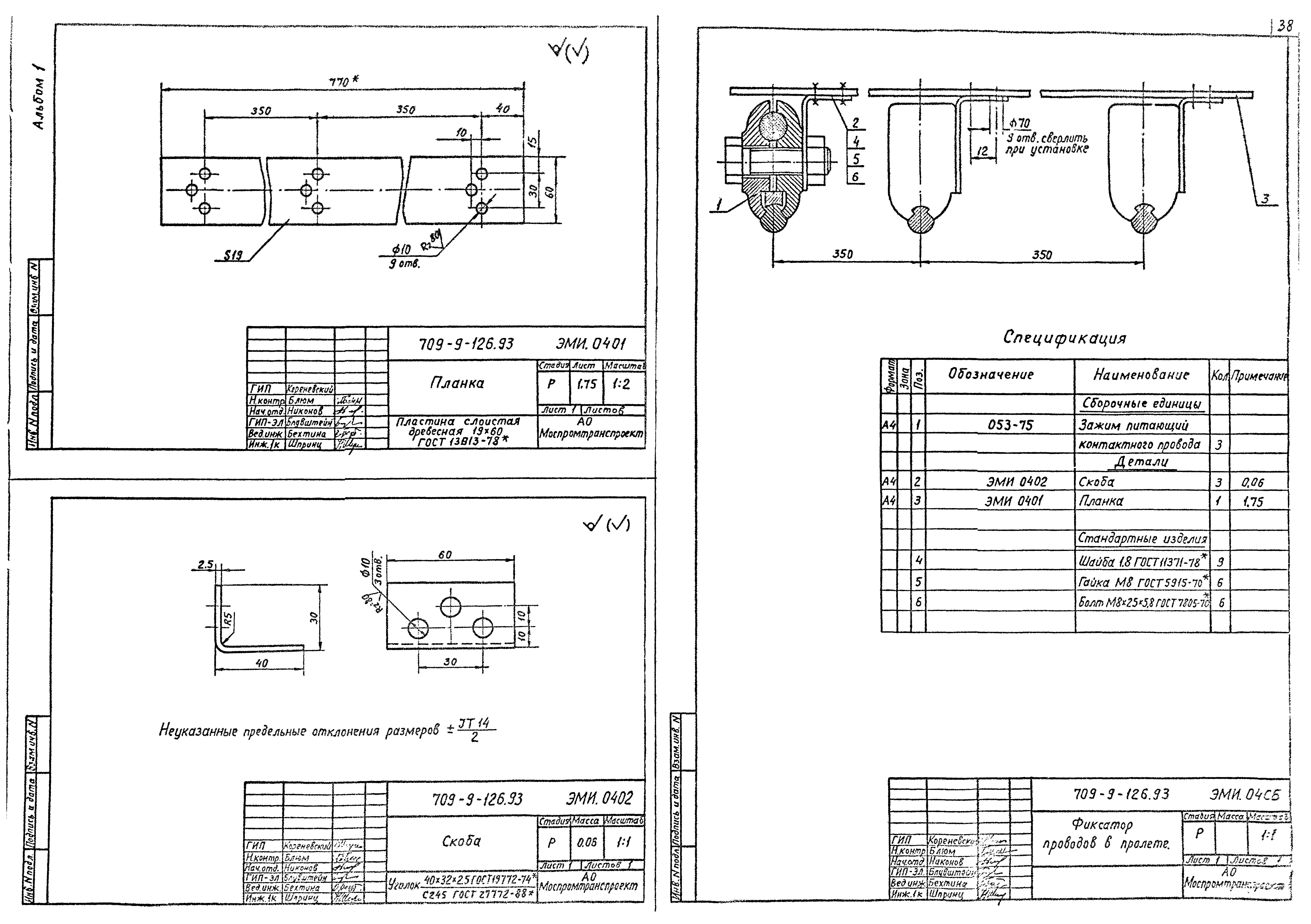
| Оглавление: | Содержание альбома Технологические решения ТХ Общие данные План цеха с расстановкой технологического оборудования Архитектурно-строительные решения АС Общие данные План цеха (тип 1) План цеха (тип 2) Разрезы 1-1, 2-2 (тип 1). Вариант площадки ПЛ1 из монолитного железобетона Разрезы 1-1, 2-2 (тип 1). Вариант площадки ПЛ1 из сборных ж/б плит Разрезы 1-1, 2-2 (тип 2). Вариант площадки ПЛ1 из монолитного железобетона Разрезы 1-1, 2-2 (тип 2). Вариант площадки ПЛ1 из сборных ж/б плит Узлы 1…5. Упор УП1 Схемы расположения элементов подкранового пути ПКП1. Фундаменты опор ФМ1, ФМ2 Площадка ПЛ1 из монолитного железобетона Площадка ПЛ1 из сборных ж/б плит Эстакада высотой 2,4 м из бетонных блоков (тип 1). План. Разрезы 1-1, 2-2. Фрагмент №1. Узлы 1…3 Эстакада высотой 2,4 м из бетонных блоков (тип 1). Секции 1 и 2. Узлы 1 и 2 Монолитный пояс МП-1 Эстакада балочного типа высотой 3,0 м (тип 2). План. Фасад. Разрезы 1-1, 2-2 Эстакада балочного типа высотой 3,0 м (тип 2). Фрагмент №1. Узлы 1…11 Электротехническая часть ЭМ Общие данные Троллейные линии. Схемы электрические принципиальные План. Цех тип 1 План. Цех тип 2 Спецификация к чертежам ЭМ-3, ЭМ-4 Крепление троллеев на промежуточной опоре Крепление троллеев на анкерной опоре. Исп. 1 Крепление троса ограничителя грузов на анкерной опоре Крепление троллеев на анкерной опоре. Исп. 2 Установка на опоре ящика с рубильником и ящика с рубильником-переключателем Установка светофора на опоре Электроосвещение. План Ведомости изделий, материалов и электромонтажных конструкций МЭЗ Траверса Кронштейн Косынка Болт М22 Траверса Зажим питающий контактного провода Щека зажима левая Щека зажима правая Фиксатор проводов в пролете Планка Скоба Полухомут Тяга Щека Стержень Установка рубильника и рубильника-переключателя в навесном шкафу Связь и сигнализация СС Общие данные. Схемы сетей громкоговорящего оповещения Планы кабельных сетей громкоговорящего оповещения |
| Разработан: | Моспромтранспроект |
| Утверждён: | 07.07.1993 Государственная корпорация Трансстрой (Transstroy Government-Owned Corporation МВ-129) |








































